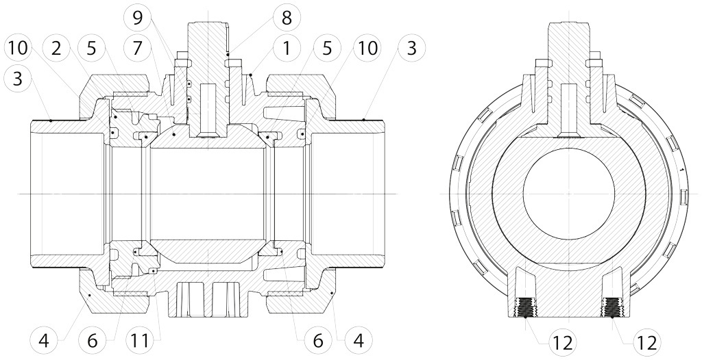
H2 INVICTUS MAGNUM THOR PROCHEMIE 60 HERCULES KRATOS SUPREME TRUNNION 其他黄铜球阀 其他铸铁球阀 其他不锈钢球阀 其他碳素钢球阀 其他PVC材质球阀 下载 总目录 下载 执行器附件目录 解码MAGNUM & THOR 配置您的产品 下载不同格式的2D和3D文件 下载 下载销售条款 宏 球阀 小类 其他PVC材质球阀 配备螺纹接口或适用粘接的2通道全通径PVC球阀ITEM 615接合:螺纹接口ITEM 616接合:贴接 配置 动力 申请详细信息 打印页面 下载目录 其他PVC材质球阀 特性 特性 物料 图表和起动扭矩 常规参数:• 运行温度:0℃~+60℃• 运行压力:参见图表• 应用领域:不会与破坏PVC材质化学耐性的化学物质和流体。• 接口:DIN/ISO 228/1标准螺纹母头;ISO 727 UNI EN 1452标准粘接工艺 • 若流体兼容粘接工艺接头阀门的化学耐性,PN16可达20℃,PN10适用于螺纹接头。选装特殊配置:• 请联络我司的销售部门。 尺寸规格尺寸L螺纹L粘接ØQØC螺纹ØC粘接ABEFØMPDN [mm][inch]DN 103/8"9592503/8"1626,1412527612DN 151/2"10095501/2"2026,1412527612DN 203/4"114110583/4"253048,52530612DN 251"127123681"3235,2552536612DN 321" 1/4146146841"1/4404466,94544815DN 401" 1/2152157971"1/25050,273,14551815DN 502"1771831242"636289,44564815DN 652" 1/22332331662"1/27584,11267085815DN 803"2542542003"9095,913870105815DN 1004"3013012384"110109,91521201231222 材质 1阀体PVC-U2球体密封支架PVC-U3套管PVC-U4环型螺母PVC-U5球体密封件PTFE6阀座背向O形圈EPDM7球体PVC-U8阀杆PVC-U9内杆O形圈EPDM10末端O形密封圈EPDM11阀体O形圈EPDM12装配嵌件不锈钢 压力/温度图表 流量/压力损失和公称系数KvDN10DN15DN20DN25DN32DN40DN50DN65DN80DN100Kv100701853507001000160031005000700011000KV100, л/минKV4,211,121426096186300420660KV, куб. м/ч流量系数Kv的数值等于压降为1 bar时的流量值(单位为m3/h,水温为15℃)。 起动扭矩(Nm)尺寸DN 103/8"DN 15 1/2"DN 20 3/4"DN 251"DN 32 1"1/4DN 40 1"1/2DN 502"DN 65 2"1/2DN 803"DN 1004"PN 10/16 bar22345,57,510152340扭矩值可能因温度和流体类型的影响而出现变化。纳入考虑的安全因子为1.4。在频繁开闭的循环条件下,操纵扭矩可能会略低于初始扭矩。后文中列示的执行器/阀门装配以平均温度下截止洁净的液体或气体时为准。欲了解详情或其他应用方式,请联络我司的销售部门。 配置 驾驶 选择搜索参数 -- 驾驶 -- 自由轴+螺纹 自由轴+粘接 手柄+螺纹 手柄+粘接 DA双效气动执行器+螺纹阀门 DA双效气动执行器+粘接阀门 SR单效气动执行器+螺纹阀门 SR单效气动执行器+粘接阀门 搜索文章