images/testate/Template-Header-Sito-OMALBALLVALVES.jpg

Vanne à boisseau sphérique en PVC, Item 615-616

Vanne à boisseau sphérique en PVC, Item 615-616

Vanne à boisseau sphérique en PVC, 2 voies, avec raccords filetés ou à coller - passage intégral

ITEM 615
Raccordement: fileté
ITEM 616
Raccordement: à coller

CONFIGURER Actionnement
DEMANDE D'INFORMATIONS
IMPRIMER PAGE
  • caractéristiques
  • dimensions
  • matériaux
  • diagrammes et couples de démarrage

CARACTÉRISTIQUES GÉNÉRALES:
• Température de fonctionnement: de 0°C à 60°C
• Pression de fonctionnement: voir diagramme
• Applications: produits chimiques, fluides pour lesquels le PVC est chimiquement résistant.
• Raccords:
  •filetés femelles selon DIN/ISO 228/1.
  •à coller, suivant ISO 727 UNI EN 1452
• PN 16 jusqu'à 20°C si classée comme CHIMIQUEMENT RÉSISTANT avec fluide utilisé pour les vannes avec raccords à coller, PN10 pour les raccords filetés.

RÉALISATIONS SPÉCIALES SUR DEMANDE:
• Contactez notre service commercial.

DIMENSIONS  
MESURE  
L
Filetée

L
À coller
ØQ
ØC
Filetées
ØC
À coller
A
B
E
F
ØM
P
DN [mm]
[pouces]
DN 10
3/8"
9592
50
3/8"
16
26,1
41
25
27
6
12
DN 15
1/2"
10095
50
1/2"
20
26,1
41
25
27
6
12
DN 20
3/4"
114110
58
3/4"
25
30
48,5
25
30
6
12
DN 25
1"
127123
68
1"
32
35,2
55
25
36
6
12
DN 32
1" 1/4
146146
84
1"1/4
40
44
66,9
45
44
8
15
DN 40
1" 1/2
152157
97
1"1/2
50
50,2
73,1
45
51
8
15
DN 50
2"
177183
124
2"
63
62
89,4
45
64
8
15
DN 65
2" 1/2
233233
166
2"1/2
75
84,1
126
70
85
8
15
DN 80
3"
254254
200
3"
90
95,9
138
70
105
8
15
DN 100
4"
301301
238
4"
110
109,9152
120
123
12
22

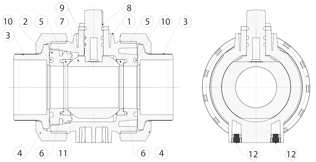
MATÉRIAUX   
1
Corps  
PVC-U
2
Support garniture boisseau
PVC-U
3
Manchon
PVC-U
4
Bague
PVC-U
5
Garniture d'étanchéité boisseau
PTFE
6
Joint torique dispositif d'étanchéité arrière
EPDM
7
Boisseau
PVC-U
8
Tige
PVC-U
9
Joint torique tige
EPDM
10
Joint torique étanchéité manchon
EPDM
11
Joint torique corps
EPDM
12
Inserts de montage
S.S.

DIAGRAMME PRESSION/TEMPÉRATURE

Débit/perte de charge et coefficient nominal Kv


DN10
DN15
DN20
DN25
DN32
DN40
DN50
DN65
DN80
DN100

Kv100
70
185
350
700
1000
1600
3100
5000
7000
11000
KV100 litres par minute
KV
4,2
11,1
21
42
60
96
186
300
420
660
KV mètres cubes/heure

La valeur Kv est la valeur du débit en m3/h (avec de l’eau à 15°C) qui provoque une chute de pression d’1 bar.

COUPLES DE DÉMARRAGE en Nm
MESURE  
DN 10
3/8"
DN 15 1/2"
DN 20 3/4"
DN 25
1"
DN 32 1"1/4
DN 40 1"1/2
DN 50
2"
DN 65 2"1/2
DN 80
3"
DN 100
4"

PN 10/16 bar
2
2
3
4
5,5
7,5
10
15
23
40

Les valeurs du couple peuvent varier en fonction de la température et du fluide. Considérer un facteur de sécurité de 1,4.
Avec des cycles fréquents d'ouverture et de fermeture, le couple de manœuvre pourrait être considérablement inférieur au couple initial. Les accouplements actionneur/vanne, montrés aux pages suivantes, sont conçus pour les vannes qui arrêtent des fluides liquides ou gazeux, propres et pour des températures moyennes. Pour plus d'informations ou pour des utilisations différentes, veuillez vous adresser à notre service commercial.

CONFIGURER ACTIONNEMENT
Sélectionnez les paramètres de recherche
RECHERCHER UN ARTICLE
X FERMER

PROCHAIN ÉVÈNEMENT

IVS - Industrial Valve Summit 2026
IVS - Industrial Valve Summit 2026
Bergamo, Italy, 19 - 21 may 2026