images/testate/Template-Header-Sito-OMALBALLVALVES.jpg

Válvula de esfera em PVC Item 615-616

Válvula de esfera em PVC Item 615-616

Válvula de esfera em PVC 2 vias com conexões rosqueadas ou a serem coladas - passagem integral

ITEM 615
Conexão: rosqueada
ITEM 616
Conexão: a ser colada

CONFIGURAR Acionamento
SOLICITAR INFORMAÇÃO
IMPRIMIR PÁGINA
  • características
  • dimensões
  • materiais
  • diagramas e torques de partida

CARACTERÍSTICAS GERAIS:
• Temperatura de operação: de 0°C a 60°C
• Pressão de operação: consultar o diagrama
• Aplicações: substâncias químicas, fluidos aos quais o PVC é quimicamente resistente.
• Conexões:

  • rosqueadas fêmea conforme a norma DIN/ISO 228/1;
  • a serem coladas conforme a norma ISO 727 UNI EN 1452
• PN 16 até 20°C se classificada como QUIMICAMENTE RESISTENTE com fluido usado para as válvulas com conexões a serem coladas, PN10 para conexões rosqueadas.

EXECUÇÕES ESPECIAIS A PEDIDO:

• Entrar em contato com nosso departamento de vendas.

DIMENSÕES   
MEDIDA  
L
Rosqueada

L
Colar
ØQ
ØC
Rosqueada
ØC
Colar
A
B
E
F
ØM
P
DN [mm]
[polegada]
DN 10
3/8"
9592
50
3/8"
16
26,1
41
25
27
6
12
DN 15
1/2"
10095
50
1/2"
20
26,1
41
25
27
6
12
DN 20
3/4"
114110
58
3/4"
25
30
48,5
25
30
6
12
DN 25
1"
127123
68
1"
32
35,2
55
25
36
6
12
DN 32
1" 1/4
146146
84
1"1/4
40
44
66,9
45
44
8
15
DN 40
1" 1/2
152157
97
1"1/2
50
50,2
73,1
45
51
8
15
DN 50
2"
177183
124
2"
63
62
89,4
45
64
8
15
DN 65
2" 1/2
233233
166
2"1/2
75
84,1
126
70
85
8
15
DN 80
3"
254254
200
3"
90
95,9
138
70
105
8
15
DN 100
4"
301301
238
4"
110
109,9152
120
123
12
22

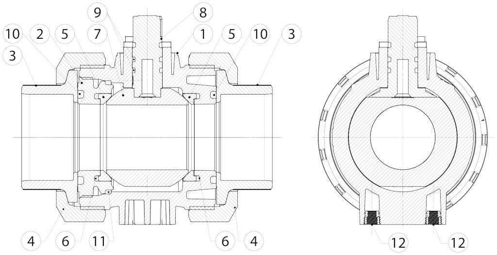
MATERIAIS    
1
Corpo  
PVC-U
2
Suporte guarnição da esfera
PVC-U
3
Manga
PVC-U
4
Anel
PVC-U
5
Guarnição da vedação da esfera
PTFE
6
O-ring retrosede  
EPDM
7
Esfera
PVC-U
8
Haste
PVC-U
9
O-ring da haste  
EPDM
10
Anel de vedação de manga  
EPDM
11
O-ring do corpo
EPDM
12
Inserto de montagem
S.S.

DIAGRAMA DE PRESSÃO/TEMPERATURA

Fluxo/queda de pressão e coeficiente nominal Kv


DN10
DN15
DN20
DN25
DN32
DN40
DN50
DN65
DN80
DN100

Kv100
70
185
350
700
1000
1600
3100
5000
7000
11000
KV100 litros por minuto
KV
4,2
11,1
21
42
60
96
186
300
420
660
KV metros cúbicos/hora

 O valor Kv é o valor de fluxo em m3/h (com água a 15°C) que causa a queda de pressão de 1 bar.

TORQUES DE PARTIDA em Nm
MEDIDA  
DN 10
3/8"
DN 15 1/2"
DN 20 3/4"
DN 25
1"
DN 32 1"1/4
DN 40 1"1/2
DN 50
2"
DN 65 2"1/2
DN 80
3"
DN 100
4"

PN 10/16 bar
2
2
3
4
5,5
7,5
10
15
23
40

Os valores do torque podem variar dependendo da temperatura e do tipo de fluido Considerar um fator de segurança de 1,4.
Com ciclos frequentes de abertura e fechamento, o torque de manobra pode diminuir significativamente em comparação ao inicial. Os acoplamentos atuador/válvula, mostrados nas páginas a seguir, são realizados para válvulas que interceptam fluidos líquidos ou gasosos, limpos e para temperaturas médias. Para mais informações ou usos diferentes, consultar nosso departamento de vendas.

CONFIGURAR DIRIGIR
Selecionar os parâmetros de pesquisa
PESQUISA DE ITEM
X FECHAR

PRÓXIMO EVENTO

IVS - Industrial Valve Summit 2026
IVS - Industrial Valve Summit 2026
Bergamo, Italy, 19 - 21 may 2026