images/testate/Template-Header-Sito-OMALBALLVALVES.jpg

Valvola a sfera in PVC Item 615-616

Valvola a sfera in PVC Item 615-616

Valvola a sfera in PVC 2 vie con attacchi filettati o da incollare - passaggio integrale

ITEM 615
Connessione: filettata
ITEM 616
Connessione: da incollare

CONFIGURA Azionamento
RICHIEDI INFORMAZIONI
STAMPA PAGINA
  • caratteristiche
  • dimensioni
  • materiali
  • diagrammi e coppie di spunto

CARATTERISTICHE GENERALI:
• Temperatura di esercizio: da 0°C a 60°C
• Pressione di esercizio: vedi diagramma
• Applicazioni: sostanze chimiche, fluidi ai quali il PVC è chimicamente resistente.
• Attacchi:

  • filettati femmina a norma DIN/ISO 228/1; 
  • da incollare a norma ISO 727 UNI EN 1452
• PN 16 sino a 20°C se classificata CHIMICAMENTE RESISTENTE con fluido impiegato per le valvole con attacchi da incollare, PN10 per attacchi filettati.

ESECUZIONI SPECIALI A RICHIESTA:
• Contattare il nostro ufficio commerciale.

DIMENSIONI   
MISURA  
L
Filettate
L
Incollare
ØQ
ØC
Filettate
ØC
Incollare
A
B
E
F
ØM
P
DN [mm]
[inch]
DN 10
3/8"
9592
50
3/8"
16
26,1
41
25
27
6
12
DN 15
1/2"
10095
50
1/2"
20
26,1
41
25
27
6
12
DN 20
3/4"
114110
58
3/4"
25
30
48,5
25
30
6
12
DN 25
1"
127123
68
1"
32
35,2
55
25
36
6
12
DN 32
1" 1/4
146146
84
1"1/4
40
44
66,9
45
44
8
15
DN 40
1" 1/2
152157
97
1"1/2
50
50,2
73,1
45
51
8
15
DN 50
2"
177183
124
2"
63
62
89,4
45
64
8
15
DN 65
2" 1/2
233233
166
2"1/2
75
84,1
126
70
85
8
15
DN 80
3"
254254
200
3"
90
95,9
138
70
105
8
15
DN 100
4"
301301
238
4"
110
109,9152
120
123
12
22

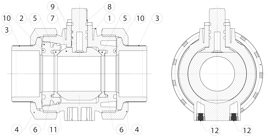
MATERIALI    
1
Corpo  
PVC-U
2
Supporto guarnizione sfera  
PVC-U
3
Manicotto  
PVC-U
4
Ghiera  
PVC-U
5
Guarnizione tenuta sfera  
PTFE
6
O-ring retroseggio  
EPDM
7
Sfera  
PVC-U
8
Stelo
PVC-U
9
O-ring stelo  
EPDM
10
O-ring tenuta manicotto  
EPDM
11
O-ring corpo  
EPDM
12
Inserti di montaggio  
S.S.

Diagramma pressione/temperatura

Portata/perdita di carico e coefficiente nominale Kv


DN10
DN15
DN20
DN25
DN32
DN40
DN50
DN65
DN80
DN100

Kv100
70
185
350
700
1000
1600
3100
5000
7000
11000
KV100 litri al minuto
KV
4,2
11,1
21
42
60
96
186
300
420
660
KV metricubi/ora

Il valore Kv è il valore di portata in m3/h (con acqua a 15°C) che provoca la caduta di pressione di 1 bar.

COPPIE DI SPUNTO in Nm
MISURA  
DN 10
3/8"
DN 15 1/2"
DN 20 3/4"
DN 25
1"
DN 32 1"1/4
DN 40 1"1/2
DN 50
2"
DN 65 2"1/2
DN 80
3"
DN 100
4"

PN 10/16 bar
2
2
3
4
5,5
7,5
10
15
23
40

I valori della coppia possono variare in funzione della temperatura e del tipo di fluido. Considerare un fattore di sicurezza pari  a 1,4.
Con frequenti cicli di apertura e chiusura la coppia di manovra può diminuire sensibilmente rispetto a quella iniziale. Gli accoppiamenti attuatore/valvola, riportati nelle pagine seguenti, sono realizzati per valvole che intercettano fluidi liquidi o gassosi, puliti e per medie temperature. Per maggiori informazio- ni, o utilizzi diversi, consultare il nostro ufficio commerciale.

CONFIGURA AZIONAMENTO
Seleziona i parametri di ricerca
CERCA ARTICOLO
X CHIUDI

PROSSIMO EVENTO

IVS - Industrial Valve Summit 2026
IVS - Industrial Valve Summit 2026
Bergamo, Italia, 19 - 21 maggio 2026