images/testate/Template-Header-Sito-OMALBALLVALVES.jpg

Válvula de bola en PVC Item 615-616

Válvula de bola en PVC Item 615-616

Válvula de bola en PVC 2 vías con conexiones roscadas o para pegar - paso integral

ITEM 615
Conexión: roscado
ITEM 616
Conexión: para pegar

CONFIGURA Accionamiento
SOLICITA INFORMACIÓN
IMPRIME PÁGINA
  • características
  • dimensiones
  • materiales
  • diagramas y pares de aceleración

CARACTERÍSTICAS GENERALES:
• Temperatura de funcionamiento: desde 0°C a 60°C
• Presión de funcionamiento: ver diagrama
• Aplicaciones: sustancias químicas, fluidos a los que el PVC es químicamente resistente.
• Conexiones:
      • roscadas hembra según la norma DIN/ISO 228/1.
      • para pegar según la norma ISO 727 UNI EN 1452
• PN 16 hasta 20°C si está clasificada como QUÍMICAMENTE RESISTENTE con fluido usado para las válvulas con conexiones para pegar, PN10 para conexiones roscadas.

EJECUCIONES ESPECIALES BAJO PEDIDO:
• Contactar con nuestro departamento comercial.

DIMENSIONES
MEDIDA
L
Roscada
L
Pegar
ØQ
ØC
Roscada
ØC
Pegar
A
B
E
F
ØM
P
DN [mm]
[pulgadas]
DN 10
3/8"
9592
50
3/8"
16
26,1
41
25
27
6
12
DN 15
1/2"
10095
50
1/2"
20
26,1
41
25
27
6
12
DN 20
3/4"
114110
58
3/4"
25
30
48,5
25
30
6
12
DN 25
1"
127123
68
1"
32
35,2
55
25
36
6
12
DN 32
1" 1/4
146146
84
1"1/4
40
44
66,9
45
44
8
15
DN 40
1" 1/2
152157
97
1"1/2
50
50,2
73,1
45
51
8
15
DN 50
2"
177183
124
2"
63
62
89,4
45
64
8
15
DN 65
2" 1/2
233233
166
2"1/2
75
84,1
126
70
85
8
15
DN 80
3"
254254
200
3"
90
95,9
138
70
105
8
15
DN 100
4"
301301
238
4"
110
109,9152
120
123
12
22

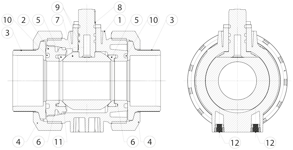
MATERIALES
1
Cuerpo
PVC-U
2
Soporte junta bola
PVC-U
3
Manguito
PVC-U
4
Abrazadera
PVC-U
5
Junta de sellado bola
PTFE
6
Junta tórica de la parte trasera del asiento
EPDM
7
Bola
PVC-U
8
Vástago
PVC-U
9
Junta tórica del vástago
EPDM
10
Junta tórica de sellado del manguito
EPDM
11
Junta tórica del cuerpo
EPDM
12
Aplicaciones de montaje  
S.S.

DIAGRAMA PRESIÓN/TEMPERATURA

Capacidad/pérdida de carga y coeficiente nominal Kv


DN10
DN15
DN20
DN25
DN32
DN40
DN50
DN65
DN80
DN100

Kv100
70
185
350
700
1000
1600
3100
5000
7000
11000
KV100 litros por minuto
KV
4,2
11,1
21
42
60
96
186
300
420
660
KV metros cúbicos/hora

El valor Kv es el valor de la capacidad de carga en m3/h (con agua a 15°C) que provoca una caída de presión de 1 bar.

PARES DE ACELERACIÓN en Nm
MEDIDA  
DN 10
3/8"
DN 15 1/2"
DN 20 3/4"
DN 25
1"
DN 32 1"1/4
DN 40 1"1/2
DN 50
2"
DN 65 2"1/2
DN 80
3"
DN 100
4"

PN 10/16 bar
2
2
3
4
5,5
7,5
10
15
23
40

Los valores del par pueden variar según la temperatura y el tipo de fluido. Tener en cuenta un factor de seguridad igual a 1,4.
Con frecuentes ciclos de apertura y cierre, el par de maniobra puede disminuir sensiblemente con respecto al inicial. Los acoplamientos actuador/válvula, mostrados en las siguientes páginas, se realizan para válvulas que interceptan fluidos líquidos o gaseosos, limpios y para temperaturas medias. Para más información, o usos diferentes, consultar nuestro departamento comercial.

CONFIGURA CONDUCIR
Selecciona los parámetros de búsqueda
BUSCA ARTÍCULO
X CERRAR

SIGUIENTE EVENTO

IVS - Industrial Valve Summit 2026
IVS - Industrial Valve Summit 2026
Bergamo, Italy, 19 - 21 may 2026