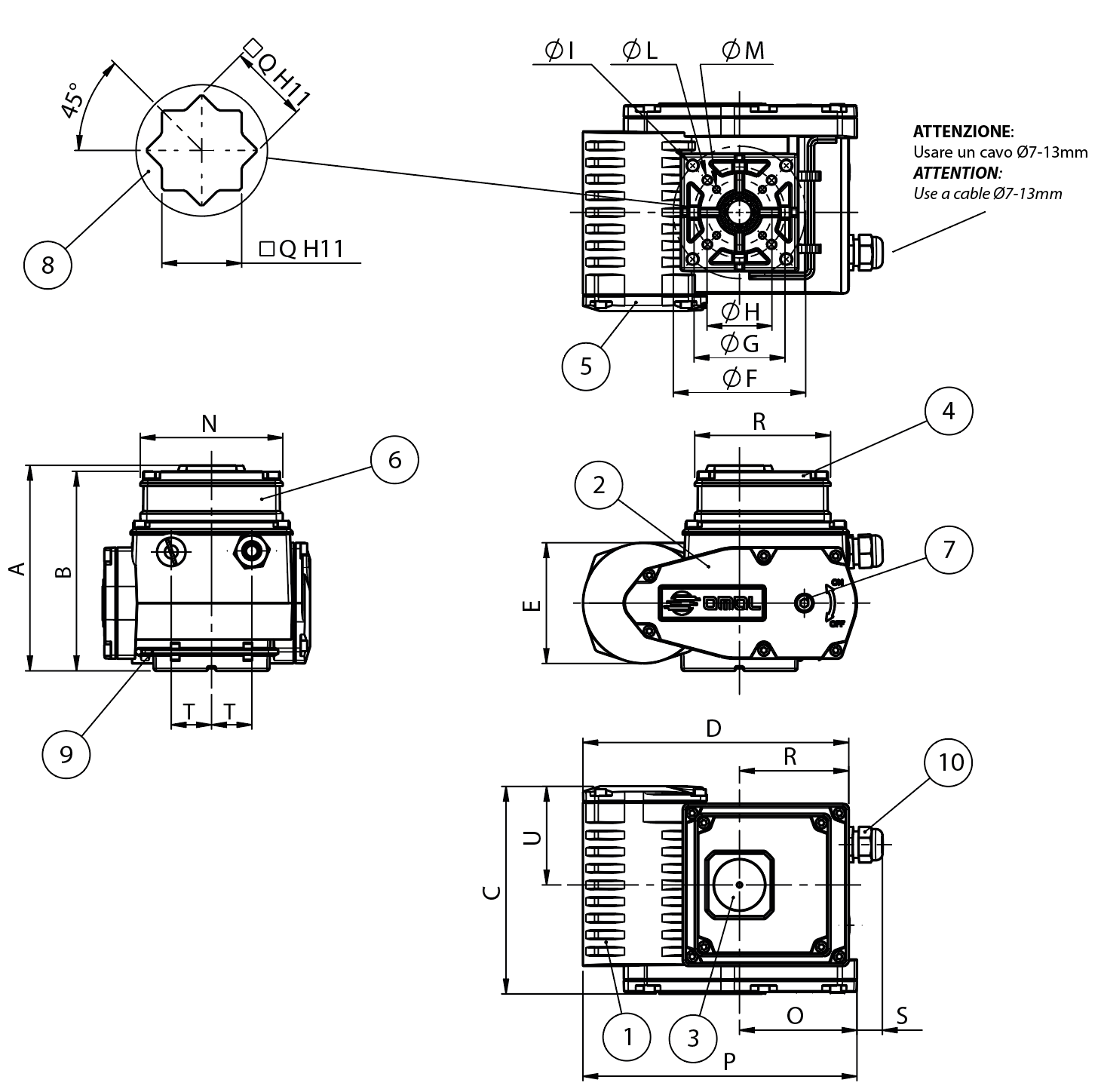
下载 总目录 下载 执行器附件目录 解码MAGNUM & THOR 配置您的产品 下载不同格式的2D和3D文件 下载 下载销售条款 宏 电动执行器 选择尺寸 申请详细信息 打印页面 下载目录 电动执行器 特性 特性 物料 图表和起动扭矩 规格 文档 技术参数额定作业角度:90°,可调范围介于20°至95°;调整方式:通过自动制动凸轮和机电限位器持续操作。额定作业扭矩:35至240Nm。作业时间(0°- 90°):参见图表。暂载率:S3 ED 50%,依照CEI 60034。标准执行:《2014/35/UE》低压条例;《2014/30/CE》电磁兼容性条例;防护等级:IP67,符合EN60529;作业环境温度:-25℃~+60℃。储藏温度限制:-40℃~+90℃。电机内自重启热保护装置。电机线圈绝缘等级:F(155°C)。转子由滚珠轴承支承。手动急停装置接口(随产品配备六角钥匙)带有刻度的外部半球式观察指示器抗凝结加热器套装。电气连接使用防护等级为IP67的连接器,可额外选购配套电缆。2个SPDT机电限位器,在全部行程上作为可调节凸轮的辅助指示。运行时的最大噪音水平<70 dB(A)。供电电压:230 Vac ±10%, 50/60 Hz 单相; 115 Vac ±10%, 50/60 Hz 单相; 24 V ac/dc ±10%; 24 V dc ±5%. 扭矩型号EA0035EA0070EA0130EA0240额定作业扭矩Nm3570130240迁移最大扭矩Nm4585160280 执行器代码序列 IP67 VERSION 尺寸规格 ABCDEøFøGøHøIøLøMNOP☐QRSTUKgEA003513710913219084705036M8x14M6x11M5x97074591469182667,53,6EA0070137109136190847050- -M8x14M6x11- -7074591469182667,53,8EA0130157,5129,5160221,5931027050M10x17M8x15M6x1167,590,55717841731767,2EA0240157,5129,5163,5221,59310270- -M10x17M8x15- -67,590,55722841731767,5 IP68 VERSION 尺寸规格 ABCDEøFøGøHøIøLøMNOP☐QRSTUKgEA0035142,1137,513217284705036M8x14M6x11M5x9109,874177,11469142667,53,8EA0070142,1137,5136172847050- -M8x14M6x11- -109,874177,11469142667,54EA0130162,8158,2160204,6931027050M10x17M8x15M6x11109,890,5211,117841231767,4EA0240162,8158,2163,5204,69310270- -M10x17M8x15- -109,890,5211,122841231767,7 IP67 VERSION 材质1阀体铝2变速器盖铝3位置指示器PMMA4电力总成盖铝5接线端子盖铝6ConnectorPA6 / PBT7手柄接口钢8母轴不锈钢9手柄不锈钢 IP68 VERSION 材质1阀体铝2变速器盖铝3位置指示器PMMA4电力总成盖铝5接线端子盖铝6Box H27铝7手柄接口钢8母轴不锈钢9手柄不锈钢10Cable glandBrass EA0035 运行图表 EA0070 运行图表 EA0130 运行图表 EA0240 运行图表 IP67 24 Vac/dc - 24 Vdc 电力连接示意图 IP67 115 - 230 Vac 电力连接示意图 IP68 24 Vac/dc - 24 Vdc 电力连接示意图 IP68 115 - 230 Vac 电力连接示意图 说明书 MANUAL UMA80565 选择 尺寸 选择搜索参数 -- 尺寸 -- EA0035 EA0070 EA0130 EA0240 搜索文章