CARACTÉRISTIQUES TECHNIQUES Angle de travail nominal: 90°, réglable entre 20° et 95° Type de réglage: continu à l'aide de cames autofreinées et de fins de course électromécaniques. Couple de travail nominal: de 35 à 240 Nm. Temps de manœuvre (0° - 90°): voir diagramme. Service: S3 ED 50 % selon CEI 60034. Conformité aux normes: Directive basse tension 2014/35/UE; directive sur la compatibilité électromagnétique 2014/30/CE. Indice de protection: IP67 selon EN60529. Température milieu de travail: -25° + 60°C. Température max. de stockage: -40° + 90°C Protection thermostatique à réarmement automatique à l’intérieur du moteur. Enroulement moteur avec isolation classe F (155°C). Rotor soutenu par des roulements à billes. Raccord pour actionnement manuel d’urgence (clé hexagonale fournie) Indicateur visuel de type feu externe avec zone supérieure graduée. Résistance anti-condensation de série. Branchements électriques au moyen de connecteurs IP67, disponibles sur demande avec un câble précâblé. 2 fins de course électromécaniques SPDT pour indication auxiliaire avec cames réglables sur toute la course. Niveau sonore maximum lors du fonctionnement <70 dB (A). Tension d'alimentation: 230 Vac ±10%, 50/60 Hz monophasé; 115 Vac ±10%, 50/60 Hz monophasé; 24 V ac/dc ±10%; 24 V dc ±5%.
COUPLES
MODÈLE
EA0035
EA0070
EA0130
EA0240
Couple nominal de travail
Nm
35
70
130
240
Couple maximal pour les transitoires
Nm
45
85
160
280
CODES POUR COMMANDE ACTIONNEUR
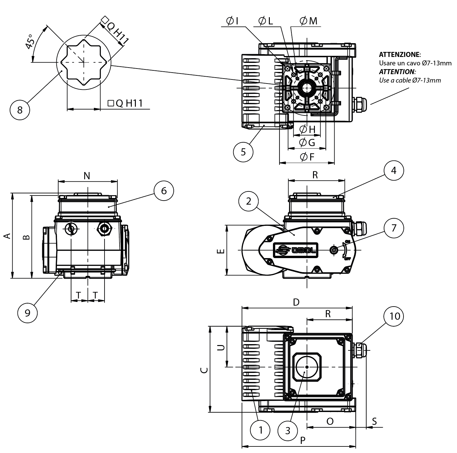
IP67 VERSION
DIMENSIONS
A
B
C
D
E
øF
øG
øH
øI
øL
øM
N
O
P
☐Q
R
S
T
U
Kg
EA0035
137
109
132
190
84
70
50
36
M8x14
M6x11
M5x9
70
74
59
14
69
18
26
67,5
3,6
EA0070
137
109
136
190
84
70
50
- -
M8x14
M6x11
- -
70
74
59
14
69
18
26
67,5
3,8
EA0130
157,5
129,5
160
221,5
93
102
70
50
M10x17
M8x15
M6x11
67,5
90,5
57
17
84
17
31
76
7,2
EA0240
157,5
129,5
163,5
221,5
93
102
70
- -
M10x17
M8x15
- -
67,5
90,5
57
22
84
17
31
76
7,5
IP68 VERSION
DIMENSIONS
A
B
C
D
E
øF
øG
øH
øI
øL
øM
N
O
P
☐Q
R
S
T
U
Kg
EA0035
142,1
137,5
132
172
84
70
50
36
M8x14
M6x11
M5x9
109,8
74
177,1
14
69
14
26
67,5
3,8
EA0070
142,1
137,5
136
172
84
70
50
- -
M8x14
M6x11
- -
109,8
74
177,1
14
69
14
26
67,5
4
EA0130
162,8
158,2
160
204,6
93
102
70
50
M10x17
M8x15
M6x11
109,8
90,5
211,1
17
84
12
31
76
7,4
EA0240
162,8
158,2
163,5
204,6
93
102
70
- -
M10x17
M8x15
- -
109,8
90,5
211,1
22
84
12
31
76
7,7
IP67 VERSION
MATÉRIAUX
1
Corps
Aluminium
2
Couvercle du réducteur
Aluminium
3
Indicateur de position
PMMA
4
Couvercle groupe électrique
Aluminium
5
Couvercle bornier
Aluminium
6
Connector
PA6 / PBT
7
Raccord pour levier
Acier
8
Arbre femelle
Acier inoxydable
9
Levier
Acier inoxydable
IP68 VERSION
MATÉRIAUX
1
Corps
Aluminium
2
Couvercle du réducteur
Aluminium
3
Indicateur de position
PMMA
4
Couvercle groupe électrique
Aluminium
5
Couvercle bornier
Aluminium
6
Box H27
Aluminium
7
Raccord pour levier
Acier
8
Arbre femelle
Acier inoxydable
9
Levier
Acier inoxydable
10
Cable gland
Brass
DIAGRAMMES DE FONCTIONNEMENT EA0035
DIAGRAMMES DE FONCTIONNEMENT EA0070
DIAGRAMMES DE FONCTIONNEMENT EA0130
DIAGRAMMES DE FONCTIONNEMENT EA0240
IP67 SCHÉMA ÉLECTRIQUE DE BRANCHEMENT POUR ALIMENTATION 24 Vca/cc - 24 Vcc
IP67 SCHÉMA ÉLECTRIQUE DE BRANCHEMENT POUR ALIMENTATION 115 - 230 Vca
IP68 SCHÉMA ÉLECTRIQUE DE BRANCHEMENT POUR ALIMENTATION 24 Vca/cc - 24 Vcc
IP68 SCHÉMA ÉLECTRIQUE DE BRANCHEMENT POUR ALIMENTATION 115 - 230 Vca