TECHNISCHE DATEN Nennstellwinkel: 90° regulierbar zwischen 20° und 95° Reguliermodus: stufenlos über selbstbremsende Nocken und elektromechanische Endschalter. Nenndrehmoment: von 35 bis 240 Nm. Schaltzeit (0°- 90 °): siehe Diagramm. Betriebsart: S3 ED 50% gemäß CEI 60034. Konformität mit Standards: Niederspannungsrichtlinie 2014/35/EU; Richtlinie zur elektromagnetischen Verträglichkeit 2014/30/EG. Schutzart: IP67 gemäß EN60529. Temperatur Betriebsumgebung: -25°+ 60°C. Min./Max. Lagertemperatur: -40°+ 90 °C Thermostatischer Schutz mit automatischer Rücksetzung im Motor. Motorwicklung mit Isolation der Klasse F (155°C). Kugelgelagerter Rotor. Anschluss für manuellen Notbetrieb (inkl. Sechskantschlüssel) Visuelle externe Ampelanzeige mit abgestufter oberer Zone. Kondensationsschutz serienmäßig. Elektrische Anschlüsse über IP67-Steckverbinder, auf Anfrage mit vorverdrahtetem Kabel erhältlich. 2 elektromechanische Endschalter SPDT zur Hilfsanzeige mit einstellbaren Nocken entlang des gesamten Hubs. Maximaler Geräuschpegel im Betrieb <70 dB (A). Versorgungsspannung: 230 Vac ±10%, 50/60 Hz einphasig; 115 Vac ±10%, 50/60 Hz einphasig; 24 V ac/dc ±10%; 24 V dc ±5%.
DREHMOMENTE
MODELL
EA0035
EA0070
EA0130
EA0240
Nenndrehmoment
Nm
35
70
130
240
Max. Drehmoment für Transistoren
Nm
45
85
160
280
BESTELLNUMMERN ANTRIEBE
IP67 VERSION
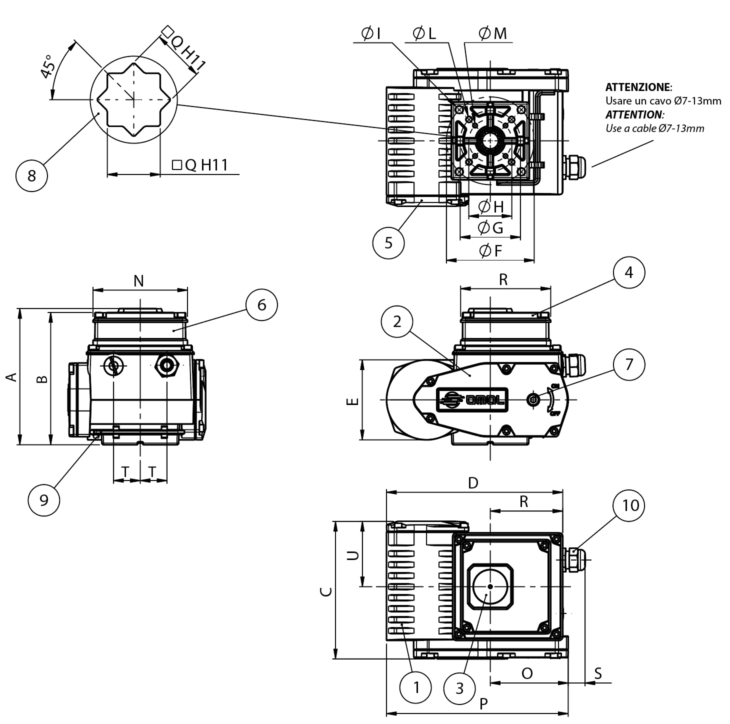
ABMESSUNGEN
A
B
C
D
E
øF
øG
øH
øI
øL
øM
N
O
P
☐Q
R
S
T
U
Kg
EA0035
137
109
132
190
84
70
50
36
M8x14
M6x11
M5x9
70
74
59
14
69
18
26
67,5
3,6
EA0070
137
109
136
190
84
70
50
- -
M8x14
M6x11
- -
70
74
59
14
69
18
26
67,5
3,8
EA0130
157,5
129,5
160
221,5
93
102
70
50
M10x17
M8x15
M6x11
67,5
90,5
57
17
84
17
31
76
7,2
EA0240
157,5
129,5
163,5
221,5
93
102
70
- -
M10x17
M8x15
- -
67,5
90,5
57
22
84
17
31
76
7,5
IP68 VERSION
ABMESSUNGEN
A
B
C
D
E
øF
øG
øH
øI
øL
øM
N
O
P
☐Q
R
S
T
U
Kg
EA0035
142,1
137,5
132
172
84
70
50
36
M8x14
M6x11
M5x9
109,8
74
177,1
14
69
14
26
67,5
3,8
EA0070
142,1
137,5
136
172
84
70
50
- -
M8x14
M6x11
- -
109,8
74
177,1
14
69
14
26
67,5
4
EA0130
162,8
158,2
160
204,6
93
102
70
50
M10x17
M8x15
M6x11
109,8
90,5
211,1
17
84
12
31
76
7,4
EA0240
162,8
158,2
163,5
204,6
93
102
70
- -
M10x17
M8x15
- -
109,8
90,5
211,1
22
84
12
31
76
7,7
IP67 VERSION
WERKSTOFFE
1
Gehäuse
Aluminium
2
Abdeckung Druckminderer
Aluminium
3
Stellungsanzeige
PMMA
4
Abdeckung Elektroeinheit
Aluminium
5
Abdeckung Klemmblock
Aluminium
6
Connector
PA6 / PBT
7
Anschluss für Hebel
Stahl
8
Welle mit Innengewinde
Edelstahl
9
Hebel
Edelstahl
IP68 VERSION
WERKSTOFFE
1
Gehäuse
Aluminium
2
Abdeckung Druckminderer
Aluminium
3
Stellungsanzeige
PMMA
4
Abdeckung Elektroeinheit
Aluminium
5
Abdeckung Klemmblock
Aluminium
6
Box H27
Aluminium
7
Anschluss für Hebel
Stahl
8
Welle mit Innengewinde
Edelstahl
9
Hebel
Edelstahl
10
Cable gland
Brass
FUNKTIONSDIAGRAMME EA0035
FUNKTIONSDIAGRAMME EA0070
FUNKTIONSDIAGRAMME EA0130
FUNKTIONSDIAGRAMME EA0240
IP67 ELEKTRISCHER SCHALTPLAN FÜR STROMVERSORGUNG 24 VAC/VDC - 24 VDC
IP67 ELEKTRISCHER SCHALTPLAN FÜR STROMVERSORGUNG 115 - 230 VAC
IP68 ELEKTRISCHER SCHALTPLAN FÜR STROMVERSORGUNG 24 VAC/VDC - 24 VDC
IP68 ELEKTRISCHER SCHALTPLAN FÜR STROMVERSORGUNG 115 - 230 VAC