images/testate/Template-Header-Sito-OMALAngleseatARESOK.jpg

Pneumatische Ventil ARES-ATENA

  • vorteile
  • eigenschaften
  • abmessungen
  • werkstoffe
  • diagramme und anlaufmomente
  • merkmale
  • zubehör
  • dokumente

ARES

1. Dichtung im Zylinder anstatt am Kolben
Gewährleistet einen längeren Hub des Stellantriebs und des damit verbundenen Verschlusses, was eine größere Strömungsöffnung am Sitz gewährleistet (weniger Strömungsverlust)
Geringerer Dichtungsverschleiß

2. Einsätze des Steuerkopfes aus 303 S.S.

Erhöhen beträchtlich die Korrosionsbeständigkeit durch äußere Einwirkungen

3. Ab DN63 Metallkolben mit chemischer Nickelbeschichtung (10- 15 Mikron)
Geringerer Verschleiß des Kolbens aufgrund der härteren Oberfläche (700-750 HV)

4. Durch Feder vorgespannte Dichtungen
Gleichen Spiel aus, das aufgrund von Verschleiß durch das lineare Gleiten der Welle entsteht und verhindern so Leckagen nach außen
Halten die Chevron-Dichtungen (V-Ring-Dichtpackung) unter Spannung, wodurch Spiel vermieden wird, das durch den Einsatz bei verschiedenen Temperaturen entstehen kann

5. Chevron-Dichtungen (V-Ring-Dichtpackungen), mit fünf Dichtungen am unteren und drei Dichtungen am oberen Teil der Feder
Garantiert perfekte Dichte auch nach zahlreichen Arbeitszyklen
 
6. Gewalzte Welle

Geringerer Verschleiß der Dichtungen dank der geringen Rauheit (0,1 Mikron Ra) der Welle, die das Gleiten erleichtert

7. Längere Baulänge
Beste Fluiddynamik und weniger Turbulenzen

8. Oszillierender / selbstausrichtender Verschluss
Passt sich perfekt an den Sitz am Ventilgehäuse an und gewährleistet maximale Dichte

ATEX-Zertifikat 
Ermöglicht die Installation in explosionsgefährdeten Umgebungen

PED-Zertifikat
Vollständige Übereinstimmung mit den EU-Sicherheitsnormen für Druckgeräte

ATENA

1. Dichtung im Zylinder anstatt am Kolben
Gewährleistet einen längeren Hub des Stellantriebs und des damit verbundenen Verschlusses, was eine größere Strömungsöffnung am Sitz gewährleistet (weniger Strömungsverlust)
Geringerer Dichtungsverschleiß

2. Einsätze des Steuerkopfes aus 303 S.S. 
Erhöhen beträchtlich die Korrosionsbeständigkeit durch äußere Einwirkungen

3. Durch Feder vorgespannte Dichtungen
Gleichen Spiel aus, das aufgrund von Verschleiß durch das lineare Gleiten der Welle entsteht und verhindern so Leckagen nach außen
Halten die Chevron-Dichtungen (V-Ring-Dichtpackung) unter Spannung, wodurch Spiel vermieden wird, das durch den Einsatz bei verschiedenen Temperaturen entstehen kann
 
4. Chevron-Dichtungen (V-Ring-Dichtpackungen), mit fünf Dichtungen am unteren und drei Dichtungen am oberen Teil der Feder 
Garantiert perfekte Dichte auch nach zahlreichen Arbeitszyklen
 
5. Gewalzte Welle
Geringerer Verschleiß der Dichtungen dank der geringen Rauheit (0,1 Mikron Ra) der Welle, die das Gleiten erleichtert

6. Oszillierender / selbstausrichtender Verschluss
Passt sich perfekt an den Sitz am Ventilgehäuse an und gewährleistet maximale Dichte

ATEX-Zertifikat

Ermöglicht die Installation in explosionsgefährdeten Umgebungen

ALLGEMEINE EIGENSCHAFTEN:
Gewindeanschlüsse nach EN 10226-1 Rp (ex ISO 7/1) für Ventile Ares; ISO 228/1 für Ventile Zeus. Weitere Anschlüsse auf Anfrage.
Einfache Montage in jeder Stellung: horizontal, vertikal, schräg.
Erhältlich von 3/8” bis 2” in den Ausführungen doppeltwirkend, einfachwirkend stromlos geschlossen, oberhalb und unterhalb des Verschlusses, einfachwirkend stromlos offen unterhalb des Verschlusses.
In Einklang mit der EU-Richtlinie 2014/68/EU "PED".
ATEX -Ausführung gemäß 2014/34/EU bei Bestellung anzufordern.

Durch die verschiedenen Antriebe, die verschiedenen Ventilkombinationen sowie die Möglichkeit des Durchgangs von Medien oberhalb und unterhalb des Verschlusses ist eine Vielzahl an Versionen der automatischen Absperrklappe gewährleistet.
In den folgenden Tabellen sind die Standardausführungen mit den wichtigsten Betriebsparametern aufgeführt.
Abhängig von Ventiltyp und Druckänderung ΔP, die zwischen vor und nach dem Ventil gewährleistet werden muss, wird der für den Antrieb notwendige Steuerdruck und damit der entsprechende Code der Absperrklappe ermittelt.
Auf Anfrage: Ausführungen für Vakuum und Sauerstoff.

STEUERMEDIUM: 
Betriebsmedien: Geschmierte oder trockene Druckluft, Gase und neutrale Flüssigkeiten;
Raumtemperatur: von -10°C bis +60° C

BETRIEBSMEDIUM: 
Luft, Wasser, Alkohol, Öle, Treibstoffe, Salzlösungen, Dampf, usw..( jedenfalls vereinbar mit A 351 CF8M O CuSn5Zn5Pb5-B)
Betriebsdruck von 0 bis 16 / 25 bar (Dampf 180°C von 0 bis 10 bar) abhängig von der gewählten Größe und Ausführung (siehe folgende Seiten).
Temperatur von -10°C bis +180°C.
Maximale Viskosität 600 cst (mm2/s).

ARES

ABMESSUNGEN ARES 
DN [mm]
G * [Zoll]
STELLANTRIEBA
B
C
D
øE
F
ch. L
H
15
3/8”
Ø 50
190
156,5
169
44
70
85
25
12
15
1/2”
Ø 50
190
156,5
169
44
70
85
25
15
20
3/4”
Ø 50
195
160,5
176
44
70
95
31
16,3
20
3/4”
Ø 63
213
178,5
194,4
50,5
84,4
95
31
16,3
25
1”
Ø 50
200
164
183
44
70
105
38
19,5
25
1”
Ø 63
219
183
202
50,5
84,4
105
38
19,5
25
1”
Ø 90
259
223
242
66,2
116,4
105
38
19
32
1”1/4
Ø 50
208
167,5
191
44
70
120
47
19
32
1”1/4
Ø 63
226
185,5
209
50,5
84,4
120
47
19
32
1”1/4
Ø 90
266
225,5
249
66,2
116,4
120
47
18
32
1”1/4
Ø 110
302
261,5
285
77,4
140,6
120
47
18
40
1”1/2
Ø 63
231
191
218
50,5
84,4
130
54
18
40
1”1/2
Ø 90
271
231
258
66,2
116,4
130
54
20
40
1”1/2
Ø 110
307
266
294
77,4
140,6
130
54
20
50
2”
Ø 63
245
200
233
50,5
84,4
150
66
20
50
2”
Ø 90
285
241
274
66,2
116,4
150
66
20
50
2”
Ø 110
321
276
310
77,4
140,6
150
66
20
*Ausführung mit NPT-Gewinde auf Anfrage erhältlich

ATENA KOPF Ø40

ABMESSUNGEN ATENA

CF8M-Ausführungen
DN [mm]
G *[Zoll]
STELLANTRIEB
A
B
C
øD
E
FHch. L
15
3/8”
Ø 40
144
1211346139
65
1225
15
1/2”
Ø 40
144
1211346139
65
1125
20
3/4”
Ø 40
151
1281436139
75
1431
*Ausführung mit NPT-Gewinde auf Anfrage erhältlich

ARES

Nr
ARES WERKSTOFFE
1
Ventilgehäuse
A351-CF8M (316 S.S.)
2
Stopfbuchse
A351-CF8M (316 S.S.)
3
Spindel
316L S.S.
4*
Spindeldichtung
PTFE-CF
5*
Gehäusedichtung
GRAPHIT
6
Verschluss
316L S.S.
7
Verschlussdichtung
PTFE
8
Steuerkopf
Poliammide PA 66 + GF 30%
9
Kolben
Messing Chemisch Nickel(PBT + GF 20% kopf ø40 - ø50)
10
Steuereinsätze
303 S.S.

Namur plate (OPTIONAL)
PA66 +GF30%, brass inserts
* Für Anwendungen mit hohem Reinheitsgrad sind PTFE-Spindeldichtungen und Peek-Gehäusedichtungen erhältlich

ATENA

Nr
ATENA WERKSTOFFE
1
Ventilgehäuse
A351-CF8M (316 S.S.)
2
Stopfbuchse
A351-CF8M (316 S.S.)
3
Spindel
316L S.S.
4*
Spindeldichtung
PTFE-CF
5*
Gehäusedichtung
GRAPHIT
6
Verschluss
316L S.S.
7
Verschlussdichtung P
PTFE
8
Steuerkopf
Poliammide PA 66 + GF 30%
9
Kolben
PBT + GF 20%
10
Steuereinsätze
303 S.S.
* Für Anwendungen mit hohem Reinheitsgrad sind PTFE-Spindeldichtungen und Peek-Gehäusedichtungen erhältlich

ARES

ATENA

VERWENDUNGSMETHODE

Kappe für Endschalter

Die spezielle Kappe aus transparentem Kunststoff verfügt über zwei Nuten, um die Endschalter mit Magnetkontakt schnell befestigen und einstellen zu können. Die Endschalter sind mit einer internen LED ausgestattet, die sichtbar ist, wenn der Endschalter selbst erregt ist. Es sind Endschalter vom Typ REED und mit HALL-Effekt mit freiem Anschluss oder bereits verdrahtetem M12 erhältlich. Die Kappe hat eine Schutzart von IP68. Achtung: Um die korrekte Befestigung im Gehäuse des Endschalters zu ermöglichen, erreicht die visuelle Anzeige bei vollständig geöffnetem Ventil nicht das Ende der Kappe. Die Endschalter müssen nach dem Einbau des Ventils in die Anlage eingestellt werden.

Kit-codeKopfgröße
 A mm
 B mm
KFJM16
∅ 503077
KFJM18
∅ 632687
KFJM21
∅ 901597
KFJM23
∅ 1108107

Das Kit enthält keine Endschalter.

Hubbegrenzer
Ermöglicht es, den Öffnungshub des Ventilverschlusses zu begrenzen und so die Durchflussmenge einzustellen. Verfügbar für alle Versionen. Bei den einfachwirkenden, in Ruhestellung geöffneten Versionen kann er auch als manuelle Notsteuerung eingesetzt werden.

Steuerung
 A mm
Artikelnummer
∅ 50 25,5
KLJL0016
∅ 63 21,5
KLJL0018
∅ 90 5,2
KLJL0021
∅ 1105,9
KLJL0023

Nicht mit Ventilkopf Ø 40 erhältlich.

Manuelle Notsteuerung
Ermöglicht das Öffnen des Ventils im Notfall (Mangel an Steuerfluid, Anlagendefekt, fehlendes Steuersignal usw.). Verfügbar für alle NC-Ventile (in Ruhestellung geschlossene Versionen).

Steuerung  
mm
Artikelnummer
∅ 50
35,8
KLJA0016
∅ 63
35,8
KLJA0018
∅ 90
29,5
KLJA0021
∅ 110
29,5
KLJA0023

Nicht mit Ventilkopf Ø 40 erhältlich

Elektropilot 3/2-Wege - Magnetventil 3/2-Wege - 5/2-Wege

Steuermagnetventil
3/2-Wege-Elektropilot zur direkten Montage.
Gehäuse und Spule über 360° verstellbar
Standardausführung manuelle Steuerung.
Magnetventil (NAMUR) für die Auswahl zwischen 5/2- und 3/2-Funktion, die durch Montage des entsprechenden Sockels (beide im Lieferumfang enthalten) erfolgt.
Umgebungstemperatur von -10°C bis +50°C

Spannung24 Vac115 Vac230 Vac24 Vdc
ElektropilotEP415024EP415110EP415220EP412024

Spannung24 Vac115 Vac230 Vac24 Vdc
Magnetventil NAMUR*ER8188A2ER8188A4ER8188A5ER8188C2
NAMUR-SchnittstelleKBNJ0001 Not available with ∅ 40 head

* Nur mit NAMUR-Schnittstelle zu verwenden

Signalmodul
Das Signalmodul zur Positionskontrolle (offen/geschlossen) mit zwei mechanischen Endschaltern oder induktiven Näherungsschaltern kann auf die gesamte Ventilserie mit Antrieben ∅ 50 - ∅ 63 - ∅ 90 - ∅ 110 montiert werden.
Auf Anfrage sind Klemmen für den Anschluss des Magnetventils und der optischen LED-Anzeigen erhältlich.
Schutzart IP 65
Umgebungstemperatur von -20°C bis +70°C
Kabeldurchführung Nr. 1 PG11
Gehäusematerial aus Polyamid mit transparenter Abdeckung aus Polymethylmethacrylat.

Steuerung
A
mm

∅ 50  
52,1
∅ 63
47,5
∅ 90
37,7
∅ 110
29,5

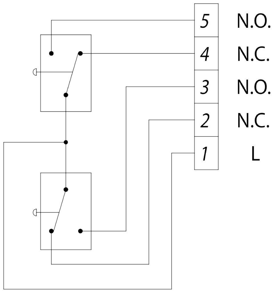
VERFÜGBARE ARTEN VON ENDSCHALTERN

Induktive Endschalter NAMUR EExia
Nennspannung: 8 Vdc
Verbrauch: In Betrieb ≤1 mA; nicht in Betrieb ≥3 mA
Betriebstemperatur: -20°C bis +70°C

Konfiguration Code 
1 Endschalter: oben bei offenem Ventil
KSIN9A0xx
1 Endschalter: unten bei geschlossenem Ventil
KSIN9C0xx
2 Endschalter: geöffnetes und geschlossenes Ventil
KSIN920xx

Näherungsschalter 
Nennspannung: 10÷30 Vdc
Verbrauch: 15 mA;
Betriebstemperatur: -20°C bis + 70°C

KonfigurationCode 
1 Endschalter: oben bei offenem VentilKSI09A0xx
1 Endschalter: unten bei geschlossenem VentilKSI09C0xx
2 Endschalter: geöffnetes und geschlossenes Ventil
KSI0920xx

Mechanische Endschalter
Endschalter oben: Ventil offen
Endschalter unten: Ventil geschlossen
Ladung max.: 5A 250 Vac; 1A 250 Vdc

Konfiguration
Code
2 Endschalter
KSM0C20xx

xx = Ø Steuerkopf  
16 = Ø50
18 = Ø63
21 = Ø90
23 = Ø110

KONFIGURIEREN BETÄTIGUNG
Wählen Sie die Suchparameter
ARTIKEL SUCHEN
SCHLIESSEN

NÄCHSTES EVENT

IVS - Industrial Valve Summit 2026
IVS - Industrial Valve Summit 2026
Bergamo, Italy, 19 - 21 may 2026