images/testate/Template-Header-Sito-OMALAngleseatARESOK.jpg

Válvula neumática ARES-ATENA

  • ventajas
  • características
  • dimensiones
  • materiales
  • diagramas y pares de aceleración
  • especificaciones
  • accesorios
  • documentos

ARES

1. Junta colocada en el cilindro en lugar de sobre el pistón.
Se obtiene un mayor recorrido del actuador y del obturador a él conectado garantizando grandes aperturas del paso sobre la sede (menor pérdida de carga).
Menor desgaste de la junta.

2. Aplicaciones de la cabeza de control en 303 S.S.
Aumenta considerablemente la resistencia a la corrosión provocada por agentes externos.

3. Desde el DN63 pistón metálico con revestimiento en NIQUEL-QUÍMICO (10- 15 micras).
Se reduce el desgaste del pistón al lograr una mayor dureza superficial (700-750 HV).

4. Juntas precargadas de resorte.
Garantizan la recuperación de los juegos debido al desgaste provocado por el deslizamiento lineal del eje evitando pérdidas hacia el exterior.
Permiten mantener energizadas las juntas "chevron" (en V) compensando las variaciones de tamaño incluso ante variaciones térmicas considerables.

5. Juntas tipo "chevron" (en "v") con 5 juntas en la parte inferior y 3 en la parte superior del resorte.
Se garantiza un perfecto sellado incluso tras un número elevado de ciclos

6. Eje laminado.
Menor desgaste de las juntas gracias a la baja rugosidad (0,1 micras Ra) del eje que facilita el deslizamiento.

7. Calibre largo.
Mejor dinámica de fluidos con reducción de las turbulencias.

8. Obturador oscilante/autoalineante.
Se adapta perfectamente a la sede en el cuerpo de la válvula garantizando un máximo sellado.

Certificado ATEX.
Permite la instalación en presencia de entornos potencialmente explosivos.

Certificado PED.
Cumplimiento total de las normas de seguridad europeas para los dispositivos presurizados.

ATENA

1. Junta colocada en el cilindro en lugar de sobre el pistón.
Se obtiene un mayor recorrido del actuador y del obturador a él conectado garantizando grandes aperturas del paso sobre la sede (menor pérdida de carga).
Menor desgaste de la junta.

2. Aplicaciones de la cabeza de control en 303 S.S.
Aumenta considerablemente la resistencia a la corrosión provocada por agentes externos.

3. Juntas precargadas de resorte.
Garantizan la recuperación de los juegos debido al desgaste provocado por el deslizamiento lineal del eje evitando pérdidas hacia el exterior.
Permiten mantener energizadas las juntas "chevron" (en V) compensando las variaciones de tamaño incluso ante variaciones térmicas considerables.

4. Juntas tipo "chevron" (en "v") con 5 juntas en la parte inferior y 3 en la parte superior del resorte.
Se garantiza un perfecto sellado incluso tras un número elevado de ciclos

5. Eje laminado.
Menor desgaste de las juntas gracias a la baja rugosidad (0,1 micras Ra) del eje que facilita el deslizamiento.

6. Obturador oscilante/autoalineante.
Se adapta perfectamente a la sede en el cuerpo de la válvula garantizando un máximo sellado.

Certificado ATEX.
Permite la instalación en presencia de entornos potencialmente explosivos.

CARACTERÍSTICAS GENERALES:
Conexiones roscadas según EN 10226-1 Rp (ex ISO 7/1) para válvulas Ares; ISO 228/1 para válvulas Zeus. Otros tipos de conexiones bajo pedido.
Montaje en cualquier posición: horizontal, vertical, oblicua.
Gama disponible de 3/8" a 2" en las versiones de doble efecto, simple efecto normalmente cerrado desde arriba y debajo del obturador, simple efecto normalmente abierto desde debajo del obturador.
Cumple con la Directiva Europea 2014/68/UE PED.
Configuración ATEX 2014/34/UE a solicitar en la fase de pedido 

Las diferentes versiones de los accionamientos, las diversas combinaciones de la válvula y la posibilidad de interceptar el flujo desde arriba o debajo del obturador, dan lugar a múltiples versiones de la válvula automática.
Las siguientes tablas enumeran las versiones estándar con los principales parámetros de funcionamiento.
En base al tipo de válvula y a la variación de presión ΔP que se debe interceptar entre aguas arriba y aguas abajo de la misma, se identifica la presión de control necesaria para el accionamiento y, en consecuencia, el código de la válvula correspondiente.
Bajo pedido: versiones para vacío y para uso de oxígeno

FLUIDO DE COMANDO:
Fluido de pilotaje: aire comprimido lubricado o seco, gas y fluidos neutros;
Temperatura ambiente: desde -10°C a +60° C

FLUIDO INTERCEPTADO:
Aire, agua, alcohol, aceites, carburantes, soluzioni saline, vapor, etc..(sin embargo compatibles con A 351 CF8M O CuSn5Zn5Pb5-B )
Presión de uso desde 0 a 16 / 25 bar (vapor a 180°C desde 0 a 10 bar) dependiendo del tamaño y de la versión elegida (ver páginas siguientes)
Temperatura desde -10°C a +180°C.
Viscosidad máxima 600 cst (mm2/s).

ARES

ARES DIMENSIONES
DN [mm]
G * [pulgadas]
ACTUADORA
B
C
D
øE
F
ch. L
H
15
3/8”
Ø 50
190
156,5
169
44
70
85
25
12
15
1/2”
Ø 50
190
156,5
169
44
70
85
25
15
20
3/4”
Ø 50
195
160,5
176
44
70
95
31
16,3
20
3/4”
Ø 63
213
178,5
194,4
50,5
84,4
95
31
16,3
25
1”
Ø 50
200
164
183
44
70
105
38
19,5
25
1”
Ø 63
219
183
202
50,5
84,4
105
38
19,5
25
1”
Ø 90
259
223
242
66,2
116,4
105
38
19
32
1”1/4
Ø 50
208
167,5
191
44
70
120
47
19
32
1”1/4
Ø 63
226
185,5
209
50,5
84,4
120
47
19
32
1”1/4
Ø 90
266
225,5
249
66,2
116,4
120
47
18
32
1”1/4
Ø 110
302
261,5
285
77,4
140,6
120
47
18
40
1”1/2
Ø 63
231
191
218
50,5
84,4
130
54
18
40
1”1/2
Ø 90
271
231
258
66,2
116,4
130
54
20
40
1”1/2
Ø 110
307
266
294
77,4
140,6
130
54
20
50
2”
Ø 63
245
200
233
50,5
84,4
150
66
20
50
2”
Ø 90
285
241
274
66,2
116,4
150
66
20
50
2”
Ø 110
321
276
310
77,4
140,6
150
66
20
*Bajo pedido la versión con rosca NPT

ATENA CABEZA Ø40

ATENA DIMENSIONES

Versiones en CF8M
DN [mm]
G *[pulgadas]
ACTUADOR
A
B
C
øD
E
FHch. L
15
3/8”
Ø 40
144
1211346139
65
1225
15
1/2”
Ø 40
144
1211346139
65
1125
20
3/4”
Ø 40
151
1281436139
75
1431
*Bajo pedido la versión con rosca NPT

ARES


ARES MATERIALES
1
Cuerpo válvula
A351-CF8M (316 S.S.)
2
Tubo prensaestopas
A351-CF8M (316 S.S.)
3
Vástago
316L S.S.
4*
Juntas vástago  
PTFE-CF
5*
Junta cuerpo
GRAFITO
6
Obturador
316L S.S.
7
Junta obturador
PTFE
8
Cabeza de comando
Poliamida PA 66 + GF 30%
9
Pistón
Latón niquelquímico(PBT + GF 20% cabeza ø40 - ø50)
10
Inserciones de pilotaje
303 S.S.

Namur plate (OPTIONAL)
PA66 +GF30%, brass inserts
* Para aplicaciones de alta pureza están disponibles juntas de barra en PTFE virgen y juntas de cuerpo en Peek

ATENA


ATENA MATERIALES  
1
Cuerpo válvula
A351-CF8M (316 S.S.)
2
Tubo prensaestopas  
A351-CF8M (316 S.S.)
3
Vástago
316L S.S.
4*
Juntas vástago
PTFE-CF
5*
Junta cuerpo
GRAFITO
6
Obturador
316L S.S.
7
Junta obturador P
PTFE
8
Cabeza de comando
Poliamida PA 66 + GF 30%
9
Pistón  
PBT + GF 20%
10
Inserciones de pilotaje
303 S.S.
* Para aplicaciones de alta pureza están disponibles juntas de barra en PTFE virgen y juntas de cuerpo en Peek

ARES

ATENA

MODO DE USO

Tapón para interruptor de límite

El tapón especial, de material plástico transparente, presenta dos ranuras para poder fijar y ajustar rápidamente los finales de carrera de contacto magnético. Los finales de carrera están provistos de un led interno visible cuando el propio final de carrera está excitado. Hay disponibles finales de carrera de tipo REED y de efecto HALL con conexión libre o ya cableados M12. El tapón tiene un grado de protección IP68. Atención: para permitir la correcta fijación en el alojamiento del final de carrera, el indicador visual, cuando la válvula está completamente abierta, no llega al extremo del tapón. Los finales de carrera deben ajustarse una vez que la válvula esté instalada en el sistema.

Código del kit
Tamaño de la cabeza
 A mm
 B mm
KFJM16
∅ 503077
KFJM18
∅ 632687
KFJM21
∅ 901597
KFJM23
∅ 1108107

El kit no incluye interruptores de límite.

Limitador de recorrido
Permite limitar el recorrido del obturador de la válvula en la apertura y, por lo tanto, regular el caudal. Disponible para todas las versiones. En las versiones efecto simple normalmente abiertas se puede utilizar también como comando manual de emergencia.

Comando
 A mm
Código
∅ 5025,5
KLJL0016
∅ 6321,5
KLJL0018
∅ 905,2
KLJL0021
∅ 1105,9
KLJL0023

No disponible con cabeza ∅ 40.

Comando manual de emergencia
Permite realizar la apertura de la válvula en caso de emergencia (falta de fluido del piloto, avería en el sistema, falta de la señal del piloto, etc..). Disponible para todas las válvulas en las versiones normalmente cerradas.

Comando  
mm
Código
∅ 50
35,8
KLJA0016
∅ 63
35,8
KLJA0018
∅ 90
29,5
KLJA0021
∅ 110
29,5
KLJA0023

No disponible con cabeza ∅ 40.

Electropiloto 3/2 - Electroválvula 3/2 - 5/2

Electroválvula de mando
Electropiloto 3/2 para el montaje directo.
Cuerpo y bobina orientables 360°
Comando manual estándar.
Electroválvula (NAMUR) preparada para la selección entre la función 5/2 y 3/2 que se realiza montando la base correspondiente (ambas proporcionadas).
Temperatura ambiente de -10°C a +50°C

Voltaje
24 Vac115 Vac230 Vac24 Vdc
Electropiloto
EP415024EP415110EP415220EP412024

Voltaje
24 Vac115 Vac230 Vac24 Vdc
Electroválvula NAMUR*ER8188A2ER8188A4ER8188A5ER8188C2
Interfaz NAMURKBNJ0001 Not available with ∅ 40 head

* A utilizar solo con interfaz NAMUR

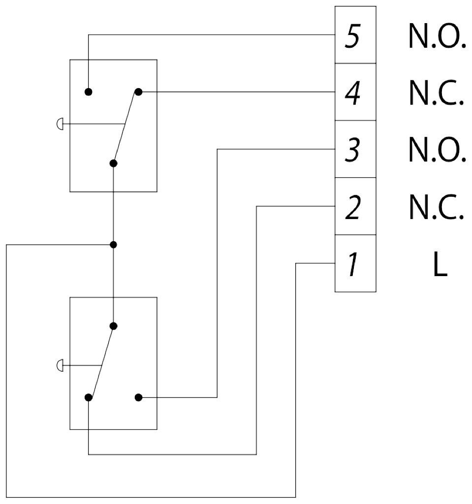
Caja de señalización
La caja de señalización para el control de la posición abierta y cerrada con dos topes mecánicos o inductivos es adecuada para el montaje en toda la serie de válvulas con actuadores ∅50 - ∅63 - ∅90 - ∅110.
Bajo pedido están disponibles los terminales para conectar la electroválvula y los indicadores visuales a través de led.
Grado de protección IP 65
Temperatura ambiente de -20°C a +70°C
Acceso cable n°1 PG11
Material de la envoltura de poliamida con cubierta de polimetacrilato transparente.

Comando
A
mm

∅ 50  
52,1
∅ 63
47,5
∅ 90
37,7
∅ 110
29,5

TIPOS DE TOPES DISPONIBLES

Interruptores de tope inductivos NAMUR EExia
Tensión nominal: 8 Vcc
Consumo: accionado ≤1 mA; suelto ≥3 mA
Temperatura de funcionamiento: desde -20° C a +70 C

Configuración Código  
1 tope: alto en posición de válvula abierta
KSIN9A0xx
1 tope: bajo en posición de válvula cerrada
KSIN9C0xx
2 topes válvula abierta y cerrada
KSIN920xx



Interruptores de tope de proximidad
Tensión nominal: 10÷30 Vcc
Consumo: 15 mA;
Temperatura de funcionamiento: desde -20° C a +70° C

Configuración Código 
1 tope: alto en posición de válvula abierta
KSI09A0xx
1 tope: bajo en posición de válvula cerrada
KSI09C0xx
2 topes válvula abierta y cerrada
KSI0920xx

Interruptores de tope mecánicos
Tope alto: válvula abierta
Tope bajo: válvula cerrada
Carga máx.: 5A 250 Vca; 1A 250 Vcc

Configuración
Código
2 topes
KSM0C20xx

xx = Ø cabeza de control  
16 = Ø50
18 = Ø63
21 = Ø90
23 = Ø110

CONFIGURA CONDUCIR
Selecciona los parámetros de búsqueda
BUSCA ARTÍCULO
X CERRAR

SIGUIENTE EVENTO

IVS - Industrial Valve Summit 2026
IVS - Industrial Valve Summit 2026
Bergamo, Italy, 19 - 21 may 2026