images/testate/Template-Header-Sito-OMALAngleseatARESOK.jpg

ARES-ATENA pneumatic valve

  • benefits
  • features
  • dimensions
  • materials
  • diagrams and breakaway torque
  • specifications
  • accessories
  • documents

ARES

1. Seal placed in the cylinder rather than on the piston.
Longer stroke of the actuator and shutter will be achieved, granting higher flow rate (less flow loss).
Less wear of the seal.

2. Piloting head inserts in 303 S.S.
Increases considerably the corrosion resistance caused by external agents.

3. Starting from DN63 metal piston with CHEMICAL NICKEL coating (10-15 micron).
Reduces the wear of the piston due to the achievement of a greater surface hardness (700-750 HV).

4. Seals pre-loaded by spring.

Guarantee of the recovery of the gap due to the wear caused by the sliding of the shaft avoiding leakage towards the outside part.
Allow to maintain energized the "chevron" seals (V) compensating the dimensional changes even in case of huge temperature excursions.

5. CHEVRON seals (V shape) with 5 seals in the lower part of the spring and 3 seals in the upper part. 

It ensures a perfect tightness even after a high number of cycles

6. Rolled shaft.
Less wear of the seals due to the low roughness (0,1 micron Ra) which facilitate the sliding of the shaft.

7. Longer face to face.

Better fluidodynamic with reduction of the turbulences.

8. Oscillating / self-aligning shutter.

It fits perfectly to the valve body ensuring the maximum tightness.

ATEX Certificate.
Installation is allowed in a potential explosive environment.

PED Certificate.
Full compliance with European Safety Standards for Pressure Equipment.

ATENA

1. Seal placed in the cylinder rather than on the piston.
Longer stroke of the actuator and shutter will be achieved, granting higher  flow rate (less flow loss).
Less wear of the seal.

2. Piloting head inserts in 303 S.S.
Increases considerably the corrosion resistance caused by external agents.

3. Seals pre-loaded by spring.
Guarantee of the recovery of the gap due to the wear caused by the sliding of the shaft avoiding leakage towards the outside part.
Allow to maintain energized the "chevron" seals (V) compensating the dimensional changes even in case of huge temperature excursions.

4. CHEVRON seals (V shape) with 5 seals in the lower part of the spring and 3 seals in the upper part.
It ensures a perfect tightness even after a high number of cycles

5. Rolled shaft.
Less wear of the seals due to the low roughness (0,1 micron Ra) which facilitate the sliding of the shaft.

6. Oscillating / self-aligning shutter.
It fits perfectly to the valve body ensuring the maximum tightness.

ATEX Certificate.
Installation is allowed in a potential explosive environment.

GENERAL FEATURES:
Threaded valve ends, as per EN 10226-1 Rp (ex ISO 7/1) for Ares valves; ISO 228/1 for Zeus valves. Other types available on request.
Assembling is possible in all positions: upright, flat or angled.
Range available from 3/8” to 2” in the Double Acting versions, Spring Return N.C. from above and below the plug, Spring Return N.O. from below the plug.
According to 2014/68/EU “PED”.
2014/34/EU ATEX configuration to request at time of order.
The variations in the actioning of the valve, the several combinations and the possibility to intercept the fluid from above or below the plug, originate multiple versions of the automatic valve.
In the table below are indicated the standard versions with the main parameters.
On the basis of the kind of valve and the variations of pressure ΔP that must be intercepted, the necessary control pressure can be individuated, and consequently, the code for the corresponding valve.
On request: versions for vacuum and oxygen service.

CONTROL MEDIA:
Driving media: compressed air, lubricated or dry, gas or neutral media.
Ambient temperature: -10°C to +60°C

OPERATING MEDIA:
Air,water, alcohol, oil, petroleum products, saline solutions, steam, etc. (as long as compatible with A 351 CF8M O CuSn5Zn5Pb5-B).
Pressure from 0 to 16 / 25 bar (steam from 180°C, from 0 to 10 bar) depending on the size and model chosen (see following pages).
Temperature from –10°C to 180°C.
Max. viscosity 600 cst (mm2/s).

ARES

ARES DIMENSIONS
DN [mm]
G * [inch]
ACTUATOR
A
B
C
D
øE
F
ch. L
H
15
3/8”
Ø 50
190
156,5
169
44
70
85
25
12
15
1/2”
Ø 50
190
156,5
169
44
70
85
25
15
20
3/4”
Ø 50
195
160,5
176
44
70
95
31
16,3
20
3/4”
Ø 63
213
178,5
194,4
50,5
84,4
95
31
16,3
25
1”
Ø 50
200
164
183
44
70
105
38
19,5
25
1”
Ø 63
219
183
202
50,5
84,4
105
38
19,5
25
1”
Ø 90
259
223
242
66,2
116,4
105
38
19
32
1”1/4
Ø 50
208
167,5
191
44
70
120
47
19
32
1”1/4
Ø 63
226
185,5
209
50,5
84,4
120
47
19
32
1”1/4
Ø 90
266
225,5
249
66,2
116,4
120
47
18
32
1”1/4
Ø 110
302
261,5
285
77,4
140,6
120
47
18
40
1”1/2
Ø 63
231
191
218
50,5
84,4
130
54
18
40
1”1/2
Ø 90
271
231
258
66,2
116,4
130
54
20
40
1”1/2
Ø 110
307
266
294
77,4
140,6
130
54
20
50
2”
Ø 63
245
200
233
50,5
84,4
150
66
20
50
2”
Ø 90
285
241
274
66,2
116,4
150
66
20
50
2”
Ø 110
321
276
310
77,4
140,6
150
66
20
*On request NPT-threading

ATENA HEAD Ø40

  ATENA DIMENSIONS

CF8M version
DN [mm]
G *[inch]
ACTUATOR
A
B
C
øDE
FHch. L
15
3/8”
Ø 40
144
1211346139
65
1225
15
1/2”
Ø 40
144
1211346139
65
1125
20
3/4”
Ø 40
151
1281436139
75
1431
*On request NPT-threading

ARES


ARES MATERIALS
1
Valve body
A351-CF8M (316 S.S.)
2
Sleeve
A351-CF8M (316 S.S.)
3
Stem
316L S.S.
4*
Stem seals
PTFE-CF
5*
 Body seal
GRAPHITE
6
Plug
316L S.S.
7
Plug seal
PTFE
8
Actuator cylinder
Poliammide PA 66 + GF 30%
9
Piston
Brass chem-nickel (PBT + GF 20% head ø40 - ø50)
10
Threading inserts
303 S.S.

Namur plate (OPTIONAL)
PA66 +GF30%, brass inserts
* For high purity application are allowable stem seals in virgin PTFE and body seals in Peek

ATENA


 ATENA MATERIALS
1
Valve body
A351-CF8M (316 S.S.)
2
Sleeve
A351-CF8M (316 S.S.)
3
Stem
316L S.S.
4*
Stem seals
PTFE-CF
5*
Body seal
GRAPHITE
6
Plug
316L S.S.
7
Plug seal
PTFE
8
Actuator cylinder
Poliammide PA 66 + GF 30%
9
Piston
PBT + GF 20%
10
Threading inserts
303 S.S.
* For high purity application are allowable stem seals in virgin PTFE and body seals in Peek

ARES

ATENA

METHODS OF USE

Limit switch cap

The special cap, made of transparent plastic material, has two grooves for fast attachment and adjustment of magnetic limit switches.The limit switches have an internal LED visible when the limit switch is energized.REED and HALL effect type limit switches are available with free connection or already wired M12.The cap has an IP68 protection rating.Attention: to enable proper fixing in the limit switch housing, the visual indicator, when the valve is fully open, does not reach the end of the plug. The limitswitches must be set once the valve is installed in the system.

Kit codeHead size A mm
 B mm
KFJM16
∅ 503077
KFJM18
∅ 632687
KFJM21
∅ 901597
KFJM23
∅ 1108107

Kit does not include limit switches.

Stroke limiter
It allows to limit the plug run in opening phase, therefore it regulates the flow. Available on all versions. In spring return normally open version it can be used as an emergency control.

Control
 A mm
Code
∅ 50 25,5
KLJL0016
∅ 63 21,5
KLJL0018
∅ 90 5,2
KLJL0021
∅ 1105,9
KLJL0023

Not available with ∅ 40 head.

Emergency manual override
It allows to open the valve in emergency cases (lack of pilot fluid, machinery damaged, lack of piloting signal). It is available on all normally closed valves.

Control
A
mm

Code
∅ 50
35,8
KLJA0016
∅ 63
35,8
KLJA0018
∅ 90
29,5
KLJA0021
∅ 110
29,5
KLJA0023

Not available with ∅ 40 head

Electro-pilot 3/2 - Solenoid valve 3/2 - 5/2

Control solenoid valve
Electro-pilot 3/2 for direct assembling.
Body and reel positionable at 360°.
Standard manual control.
Solenoid valve (NAMUR) sets for selection between function 5/2 or 3/2, achievable by mounting the corresponding plate (both supplied).
Room temperature: from –10°c to +50°C.

Voltage24 Vac115 Vac230 Vac24 Vdc
Electro-pilotEP415024EP415110EP415220EP412024

Voltage24 Vac115 Vac230 Vac24 Vdc
NAMUR Solenoid valve*ER8188A2ER8188A4ER8188A5ER8188C2
NAMUR interfaceKBNJ0001 Not available with ∅ 40 head

* To be usedy with NAMUR interface only

Limit switch box
The control box to check the open/close positions with two mechanical limit switches is suitable for assembling on all the range of valves with actuators ∅50 - ∅63 - ∅90 - ∅110.
The terminals to connect the solenoid valve and the visual indicators provided with led are optional.
Level of protection: IP 65.
Room temperature: from –20° C to +70°C.
Access lead nr. 1 PG11.
Body material: polyamide (cap in trasparent polymethacrylate).

  Control
 A 
mm
∅ 50
52,1
∅ 63
47,5
∅ 90
37,7
∅ 110
29,5

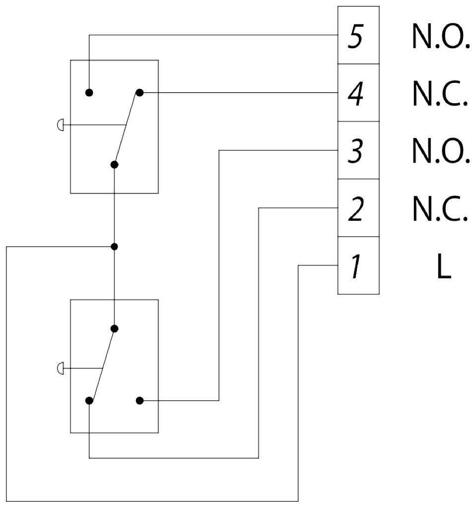
AVAILABLE LIMIT SWITCH

Inductive limit switches NAMUR EExia
Nominal voltage: 8 Vdc
Consumes: working ≤1mA; resting ≥3 mA
Working temperature: from –20°C to +70°C

ConfigurationCode
1 Limit switch at the top: open valveKSIN9A0xx
1 Limit switch at the bottom: close valve.KSIN9C0xx
2 Limit switch open and close valveKSIN920xx

Proximity limit switches
Nominal voltage: 10÷30 Vdc
Consumes: 15mA;
Working temperature: from –20°C to +70°C

ConfigurationCode
1 Limit switch at the top: open valveKSI09A0xx
1 Limit switch at the bottom: close valve.KSI09C0xx
2 Limit switch open and close valveKSI0920xx

Mechanical limit switches
Limit switch at the top: open valve
Limit switch at the bottom: close valve
Max. capacity: 5A 250 Vac; 1A 250 Vdc

ConfigurationCode
2 Limit switchKSM0C20xx

xx = Ø  control heads
16 = Ø50
18 = Ø63
21 = Ø90
23 = Ø110

CONFIGURE DRIVE
Select the search standards
FIND ITEM
X CLOSE

NEXT EVENT

IVS - Industrial Valve Summit 2026
IVS - Industrial Valve Summit 2026
Bergamo, Italy, 19 - 21 may 2026