images/testate/1600x499accattuatori.jpg

KPFH ATEX 4 - 20 mA HART Intelligenter Stellungsregler

II 2 G EEX ia/ib IIB/IIC T4/T6

ATEX-Ausführung
STANDARD
Spoll Valve
STANDARD
Bi-direktionale Wirkung
JA
Verteiler komplett mit Manometer
JA
Epoxidlackiertes Aluminiumgehäuse
STANDARD
Gehäuse aus rostfreiem Edelstahl
OPTION
Smart Hart-Kommunikation
JA

DER STELLUNGSREGLER WIRD BEREITS KALIBRIERT VERKAUFT, WENN ER ZUSAMMEN MIT PNEUMATISCHEM STELLANTRIEB VON OMAL S.P.A. GEKAUFT WIRD, WENN EINZELN VERKAUFT, GEHT DIE KALIBRIERUNG ZU LASTEN DES KUNDEN. OMAL S.P.A. IST NICHT FÜR DAS SET-UP VERANTWORTLICH.

HAUPTMERKMALE
- Intelligenter Stellungsregler SRD991 zur Steuerung pneumatischer Stellantriebe. Einfache Konfiguration dank der HART-Kommunikationsfunktion Autostart. Optionaler PROFIBUS-PA / FOUNDATION Fieldbus H1 gemäß FISCO/FoxCom-Vorschriften. In der Ausführung mit Rückmeldung ist das Gerät mit einer Stellungsrückmeldung zur kontinuierlichen Ventilüberwachung (4 - 20 mA) ausgestattet.
- Aluminiumgehäuse mit Epoxidharz lackiert
- Betriebstemperatur: - 40 bis + 80 °C
- VERSION: Uni-/bidirektionale Wirkung
- EINGANG / KOMMUNIKATION: 4-20 mA und HART-Protokoll ZUSÄTZLICHE EIN- / AUSGÄNGE: Nein
- INTERNE ENDSCHALTER: Nein
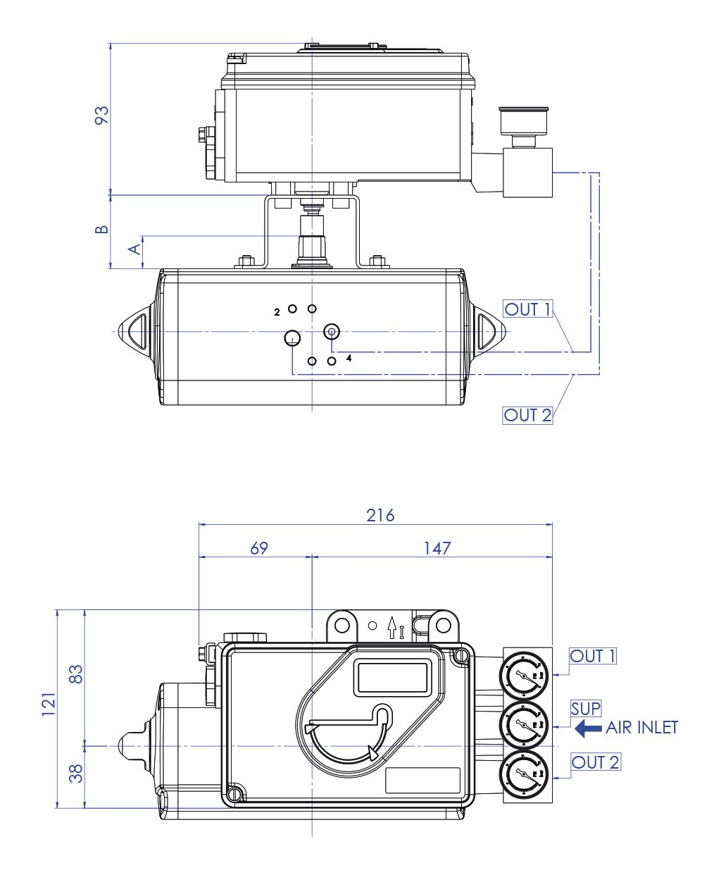
- ELEKTRISCHE VERBINDUNG: M20 x 1,5, komplett mit Kabelverschraubung
- ELEKTRISCHE AUSFÜHRUNG: ATEX, II 2 G EEx ia/ib IIB/IIC T4/T6
- Schutzart: IP65 (IP66 auf Anfrage)

INKLUSIVE ZUBEHÖR
- Pneumatischer Verstärker Typ "Spool Valve"
- Verteiler komplett mit Manometer, mit 1/4 - 18 NPT-Anschluss
- Montage-Bausatz für Dreh-Stellantrieb, nach VDI/VDE 3845
- LCD-Display mit Konfigurationsmenü in 3 Sprachen: Englisch, Deutsch, Italienisch (andere auf Anfrage)

OPTIONEN
- Übertragung Eigensichere 4 - 20 mA Ventilstellung
- 2 Endschalter NAMUR/PNP Mikroschalter mit Eigensicherheit
- Gehäuse aus Edelstahl 316
- Gehäuse E Manometer aus Edelstahl 316

ZERTIFIZIERUNGEN
- der Konformität mit ATEX II 2 G EEx ia/ib IIB/IIC T4/T6 + sonstige a Erklärung erforderlich

FOXBORO ECKART-SRD991

ANMERKUNGEN
Die pneumatischen und elektro-pneumatischen Stellungsregler werden auf Wunsch justiert und montiert mit beschichteten Aluminiumrohren und Schnellkupplungen geliefert.
Weitere Angaben finden Sie in der Gebrauchs- und Wartungsanleitung.

Bi-direktionaler Stellungsregler

Uni-direktionaler Stellungsregler

Maßzahlen A und B siehe S. 75.

ARTIKELNUMMER SUCHEN 
SCHLIESSEN

NÄCHSTES EVENT

IVS - Industrial Valve Summit 2026
IVS - Industrial Valve Summit 2026
Bergamo, Italy, 19 - 21 may 2026