images/testate/1600x499accattuatori.jpg

KPFH ATEX Smart Positioner HART 4-20 mA

II 2 G EEX ia/ib IIB/IIC T4/T6

ATEX execution
STANDARD
Spoll Valve
STANDARD
Double acting effect
YES
Manifold complete with manometer
YES
Epoxy painted Aluminium box
STANDARD
INOX box
OPTION
Smart Hart comunication
YES

WHEN THE POSITIONER IS PURCHASED MOUNTED ON OMAL S.P.A. PNEUMATIC ACTUATOR, YOU WILL RECEIVE IT ALREADY CALIBRATED; OTHERWISE THE SETTING IS UP TO THE CUSTOMER. OMAL S.P.A. WILL NOT BE RESPONSIBLE FOR IT.

TECHNICAL FEATURES
- Intelligent Positioner SRD991, designed to control pneumatic actuators. Simple to configure thanks to Autostart function. HART communication. As option PROFIBUS-PA / FOUNDATION Fieldbus H1 according to FISCO / FoxCom. The version with feedback signal, includes a position transmitter for the continuous valve monitoring (4-20 mA).
- Epoxy painted aluminium case.
- Working temperature: from -40°C to 80°C
- VERSION: Single / Double acting
- INPUT / COMUNICATION: Signal 4-20 Ma, and HART protocol ADDITIONAL INPUTS/OUTPUTS: Not included
- INTERNAL LIMIT SWITCHES : Not included
- CABLE ENTRY: M20x1.5, complete of Cable Gland
- ELECTRICAL CLASSIFICATION: II 2 G EEx ia/ib IIB/IIC T4/T6 according to ATEX
- Protection: IP65 (IP66 on request)

INCLUDED ACCESSORIES
- “Spool valve” pneumatic amplifier
- Manifold complete with manometers, with connection 1/4-18 NPT
- Mounting kit for rotary actuator, according to VDI/VDE 3845
- LCD Display with 3 languages menu: English, German, Italian (other on request)

OPTIONS
- Position Feedback 4 - 20 mA , Intrinsically Safe
- N° 2 Namur Limit Switches / PNP micro switches Intrinsically Safe
- 316 Stainless Steel housing
- 316 Stainless Steel housing and manometers

CERTIFICATIONS
- Declaration of conformity ATEX II 2 G EEx ia/ib IIB/IIC T4/T6 + others on request.

FOXBORO ECKART-SRD991

NOTES
Pneumatic and electro-pneumatic positioners are supplied up on request adjusted and are mounted using covered aluminium pipes and rapid connectors.

For any other information, see the use and maintenance manual.

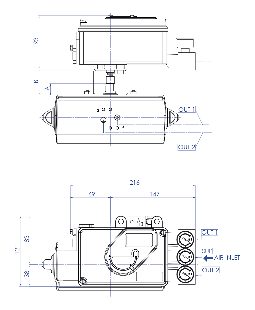
Positioner with Double Acting actuator

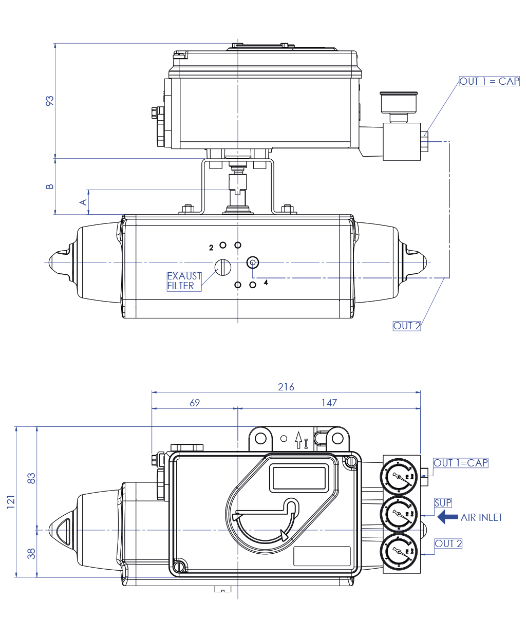
Positioner with Spring Return actuator

For dimentions A and B see page 75 of the accessories catalogue.

SEARCH CODE 
X CLOSE

NEXT EVENT

IVS - Industrial Valve Summit 2026
IVS - Industrial Valve Summit 2026
Bergamo, Italy, 19 - 21 may 2026