images/testate/1600x499accattuatori.jpg

KPFH ATEX konumlandirici smart hart 4-20 mA

II 2 G EEX ia/ib IIB/IIC T4/T6

Uygulama ATEX
STANDART
Sürgülü Vana
STANDART
Çift Etkili Sürüm
EVET
Manometreli manifold
EVET
Epoksi Boyalı Alüminyum Kasa
STANDART
Paslanmaz çelik kasa
SEÇENEK
Smart Hat İletişim
EVET

KONUMLANDIRICI, OMAL S.P.A. PNÖMATİK AKTÜATÖR İLE MONTAJLI OLARAK SATIN ALINDIĞINDA ZATEN KALİBRE EDİLMİŞTİR; ANCAK TEK OLARAK SATIN ALINDIĞINDA KALİBRE ETME SORUMLULUĞU MÜŞTERİYE AİTTİR. OMAL S.P.A. KURULUMDAN SORUMLU DEĞİLDİR.

TEMEL ÖZELLİKLER
- SRD991 Akıllı Konumlandırıcı, pnömatik aktüatörlerin kontrolü için tasarlanmıştır. Autostart HART iletişim işlevi sayesinde basit konfigürasyon. FISCO / FoxCom yönetmeliklerine göre isteğe bağlı PROFIBUS-PA / FOUNDATION Fieldbus H1 seçeneği. Geri beslemeli sürümde cihaz, vanayı sürekli izlemek (4 - -20 mA) için konum retransmisyonu ile donatılmıştır.
- Epoksi Reçine ile boyalı Alüminyum Kasa
- Çalışma sıcaklığı: -40°C ile 80°C arası
- SÜRÜM: Tek / Çift etkili
- GİRİŞ / İLETİŞİM: 4-20 mA ve HART protokolü
- EK GİRİŞ/ÇIKIŞLAR: HAYIR
- DAHİLİ LİMİT ANAHTARLARI: HAYIR
- ELEKTRİKSEL BAĞLANTI: M20x1.5, Kablo Rakoru ile birlikte
- ELEKTRİKLİ UYGULAMA: ATEX, II 2 G EEx ia / ib IIB / IIC T4 / T6
- IP65 (istek üzerine IP66) IP65 (isteğe göre IP66).

DAHİL OLAN AKSESUARLAR
- "Spool Valve” tipi pnömatik amplifikatör
- 1 / 4-18 NPT işlemi bağlantılı manometreli manifold.
- VDI/VDE 3845'e göre döner aktüatör montaj kiti.
- 3 dilde konfigürasyon menüsüne sahip LCD ekran: İngilizce, Almanca, İtalyanca (istek üzerine diğerleri)

SEÇENEKLERİ
- Kendinden emniyetli 4-20 mA vana konumu transmisyonu
- 2 adet Limit Anahtarı NAMUR / PNP kendinden emniyetli mikro anahtarlar
- 316 paslanmaz çelik kasa
- 316 paslanmaz çelik kasa ve göstergeler

SERTİFİKALAR
- ATEX uygunluk beyanı II 2 G EEx ia/ib IIB/IIC T4/T6 + isteğe göre diğerleri

FOXBORO ECKART-SRD991

NOT
Pnömatik ve elektro-pnömatik konumlandırıcılar, isteğe bağlı olarak, kaplamalı alüminyum borular ve hızlı kaplinler kullanılarak ayarlanmış ve monte edilmiş olarak tedarik edilir.

Daha fazla bilgi için kullanım ve bakım kılavuzuna bakınız.

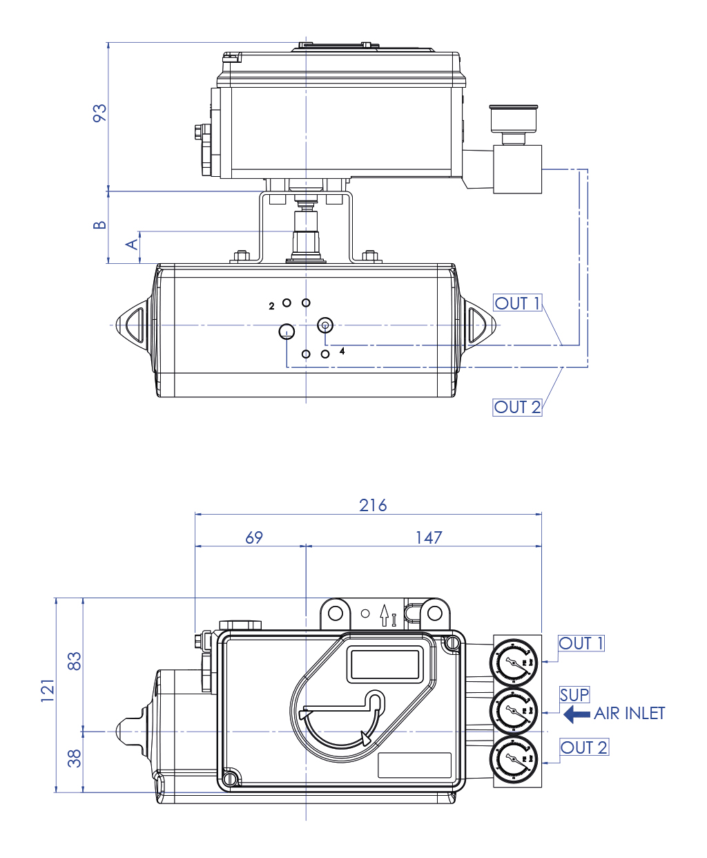
Çift etkili pnömatik aktüatörlü konumlandırıcı

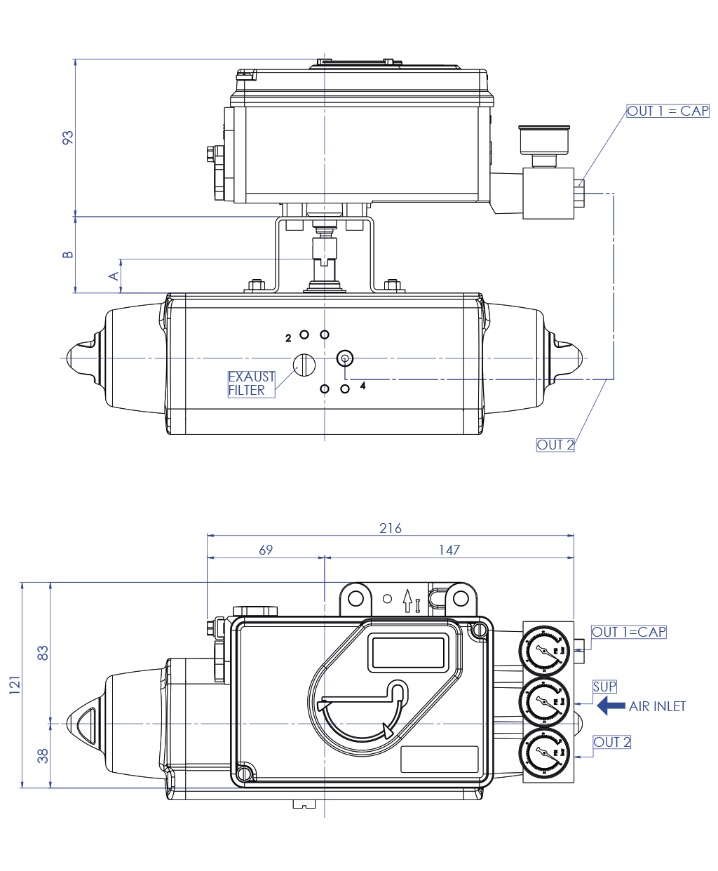
Tek etkili pnömatik aktüatörlü konumlandırıcı

A ve B boyutları için bkz. 75.

ARAMA KODU 
X KAPAT

GELECEK ETKİNLİK

IVS - Industrial Valve Summit 2026
IVS - Industrial Valve Summit 2026
Bergamo, Italy, 19 - 21 may 2026