images/testate/1600x499accattuatori.jpg

KPLPPA Posicionador pneumático

O POSICIONADOR É VENDIDO JÁ CALIBRADO SE COMPRADO EM UMA MONTAGEM COM ATUADOR PNEUMÁTICO DA OMAL S.P.A.; AO CONTRÁRIO, SE VENDIDO INDIVIDUALMENTE, A RESPONSABILIDADE PELA CALIBRAGEM É DO CLIENTE. A OMAL S.P.A. NÃO É RESPONSÁVEL PELO SET-UP.

DESCRIÇÃO
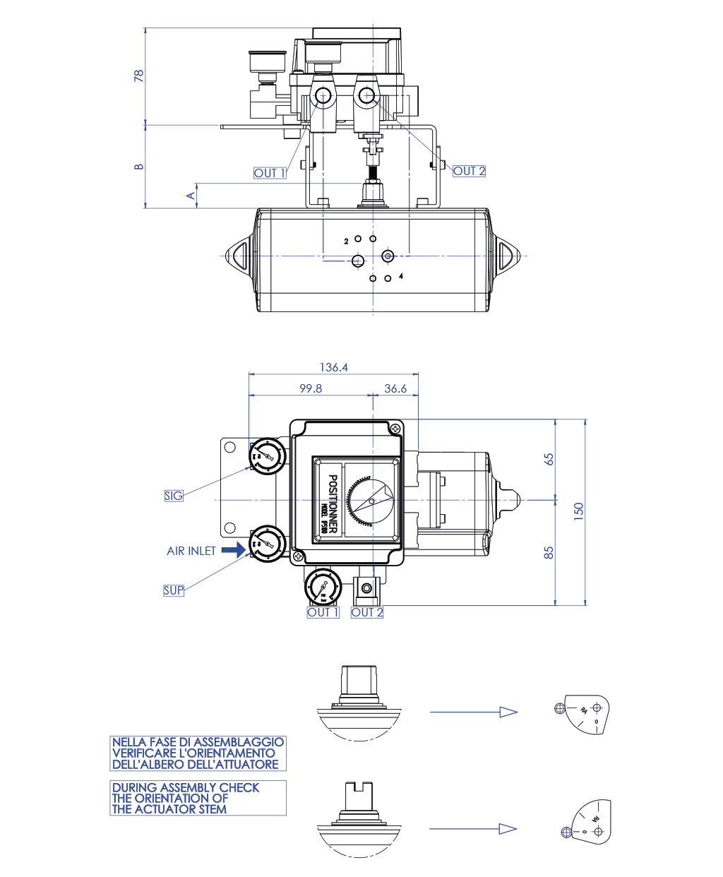
O posicionador eletropneumático a came é particularmente adequado para o acionamento proporcional de ambos os atuadores DA e SR. O posicionador é conectado ao atuador por meio de um suporte que é bloqueado na perfuração do atuador. Um sinal de regulação elétrica, dado por: termostato, viscosímetro, interruptor de pressão, etc. é enviado ao posicionador que, a partir do valor deste sinal, ajusta o ângulo de abertura ou de fechamento da válvula. A ação no sentido horário ou anti horário pode ser alterada sem o uso de peças adicionais, basta inverter o came interno e inverter as conexões em direção ao atuador.

CARACTERÍSTICAS PRINCIPAIS
- Alimentação: ar não lubrificado e filtrado 5μ.
- Pressão piloto: 0,02 - 0,1 MPa (0,2÷1 bar) (3÷15psi)
- 3 manômetros: 2 para pressão de linha, 1 para pressão de comando.
- Conexão de alimentação: 1/4 NPT
- Conexão do sinal de entrada: rosca 1/4"
- Grau de proteção ambiental: IP65 (em conformidade com IEC Pub. 60529)
- Sensibilidade: <0,5% F.S.
- Linearidade: < ±2% F.S.
- Consumo de ar: da 5 Nl/min.(P=1,4 bar) a 11 Nl/min.(P=4 bar)
- Temperatura de operação: de -20°C a +80°C
- Versões disponíveis a pedido: alta temperatura (-5°C / +100°C), temperatura baixa (-30°C / +60°C)

CERTIFICAÇÕES
- A pedido

SMC - IP5100

NOTAS
Os posicionadores pneumáticos e eletropneumáticos são fornecidos a pedido ajustados e montados usando tubos em alumínio revestido e engates rápidos.

Ajuste A = 0° - 90°:
- Pressão de controle 0,2 bar: posição fechado
- Pressão de controle 1 bar: posição aberto
Ajuste D = 90° - 0°:
- Pressão de controle 0,2 bar: posição aberto
- Pressão de controle 1 bar: posição fechado

Para mais informações, consultar o manual de uso e manutenção.

Posicionador com atuador Efeito Duplo

Posicionador com atuador Efeito Simples

MedidaDAN15÷DAN120
SRN15 ÷ SRN60  
DAN180÷DAN1920
SRN90÷SRN960  
A (mm)2030
B (mm)6777

PESQUISAR CóDIGO 
X FECHAR

PRÓXIMO EVENTO

IVS - Industrial Valve Summit 2026
IVS - Industrial Valve Summit 2026
Bergamo, Italy, 19 - 21 may 2026