images/testate/1600x499accattuatori.jpg

KPLPPA pnömati̇k konumlandirici

KONUMLANDIRICI, OMAL S.P.A. PNÖMATİK AKTÜATÖR İLE MONTAJLI OLARAK SATIN ALINDIĞINDA ZATEN KALİBRE EDİLMİŞTİR; ANCAK TEK OLARAK SATIN ALINDIĞINDA KALİBRE ETME SORUMLULUĞU MÜŞTERİYE AİTTİR. OMAL S.P.A. KURULUMDAN SORUMLU DEĞİLDİR.

AÇIKLAMA
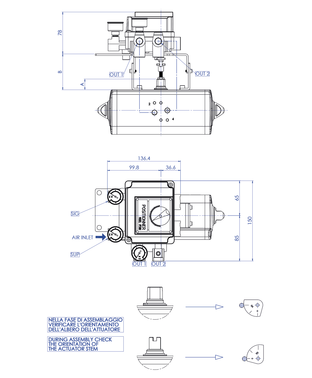
Pnömatik kam konumlandırıcı, hem DA hem de SR aktüatörlerinin orantılı olarak çalıştırılması için özellikle uygundur. Konumlandırıcı, aktüatör deliğine kilitlenen bir braket aracılığıyla aktüatöre bağlanır. Termostat, viskozimetre, basınç anahtarı vb. ile verilen bir pnömatik ayar sinyali. bu sinyalin değerine göre vananın açılma veya kapanma açısını ayarlayan konumlandırıcıya gönderilir. Saat yönünde veya saat yönünün tersine hareket, ilave parça kullanılmadan değiştirilebilir, sadece dâhili kamı ters çevirin ve bağlantıları aktüatöre doğru çevirin.

TEMEL ÖZELLİKLER
- Güç: yağlanmamış hava ve 5μ'de filtrelenmiş
- Pilot basınç: 0,02 - 0,1 MPa (0,2 ÷ 1 bar) (3 ÷ 15psi)
- 3 manometre: 2 hat basıncı, 1 kontrol basıncı için.
- Güç bağlantısı: 1/4 NPT
- Giriş sinyali bağlantısı: 1/4 "diş
- Ortam koruma derecesi: IP65 (IEC Yayını 60529'a uygun)
- Duyarlılık: < % 0,5 F.S.
- Doğrusallık: < %±2 F.S.
- Hava tüketimi: 5 Nl / dak (P = 1,4 bar) ila 11 Nl / dak (P = 4 bar)
- Çalışma sıcaklığı: -20°C ile +80°C arası
- İsteğe göre sağlanan sürümler:
yüksek sıcaklık (-5 °C / + 100 °C)
Düşük sıcaklık (-30 °C / +60 °C)

SERTİFİKALAR
- İsteğe göre:

SMC - IP5100

NOT
Pnömatik ve elektro-pnömatik konumlandırıcılar istek üzerine sağlanır Kaplamalı alüminyum borular ve hızlı kaplinler kullanılarak ayarlanmış ve monte edilmiştir.

Ayar A = 0 ° - 90 °:
- Kontrol basıncı: 0,2 bar: kapalı konum
- Kontrol basıncı: 1 bar: açık konum
Ayar D = 90° - 0°:
- Kontrol basıncı: 0,2 bar: açık konum
- Kontrol basıncı: 1 bar: kapalı konum

Daha fazla bilgi için kullanım ve bakım kılavuzuna bakınız.

Çift etkili pnömatik aktüatörlü konumlandırıcı

Tek etkili pnömatik aktüatörlü konumlandırıcı

ÖLÇÜ
DAN15÷DAN120
SRN15 ÷ SRN60  
DAN180÷DAN1920
SRN90÷SRN960  
A (mm)2030
B (mm)6777

ARAMA KODU 
X KAPAT

GELECEK ETKİNLİK

IVS - Industrial Valve Summit 2026
IVS - Industrial Valve Summit 2026
Bergamo, Italy, 19 - 21 may 2026