images/testate/1600x499accattuatori.jpg

KPLPPA Positionneur pneumatique

LE POSITIONNEUR EST VENDU DÉJÀ ÉTALONNÉ SI ACHETÉ DANS UN ENSEMBLE AVEC ACTIONNEUR PNEUMATIQUE OMAL S.P.A. ; S’IL A ÉTÉ VENDU SEUL, LA RESPONSABILITÉ DE L’ÉTALONNAGE IMCOMBE AU CLIENT. OMAL S.P.A. N'EST PAS RESPONSABLE DE L'INSTALLATION.

DESCRIPTION
Le positionneur pneumatique à came est particulièrement adapté pour l'actionnement proportionnel des actionneurs DA et SR. Le positionneur est raccordé à l'actionneur via un support qui est fixé sur l’alésage de l'actionneur. Un signal pneumatique de régulation, donné par : thermostat, viscosimètre, pressostat, etc. est envoyé au positionneur qui, en fonction de la valeur de ce signal, ajuste l'angle d'ouverture ou de fermeture de la vanne. L'action dans le sens horaire ou antihoraire peut être modifiée sans avoir à utiliser de pièces supplémentaires, il suffit de renverser la came interne et d'inverser les connexions vers l'actionneur.

CARACTÉRISTIQUES PRINCIPALES
- Alimentation : air non lubrifié et filtré 5μ.
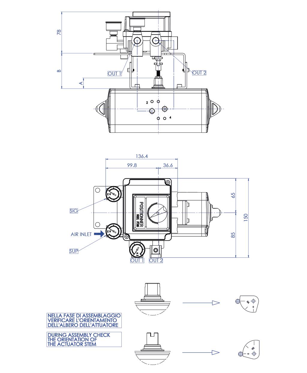
- Pression de pilotage : 0,02 - 0,1 MPa (0,2÷1 bar) (3÷15 psi)
- 3 manomètres : 2 pour la pression de ligne, 1 pour la pression de commande.
- Connexion d’alimentation : 1/4 NPT
- Connexion du signal d'entrée : filetage 1/4 "
- Indice de protection environnementale : IP65 (conformément à IEC Pub. 60529)
- Sensibilité : <0,5 % PE
- Linéarité : <± 2 % PE
- Consommation d'air : de 5 Nl/min. (P = 1,4 bar) à 11 Nl/min. (P = 4 bar)
- Température de fonctionnement : de -20 °C à +80 °C
- Versions disponibles sur demande : haute température (-5 °C / +100 °C) - basse température (-30 °C / + 60 °C)

CERTIFICATIONS
- Sur demande

SMC - IP5100

REMARQUES
Sur demande, les positionneurs pneumatiques et électropneumatiques sont fournis réglés et assemblés à l'aide de tubes en aluminium revêtu et de raccords rapides.

Réglage A = 0 ° - 90 ° :
- Pression de commande 0,2 bar : position fermée
- Pression de commande 1 bar : position ouverte
Réglage D = 90 ° - 0 ° :
- Pression de commande 0,2 bar : position ouverte
- Pression de commande 1 bar : position fermée

Pour plus d'informations, veuillez consulter le manuel d'utilisation et d'entretien.

Positionneur avec actionneur double effet

Positionneur avec actionneur simple effet

MesureDAN15÷DAN120
SRN15 ÷ SRN60  
DAN180÷DAN1920
SRN90÷SRN960  
A (mm)2030
B (mm)6777

CHERCHER LE CODE 
X FERMER

PROCHAIN ÉVÈNEMENT

IVS - Industrial Valve Summit 2026
IVS - Industrial Valve Summit 2026
Bergamo, Italy, 19 - 21 may 2026