images/testate/1600x499accattuatori.jpg

KPLPPA Posicionador neumático

EL POSICIONADOR SE VENDE YA CALIBRADO SI SE COMPRA CON EL ACTUADOR NEUMÁTICO DE OMAL S.P.A.; POR EL CONTRARIO, SI SE VENDE SOLO, LA RESPONSABILIDAD DEL CALIBRADO ES A CARGO DEL CLIENTE. OMAL S.P.A. NO SE HACE RESPONSABLE DEL AJUSTE.

DESCRIPCIÓN
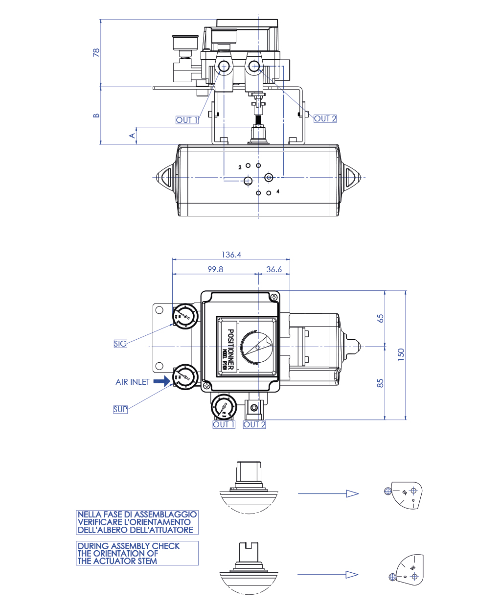
El posicionador neumático de leva está especialmente indicado para el accionamiento proporcional de actuadores como DA y SR. Il posicionador está conectado al actuador a través de un estribo que se bloquea con la perforación del actuador. Una señal reguladora neumática, dada por: termostato, viscosímetro, presostato, etc., se envía al posicionador que en base al valor de dicha señal regula el ángulo de apertura o de cierre de la válvula. La acción en sentido de las agujas del reloj o en sentido contrario se puede modificar sin utilizar partes adicionales, basta con voltear la leva interna e invertir las conexiones hacia el actuador.

CARACTERÍSTICAS PRINCIPALES
- Alimentación: aire no lubricado y filtrado 5μ.
- Presión de aire de regulación: 0,02 - 0,1 MPa (0,2÷1 bar) (3÷15psi)
- 3 manómetros: 2 para presión de línea, 1 para presión de mando.
- Conexión de alimentación: 1/4 NPT
- Conexión de señal de entrada: rosca 1/4”
- Grado de protección ambiental: IP65 (según IEC Pub.60529)
- Sensibilidad: <0,5% F.S.
- Linealidad: < ±2% F.S.
- Consumo de aire: de 5 Nl/min.(P=1,4 bar) a 11 Nl/min.(P=4 bar)
- Temperatura de funcionamiento: de -20°C a +80°C
- Versiones disponibles bajo pedido: alta temperatura (-5°C / +100°C)
baja temperatura (-30°C / +60°C)

CERTIFICACIONES
- Bajo pedido

SMC - IP5100

NOTAS
Los posicionadores neumáticos y electroneumáticos se proporcionan bajo pedido Regulados y montados utilizando tubos de aluminio revestido y empalmes rápidos.

Regulación A = 0° - 90°:
• Presión de comando 0,2 bar: posición cerrada
• Presión de comando 1 bar: posición abierta
Regulación D = 90° - 0°:
• Presión de comando 0,2 bar: posición abierta
• Presión de comando 1 bar: posición cerrada

Para más información ver el manual de uso y mantenimiento.

Posicionador con actuador Doble Efecto

Posicionador con actuador Simple Efecto

MedidaDAN15÷DAN120
SRN15 ÷ SRN60  
DAN180÷DAN1920
SRN90÷SRN960  
A (mm)2030
B (mm)6777

BUSCAR CóDIGO 
X CERRAR

SIGUIENTE EVENTO

Oman Water Week 2026
Oman Water Week 2026
Muscat (Oman), 19-23 April 2026