images/testate/lXaUfY_Template-Header-Sito-OMAL2560x768-AGO-ok.jpg

AGO 316 - DA em aço inoxidável 316 de barra

  • benefícios
  • características
  • dimensões
  • materiais
  • especificações
  • acessórios
  • documentos

1. Faixas de vedação e deslizamento energizadas autolubrificantes
Menor atrito entre o pistão e o cilindro  
É evitada a colagem da guarnição ao cilindro mesmo após longos períodos de inatividade

2. Ranhura, buchas e cavilhas com aço com dureza superior a 50 HRC
Maior resistência a forças presentes dentro do atuador

3. Atrito de rolamento entre a ranhura e o pistão 
Menor atrito

4. Scotch yoke com atrito de rolamento (transformação do movimento linear em movimento rotativo através de pistão e eixo sem engrenagens)
Menor atrito entre o pistão e o eixo, resultando em menor desgaste das peças  
Momento de rotação aprimorado na fase de abertura e fechamento  
Menor volume ocupado em relação aos atuadores de pinhão e cremalheira, com consequente menor espaço necessário
Menor peso em relação aos atuadores de pinhão e cremalheira (-30% Kg/Nm) com consequentes economias na construção da estrutura da planta
Menor consumo de ar comparado aos atuadores de pinhão e cremalheira (-40% de ar cm³/Nm efeito duplo e -20% de ar cm³/Nm efeito simples) com consequente menor carga de trabalho do compressor ou possibilidade de usar um compressor com dimensões reduzidas

5. Cilindro laminado

Menor desgaste nas faixas energizadas devido à baixa rugosidade da superfície

6. Stainless Steel shaft
Higher corrosion resistance

Interface para eletroválvulas NAMUR integradas pelo DAN15  
Não requer nenhuma base adicional

Processo de produção realizado inteiramente na OMAL
Controle máximo em todas as fases de processamento  

Certificado ATEX  
Permite instalação na presença de ambiente potencialmente explosivo  

Certificados até SIL 3
Alto nível de segurança funcional garantido

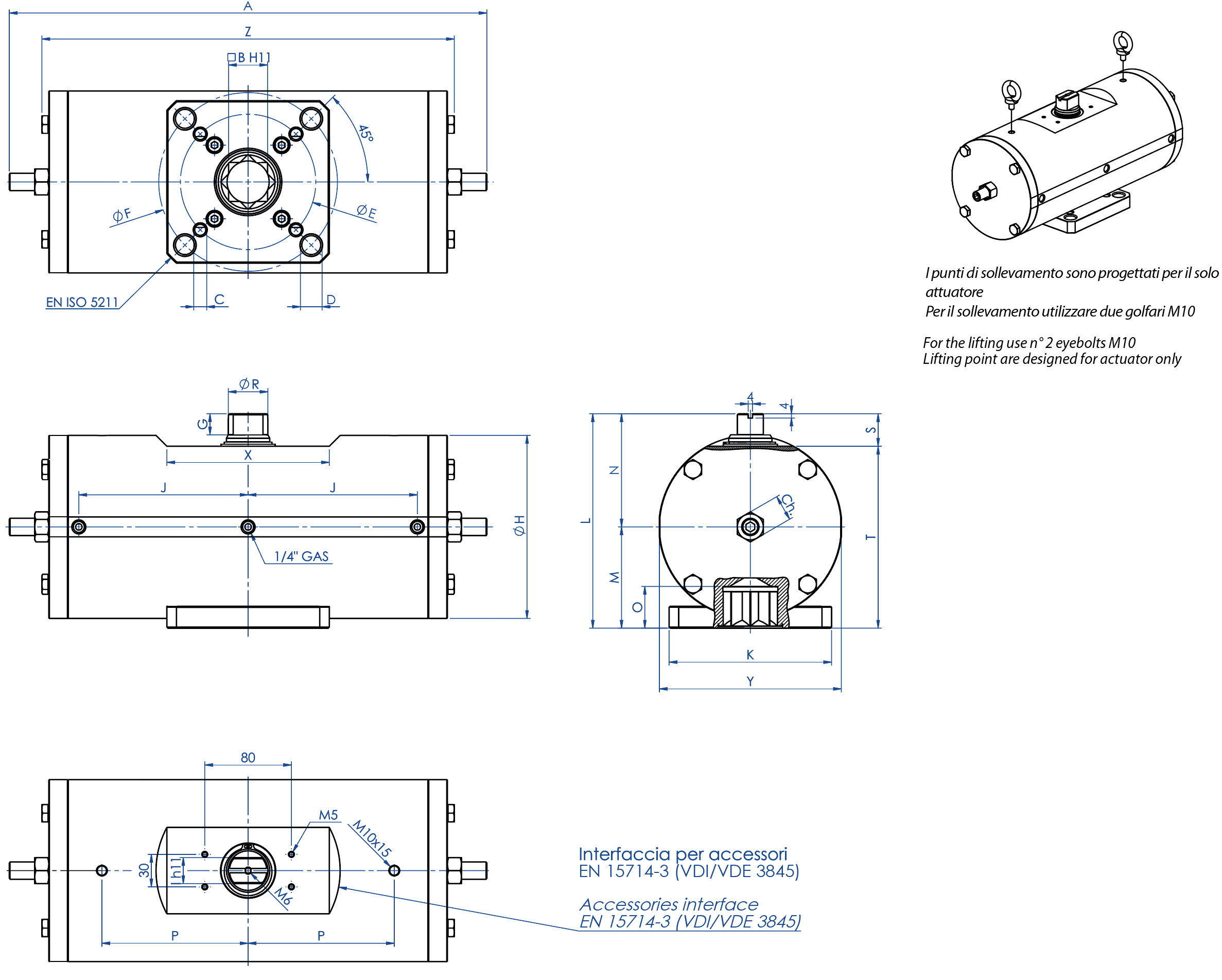
DADOS TÉCNICOS
Torque de 720 Nm a 1920 Nm.
Flange de conexão: EN ISO 5211
F10 - F12 - F14 - F16.
Em conformidade com a EN 15714-3.
Ângulo de rotação: 92° (-1°, +91°)
Momento de rotação: Diretamente proporcional à pressão de alimentação; veja a tabela de atuadores pneumáticos do catálogo geral DA.
Em cada atuador, a figura que segue a sigla DA corresponde ao valor do torque de partida em Nm. À pressão de 5,6 bar.
Versão ATEX em conformidade com a diretiva 2014/34/UE. Para a versão ATEX, adicionar YX no final do código.

CONDIÇÕES DE OPERAÇÃO
Temperatura: de -20°C a +80°C.
Pressão nominal: 5,6 bar; máxima de operação 8,4 bar.
Líquido de alimentação: ar comprimido filtrado a seco não necessariamente lubrificado. Em caso de lubrificação, usar óleo não detergente, compatível com NBR.

FICHA TÉCNICA

Código
DA0720416S
DA0960416S
DA1440424S
DA1440416S
DA1920416S

Guarnições de reposição
KGXI0023
KGXI0024
KGXI0025
KGXI0025
KGXI0026

Medida
DA0720
F10/F12

DA0960
F12/F16

DA1440
F12

DA1440
F14

DA1920
F12/F16


A
401,5
441
524,8
524,8
562

B
27
36
36
36
46

C x profundidade
M10x11,5
M12x20
M12x18
M16x18
M12x23

D x profundidade
M12x11,5
M20x20
-
-
M20x23

ØE
102
125
125
140
125

ØF
125
165
-
-
165

G
19,5
19,5
19,5
19,5
18,5

ØH
156
169
188
188
211

I
22
24
27
27
32

J
138,5
156,3
179,5
179,5
192

K
115
150
130
130
150

L
178
198
216
216
237,7

M
78,5
93,5
101,5
101,5
114,7

N
99,5
104,5
114,5
114,5
123

O
29,5
38,5
38,5
38,5
48,5

P
116
135
160
160
160

ØR
31,8
36,5
41
41
46

S
30
30
30
30
30

T
148
168
186
186
207,7

X
150
150
150
150
150

Y
155
168
187
187
209

Z
345,8
381
433,8
433,8
469

Ch
24
24
30
30
30

Peso (kg)
30
40
50,5
50,5
73

Ar (dm3/ciclo) (l/ciclo)
3,50
4,9
7,60
7,60
10,2


COMPONENTES ATUADORES PNEUMÁTICOS EFEITO DUPLO E SIMPLES 316 DA BARRA

COMPONENTES ATUADORES PNEUMÁTICOS EFEITO DUPLO E SIMPLES 316 DA BARRA
Pos.
Designação
Qtd.
Material
1Cilindro
1Aço inoxidável
2Pistão
2Liga de alumínio
3Tampa
2Aço inoxidável
4Eixo
1Aço inoxidável
5Garfo
1Liga de aço
6Bucha de deslizamento
1Resina acetálica
7Anel de suporte superior
1Resina acetálica
8Bucha de deslizamento
1Resina acetálica
9Cavilha elástica externa
1Liga de aço
10Cavilha elástica interna
1Liga de aço
11Bucha de aço
2Liga de aço
12Pino rotativo
2Liga de aço
13*Anel de vedação
2Poliuretano
14*Disco de suporte
4P.T.F.E. carbo-graphite filled
15*O-ring do pistão
2Borracha nitrílica
16O-ring eixo superior
1FKM
17Anel de suporte externo
1Resina acetálica
18Arruela de regulagem de espessura
1Aço inoxidável
19Seeger
1Aço inoxidável
20Faixa de suporte inferior
1P.T.F.E. carbo-graphite filled
21O-ring do eixo inferior
1FKM
22*O-ring tampa
2Nitrilic rubber
23Parafusos
8Aço inoxidável
24Grão de ajuste
2Aço inoxidável
25O-ring de ajuste
2Borracha nitrílica
26Contraporca
2Aço inoxidável
27Flange de fixação
1Aço inoxidável
28Parafusos
4Aço inoxidável
29*O-ring tampa
4Nitrilic rubber
30Cilindro espaçador
2Aço inoxidável
31Mola
2Liga de aço
32Recipiente de mola
2Liga de alumínio
33Parafusos de pré-carga da mola
2Aço inoxidável
* Detalhes do kit de substituição

DIAGRAMA DE FUNCIONAMENTO DO ATUADOR PNEUMÁTICO DA

CAIXA DE SINALIZAÇÃO COM INTERRUPTOR DE LIMITE

OPERADOR MANUAL DE DESBLOQUEIO

ELETROVÁLVULAS NAMUR

ELETROVÁLVULAS

POSICIONADOR ELETROPNEUMÁTICO (SEGURANÇA INTRÍNSECA)

POSICIONADOR PNEUMÁTICO

INTERRUPTORES DE LIMITE DE PROXIMIDAD

INTERRUPTORES DE LIMITE ELETROMECÂNICOS

INTERRUPTORES DE LIMITE PNEUMÁTICOS

INTERRUPTORES DE LIMITE ANTIDEFLAGRANTES II2GD ExdIIC

SELEÇÃO TAMANHO
Selecionar os parâmetros de pesquisa
PESQUISA DE ITEM
X FECHAR

PRÓXIMO EVENTO

IVS - Industrial Valve Summit 2026
IVS - Industrial Valve Summit 2026
Bergamo, Italy, 19 - 21 may 2026