images/testate/lXaUfY_Template-Header-Sito-OMAL2560x768-AGO-ok.jpg

AGO 316 - DA aus Edelstahl 316 Stabstahl

  • vorteile
  • eigenschaften
  • abmessungen
  • werkstoffe
  • merkmale
  • zubehör
  • dokumente

1. Energieversorgte, selbstschmierende Dichtungs- und Gleitleisten
Weniger Reibung zwischen Kolben und Zylinder
Das Anhaften der Dichtung am Zylinder wird auch nach langen Standzeiten verhindert
 
2. Schlitz, Buchsen und Stifte mit härterem Stahl - Härte von über 50 HRC 
Größere Beständigkeit gegen die Kräfte innerhalb des Antriebs
 
3. Rollwiderstand zwischen Schlitz und Kolben 
Geringerer Abrieb
 
4. Kurbelschleife mit Rollwiderstand (Umwandlung der linearen in eine Drehbewegung mittels Kolben und Welle ohne Zahnräder)
Geringerer Verschleiß der Teile durch geringeren Abrieb zwischen Kolben und Welle
Verbessertes Drehmoment beim Öffnen und Schließen
Geringerer Platzbedarf im Vergleich zu Zahnstangenantrieben
Geringeres Gewicht im Vergleich zu Zahnstangenantrieben (-30% kg/Nm)  und somit Einsparungen bei Ausführung der Anlagenstruktur
Geringere Belastung des Kompressors bzw. Möglichkeit zur Nutzung eines Kompressors mit kleineren Abmessungen durch geringeren Luftverbrauch im Vergleich zu Zahnstangenantrieben (-40% Luft cm³/Nm doppeltwirkend und -20% Luft cm³/Nm einfachwirkend)
 
5. Rollenzylinder
Geringerer Verschleiß der energieversorgten Dichtungsleisten durch die geringe Rauheit der Oberfläche

6. Stainless Steel shaft
Higher corrosion resistance
 
Integrierter Anschluss für NAMUR-Magnetventile DAN15
Kein zusätzlicher Sockel erforderlich
 
Der gesamte Produktionsprozess erfolgt hausintern bei OMAL
Maximale Kontrolle in allen Verarbeitungsphasen
 
ATEX-Zertifikat
Ermöglicht die Installation in explosionsgefährdeten Umgebungen
 
Zertifikat bis SIL 3
Hohes funktionales Sicherheitsniveau garantiert

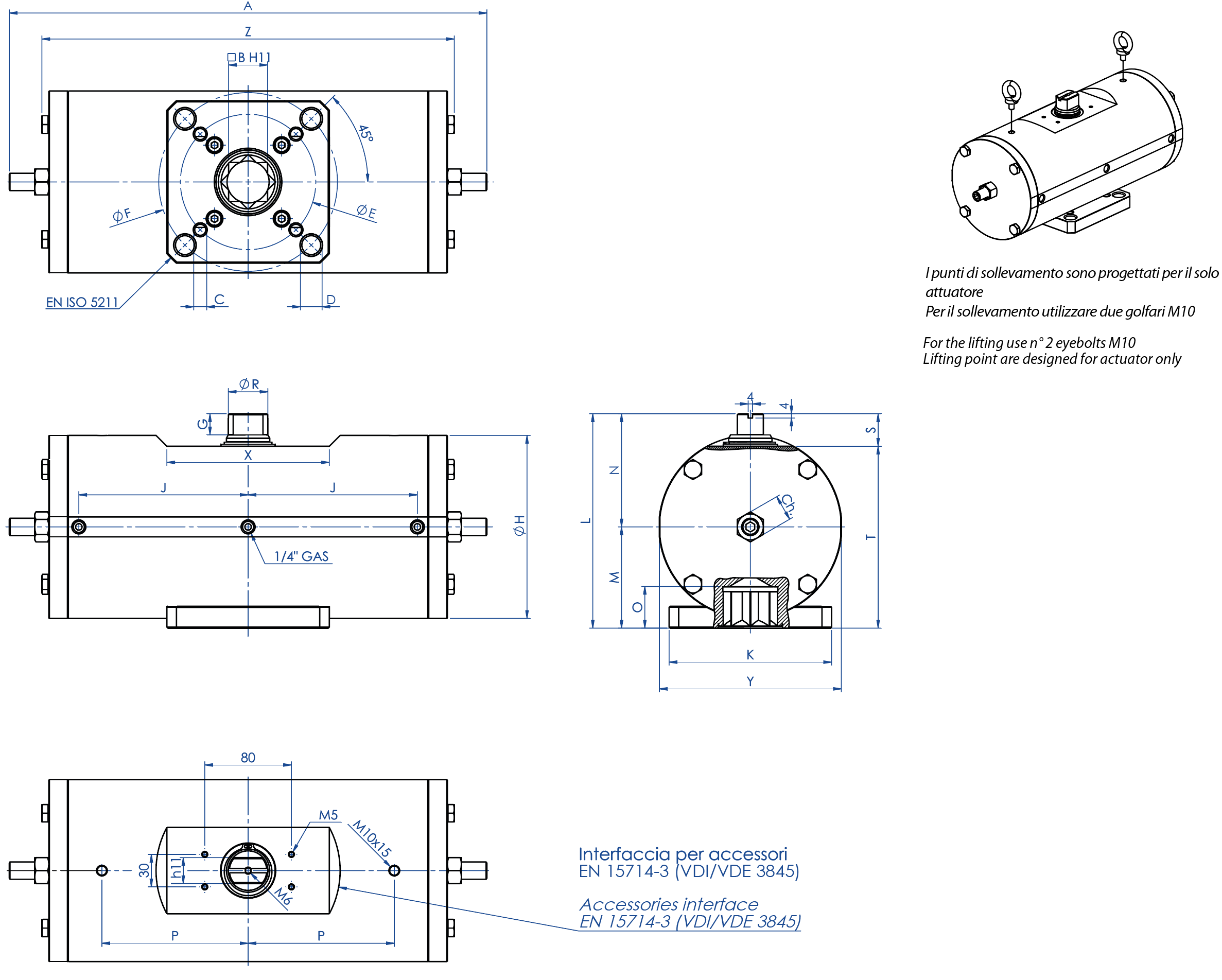
TECHNISCHE DATEN 
Drehmoment von 720 Nm bis 1920 Nm.
Flanschanschluss: EN ISO 5211
F10 - F12 - F14 - F16.
In Einklang mit der Norm EN 15714-3.
Schwenkwinkel: 92° (-1°, +91°)
Drehmoment: Direkt proportional zum Versorgungsdruck; siehe Tabelle pneumatische Stellantriebe DA Hauptkatalog.
Bei jedem Antrieb entspricht der Wert, der der Abkürzung DA folgt, dem Wert des Anlaufmoments in Nm, bei einem Druck von 5,6 bar.
ATEX-Ausführung gemäß der EU-Richtlinie 2014/34/EU. Für die ATEX-Ausführung YX am Ende der Artikelnummer hinzufügen.

BETRIEBSBEDINGUNGEN 
Betriebstemperatur: -20°C bis +80°C.
Nenndruck: 5,6 bar; maximaler Betriebsdruck 8,4 bar.
Versorgungsmedium: Trockene, gefilterte, nicht unbedingt geschmierte Druckluft. Verwenden Sie zum Schmieren kein reinigendes Öl, sondern solches, das mit NBR kompatibel ist.

TECHNISCHES DATENBLATT 

Artikelnummer
DA0720416S
DA0960416S
DA1440424S
DA1440416S
DA1920416S

Ersatzdichtungen
KGXI0023
KGXI0024
KGXI0025
KGXI0025
KGXI0026

BaugrößeDA0720
F10/F12

DA0960
F12/F16

DA1440
F12

DA1440
F14

DA1920
F12/F16


A
401,5
441
524,8
524,8
562

B
27
36
36
36
46

C x Tiefe
M10x11,5
M12x20
M12x18
M16x18
M12x23

D x Tiefe
M12x11,5
M20x20
-
-
M20x23

ØE
102
125
125
140
125

ØF
125
165
-
-
165

G
19,5
19,5
19,5
19,5
18,5

ØH
156
169
188
188
211

I
22
24
27
27
32

J
138,5
156,3
179,5
179,5
192

K
115
150
130
130
150

L
178
198
216
216
237,7

M
78,5
93,5
101,5
101,5
114,7

N
99,5
104,5
114,5
114,5
123

O
29,5
38,5
38,5
38,5
48,5

P
116
135
160
160
160

ØR
31,8
36,5
41
41
46

S
30
30
30
30
30

T
148
168
186
186
207,7

X
150
150
150
150
150

Y
155
168
187
187
209

Z
345,8
381
433,8
433,8
469

Ch
24
24
30
30
30

Gewicht (kg)
30
40
50,5
50,5
73

Luft (dm3/Zyklus) (l/Zyklus)
3,50
4,9
7,60
7,60
10,2


BESTANDTEILE EINFACH- UND DOPPELTWIRKENDER PNEUMATISCHER STELLANTRIEB 316 STABSTAHL

BESTANDTEILE EINFACH- UND DOPPELTWIRKENDER PNEUMATISCHER STELLANTRIEB 316 STABSTAHL
Pos
Bezeichnung
Menge
Werkstoffe
1
Zylinder
1
Edelstahl
2
Kolben
2
Aluminiumlegierung
3
Kappe
2
Edelstahl
4
Welle
1
Edelstahl
5
Gabel
1
Stahllegierung
6
Gleitbuchse
1
Acetalharz
7
Oberer Stützring
1
Acetalharz
8
Gleitbuchse
1
Acetalharz
9
Äußere Spannhülse
1
Stahllegierung
10
Innere Spannhülse
1
Stahllegierung
11
Stahlbuchse
2
Stahllegierung
12
Drehbolzen
2
Stahllegierung
13*
Dichtring
2
Polyuréthan
14*
Stützscheibe
4
P.T.F.E. carbo-graphite filled
15*
O-Ring Kolben
2
Nitrilkautschuk
16
O-Ring obere Welle
1
FKM
17
Äußerer Stützring
1
Acetalharz
18
Unterlegscheibe
1
Edelstahl
19
Seeger-Ring
1
Edelstahl
20
Untere Halterungsschelle
1
P.T.F.E. carbo-graphite filled
21
O-Ring untere Welle
1
FKM
22*
O-Ring Kappe
2
Nitrilic rubber
23
Schrauben
8
Edelstahl
24
Justierschraube
2
Edelstahl
25
O-Ring Justierung
2
Nitrilkautschuk
26
Gegenmutter
2
Edelstahl
27
Befestigungsflansch
1
Edelstahl
28
Schrauben
4
Edelstahl
29*
O-Ring Kappe
4
Nitrilic rubber
30
Distanzzylinder
2
Edelstahl
31
Feder
2
Stahllegierung
32
Federteller
2
Aluminiumlegierung
33
Federvorspannschrauben
2
Edelstahl
* Bestandteile des Ersatzkits

FUNKTIONSSCHEMA PNEUMATISCHER STELLANTRIEB „DA“

SIGNALMODUL MIT ENDSCHALTERN

MANUELLE ENTRIEGELUNG

MAGNETVENTILE NAMUR

MAGNETVENTILE

ELEKTROPNEUMATISCHER STELLUNGSREGLER (EIGENSICHERHEIT)

PNEUMATISCHER STELLUNGSREGLER

NÄHERUNGSSCHALTER

ELEKTROMECHANISCHE ENDSCHALTER

PNEUMATISCHE ENDSCHALTER

EXPLOSIONSSICHERE ENDSCHALTER II2GD ExdIIC

WÄHLE GRÖßE
Wählen Sie die Suchparameter
ARTIKEL SUCHEN
SCHLIESSEN

NÄCHSTES EVENT

IVS - Industrial Valve Summit 2026
IVS - Industrial Valve Summit 2026
Bergamo, Italy, 19 - 21 may 2026