images/testate/lXaUfY_Template-Header-Sito-OMAL2560x768-AGO-ok.jpg

AGO 316 - İnox 316 solid bar “DA” tipi

  • avantajları
  • özellikleri
  • boyutlar
  • malzemeler
  • özellikler
  • aksesuarlar
  • belgeler

1.Kendinden yağlamalı, enerjili sızdırmaz ve kayan bantlar
Piston ve silindir arasında daha az sürtünme
Conta uzun süre durduktan sonra bile silindire yapışması önlenir.

2.50 HRC'den büyük çelik sertliği olan yuvalar, burçlar ve soketler
 
 
Aktüatör içindeki mevcut kuvvetlere daha fazla mukavemet

3.Yiv ve piston arasındaki yuvarlanma sürtünmesi

Daha az sürtünme

4.Yuvarlanma sürtünmeli iskoç boyunduruğu (doğrusal hareketin bir piston ve dişlisiz mil vasıtasıyla döner harekete dönüşümü).

Piston ile mil arasında daha az sürtünme, parçalarda daha az aşınma
Açma ve kapama sırasında artan dönme momenti
Pinyon ve kremayer aktüatörlere nazaran daha küçük boyutlarda, dolayısıyla daha az alan gerektirir
Pinyon ve kremayer aktüatörlere nazaran daha az ağırlıkta (-30% Kg/Nm) ve bunun sonucunda tesisat yapımında tasarruf
Kompresörde daha düşük çalışma yükü veya kompresörün küçültülen boyutlarda kullanılması olasılığıyla pinyon ve kremayer aktüatörlere nazaran daha az hava tüketimi (% -40 hava cm3/Nm çift etkili ve %-20 hava cm3/Nm tek etkili)

5.Haddelenmiş silindir

Düşük yüzey pürüzlülüğü sayesinde enerjili bantlarda daha az aşınma

6. Stainless Steel shaft
Higher corrosion resistance

DAN15 ile entegre NAMUR solenoit vana arayüzü

İlave taban plakası gerektirmez

Üretim süreci tümüyle OMAL’de gerçekleşmektedir

Tüm işlem aşamalarında maksimum kontrol

ATEX
Sertifikası
Potansiyel olarak patlayıcı ortamlarda montaja olanak sağlar

SIL 3'e kadar sertifikalı

Yüksek düzeyde işlevsel güvenlik garantisi

TEKNİK BİLGİLER
720 Nm ile 1920 Nm arasında moment.
Bağlantı flanşı: EN ISO 5211
F10 - F12 - F14 - F16.
EN 15714-3 ile uyumludur.
Dönme açısı: 92° (-1°, +91°)
Dönme momenti: Besleme basıncı ile doğrudan orantılı; Genel katalog DA pnömatik aktüatörler tablosuna bakınız.
Her aktüatörde DA kısaltmasını takip eden simge 5.6 bar basınçta Nm cinsinden başlangıç torkunun değerine karşılık gelir.
2014/34 / EU direktifine uygun ATEX versiyonu. ATEX versiyonu için kodun sonuna YX ekleyin.

ÇALIŞMA KOŞULLARI

Sıcaklık: -20°C ile +80°C arası.
Nominal basınç: 5,6 bar; Maksimum çalışma 8.4 bar.
Besleme sıvısı: kuru olarak filtrelenmiş basınçlı yağlı ya da yağlı olmayan hava
Yağlama durumunda, deterjan içermeyen veya NBR uyumlu yağ kullanınız.

TEKNİK BİLGİ FORMU 

KodDA0720416S
DA0960416S
DA1440424S
DA1440416S
DA1920416S

Yedek contalarKGXI0023
KGXI0024
KGXI0025
KGXI0025
KGXI0026

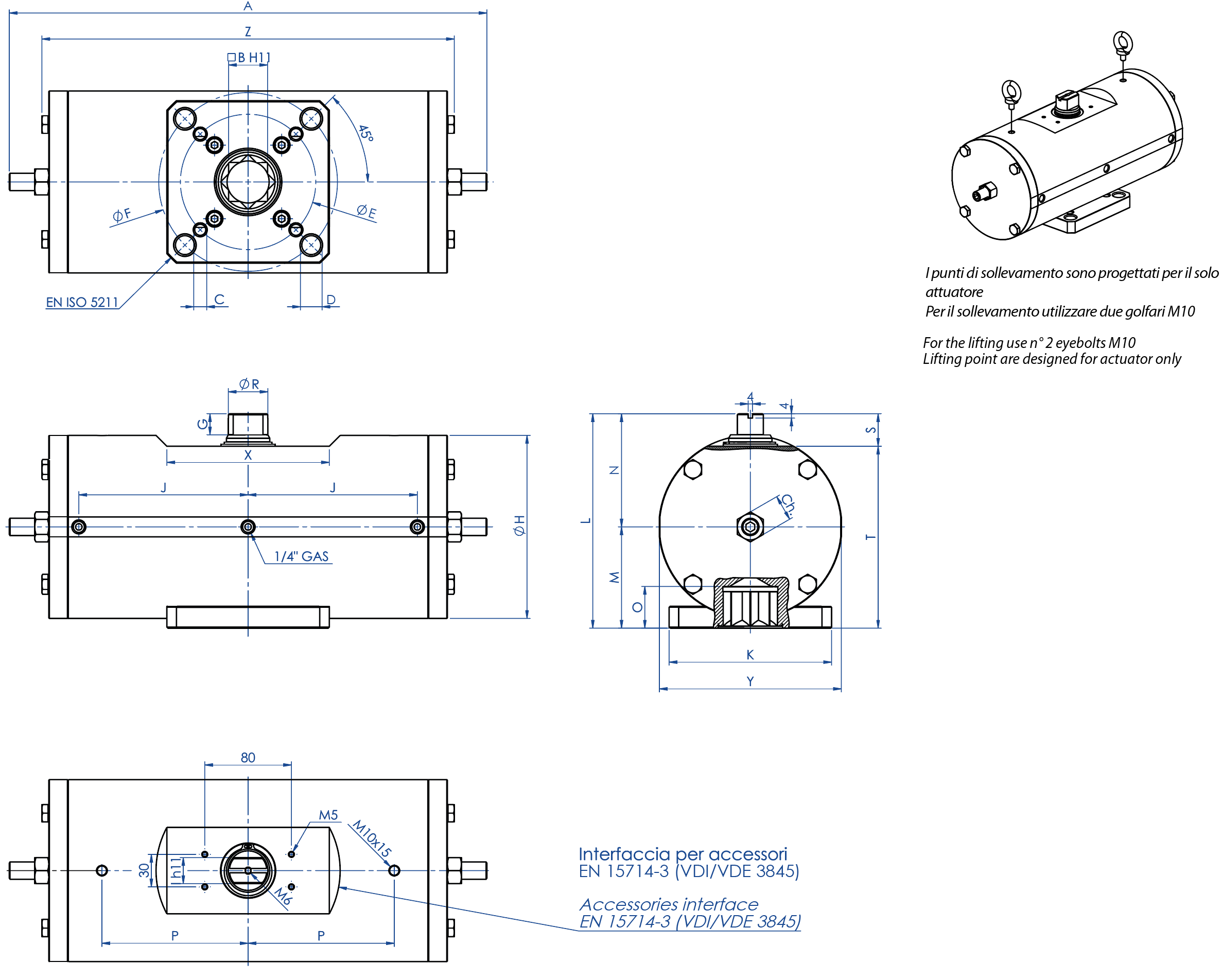
ÖlçüDA0720
F10/F12
DA0960
F12/F16
DA1440
F12
DA1440
F14
DA1920
F12/F16

A
401,5
441
524,8
524,8
562

B
27
36
36
36
46

C x derinlik
M10x11,5
M12x20
M12x18
M16x18
M12x23

D x derinlik
M12x11,5
M20x20
-
-
M20x23

ØE
102
125
125
140
125

ØF
125
165
-
-
165

G
19,5
19,5
19,5
19,5
18,5

ØH
156
169
188
188
211

I
22
24
27
27
32

J
138,5
156,3
179,5
179,5
192

K
115
150
130
130
150

L
178
198
216
216
237,7

M
78,5
93,5
101,5
101,5
114,7

N
99,5
104,5
114,5
114,5
123

O
29,5
38,5
38,5
38,5
48,5

P
116
135
160
160
160

ØR
31,8
36,5
41
41
46

S
30
30
30
30
30

T
148
168
186
186
207,7

X
150
150
150
150
150

Y
155
168
187
187
209

Z
345,8
381
433,8
433,8
469

Ch
24
24
30
30
30

Ağırlık (Kg)
30
40
50,5
50,5
73

Hava (dm3/devir) (l/cycle)
3,50
4,9
7,60
7,60
10,2

TEK VE ÇİFT ETKİLİ PNÖMATİK AKTÜATÖR BİLEŞENLERİ 316 ÇUBUK

TEK VE ÇİFT ETKİLİ PNÖMATİK AKTÜATÖR BİLEŞENLERİ 316 ÇUBUK
Poz.Adı:Q.tyMalzemeler
1Silindir1Paslanmaz çelik
2Piston2Alüminyum alaşımı
3Tapa2Paslanmaz çelik
4Mil1Paslanmaz çelik
5Çatal1Çelik alaşımı
6Kaydırma/destek burcu1Asetal reçine
7Üst destek halkası1Asetal reçine
8Kaydırma burcu1Asetal reçine
9Dış elastik soket1Çelik alaşımı
10İç elastik soket1Çelik alaşımı
11Çelik burç2Çelik alaşımı
12Döner pim2Çelik alaşımı
13*Sızdırmaz halkası2Poliüretan
14*Destek diski4P.T.F.E. carbo-graphite filled
15*Piston o-ringi2Nitrik kauçuk
16Üst mil o-ringi1FKM
17Dış destek halkası1Asetal reçine
18Şim pulu1Paslanmaz çelik
19Seeger1Paslanmaz çelik
20Alt destek kelepçesi1P.T.F.E. carbo-graphite filled
21Alt mil o-ringi1FKM
22*Tapa o-ringi2Nitrilic rubber
23Vidalar8Paslanmaz çelik
24Ayar pimi2Paslanmaz çelik
25Ayarlama o-ringi2Nitrik kauçuk
26Kilit somunu2Paslanmaz çelik
27Sabitleme flanşı1Paslanmaz çelik
28Vidalar4Paslanmaz çelik
29*Tapa o-ringi4Nitrilic rubber
30Ara silindir parçası2Paslanmaz çelik
31Yay2Çelik alaşımı
32Yay muhafazası2Alüminyum alaşımı
33Yay takılı vidalar2Paslanmaz çelik
* Yedek parça kitinin detayları.

“DA” PNÖMATİK AKTÜATÖR ÇALIŞMA ŞEMASI

LİMİT SVİÇLİ SİNYAL KUTUSU

MANÜEL KİLİT AÇMA İŞLEMCİSİ

SOLENOİT VANA NAMUR

SOLENOİT VANA

ELEKTROPNÖMATİK KONUMLANDIRICI (İNTRENSEK EMNİYET)

PNÖMATİK KONUMLANDIRICI

YAKINLIK LİMİT ANAHTARI

ELEKTROMEKANİK LİMİT ANAHTARI

PNÖMATİK LİMİT ANAHTARI

PATLAMAYA KARŞI SINIRLAYICI LİMİT ANAHTARI II2GD ExdIIC

SEÇİN BOYUT
Arama parametrelerini seçin
MAKALE ARAYIN
X KAPAT

GELECEK ETKİNLİK

IVS - Industrial Valve Summit 2026
IVS - Industrial Valve Summit 2026
Bergamo, Italy, 19 - 21 may 2026