images/testate/lXaUfY_Template-Header-Sito-OMAL2560x768-AGO-ok.jpg

AGO 316 - DA inox 316 à partir d’une barre

  • avantages
  • caractéristiques
  • dimensions
  • matériaux
  • spécifications
  • accessoires
  • documents

1. Bandes d'étanchéité et de glissement autolubrifiantes sous tension 
Frottement réduit entre le piston et le vérin
Évite que la garniture ne se colle au vérin, même après de longues périodes d’immobilisation

2. Fentes, douilles et goupilles en acier avec une dureté supérieure à 50 HRC
Plus grande résistance aux forces à l’intérieur de l'actionneur

3. Frottement de roulement entre la fente et le piston
Réduction du frottement

4. Bielle-manivelle avec frottement de roulement (transformation du mouvement linéaire en mouvement de rotation par piston et arbre sans engrenages).
Moins de frottement entre le piston et l'arbre, ce qui réduit l'usure des pièces
Moment de torsion accru en phase d’ouverture et fermeture
Encombrement réduit par rapport aux actionneurs à pignon et crémaillère, donc moins d'espace requis
Moins de poids par rapport aux actionneurs à pignon et crémaillère (-30 % Kg/Nm), ce qui entraîne des économies sur la construction de la structure de l'installation
Réduction de la consommation d'air par rapport aux actionneurs à pignon et crémaillère (-40 % air cm³/Nm double effet et -20 % air cm³/Nm simple effet) avec une charge de travail réduite du compresseur en conséquence ou possibilité d'utiliser un compresseur de dimensions réduites

5. Vérin laminé 
Usure moindre des bandes sous tension grâce à la faible rugosité de la surface

6. Stainless Steel shaft
Higher corrosion resistance

Plan de pose pour électrovannes NAMUR intégré par le DAN15
Ne nécessite aucune embase supplémentaire

Processus de production entièrement réalisé chez OMAL 
Contrôle maximum dans toutes les phases de d’usinage

Certificat ATEX 
Permet son installation en présence d'un milieu potentiellement explosif

Certifié jusqu'à SIL 3
Niveau élevé garanti de sécurité fonctionnelle

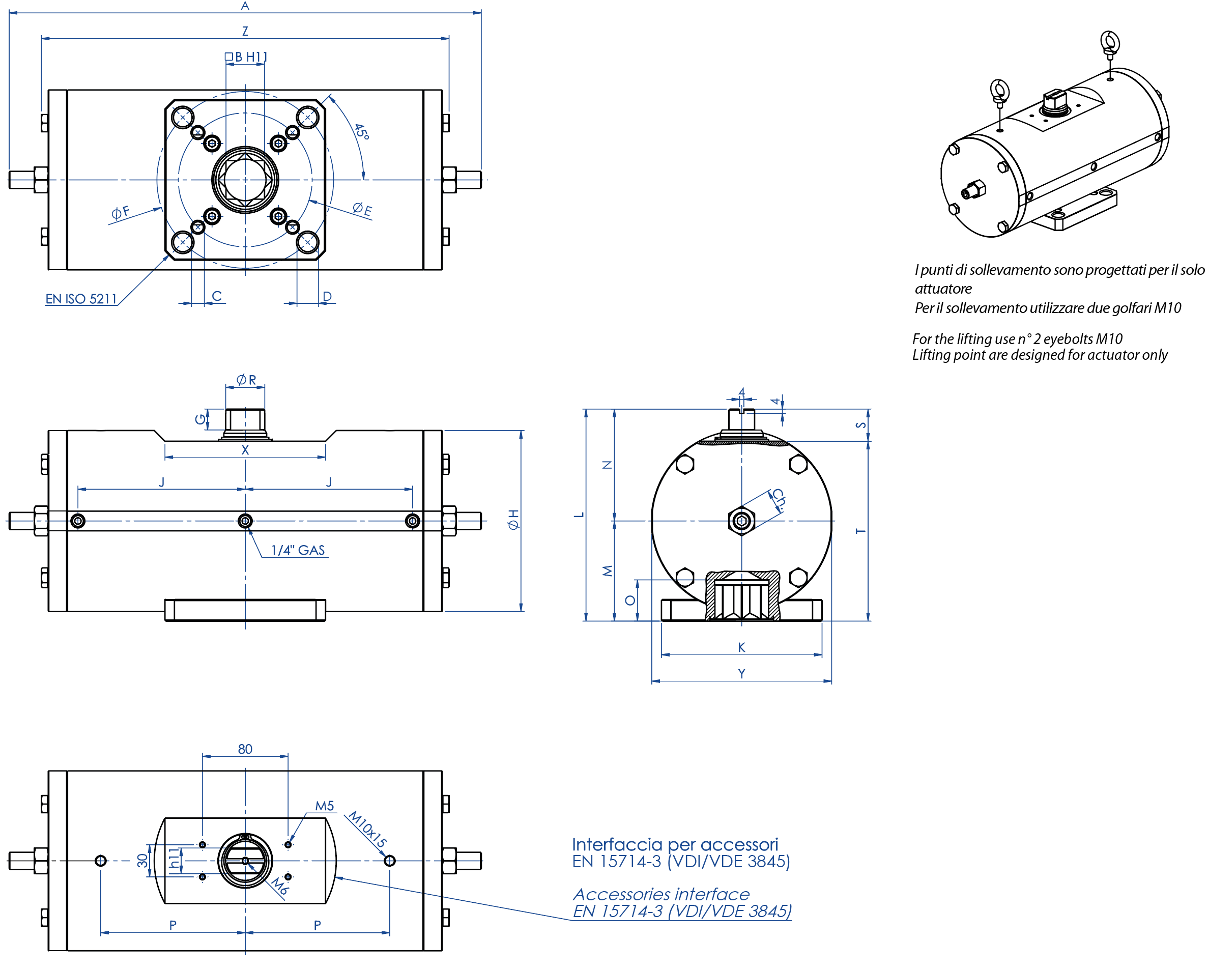
CARACTÉRISTIQUES TECHNIQUES 
Couple compris entre 720 Nm et 1920 Nm.
Bride de raccordement: EN ISO 5211
F10 - F12 - F14 - F16.
Conforme à la norme EN 15714-3.
Angle de rotation : 92° (-1°, +91°)
Moment de torsion: Directement proportionnel à la pression d'alimentation; voir tableau actionneurs pneumatiques DA catalogue général.
Dans chaque actionneur, le chiffre qui suit le sigle DA correspond à la valeur du couple de démarrage en Nm à une pression de 5,6 bar.
Version ATEX conformément à la directive 2014/34/UE. Pour la version ATEX, ajouter YX à la fin du code.

CONDITIONS DE FONCTIONNEMENT 
Température: de -20°C à +80°C.
Pression nominale: 5,6 bar; maximum de fonctionnement 8,4 bar.
Fluide d'alimentation: air comprimé filtré sec pas nécessairement lubrifié.
En cas de lubrification, utilisez une huile non détergente, compatible avec NBR.

FICHE TECHNIQUE  

Code
DA0720416S
DA0960416S
DA1440424S
DA1440416S
DA1920416S

Garnitures de rechange
KGXI0023
KGXI0024
KGXI0025
KGXI0025
KGXI0026

MesureDA0720
F10/F12

DA0960
F12/F16

DA1440
F12

DA1440
F14

DA1920
F12/F16


A
401,5
441
524,8
524,8
562

B
27
36
36
36
46

C x profondeur
M10x11,5
M12x20
M12x18
M16x18
M12x23

D x profondeur
M12x11,5
M20x20
-
-
M20x23

ØE
102
125
125
140
125

ØF
125
165
-
-
165

G
19,5
19,5
19,5
19,5
18,5

ØH
156
169
188
188
211

I
22
24
27
27
32

J
138,5
156,3
179,5
179,5
192

K
115
150
130
130
150

L
178
198
216
216
237,7

M
78,5
93,5
101,5
101,5
114,7

N
99,5
104,5
114,5
114,5
123

O
29,5
38,5
38,5
38,5
48,5

P
116
135
160
160
160

ØR
31,8
36,5
41
41
46

S
30
30
30
30
30

T
148
168
186
186
207,7

X
150
150
150
150
150

Y
155
168
187
187
209

Z
345,8
381
433,8
433,8
469

Ch
24
24
30
30
30

Poids (Kg)
30
40
50,5
50,5
73

Air (dm3/cycle) (l/cycle)
3,50
4,9
7,60
7,60
10,2


COMPOSANTS ACTIONNEUR PNEUMATIQUE DOUBLE ET SIMPLE EFFET 316 À PARTIR D'UNE BARRE

COMPOSANTS ACTIONNEUR PNEUMATIQUE DOUBLE ET SIMPLE EFFET 316 À PARTIR D'UNE BARRE
PosDésignation
Q.téMatériaux
1Vérin
1Acier inoxydable
2Piston2Alliage d'aluminium
3Bouchon2Acier inoxydable
4Arbre1Acier inoxydable
5Bielle-manivelle
1Alliage d'acier
6Douille guidage/support
1Résine acétal
7Bague de support sup.1Résine acétal
8Douille de guidage1Résine acétal
9Goupille élastique externe
1Alliage d'acier
10Goupille élastique interne
1Alliage d'acier
11Douille acier
2Alliage d'acier
12Axe Rotative2Alliage d'acier
13*Bague d'étanchéité
2Polyuréthane
14*Disque de support4P.T.F.E. carbo-graphite filled
15*Joint torique piston2Caoutchouc nitrile
16Joint torique arbre sup.1FKM
17Bague de support ext.
1Résine acétal
18Rondelle de calage
1Acier inoxydable
19Seeger1Acier inoxydable
20Bande supp. inf.1P.T.F.E. carbo-graphite filled
21Joint torique arbre inf.1FKM
22*Joint torique bouchon2Nitrilic rubber
23Vis8Acier inoxydable
24Vis sans tête de réglage
2Acier inoxydable
25Joint torique réglage2Caoutchouc nitrile
26Contre-écrou2Acier inoxydable
27Bride de fixation1Acier inoxydable
28Vis4Acier inoxydable
29*Joint torique bouchon4Nitrilic rubber
30Vérin espaceur
2Acier inoxydable
31Ressort
2Alliage d'acier
32Cuvette ressort2Alliage d'aluminium
33Vis de précontrainte du ressort
2Acier inoxydable
* Détails du kit des pièces de rechange

SCHÉMA DE FONCTIONNEMENT ACTIONNEUR PNEUMATIQUE “DA”

BOÎTIER DE SIGNALISATION AVEC FIN DE COURSE

COMMANDE MANUELLE DE DÉBLOCAGE

ÉLECTROVANNES NAMUR

ÉLECTROVANNES

POSITIONNEUR ÉLECTROPNEUMATIQUE (SÉCURITÉ INTRINSÈQUE)

POSITIONNEUR PNEUMATIQUE

FINS DE COURSE DE PROXIMITÉ

FINS DE COURSE ÉLECTROMÉCANIQUES

FINS DE COURSE PNEUMATIQUES

FINS DE COURSE ANTIDÉFLAGRANTS II2GD ExdIIC

SÉLECTIONNEZ TAILLE
Sélectionnez les paramètres de recherche
RECHERCHER UN ARTICLE
X FERMER

PROCHAIN ÉVÈNEMENT

IVS - Industrial Valve Summit 2026
IVS - Industrial Valve Summit 2026
Bergamo, Italy, 19 - 21 may 2026