images/testate/Template-Header-Sito-OMALBALLVALVES.jpg

Válvula a esfera SUPREME Trunnion

  • benefícios
  • características
  • dimensões
  • componentes
  • tamanho e acessórios
  • informação sobre acionamentos
  • documentos

DN ≤ 100 MEDIDA ≤ 4” – ANSI 150-300

1. Dispositivo antiestático (continuidade elétrica entre a esfera, a haste e o corpo)
São evitadas cargas eletrostáticas que podem causar ignição em ambientes inflamáveis e/ou explosivos
Segurança garantida do contato durante toda a vida útil da válvula

2. Anel antifricção duplo
Garante um menor torque de acionamento da válvula
Menor desgaste comparado com a execução com anel simples

3. Pacote de guarnições em "V" com 3 juntas e o-ring
Uma vedação perfeita é garantida mesmo após um número de ciclos elevado

4. Molas a prato na vedação da haste
Garantem a recuperação das folgas devido ao desgaste causado pelo movimento semi-rotativo do eixo evitando perdas para fora
Permitem manter energizadas as guarnições "chevron" (em V), evitando vazamentos para fora, diante de variações de temperatura consideráveis.

5. Vedação elastificada em grafite
Garante uma vedação para fora independentemente das variações de temperatura às quais a válvula está sujeita

Maior precisão no alinhamento dos eixos graças ao processamento do bruto ao acabado com um único posicionamento 
Maior vida útil da própria válvula
Menor torque de acionamento

Corpo da válvula em aço carbono feito com material normalizado certificado NACE em execução standard
Garante uma maior resistência à corrosão
Maior ductilidade do material

Processo de produção realizado inteiramente na OMAL
Controle máximo em todas as fases de processamentoPossibilidade de fornecer rapidamente execuções especiais exigidas pelo cliente

Certificado "Fire Safe"
Garante a vedação da válvula mesmo em caso de incêndio.

Certificado ATEX
Permite a instalação na presença de ambiente potencialmente explosivo

Certificação "TA LUFT fugitive emission"
Garante um alto grau de segurança da vedação da haste para o exterior

Certificado PED
Plena conformidade com as normas de segurança europeias para os dispositivos sob pressão

Certificados até SIL 3
Alto nível de segurança funcional

DN ≤ 100 MEDIDA ≤ 4” – ANSI ≥ 600

1. Anel antifricção duplo
Garante um menor torque de acionamento da válvula
Menor desgaste comparado com a execução com anel simples

2. Buchas duplas de guia esferas
O torque de torção da válvula diminui

Dispositivo antiestático (continuidade elétrica entre a esfera, a haste e o corpo)
São evitadas cargas eletrostáticas que podem causar ignição em ambientes inflamáveis e/ou explosivos
Segurança garantida do contato durante toda a vida útil da válvula

Vedação elastificada em grafite
Garante uma vedação para fora independentemente das variações de temperatura às quais a válvula está sujeita

Corpo da válvula em aço carbono feito com material normalizado certificado NACE em execução standard
Garante uma maior resistência à corrosão
Maior ductilidade do material

Certificado "Fire Safe"
Garante a vedação da válvula mesmo em caso de incêndio.

Certificado ATEX
Permite a instalação na presença de ambiente potencialmente explosivo

Certificado PED
Plena conformidade com as normas de segurança europeias para os dispositivos sob pressão

Certificados até SIL 3
Alto nível de segurança funcional

DN ≥ 150 MEDIDA ≥ 6”

1. Anel antifricção duplo
Garante um menor torque de acionamento da válvula
Menor desgaste comparado com a execução com anel simples

2. Buchas duplas de guia esferas
O torque de torção da válvula diminui

Dispositivo antiestático (continuidade elétrica entre a esfera, a haste e o corpo)
São evitadas cargas eletrostáticas que podem causar ignição em ambientes inflamáveis e/ou explosivos
Segurança garantida do contato durante toda a vida útil da válvula

Vedação elastificada em grafite
Garante uma vedação para fora independentemente das variações de temperatura às quais a válvula está sujeita

Corpo da válvula em aço carbono feito com material normalizado certificado NACE em execução standard
Garante uma maior resistência à corrosão
Maior ductilidade do material

Certificado "Fire Safe"
Garante a vedação da válvula mesmo em caso de incêndio.

Certificado ATEX
Permite a instalação na presença de ambiente potencialmente explosivo

Certificado PED
Plena conformidade com as normas de segurança europeias para os dispositivos sob pressão

Certificados até SIL 3
Alto nível de segurança funcional

Certificação "TA LUFT fugitive emission"
Garante um alto grau de segurança da vedação da haste para o exterior

EXECUÇÃO STANDARD
• Corpo em duas ou três peças
• Sedes de vedação resilientes
• Descarga automática da sobrepressão no corpo
• Double Block & Bleed
• Classes de pressão: ANSI 150÷ANSI 2500
• Aplicações: plantas químicas e petroquímicas, usinas de energia e outras aplicações na indústria de processos para líquidos, gases, vapor e hidrocarbonetos
• Haste anti-expulsão

EXECUÇÕES ESPECIAIS A PEDIDO 
• Efeito duplo pistão
• Materiais e execuções especiais em conformidade com as especificações do cliente.
• Marcação e certificado ATEX A PEDIDO

CERTIFICAÇÕES 
• Em conformidade com a Diretiva Europeia 2014/68/UE PED.
• Em conformidade com a Diretiva Europeia 2014/34/UE ATEX. (Certificado ATEX A PEDIDO).
• Nível de segurança funcional até SIL 3, em conformidade com a IEC 61508.
• FIRE SAFE EN ISO 10497- API607.
• Emissão fugitiva UNI EN ISO 15848.

STANDARD DE PROJETO
 
• ASME B16.34
• Extremidade: ASME B16.5 (RF-RTJ), ASME B16.25 (BW)
• Distanciamento: ASME B16.10
• Flange para a montagem do acionamento: ISO5211
• Design API 6D on request.

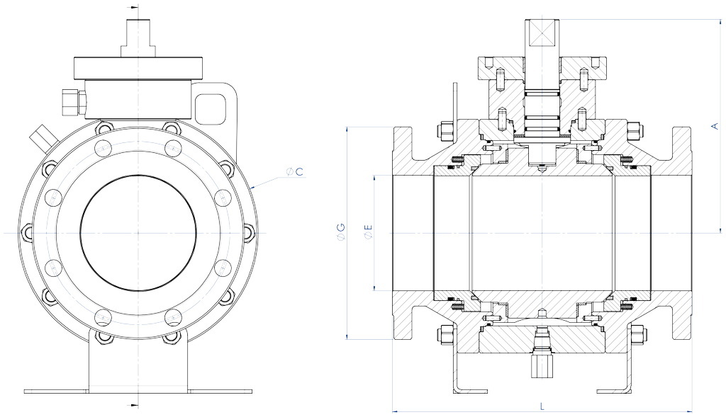
DN≤100 TAMANHO ≤4” ANSI 150-300

DN≤100 TAMANHO ≤4” ANSI ≥600

DN ≥150 TAMANHO ≥6”

ANSI 150DNTAMANHO
LØEØGAØC
502"1785115267*146*
803"2037619090190
1004"229102230111240
1506"394152280232316
2008"457203345286400
25010"533254408324475
30012"610305484355*580*
35014"686337536402*626*
40016"762386397441*700*
45018"864438636484*779*
50020"914489*694560*900*
60024"1067591*814620*1020*

ANSI 300DNTAMANHO
LØEØGAØC
502"2165116567*156*
803"2827621090200
1004"305102255111240
1506"403152320236324
2008"502203382286408
25010"568254446324475
30012"648305522355*580*
35014"762337585402*626*
40016"838386649504*770*
45018"914438712484*779*
50020"991489*776560*900*
60024"1143591*915620*1020*

ANSI 600DNTAMANHO
LØEØGAØC
502"29251165160*189*
803"35676210191210
1004"432102275218279
1506"559152355263355
2008"660203420304430
25010"787254510352520
30012"838305561402*620*
35014"889337604416*655*
40016"991386687450*730*
45018"1092438744515*810*
50020"1194489*814588*955*
60024"1397591*941645*1070*

ANSI 900DNTAMANHO
LØEØGAØC
502"36851215120*189*
803"38176242204240
1004"457102293218279
1506"610152382263355
2008"737203471304430
25010"838254547352520
30012"965305612452660
35014"1029322640460*700*
40016"1130373706485*760*

ANSI 1500DNTAMANHO
LØEØGAØC
502"36851215140*189*
803"47076268225270
1004"546102312240*300*
1506"705146395285*390*
2008"832192485340*460*
25010"991239585390*555*

ANSI 2500DNTAMANHO
LØEØGAØC
502"45142235160219
803"50863305241318
1004"67387357
253335
1506"914131485340500

* Cotas indicativas

  • DN≤100 SIZE ≤4” – ANSI 150-300
  • DN≤100 SIZE ≤4” – ANSI ≥600
  • DN ≥150 SIZE ≥6”

DN≤100 TAMANHO ≤4” – ANSI 150-300

1. Corpo
2. Terminale
3. Esfera
4. Haste
5. Sede
6. Porta sede
7. Cobertura inferior
8. O-ring do corpo
9. Guarnição do corpo
10. O-ring do porta sede
11. Anel anti-extrusão
12. Guarnição da sede
13. Mola de pré-carga a sede
14. Tirantes
15. Porcas
16. Anéis antifricção
17. O-ring da haste
18. Pacote de guarnições
19. Anel aperta guarnição
20. Molas prato
21. Porca da haste
22. Batente da porca
23. Parafusos da cobertura inferior
24. Guarnição da cobertura inferior
25. O-ring da cob inferior
26. Tampa

DN≤100 TAMANHO ≤4” – ANSI ≥600

1. Corpo
2. Terminal
3. Esfera
4. Haste
5. Sede
6. Porta sede
7. Cobertura superior
8. Flange
9. Cobertura inferior
10. Guarnição do corpo
11. O-ring do corpo
12. Mola do dispositivo antiestático
13. Mola de pré-carga da sede
14. Anel anti-extrusão
15. O-ring da sede
16. Guarnição da sede
17. Tirantes
18. Porcas
19. Bucha de esfera
20. Anel antifricção
21. O-ring da haste
22. O-ring da cobertura superior
23. Guarnição da cobertura superior
24. Pino de centralização
25. Guarnição fire safe/dispositivo antiestático
26. Parafusos da cobertura superior
27. Bucha da haste
28. Parafusos da flange
29. Pinos de centralização
30. Bucha de esfera
31. O-ring da cobertura inferior
32. Guarnição da cobertura inferior
33. Tirantes/parafusos da cobertura inferior
34. Porcas
35. Válvula de drenagem
36. Engraxador da haste
37. O-ring do engraxador/válvula de drenagem
38. Guarnição do engraxador/válvula de drenagem

DN ≥150 TAMANHO ≥6”

1.Corpo
2. Terminal
3. Esfera
4. Haste
5. Sede
6. Porta sede
7. Cobertura superior
8. Flange
9. Placas de suporte
10. Guarnição do corpo
11. O-ring do corpo
12. Mola de pré-carga da sede
13. O-ring do porta sede
14. Anel anti-extrusão
15. Guarnição porta sede
16. Tirantes
17. Porcas
18. Bucha de esfera
19. Esfera de pressão
20. Pino de centralização
21. Anéis antifricção
22. O-ring da cobertura superior
23. Guarnição da cobertura superior
24. O-ring da haste
25. Guarnição fire safe/dispositivo antiestático
26. Parafusos da cobertura superior
27. Bucha da haste
28. Parafusos da flange
29. Pino de centralização
30. Olhal de levantamento
31. Pés de suporte
32. Pino de centralização
33. Engraxador da haste
34. Válvula de drenagem
35. O-ring da válvula de drenagem/engraxador
36. Guarnição da válvula de drenagem/engraxador
37. Dispositivo antiestático

TAMANHO E ACESSÓRIOS

DN

50
80
x
65
80
100
x
80
100
150
x
100
150
200
x
150
200
250
x
200
250
300
x
250
300
350
x
250
350
400
x
300
400
450
x
350
450
500
x
400
500
600
x
500
600
TAMANHO

2"
3"
x
2"1/2
3"
4"
x
3"
4"
6"
x
4"
6"
8"
x
6"
8"
10"
x
8"
10"
12"
x
10"
12"
14"
x
10"
14"
16"
x
12"
16"
18"
x
14"
18"
20"
x
16"
20"
24"
x
20"
24"
ANSI 150
A























B























C























D























E























F
























ANSI 300
A























B























C























D























E























F
























ANSI 600
A























B























C























D























E























F
























ANSI 900
A























B























C























D























E























F
























ANSI 1500
A























B























C























D























E























F
























ANSI 2500
A























B























C























D























E























F
























A) Engraxador da haste
B) Tampa corpo/cobertura inferior
C) Válvula de drenagem corpo/cobertura inferior
D) Engraxador das sedes
E) Ranhuras de levantamento
F) Pés de suporte

ACESSÓRIOS

A. Engraxador da haste

B. Tampa corpo/cobertura inferior

C. Válvula de drenagem corpo/cobertura inferior

D. Engraxador da sede

Alavanca manual

Redutor manual

Atuador pneumático

Atuador pneumático com comando manual integrado

Atuador pneumático Heavy duty

X FECHAR

PRÓXIMO EVENTO

IVS - Industrial Valve Summit 2026
IVS - Industrial Valve Summit 2026
Bergamo, Italy, 19 - 21 may 2026