images/testate/Template-Header-Sito-OMALBALLVALVES.jpg

Küresel vana SUPREME Trunnion

  • faydaları
  • özellikleri
  • boyutlar
  • bileşenler
  • boyutlar ve aksesuarlar
  • işlem bilgisi
  • belgeler

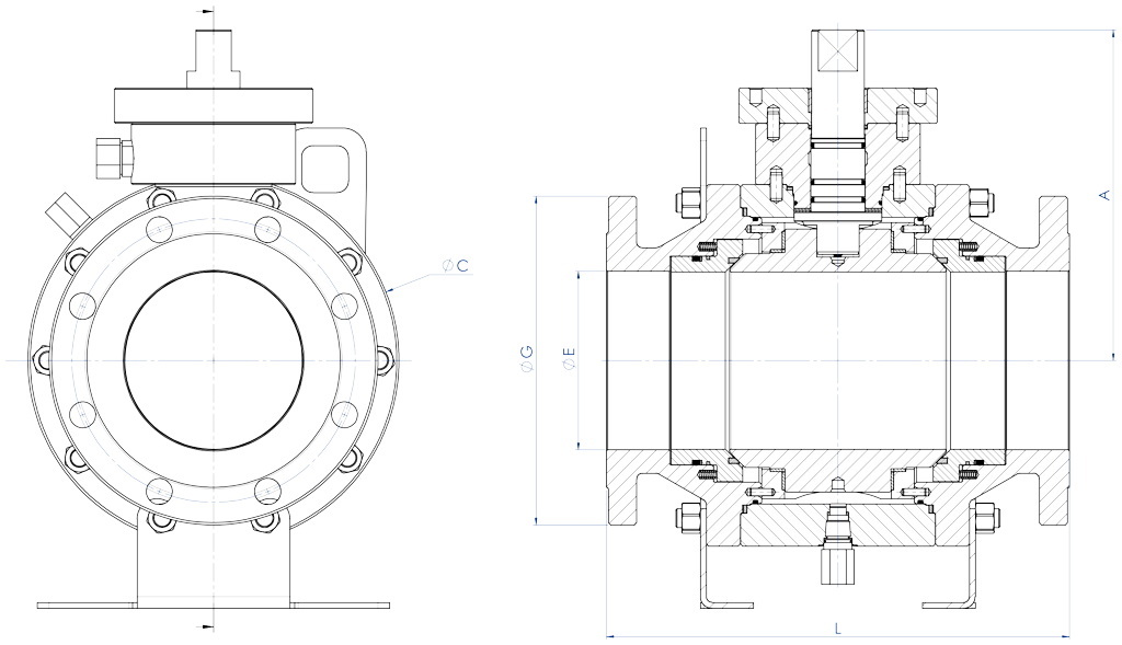
DN ≤ 100 BOYUT ≤ 4” – ANSI 150-300

1. Antistatik cihaz (bilye, sap ve gövde arasındaki elektriksel devamlılık) 
Yanıcı ve/veya patlayıcı ortamlarda tutuşmaya neden olabilecek elektrostatik şarjlar önlenir.  
Vananın kullanım ömrü boyunca garanti edilen temas güvenliği

2. Çift sürtünme önleyici halka

Daha düşük vana çalışma momenti sağlar  
Tek halkalı uygulama ile karşılaştırıldığında daha az aşınma

3. 3 contalı artı o-ringli "V” packing

Çok sayıdaki devir sonrası bile mükemmel bir sızdırmazlık sağlanır.

4. Sap contası üzerindeki çanak yaylar  
Milin yarım dönme hareketinin neden olduğu aşınma nedeniyle dışa doğru kaçak oluşumunu önleyerek boşlukların telafi edilmesini sağlarlar.  
Büyük çaptaki sıcaklık değişimleri karşısında dışa doğru kaçakları önleyen "chevron" tipi contaları (V-şekilli) enerjik olarak muhafaza olmasını sağlarlar.

5. Elastik grafitli conta

Vananın maruz kaldığı sıcaklık değişiklikleri ne olursa olsun dışarıya sızdırmazlığı garanti eder.

Kabadan bitmiş ürüne kadar tek bir yerleştirme ile işleme sayesinde eksenler hizasında daha fazla hassasiyet

Daha uzun vana ömrü
Daha az çalışma momenti

Standart uygulamada standardize edilmiş NACE sertifikalı malzemeden üretilen karbon çeliğinden vana gövdesi

Korozyona karşı daha fazla direnç sağlar  
Daha fazla fazla sünekliği

Üretim süreci tamamen OMAL’de gerçekleştirilmiştir
Tüm işlem aşamalarında maksimum kontrol  
Müşterinin talep ettiği özel uygulamaları hızlı bir şekilde tedarik etme imkanı

"Fire Safe" Sertifikası

Yangın durumunda bile vana sızdırmazlığı sağlar

ATEX
Sertifikası
Potansiyel olarak patlayıcı bulunan ortamlarda kuruluma olanak sağlar

"TA LUFT fugitive emission" sertifikası

Sap contasının dışa doğru yüksek derecede emniyetini sağlar

PED Sertifikası

Basınçlı cihazlar konusunda Avrupa güvenlik standartlarına tam uyum

SIL 3'e kadar sertifikalı

Yüksek düzeyde işlevsel güvenlik

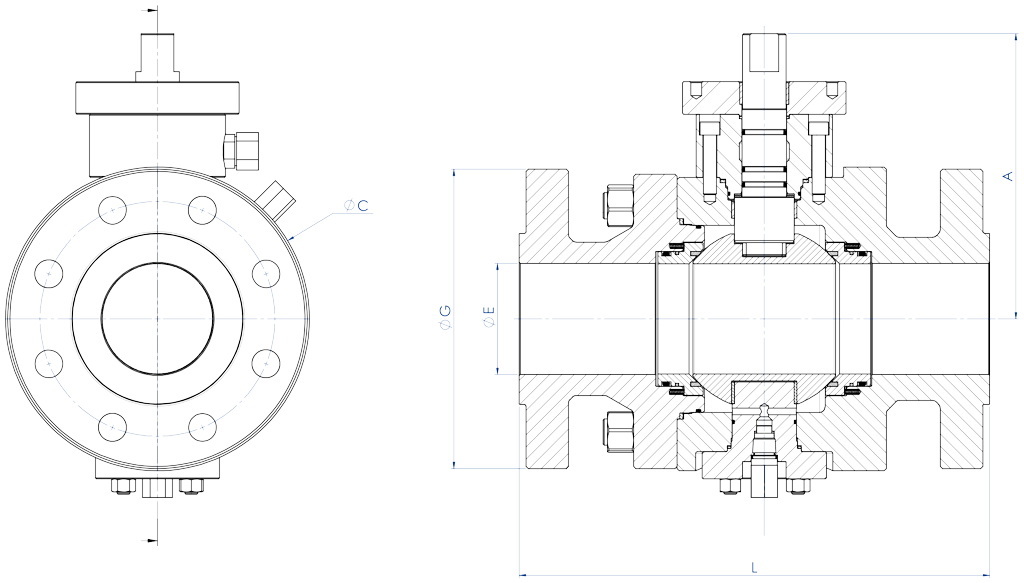
DN ≤ 100 BOYUT ≤ 4” – ANSI ≥ 600

1. Çift sürtünme önleyici halka
Daha düşük vana çalışma momenti sağlar  
Tek halkalı uygulama ile karşılaştırıldığında daha az aşınma

2. Çift bilyalı kılavuz burç
Valf momentini azalır

Antistatik cihaz (bilye, sap ve gövde arasındaki elektriksel devamlılık) 
Yanıcı ve/veya patlayıcı ortamlarda tutuşmaya neden olabilecek elektrostatik şarjlar önlenir.  
Vananın kullanım ömrü boyunca garanti edilen temas güvenliği

Elastik grafitli conta
Vananın maruz kaldığı sıcaklık değişiklikleri ne olursa olsun dışarıya sızdırmazlığı garanti eder.

Standart uygulamada standardize edilmiş NACE sertifikalı malzemeden üretilen karbon çeliğinden vana gövdesi
Korozyona karşı daha fazla direnç sağlar  
Daha fazla fazla sünekliği

"Fire Safe" Sertifikası
Yangın durumunda bile vana sızdırmazlığı sağlar

ATEX
Sertifikası
Potansiyel olarak patlayıcı bulunan ortamlarda kuruluma olanak sağlar

PED Sertifikası
Basınçlı cihazlar için Avrupa güvenlik standartlarına tam uyum

SIL 3’e kadar Sertifikalı

Yüksek düzeyde işlevsel güvenlik

DN ≥ 150 BOYUT ≥ 6”

1. Çift sürtünme önleyici halka
Daha düşük vana çalışma momenti sağlar  
Tek halkalı uygulama ile karşılaştırıldığında daha az aşınma

2. Çift bilyalı kılavuz burç
Valf momentini azalır

Antistatik cihaz (bilye, sap ve gövde arasındaki elektriksel devamlılık) 
Yanıcı ve/veya patlayıcı ortamlarda tutuşmaya neden olabilecek elektrostatik şarjlar önlenir.  
Vananın kullanım ömrü boyunca garanti edilen temas güvenliği

Elastik grafitli conta
Vananın maruz kaldığı sıcaklık değişiklikleri ne olursa olsun dışarıya sızdırmazlığı garanti eder.

Standart uygulamada standardize edilmiş NACE sertifikalı malzemeden üretilen karbon çeliğinden vana gövdesi
Korozyona karşı daha fazla direnç sağlar  
Daha fazla fazla sünekliği

"Fire Safe" Sertifikası
Yangın durumunda bile vana sızdırmazlığı sağlar

ATEX
Sertifikası
Potansiyel olarak patlayıcı bulunan ortamlarda kuruluma olanak sağlar

PED Sertifikası
Basınçlı cihazlar için Avrupa güvenlik standartlarına tam uyum

SIL 3’e kadar Sertifikalı

Yüksek düzeyde işlevsel güvenlik

"FUGITIVE EMISSION" sertifikası
Sap contasının dışa doğru yüksek derecede emniyetini sağlar

STANDART UYGULAMA
• İki veya üç parçalı gövde
• Esnek sızdırmazlık yuvaları
• Gövdedeki aşırı basıncın otomatikman boşaltılması
• Çift blok ve taşma
• Basınç sınıfları ANSI 150÷ANSI 2500
• Uygulamalar: sıvı, gaz, buhar ve hidrokarbonlar için kimyasal ve petrokimya tesisleri, enerji santralleri ve proses sanayiindeki diğer uygulamalar
• Çıkarma önleyici sap

İSTEĞE GÖRE ÖZEL UYGULAMALAR

• Çift piston etkisi
• Müşteri isteğine göre özel malzemeler ve uygulamalar.
• İSTEĞE göre markalama ve ATEX sertifikası

SERTİFİKALAR

• 4/68/EU PED Avrupa Direktifine uygundur.
• Avrupa Direktifi 2014/34/UE ATEX’e uygundur. (İSTEĞE GÖRE ATEX sertifikası)
• IEC 61508'e göre SIL 3'e kadar işlevsel güvenlik seviyesi.
• YANGIN GÜVENLİĞİ EN ISO 10497- API607.
• Kaçak Emisyon UNI EN ISO 15848.

PROJE STANDARTLARI

• ASME B16.34
• Uç: ASME B16.5 (RF-RTJ), ASME B16.25 (BW)
• Ölçü: ASME B16.10
• Tahrik tertibatı için flanş: ISO5211
• Design API 6D on request.

DN≤100 BOYUT ≤4” ANSI 150-300

DN≤100 BOYUT ≤4” ANSI ≥600

DN ≥150 BOYUT ≥6”

ANSI 150DNBOYUT
LØEØGAØC
502"1785115267*146*
803"2037619090190
1004"229102230111240
1506"394152280232316
2008"457203345286400
25010"533254408324475
30012"610305484355*580*
35014"686337536402*626*
40016"762386397441*700*
45018"864438636484*779*
50020"914489*694560*900*
60024"1067591*814620*1020*

ANSI 300DNBoyut
LØEØGAØC
502"2165116567*156*
803"2827621090200
1004"305102255111240
1506"403152320236324
2008"502203382286408
25010"568254446324475
30012"648305522355*580*
35014"762337585402*626*
40016"838386649504*770*
45018"914438712484*779*
50020"991489*776560*900*
60024"1143591*915620*1020*

ANSI 600DNBoyut
LØEØGAØC
502"29251165160*189*
803"35676210191210
1004"432102275218279
1506"559152355263355
2008"660203420304430
25010"787254510352520
30012"838305561402*620*
35014"889337604416*655*
40016"991386687450*730*
45018"1092438744515*810*
50020"1194489*814588*955*
60024"1397591*941645*1070*

ANSI 900DNBoyut
LØEØGAØC
502"36851215120*189*
803"38176242204240
1004"457102293218279
1506"610152382263355
2008"737203471304430
25010"838254547352520
30012"965305612452660
35014"1029322640460*700*
40016"1130373706485*760*

ANSI 1500DNBoyutLØEØGAØC
502"36851215140*189*
803"47076268225270
1004"546102312240*300*
1506"705146395285*390*
2008"832192485340*460*
25010"991239585390*555*

ANSI 2500DNBoyutLØEØGAØC
502"45142235160219
803"50863305241318
1004"67387357
253335
1506"914131485340500

* Gösterge oranları

  • DN≤100 BOYUT ≤4” – ANSI 150-300
  • DN≤100 BOYUT ≤4” – ANSI ≥600
  • DN ≥150 BOYUT ≥6”

DN≤100 BOYUT ≤4” ANSI 150-300

1. Gövde
2. Terminal
3. Bilye
4. Sap
5. Yuva
6. Yuva portu
7. Alt kapak
8. Gövde O-ringi
9. Gövde contası
10. Yuva portu O-ringi
11. Anti-ekstrüzyon halkası
12. Yuva contası
13. Yuva ön yükleme yayları
14. Bağlantı çubukları
15. Somunlar
16. Sürtünme önleyici halkalar
17. Sap O-ringi
18. Packing contalar
19. Packing conta halkası
20. Çanak yaylar
21. Sap somunu
22. Somun durdurucusu
23. Alt kapak vidaları
24. Alt kapak contası
25. Alt kapak o-ringi
26. Tapa

DN≤100 BOYUT ≤4” ANSI ≥600

1. Gövde
2. Terminal
3. Bilye
4. Sap
5. Yuva
6. Yuva portu
7. Üst kapak
8. Flanş
9. Alt kapak
10. Gövde contası
11. Gövde O-ringi
12. Antistatik cihaz yayı
13. Yuva ön yükleme yayları
14. Antiektrüzyon halkası
15. Yuva O-ringi
16. Yuva contası
17. Bağlantı çubukları
18. Somunlar
19. Küre burç
20. Sürtünme önleyici halka
21. Sap O-ringi
22. Üst kapak o-ringi
23. Üst kapak contası
24. Merkezleme pimi
25. Yangın güvenliği contası/antistatik cihaz
26. Üst kapak vidaları
27. Sap burcu
28. Flanş vidaları
29. Merkezleme pimi
30. Küresel burç
31. Alt kapak o-ringi
32. Alt kapak contası
33. Bağlantı çubukları/alt kapak vidaları
34. Somunlar
35. Boşaltma vanası
36. Sap gresleyici
37. Gresleyici o-ringi/Boşaltma vanası
38. Gresleyici contası/boşaltma vanası

DN ≥150 BOYUT ≥6”

1.Gövde
2. Terminal
3. Bilye
4. Sap
5. Yuva
6. Yuva portu
7. Üst kapak
8. Flanş
9. Destek plakaları
10. Gövde contası
11. Gövde O-ringi
12. Yuva önyükleme yayları
13. Yuva portu o-ringi
14. Antiekstrüzyon halkası
15. Yuva portu contası
16. Bağlantı çubukları
17. Somunlar
18. Küresel burç
19. Küresel beşinci teker
20. Merkezleme pimi
21. Sürtünme önleyici halkalar
22. Üst kapak o-ringi
23. Üst kapak contası
24. Sap o-ringi
25. Yangın güvenliği contası/antistatik cihaz
26. Üst kapak vidaları
27. Sap burcu
28. Flanş vidaları
29. Merkezleme pimi
30. Kaldırma delikleri
31. Destek ayakları
32. Merkezleme pimi
33. Sap gresleyicisi
34. Boşaltma vanası
35. Boşaltma vanası o-ringi/gresleyici
36. Boşaltma vanası contası/gresleyici
37. Antistatik cihaz

BOYUTLAR VE AKSESUARLAR

DN

50
80
x
65
80
100
x
80
100
150
x
100
150
200
x
150
200
250
x
200
250
300
x
250
300
350
x
250
350
400
x
300
400
450
x
350
450
500
x
400
500
600
x
500
600
BOYUT

2"
3"
x
2"1/2
3"
4"
x
3"
4"
6"
x
4"
6"
8"
x
6"
8"
10"
x
8"
10"
12"
x
10"
12"
14"
x
10"
14"
16"
x
12"
16"
18"
x
14"
18"
20"
x
16"
20"
24"
x
20"
24"
ANSI 150
A























B























C























D























E























F
























ANSI 300
A























B























C























D























E























F
























ANSI 600
A























B























C























D























E























F
























ANSI 900
A























B























C























D























E























F
























ANSI 1500
A























B























C























D























E























F
























ANSI 2500
A























B























C























D























E























F
























A) Sap gresleyicisi
B) Gövde tapası/alt kapak
C)Gövde boşaltma vanası
D) Yuva gresleyicisi
E) Kaldırma delikleri
F) Destek ayakları

AKSESUARLAR

A. Sap gresleyici

B.Gövde tapası / Alt kapak

C.Gövde boşaltma vanası / alt kapak

D. Yuva gresleyicisi

Manüel kol

Manüel ridüktör

Pnömatik aktüatör

Manüel entegre kumandalı pnömatik aktüatör

Pnömatik aktüatör Heavy duty

X KAPAT

GELECEK ETKİNLİK

IVS - Industrial Valve Summit 2026
IVS - Industrial Valve Summit 2026
Bergamo, Italy, 19 - 21 may 2026