images/testate/Template-Header-Sito-OMALBALLVALVES.jpg

Válvula de bola SUPREME Trunnion

  • ventajas
  • características
  • dimensiones
  • componentes
  • tamaños y accesorios
  • info accionamientos
  • documentos

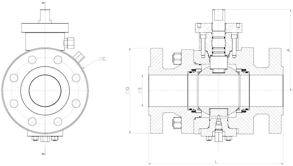
DN ≤ 100 MEDIDA ≤ 4” – ANSI 150-300

1. Dispositivo antiestático (continuidad eléctrica entre la bola, el vástago y el cuerpo)
Se evita cargas electroestáticas que podrían provocar ignición en entornos inflamables y/o explosivos
Seguridad garantizada de contacto durante toda la vida útil de la válvula

2. Doble anillo antifricción        
Garantiza un menor par de accionamiento de la válvula
Menor desgaste con respecto a la ejecución un un solo anillo

3. Paquete de juntas en "V" con 3 juntas más la junta tórica
Se garantiza un perfecto sellado incluso tras un número elevado de ciclos

4. Arandelas Belevilles en la junta de retención del vástago
Garantizan la recuperación de los juegos debido al desgaste provocado por el movimiento semirotatorio del eje evitando pérdidas hacia el exterior
Permite mantener energizadas las juntas tipo "chevron" (en V), evitando pérdidas hacia el exterior, ante variaciones térmicas considerables

5. Junta de retención elasticizada en grafito
Garantiza un sellado hacia el exterior independientemente de las variaciones térmicas a las que está sometida la válvula

Mayor precisión en la alineación de los ejes gracias a la fabricación desde el bruto hasta el acabado con un solo posicionamiento
Mayor vida útil de la válvula
Menor par de accionamiento

Cuerpo de la válvula en acero al carbono realizado con material normalizado certificado NACE en ejecución estándar
Garantiza una mayor resistencia a la corrosión
Mayor ductilidad del material

Proceso productivo realizado íntegramente en OMAL
Máximo control en todas las fases de elaboración
Posibilidad de proporcionar rápidamente ejecuciones especiales solicitadas por el cliente

Certificado "Fire Safe"
Garantiza el sellado de la válvula incluso en caso de incendio

Certificado ATEX
Permite la instalación en presencia de entornos potencialmente explosivos

Certificación "TA LUFT fugitive emission"
Garantiza un elevado grado de seguridad del sellado del vástago hacia el exterior

Certificado PED
Cumplimiento total de las normas de seguridad europeas para dispositivos presurizados

Certificado hasta SIL 3
Alto nivel de seguridad funcional

DN ≤ 100 MEDIDA ≤ 4” – ANSI ≥ 600

1. Doble anillo antifricción       
Garantiza un menor par de accionamiento de la válvula
Menor desgaste con respecto a la ejecución un un solo anillo

2. Doble boquilla de guía de la bola
Disminuye el par de torsión de la válvula

Dispositivo antiestático (continuidad eléctrica entre la bola, el vástago y el cuerpo)
Se evita cargas electroestáticas que podrían provocar ignición en entornos inflamables y/o explosivos
Seguridad garantizada de contacto durante toda la vida útil de la válvula

Junta de retención elasticizada en grafito
Garantiza un sellado hacia el exterior independientemente de las variaciones térmicas a las que está sometida la válvula

Cuerpo de la válvula en acero al carbono realizado con material normalizado certificado NACE en ejecución estándar
Garantiza una mayor resistencia a la corrosión
Mayor ductilidad del material

Certificado "Fire Safe"
Garantiza el sellado de la válvula incluso en caso de incendio

Certificado ATEX
Permite la instalación en presencia de entornos potencialmente explosivos

Certificado PED
Cumplimiento total de las normas de seguridad europeas para dispositivos presurizados

Certificado hasta SIL 3
Alto nivel de seguridad funcional

DN ≥ 150 MEDIDA ≥ 6”

1 Doble anillo antifricción         
Garantiza un menor par de accionamiento de la válvula
Menor desgaste con respecto a la ejecución un un solo anillo

2. Doble boquilla de guía de la bola
Disminuye el par de torsión de la válvula

Dispositivo antiestático (continuidad eléctrica entre la bola, el vástago y el cuerpo)
Se evita cargas electroestáticas que podrían provocar ignición en entornos inflamables y/o explosivos
Seguridad garantizada de contacto durante toda la vida útil de la válvula

Junta de retención elasticizada en grafito
Garantiza un sellado hacia el exterior independientemente de las variaciones térmicas a las que está sometida la válvula

Cuerpo de la válvula en acero al carbono realizado con material normalizado certificado NACE en ejecución estándar
Garantiza una mayor resistencia a la corrosión
Mayor ductilidad del material

Certificado "Fire Safe"
Garantiza el sellado de la válvula incluso en caso de incendio

Certificado ATEX
Permite la instalación en presencia de entornos potencialmente explosivos

Certificado PED
Cumplimiento total de las normas de seguridad europeas para dispositivos presurizados

Certificado hasta SIL 3
Alto nivel de seguridad funcional

Certificación "TA LUFT fugitive emission"
Garantiza un elevado grado de seguridad del sellado del vástago hacia el exterior

EJECUCIÓN ESTÁNDAR
• Cuerpo en dos o tres piezas
• Asientos de sellado resistentes
• Descarga automática de la sobrepresión en el cuerpo
• Doble bloqueo y purga
• Clases de presión: ANSI 150÷ANSI 2500
• Aplicaciones: sistemas químicos y petroquímicos, centrales eléctricas y otras aplicaciones en la industria de proceso para líquidos, gases, vapores e hidrocarburos
• Vástago antiexpulsión

EJECUCIONES ESPECIALES BAJO PEDIDO
• Doble efecto del pistón
• Materiales y ejecuciones especiales de acuerdo con las especificaciones del cliente.
• Marcado y certificado ATEX BAJO PEDIDO

CERTIFICACIONES
• Cumple con la Directiva Europea 2014/68/UE PED.
• Cumple con la Directiva Europea 2014/34/UE ATEX. (certificado ATEX BAJO PEDIDO).
• Nivel de seguridad funcional hasta SIL 3 de acuerdo con IEC 61508.
• FIRE SAFE EN ISO 10497- API607.
• Emisiones fugitivas UNI EN ISO 15848.

NORMAS DEL PROYECTO
• ASME B16.34
• Extremo: ASME B16.5 (RF-RTJ), ASME B16.25 (BW)
• Calibre: ASME B16.10
• Brida para el montaje accionamiento: ISO5211
• Design API 6D on request.

DN≤100 MEDIDA ≤4” ANSI 150-300

DN≤100 MEDIDA ≤4” ANSI ≥600

DN ≥150 MEDIDA ≥6”

ANSI 150DNTAMAÑO
LØEØGAØC
502"1785115267*146*
803"2037619090190
1004"229102230111240
1506"394152280232316
2008"457203345286400
25010"533254408324475
30012"610305484355*580*
35014"686337536402*626*
40016"762386397441*700*
45018"864438636484*779*
50020"914489*694560*900*
60024"1067591*814620*1020*

ANSI 300DNTAMAÑO
LØEØGAØC
502"2165116567*156*
803"2827621090200
1004"305102255111240
1506"403152320236324
2008"502203382286408
25010"568254446324475
30012"648305522355*580*
35014"762337585402*626*
40016"838386649504*770*
45018"914438712484*779*
50020"991489*776560*900*
60024"1143591*915620*1020*

ANSI 600DNTAMAÑO
LØEØGAØC
502"29251165160*189*
803"35676210191210
1004"432102275218279
1506"559152355263355
2008"660203420304430
25010"787254510352520
30012"838305561402*620*
35014"889337604416*655*
40016"991386687450*730*
45018"1092438744515*810*
50020"1194489*814588*955*
60024"1397591*941645*1070*

ANSI 900DNTAMAÑO
LØEØGAØC
502"36851215120*189*
803"38176242204240
1004"457102293218279
1506"610152382263355
2008"737203471304430
25010"838254547352520
30012"965305612452660
35014"1029322640460*700*
40016"1130373706485*760*

ANSI 1500DNTAMAÑO
LØEØGAØC
502"36851215140*189*
803"47076268225270
1004"546102312240*300*
1506"705146395285*390*
2008"832192485340*460*
25010"991239585390*555*

ANSI 2500DNTAMAÑOLØEØGAØC
502"45142235160219
803"50863305241318
1004"67387357
253335
1506"914131485340500

* Dimensiones indicativas

  • DN≤100 MEDIDA ≤4” – ANSI 150-300
  • DN≤100 MEDIDA ≤4” – ANSI ≥600
  • DN ≥150 MEDIDA ≥6”

DN≤100 MEDIDA ≤4” – ANSI 150-300

1. Cuerpo
2. Terminal
3. Bola
4. Vástago
5. Asiento
6. Porta asiento
7. Tapa inferior
8. Junta tórica del cuerpo
9. Junta del cuerpo
10. Junta tórica porta asiento
11. Anillo antiextrusión
12. Junta asiento
13. Muelles precarga asiento
14. Tirantes
15. Tuercas
16. Anillos antifricción
17. Junta tórica del vástago
18. Paquete juntas
19. Anillo prensajuntas
20. Arandelas Belevilles
21. Tuerca para vástago
22. Retención tuerca
23. Tornillos tapa inferior
24. Junta Tapa inferior
25. Junta tórica tapa inferior
26. Tapón

DN≤100 MEDIDA ≤4” – ANSI ≥600

1. Cuerpo
2. Terminal
3. Bola
4. Vástago
5. Asiento
6. Porta asiento
7. Tapa superior
8. Brida
9. Tapa inferior
10. Junta del cuerpo
11. Junta tórica del cuerpo
12. Muelle dispositivo antiestático
13. Muelles precarga asiento
14. Anillo antiextrusión
15. Junta tórica asiento
16. Junta asiento
17. Tirantes
18. Tuercas
19. Casquillo bola
20. Anillo antifricción
21. Junta tórica del vástago
22. Junta tórica tapa superior
23. Junta tapa superior
24. Pasador centrado
25. Junta fire safe/dispositivo antiestático
26. Tornillos de la tapa superior
27. Casquillo vástago
28. Tornillos brida
29. Pasadores centrado
30. Casquillo bola
31. Junta tórica tapa inferior
32. Junta Tapa inferior
33. Tirantes/tornillos tapa inferior
34. Tuercas
35. Válvula de drenaje
36. Engrasador vástago
37. Junta tórica engrasador/válvula de drenaje
38. Junta engrasador/válvula de drenaje

DN ≥150 MEDIDA ≥6”

1.Cuerpo
2. Terminal
3. Bola
4. Vástago
5. Asiento
6. Porta asiento
7. Tapa superior
8. Brida
9. Placas de soporte
10. Junta del cuerpo
11. Junta tórica del cuerpo
12. Muelles precarga asiento
13. Junta tórica porta asiento
14. Anillo antiextrusión
15. Junta porta asiento
16. Tirantes
17. Tuercas
18. Casquillo bola
19. Gancho bola
20. Pasadores centrado
21. Anillos antifricción
22. Junta tórica tapa superior
23. Junta tapa superior
24. Junta tórica del vástago
25. Junta fire safe/dispositivo antiestático
26. Tornillos de la tapa superior
27. Casquillo vástago
28. Tornillos brida
29. Pasadores centrado
30. Ojete de elevación
31. Patas de apoyo
32. Pasadores centrado
33. Engrasador vástago
34. Válvula de drenaje
35. Junta tórica válvula drenaje/engrasador
36. Junta válvula drenaje/engrasador
37. Dispositivo antiestático

Tamaños y Accesorios

DN

50
80
x
65
80
100
x
80
100
150
x
100
150
200
x
150
200
250
x
200
250
300
x
250
300
350
x
250
350
400
x
300
400
450
x
350
450
500
x
400
500
600
x
500
600
TAMAÑO

2"
3"
x
2"1/2
3"
4"
x
3"
4"
6"
x
4"
6"
8"
x
6"
8"
10"
x
8"
10"
12"
x
10"
12"
14"
x
10"
14"
16"
x
12"
16"
18"
x
14"
18"
20"
x
16"
20"
24"
x
20"
24"
ANSI 150
A























B























C























D























E























F
























ANSI 300
A























B























C























D























E























F
























ANSI 600
A























B























C























D























E























F
























ANSI 900
A























B























C























D























E























F
























ANSI 1500
A























B























C























D























E























F
























ANSI 2500
A























B























C























D























E























F
























A) Engrasador vástago
B) Tapón cuerpo/tapa inferior
C) Válvula de drenaje cuerpo/tapa inferior
D) Engrasador asientos
E) Ojete de elevación
F) Patas de apoyo

ACCESORIOS

A. Engrasador vástago

B. Tapón cuerpo/ Tapa inferior

C. Válvula de drenaje cuerpo / tapa inferior

D. Engrasador asiento

Palanca manual

Reductor manual

Actuador neumático

Actuador neumático con control manual integrado

Actuador neumático Heavy duty

X CERRAR

SIGUIENTE EVENTO

IVS - Industrial Valve Summit 2026
IVS - Industrial Valve Summit 2026
Bergamo, Italy, 19 - 21 may 2026