images/testate/Template-Header-Sito-OMALBALLVALVES.jpg

SUPREME Trunnion ball valve

  • benefits
  • features
  • dimensions
  • components
  • size and accessories
  • info drivers
  • documents

DN ≤ 100 SIZE ≤ 4” – ANSI 150-300

1. Antistatic device ((electrical continuity between ball, stem and body)
Static electricity is avoided which can cause sparks and fire in an inflammable/explosive environment
Contact safety throughout the entire life of the valve

2. Double antifriction washer
Less Break Away Torque is granted
Less wear comparing with the execution with the single washer

3. "V" seals pack; 3 seals + o-ring
It ensures a perfect tightness even after a high number of cycles

4. Spring washer on the shaft seal
Guarantee of the recovery of the gap due to the wear caused by the rotational movement of the shaft avoiding leakage towards the outside part.
Allow to maintain energized the "chevron" seals (V), thus avoiding any leakage to the outside, against huge temperature excursions

5. Stretch Graphite seal
Tightness towards outside is granted, independently by the thermal excursions to which the valve is subjected

Greater precision in the alignment of axes due to a unique positioning in the process machining from raw material to finished valve
Longer lifetime of the valve
Less break away torque

Valves in carbon steel made with certified material - NACE as standard
Greater corrosion resistance
Greater ductility of the material

100% in- house manufacturing process technology
Maximum control and accuracy in all the stages of the manufacturing process
Flexibility in supply quickly special executions requested by customers

"Fire safe" Certificate
Guarantees the tightness of the valve also in case of fire

ATEX Certificate
Installation is possible in a potential explosive environment

TA LUFT fugitive emission Certificate
High level of safety of the tightness towards the outside is granted

PED Certificate
Full compliance with European Safety Standards for Pressure Equipment

UP to SIL 3 certified
Guarantee of the high level of functional safety

DN ≤ 100 SIZE ≤ 4” – ANSI ≥ 600

1. Double antifriction washer
Less Break Away Torque is granted
Less wear comparing with the execution with the single washer

2. Two ball guiding bushings
Less valve torque

Antistatic device ((electrical continuity between ball, stem and body)
Static electricity is avoided which can cause sparks and fire in an inflammable/explosive environment
Contact safety throughout the entire life of the valve

Stretch Graphite seal
Tightness towards outside is granted, independently by the thermal excursions to which the valve is subjected

Valves in carbon steel made with certified material - NACE as standard
Greater corrosion resistance
Greater ductility of the material

"Fire safe" Certificate
Guarantees the tightness of the valve also in case of fire

ATEX Certificate
Installation is possible in a potential explosive environment

PED Certificate
Full compliance with European Safety Standards for Pressure Equipment

UP to SIL 3 certified
Guarantee of the high level of functional safety

DN ≥ 150 SIZE ≥ 6”

1. Double antifriction washer
Less Break Away Torque is granted
Less wear comparing with the execution with the single washer

2. Two ball guiding bushings
Less valve torque

Antistatic device ((electrical continuity between ball, stem and body)
Static electricity is avoided which can cause sparks and fire in an inflammable/explosive environment
Contact safety throughout the entire life of the valve

Stretch Graphite seal
Tightness towards outside is granted, independently by the thermal excursions to which the valve is subjected

Valves in carbon steel made with certified material - NACE as standard
Greater corrosion resistance
Greater ductility of the material

"Fire safe" Certificate
Guarantees the tightness of the valve also in case of fire

ATEX Certificate
Installation is possible in a potential explosive environment

PED Certificate
Full compliance with European Safety Standards for Pressure Equipment

UP to SIL 3 certified
Guarantee of the high level of functional safety

FUGITIVE EMISSION Certificate
High level of safety of the tightness towards the outside is granted

STANDARD EXECUTION
• Two or three pieces body
• Resilient seat
• Automatic body cavity relief
• Double Block & Bleed
• Pressure class: ANSI 150÷ANSI 2500
• Applications: chemical and petrochemical plants, oil & gas production, power plants, other process industry applications, liquid, gas and steam, hydrocarbons
• Anti blow out stem

SPECIAL FEATURES ON REQUEST
• Double piston effect
• Material and special execution according to Customer Specifications
• ATEX marking and certificate ON REQUEST

CERTIFICATIONS
• In compliance with European Directive 2014/68/EU PED.
• In compliance with European Directive 2014/34/EU ATEX (ATEX certificate ON REQUEST).
• Safety integrity level up to SIL 3 according to IEC 61508.
• FIRE SAFE EN ISO 10497- API607.
• Fugitive Emission UNI EN ISO 15848.

STANDARD DESIGN
• ASME B16.34
• End connections: ASME B16.5 (RF-RTJ), ASME B16.25 (BW)
• Face to face: ASME B16.10
• Drives mounting flange: ISO5211
• Design API 6D on request.

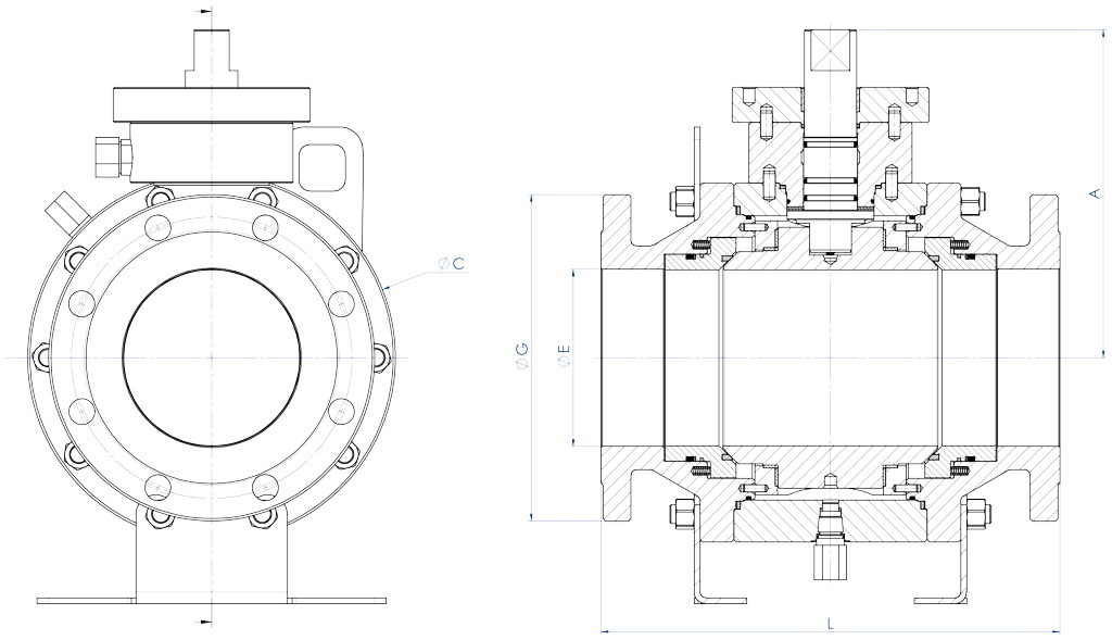
DN≤100 SIZE ≤4” ANSI 150-300

DN≤100 SIZE ≤4” ANSI ≥600

DN ≥150 SIZE ≥6”

ANSI 150DNSIZELØEØGAØC
502"1785115267*146*
803"2037619090190
1004"229102230111240
1506"394152280232316
2008"457203345286400
25010"533254408324475
30012"610305484355*580*
35014"686337536402*626*
40016"762386397441*700*
45018"864438636484*779*
50020"914489*694560*900*
60024"1067591*814620*1020*

ANSI 300DNSizeLØEØGAØC
502"2165116567*156*
803"2827621090200
1004"305102255111240
1506"403152320236324
2008"502203382286408
25010"568254446324475
30012"648305522355*580*
35014"762337585402*626*
40016"838386649504*770*
45018"914438712484*779*
50020"991489*776560*900*
60024"1143591*915620*1020*

ANSI 600DNSizeLØEØGAØC
502"29251165160*189*
803"35676210191210
1004"432102275218279
1506"559152355263355
2008"660203420304430
25010"787254510352520
30012"838305561402*620*
35014"889337604416*655*
40016"991386687450*730*
45018"1092438744515*810*
50020"1194489*814588*955*
60024"1397591*941645*1070*

ANSI 900DNSizeLØEØGAØC
502"36851215120*189*
803"38176242204240
1004"457102293218279
1506"610152382263355
2008"737203471304430
25010"838254547352520
30012"965305612452660
35014"1029322640460*700*
40016"1130373706485*760*

ANSI 1500DNSizeLØEØGAØC
502"36851215140*189*
803"47076268225270
1004"546102312240*300*
1506"705146395285*390*
2008"832192485340*460*
25010"991239585390*555*

ANSI 2500DNSizeLØEØGAØC
502"45142235160219
803"50863305241318
1004"67387357
253335
1506"914131485340500

* Indicative dimensions

  • DN≤100 SIZE ≤4” – ANSI 150-300
  • DN≤100 SIZE ≤4” – ANSI ≥600
  • DN ≥150 SIZE ≥6”

DN≤100 SIZE ≤4” – ANSI 150-300

1. Body
2. Closure
3. Ball
4. Stem
5. Seat insert
6. Seat holder
7. Lower cover
8. Body O-ring
9. Body gasket
10. Seat O-ring
11. Back-up ring
12. Seat gasket
13. Springs
14. Stud bolt
15. Nut
16. Bottom sealing
17. Stem O-ring
18. Chevron pack
19. Gland nut ring
20. Spring washer
21. Stem nut
22. Stem nut locker
23. Lower cover screws
24. Lower cover gasket
25. Lower cover O-ring
26. Drain cap

DN≤100 SIZE ≤4” – ANSI ≥600

1. Body
2. Closure
3. Ball
4. Stem
5. Seat insert
6. Seat holder
7. Upper cover
8. Flange
9. Lower cover
10. Body gasket
11. Body O-ring
12. Antistatic device Spring
13. Springs
14. Back-up ring
15. Seat O-ring
16. Seat gasket
17. Stud bolt
18. Nut
19. Ball bush
20. Bottom sealing
21. Stem O-ring
22. Upper cover O-ring
23. Upper cover Gasket
24. Upper cover pin
25. Fire safe stem Gasket/antistatic device
26. Upper cover screw
27. Stem bush
28. Flange screw
29. Body pin
30. Ball bush
31. Lower cover O-ring
32. Lower cover gasket
33. Lower cover stud
34. Nut
35. Vent valve
36. Stem grease injector
37. Vent/Greaser O-ring
38. Vent/Greaser Gasket



DN ≥150 SIZE ≥6”

1. Body
2. Closure
3. Ball
4. Stem
5. Seat insert
6. Seat holder
7. Upper cover
8. Flange
9. Support plate
10. Body gasket
11. Body O-ring
12. Springs
13. Seat O-ring
14. Back-up ring
15. Seat gasket
16. Stud bolt
17. Nut
18. Ball bush
19. Thrust bearig
20. Support plate pin
21. Bottom sealing
22. Upper cover O-ring
23. Upper cover Gasket
24. Stem O-ring
25. Fire safe stem Gasket/antistatic device
26. Upper cover screw
27. Stem bush
28. Flange screw
29. Upper cover pin
30. Lifting Lug
31. Support feet
32. Body pin
33. Stem grease injector
34. Vent valve
35. Vent/Greaser O-ring
36. Vent/Greaser Gasket
37. Antistatic device spring

Size and Accessories

DN

50
80
x
65
80
100
x
80
100
150
x
100
150
200
x
150
200
250
x
200
250
300
x
250
300
350
x
250
350
400
x
300
400
450
x
350
450
500
x
400
500
600
x
500
600
SIZE

2"
3"
x
2"1/2
3"
4"
x
3"
4"
6"
x
4"
6"
8"
x
6"
8"
10"
x
8"
10"
12"
x
10"
12"
14"
x
10"
14"
16"
x
12"
16"
18"
x
14"
18"
20"
x
16"
20"
24"
x
20"
24"
ANSI 150
A























B























C























D























E























F
























ANSI 300
A























B























C























D























E























F
























ANSI 600
A























B























C























D























E























F
























ANSI 900
A























B























C























D























E























F
























ANSI 1500
A























B























C























D























E























F
























ANSI 2500
A























B























C























D























E























F
























A) Shaft Sealing Injection
B) Vent and Drain Plug
C) Vent and Drain valves
D) Seats Sealing Injection
E) Lifting lug
F) Supporting feet

Accessories

A. Shaft Stem Injection / Sealant system

B. Vent and Drain Plug

C. Vent and Drain valves

D. Seat Stem Injection / Sealant system

Manual lever

Gear box

Pneumatic actuator

Pneumatic actuator with integrated handwheel

Heavy duty pneumatic actuator

X CLOSE

NEXT EVENT

IVS - Industrial Valve Summit 2026
IVS - Industrial Valve Summit 2026
Bergamo, Italy, 19 - 21 may 2026