images/testate/G9c8XY_Template-Header-Sito-OMALAngleseatARESOK.jpg

Válvula pneumática ARES flangeada

  • características
  • dimensões
  • especificações
  • acessórios
  • documentos

CARACTERÍSTICAS GERAIS:
Material do corpo válvula: A351-CF3M (316L S.S.).
Conexões de válvula: ver o esquema de codificação.
Montaje en cualquier posición: horizontal, vertical, oblicua.
Gama disponível de DN 15 a DN 50 nas versões de efeito duplo; efeito simples: normalmente fechada,
normalmente fechada martelo de água e normalmente aberta.
Las prestaciones y los diagramas de las presiones son los mismos que las versiones estándar pero están limitados a PN16
A pedido: versões para vácuo e uso de oxigênio
Configuração ATEX 2014/34/UE a ser solicitada durante o pedido

FLUIDO DE COMANDO:
Fluido de pilotagem: ar comprimido lubrificado ou seco, gases e fluidos neutros;
Temperatura ambiente: entre -10°C a +60° C

FLUIDO INTERCEPTADO:
Ar, água, álcool, óleos, combustíveis, soluções salinas, vapor, etc..(no entanto compatíveis  com A 351 CF8M O CuSn5Zn5Pb5-B )
Pressão de utilização entre 0 a 16 / 25 bar (vapor a 180°C entre 0 a 10 bar) dependendo do tamanho e versão escolhidos (consultar as páginas a seguir).
Temperatura entre -10°C a +180°C.
Viscosidade máxima 600 cst (mm2/s).

Flangeadas UNI EN1092-1

VÁLVULA FLANGEADA ANSI 150RF SCART.ASME B16.10 A1
DN [mm]
H
L
øN
øP
øQ
øR
F
15
11,39,735,1
89,0
60,5
16,0
108,0
20
12,811,2
42,9
99,0
69,816,0
117,0
25
15,0
13,4
50,8
108,0
79,2
16,0
127,0
32
15,814,2
63,5
117,0
88,9
16,0
140,0
40
18,0
16,4
73,0
127,0
98,616,0
165,0
50
19,1
17,5
91,9
152,0
120,619,0
178,0
  
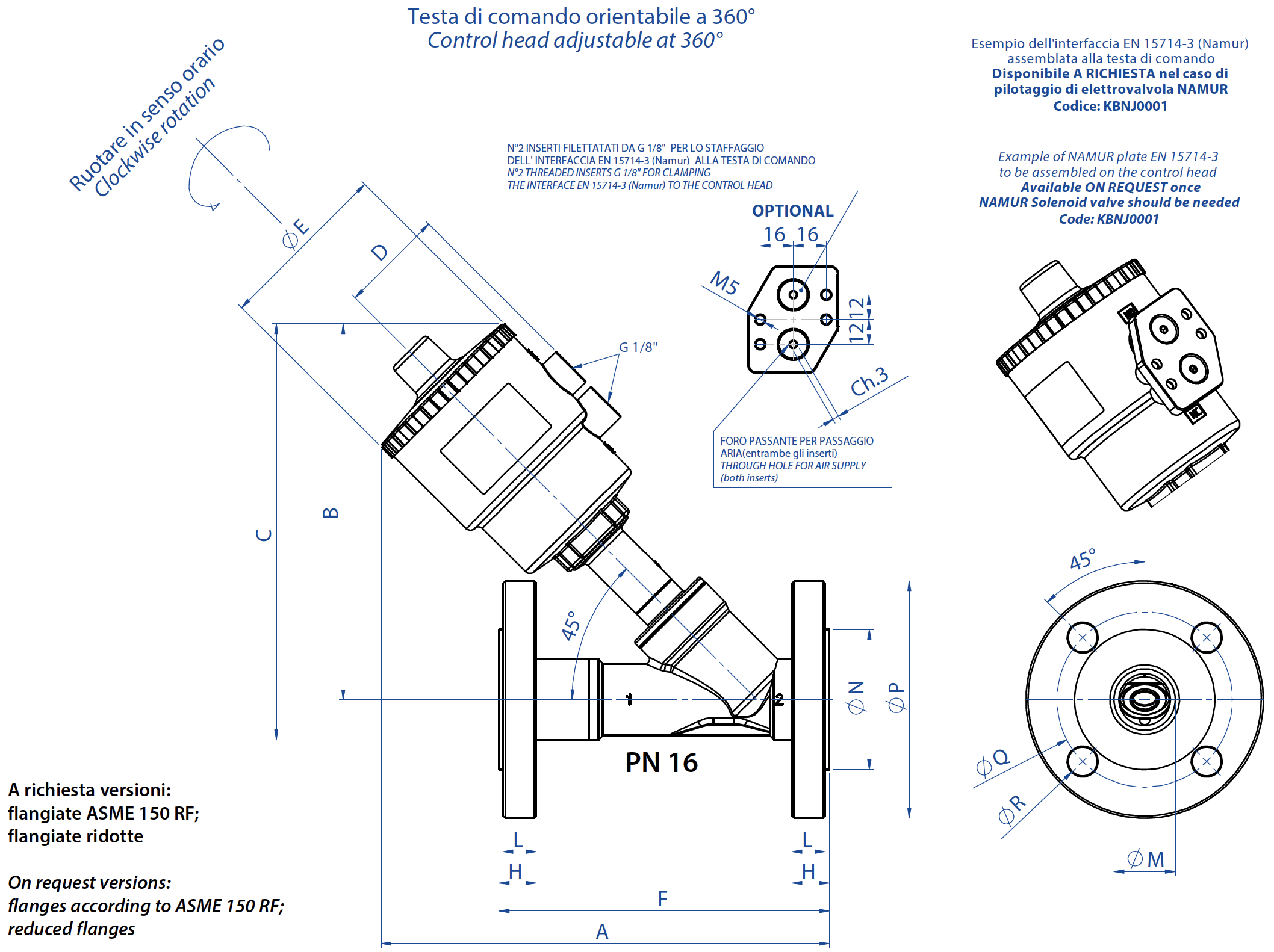
VÁLVULA FLANGEDA REDUZIDA
DN [mm]
H
øP
øQ
øR
F
15
7,0
70,0
50,0
7,0
104,5
20
8,0
75,0
55,0
9,0
119,5
25
9,0
80,0
60,0
9,0134,5
32
9,0
90,0
70,0
9,0
149,5
40
10,0
100,0
80,0
9,0
164,5
50
10,0
110,0
90,0
11,0
179,5

A pedido versões:
flangeadas ASME 150 RF;
flangeadas reduzidas

DIMENSÕES
DN [mm]Cabeça de comando
ABCDøEFHLøMøNøPøQøR
15ø 50182,5156203,54470130161418,145956514
20ø 50192,3160212,54470150181623,7581057514
20ø 63210,3178230,550,584,4150181623,7581057514
25ø 50197,36164221,54470160181629,7681158514
25ø 63216,36182239,550,584,4160181629,7681158514
25ø 90256,36222279,566,2116,4160181629,7681158514
32ø 50202,51682384470180181638,47814010018
32ø 63220,518625650,584,4180181638,47814010018
32ø 90260,522629666,2116,4180181638,47814010018
32ø 110296,526133177,4140,6180181638,47814010018
40ø 63228,619026550,584,4200181544,38815011018
40ø 90268,623030566,2116,4200181544,38815011018
40ø 110304,226634177,4140,6200181544,38815011018
50ø 63241,87200282,550,584,4230181555,710216512518
50ø 90281,87240322,566,2116,4230181555,710216512518
50ø 110317,87276358,577,4140,6230181555,710216512518
As execuções sugeridas estão em negrito. Outras combinações a pedido.


Modo de emprego

Tampa para interruptor de fim de curso

A tampa especial, em material plástico transparente, possui duas ranhuras para poder fixar e ajustar rapidamente os interruptores de fim de curso de contacto magnético. Os interruptores de fim de curso estão equipados com um LED interno visível quando o próprio interruptor de fim de curso é energizado. Estão disponíveis interruptores de fim de curso do tipo REED e de efeito HALL com ligação livre ou já cablados M12. A tampa tem um grau de proteção IP68. Atenção: para permitir a fixação correta na carcaça do interruptor de fim de curso, o indicador visual, quando a válvula está totalmente aberta, não atinge a extremidade da tampa. Os fins de curso devem ser ajustados depois de a válvula ser instalada no sistema.

Código do kit
Dimensão da cabeça
 A mm
 B mm
KFJM16
∅ 503077
KFJM18
∅ 632687
KFJM21
∅ 901597
KFJM23
∅ 1108107

O kit não inclui interruptores de fim de curso.

Limitador de curso
Permite limitar o deslocamento do obturador da válvula em abertura e, portanto, ajustar a vazão. Disponível para todas as versões. Nas versões de efeito simples normalmente abertas também pode ser usado como controle manual de emergência.

Comando
 A mm
Código
∅ 50 25,5
KLJL0016
∅ 63 21,5
KLJL0018
∅ 90 5,2
KLJL0021
∅ 1105,9
KLJL0023

Não disponível com cabeça ∅ 40.

Controle manual de emergência
Permite que a válvula seja aberta em caso de emergência (falta de fluido piloto, falha do sistema, ausência de sinal de pilotagem, etc.). Disponível para todas as válvulas nas versões normalmente fechadas.

Comando  
mm
Código
∅ 50
35,8
KLJA0016
∅ 63
35,8
KLJA0018
∅ 90
29,5
KLJA0021
∅ 110
29,5
KLJA0023

Não disponível com cabeça ∅ 40.

Eletropiloto 3/2 - Eletroválvula 3/2 - 5/2

Eletroválvula de comando
Eletropiloto 3/2 para montagem direta.
Corpo e bobina ajustáveis em 360°
Controle manual standard.
Válvula solenóide (NAMUR) configurada para a selecção entre a função 5/2 e 3/2 que é realizada montando a base correspondente (ambas fornecidas).
Temperatura ambiente de -10°C a + 50°C

Voltagem
24 Vac115 Vac230 Vac24 Vdc
Eletropiloto
EP415024EP415110EP415220EP412024

Voltagem
24 Vac115 Vac230 Vac24 Vdc
Eletroválvula NAMUR* ER8188A2ER8188A4ER8188A5ER8188C2
Interface NAMURKBNJ0001 Not available with ∅ 40 head

* A ser usado apenas com interface NAMUR

Caixa de sinalização
Caixa de sinalização para o controle de posição aberto ou fechado com dois interruptores de limite mecânicos ou indutivos é adequada para montagem em toda a série de válvulas com atuadores ∅50 - ∅63 - ∅90 - ∅110.
A pedido, estão disponíveis terminais para conectar a eletroválvula e os indicadores visuais através de LEDs.
Grau de proteção IP 65
Temperatura ambiente de -20°C a + 70°C
Acesso a cabo n°1 PG11
Material de revestimento em poliamida com tampa transparente de polimetacrilato.

Comando
A
mm

∅ 50  
52,1
∅ 63
47,5
∅ 90
37,7
∅ 110
29,5

TIPOS DE INTERRUPTORES DE LIMITE DISPONÍVEIS

Interruptores de limite indutivos NAMUR EExia
Tensão nominal: 8 Vcc
Consumo de : acionado ≤1 mA; liberado ≥3 mA
Temperatura de operação: de -20°C a +70°C

ConfiguraçãoCódigo 
1 interruptor de limite: alto na posição da válvula aberta
KSIN9A0xx
1 interruptor de limite: baixo na posição da válvula fechada
KSIN9C0xx
2 interruptores de limite válvula aberta e fechada
KSIN920xx


Interruptores de limite de proximidade
Tensão nominal: 10÷30 Vcc
Consumo: 15 mA;
Temperatura de funcionamento: de -20°C a +70°C

Configuração Código 
1 interruptor de limite: alto na posição de válvula aberta
KSI09A0xx
1 interruptor de limite: baixo na posição de válvula fechada
KSI09C0xx
2 interruptores de limite válvula aberta e fechada
KSI0920xx

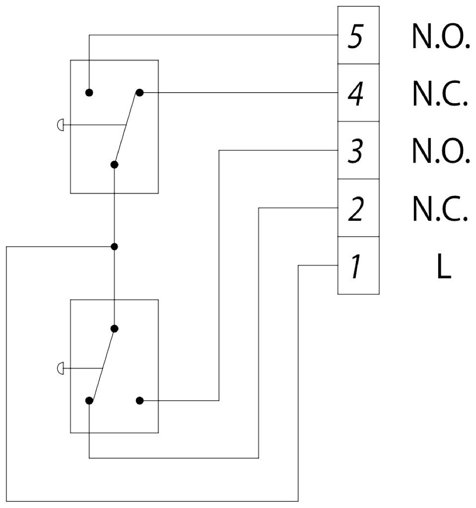
Interruptores de limite mecânicos
Interruptor de limite alto: válvula aberta
Interruptor de limite baixo: válvula fechada
Carga máxima: 5A 250 Vac; 1A 250 Vdc

Configuração
Código
2 interruptores de limite
KSM0C20xx

xx = Ø cabeça de comando  
16 = Ø50
18 = Ø63
21 = Ø90
23 = Ø110

 CERTIFICADOS

 INSTRUÇÕES

CONFIGURAR DIRIGIR
Selecionar os parâmetros de pesquisa
PESQUISA DE ITEM
X FECHAR

PRÓXIMO EVENTO

IVS - Industrial Valve Summit 2026
IVS - Industrial Valve Summit 2026
Bergamo, Italy, 19 - 21 may 2026