images/testate/G9c8XY_Template-Header-Sito-OMALAngleseatARESOK.jpg

Pneumatische Ventil ARES mit Flanschenden

  • eigenschaften
  • abmessungen
  • merkmale
  • zubehör
  • dokumente

ALLGEMEINE EIGENSCHAFTEN:
Werkstoff des Ventilegehäuses: A351-CF3M (316L S.S.).
Ventilanschlüsse Siehe Codierungsschema.
Einfache Montage in jeder Stellung: horizontal, vertikal, schräg.
Erhältlich von DN 15 bis DN 50 in den Ausführungen doppeltwirkend; einfachwirkend: stromlos geschlossen,
stromlos geschlossen Anti-Druckstoß und stromlos offen.
Die Leistungen und Druckdiagramme entsprechen den Standardausführungen, sind jedoch auf PN16 beschränkt
Auf Anfrage: Ausführungen für Vakuum und Sauerstoff
ATEX -Ausführung gemäß 2014/34/EU bei Bestellung anzufordern.

STEUERMEDIUM: 
Betriebsmedien: Geschmierte oder trockene Druckluft, Gase und neutrale Flüssigkeiten;
Raumtemperatur: von -10°C bis +60° C

BETRIEBSMEDIUM:
Luft, Wasser, Alkohol, Öle, Treibstoffe, Salzlösungen, Dampf, usw..( jedenfalls vereinbar mit CF3M (316L S.S.) und PTFE)
Betriebsdruck von 0 bis 16 bar (Dampf 180°C von 0 bis 10 bar) abhängig von der gewählten Größe und Ausführung (siehe folgende Seiten).
Temperatur von -10°C bis  +180°C.
Maximale Viskosität 600 cst (mm2/s).

Flanschenden nach UNI EN1092-1

VENTIL MIT FLANSCHENDEN ANSI 150RF BAUL. ASME B16.10 A1
DN [mm]
H
L
øN
øP
øQ
øR
F
15
11,39,735,1
89,0
60,5
16,0
108,0
20
12,811,2
42,9
99,0
69,816,0
117,0
25
15,0
13,4
50,8
108,0
79,2
16,0
127,0
32
15,814,2
63,5
117,0
88,9
16,0
140,0
40
18,0
16,4
73,0
127,0
98,616,0
165,0
50
19,1
17,5
91,9
152,0
120,619,0
178,0
  
VENTIL MIT REDUZIERTEN FLANSCHENDEN
DN [mm]
H
øP
øQ
øR
F
15
7,0
70,0
50,0
7,0
104,5
20
8,0
75,0
55,0
9,0
119,5
25
9,0
80,0
60,0
9,0
134,5
32
9,0
90,070,0
9,0
149,5
40
10,0
100,0
80,0
9,0
164,5
50
10,0
110,0
90,0
11,0
179,5

Ausführungen auf Anfrage:
Flanschenden nach ASME 150 RF;
reduzierte Flanschenden

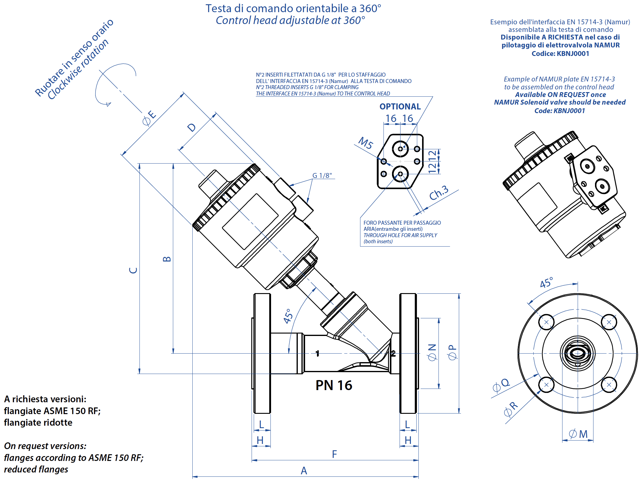
ABMESSUNGEN
DN [mm]SteuerkopfABCDøEFHLøMøNøPøQøR
15ø 50182,5156203,54470130161418,145956514
20ø 50192,3160212,54470150181623,7581057514
20ø 63210,3178230,550,584,4150181623,7581057514
25ø 50197,36164221,54470160181629,7681158514
25ø 63216,36182239,550,584,4160181629,7681158514
25ø 90256,36222279,566,2116,4160181629,7681158514
32ø 50202,51682384470180181638,47814010018
32ø 63220,518625650,584,4180181638,47814010018
32ø 90260,522629666,2116,4180181638,47814010018
32ø 110296,526133177,4140,6180181638,47814010018
40ø 63228,619026550,584,4200181544,38815011018
40ø 90268,623030566,2116,4200181544,38815011018
40ø 110304,226634177,4140,6200181544,38815011018
50ø 63241,87200282,550,584,4230181555,710216512518
50ø 90281,87240322,566,2116,4230181555,710216512518
50ø 110317,87276358,577,4140,6230181555,710216512518
Die empfohlenen Ausführungen sind fett gedruckt. Weitere Kombinationen  auf Anfrage.

VERWENDUNGSMETHODE

Kappe für Endschalter

Die spezielle Kappe aus transparentem Kunststoff verfügt über zwei Nuten, um die Endschalter mit Magnetkontakt schnell befestigen und einstellen zu können. Die Endschalter sind mit einer internen LED ausgestattet, die sichtbar ist, wenn der Endschalter selbst erregt ist. Es sind Endschalter vom Typ REED und mit HALL-Effekt mit freiem Anschluss oder bereits verdrahtetem M12 erhältlich. Die Kappe hat eine Schutzart von IP68. Achtung: Um die korrekte Befestigung im Gehäuse des Endschalters zu ermöglichen, erreicht die visuelle Anzeige bei vollständig geöffnetem Ventil nicht das Ende der Kappe. Die Endschalter müssen nach dem Einbau des Ventils in die Anlage eingestellt werden.

Kit-codeKopfgröße
 A mm
 B mm
KFJM16
∅ 503077
KFJM18
∅ 632687
KFJM21
∅ 901597
KFJM23
∅ 1108107

Das Kit enthält keine Endschalter.

Hubbegrenzer
Ermöglicht es, den Öffnungshub des Ventilverschlusses zu begrenzen und so die Durchflussmenge einzustellen. Verfügbar für alle Versionen. Bei den einfachwirkenden, in Ruhestellung geöffneten Versionen kann er auch als manuelle Notsteuerung eingesetzt werden.

Steuerung
 A mm
Artikelnummer
∅ 50 25,5
KLJL0016
∅ 63 21,5
KLJL0018
∅ 90 5,2
KLJL0021
∅ 1105,9
KLJL0023

Nicht mit Ventilkopf Ø 40 erhältlich.

Manuelle Notsteuerung
Ermöglicht das Öffnen des Ventils im Notfall (Mangel an Steuerfluid, Anlagendefekt, fehlendes Steuersignal usw.). Verfügbar für alle NC-Ventile (in Ruhestellung geschlossene Versionen).

Steuerung  
mm
Artikelnummer
∅ 50
35,8
KLJA0016
∅ 63
35,8
KLJA0018
∅ 90
29,5
KLJA0021
∅ 110
29,5
KLJA0023

Nicht mit Ventilkopf Ø 40 erhältlich

Elektropilot 3/2-Wege - Magnetventil 3/2-Wege - 5/2-Wege

Steuermagnetventil
3/2-Wege-Elektropilot zur direkten Montage.
Gehäuse und Spule über 360° verstellbar
Standardausführung manuelle Steuerung.
Magnetventil (NAMUR) für die Auswahl zwischen 5/2- und 3/2-Funktion, die durch Montage des entsprechenden Sockels (beide im Lieferumfang enthalten) erfolgt.
Umgebungstemperatur von -10°C bis +50°C

Spannung24 Vac115 Vac230 Vac24 Vdc
ElektropilotEP415024EP415110EP415220EP412024

Spannung24 Vac115 Vac230 Vac24 Vdc
Magnetventil NAMUR*ER8188A2ER8188A4ER8188A5ER8188C2
NAMUR-SchnittstelleKBNJ0001 Not available with ∅ 40 head

* Nur mit NAMUR-Schnittstelle zu verwenden

Signalmodul
Das Signalmodul zur Positionskontrolle (offen/geschlossen) mit zwei mechanischen Endschaltern oder induktiven Näherungsschaltern kann auf die gesamte Ventilserie mit Antrieben ∅ 50 - ∅ 63 - ∅ 90 - ∅ 110 montiert werden.
Auf Anfrage sind Klemmen für den Anschluss des Magnetventils und der optischen LED-Anzeigen erhältlich.
Schutzart IP 65
Umgebungstemperatur von -20°C bis +70°C
Kabeldurchführung Nr. 1 PG11
Gehäusematerial aus Polyamid mit transparenter Abdeckung aus Polymethylmethacrylat.

Steuerung
A
mm

∅ 50  
52,1
∅ 63
47,5
∅ 90
37,7
∅ 110
29,5

VERFÜGBARE ARTEN VON ENDSCHALTERN

Induktive Endschalter NAMUR EExia
Nennspannung: 8 Vdc
Verbrauch: In Betrieb ≤1 mA; nicht in Betrieb ≥3 mA
Betriebstemperatur: -20°C bis +70°C

Konfiguration Code 
1 Endschalter: oben bei offenem Ventil
KSIN9A0xx
1 Endschalter: unten bei geschlossenem Ventil
KSIN9C0xx
2 Endschalter: geöffnetes und geschlossenes Ventil
KSIN920xx

Näherungsschalter 
Nennspannung: 10÷30 Vdc
Verbrauch: 15 mA;
Betriebstemperatur: -20°C bis + 70°C

KonfigurationCode 
1 Endschalter: oben bei offenem VentilKSI09A0xx
1 Endschalter: unten bei geschlossenem VentilKSI09C0xx
2 Endschalter: geöffnetes und geschlossenes Ventil
KSI0920xx

Mechanische Endschalter
Endschalter oben: Ventil offen
Endschalter unten: Ventil geschlossen
Ladung max.: 5A 250 Vac; 1A 250 Vdc

Konfiguration
Code
2 Endschalter
KSM0C20xx

xx = Ø Steuerkopf  
16 = Ø50
18 = Ø63
21 = Ø90
23 = Ø110

KONFIGURIEREN BETÄTIGUNG
Wählen Sie die Suchparameter
ARTIKEL SUCHEN
SCHLIESSEN

NÄCHSTES EVENT

IVS - Industrial Valve Summit 2026
IVS - Industrial Valve Summit 2026
Bergamo, Italy, 19 - 21 may 2026