images/testate/G9c8XY_Template-Header-Sito-OMALAngleseatARESOK.jpg

Vanne pneumatique ARES à brides

  • caractéristiques
  • dimensions
  • spécifications
  • accessoires
  • documents

CARACTÉRISTIQUES GÉNÉRALES:
Matériau corps vanne: A351-CF3M (316L S.S.).
Connexions des valves: Voir schéma de codage.
Gamme disponible du DN 15 au DN 50 dans les versions à double effet; effet simple: normalement fermée, normalement fermée anti-coups de bélier et normalement ouverte.
Les performances et les diagrammes de pression sont les mêmes que les versions standard mais limités à PN16
Sur demande: versions à vide et pour usage oxygène.
Configuration ATEX 2014/34/UE à demander lors de la commande.

FLUIDE DE COMMANDE:
Fluide de pilotage: air comprimé lubrifié ou sec, gaz et fluides neutres;
Température ambiante: de -10°C à +60° C

FLUIDE VÉHICULÉ:
Air, eau, alcool, huiles, carburants, solutions salines, vapeur, etc...(toutefois compatible avec CF3M (316L S.S.) e PTFE)
Pression d’utilisation de 0 à 16 (vapeur à 180°C de 0 à 10 bar) selon la taille et la version choisie (voir pages suivantes).
Température de -10°C à +180°C.
Viscosité maximale 600 cst (mm2/s).

Brides UNI EN1092-1

VANNE À BRIDES ANSI 150RF ÉCART.ASME B16.10 A1
DN [mm]
H
L
øN
øP
øQ
øR
F
15
11,39,735,1
89,0
60,5
16,0
108,0
20
12,811,2
42,9
99,0
69,816,0
117,0
25
15,0
13,4
50,8
108,0
79,2
16,0
127,0
32
15,814,2
63,5
117,0
88,9
16,0
140,0
40
18,0
16,4
73,0
127,0
98,616,0
165,0
50
19,1
17,5
91,9
152,0
120,619,0
178,0
  
VANNE À BRIDES RÉDUITES
DN [mm]
H
øP
øQ
øR
F
15
7,0
70,0
50,0
7,0
104,5
20
8,0
75,0
55,0
9,0
119,5
25
9,0
80,0
60,09,0
134,5
32
9,0
90,0
70,0
9,0
149,5
40
10,0
100,0
80,0
9,0
164,5
50
10,0
110,0
90,0
11,0
179,5

Sur demande, versions:
à brides ASME 150 RF;
à brides réduites

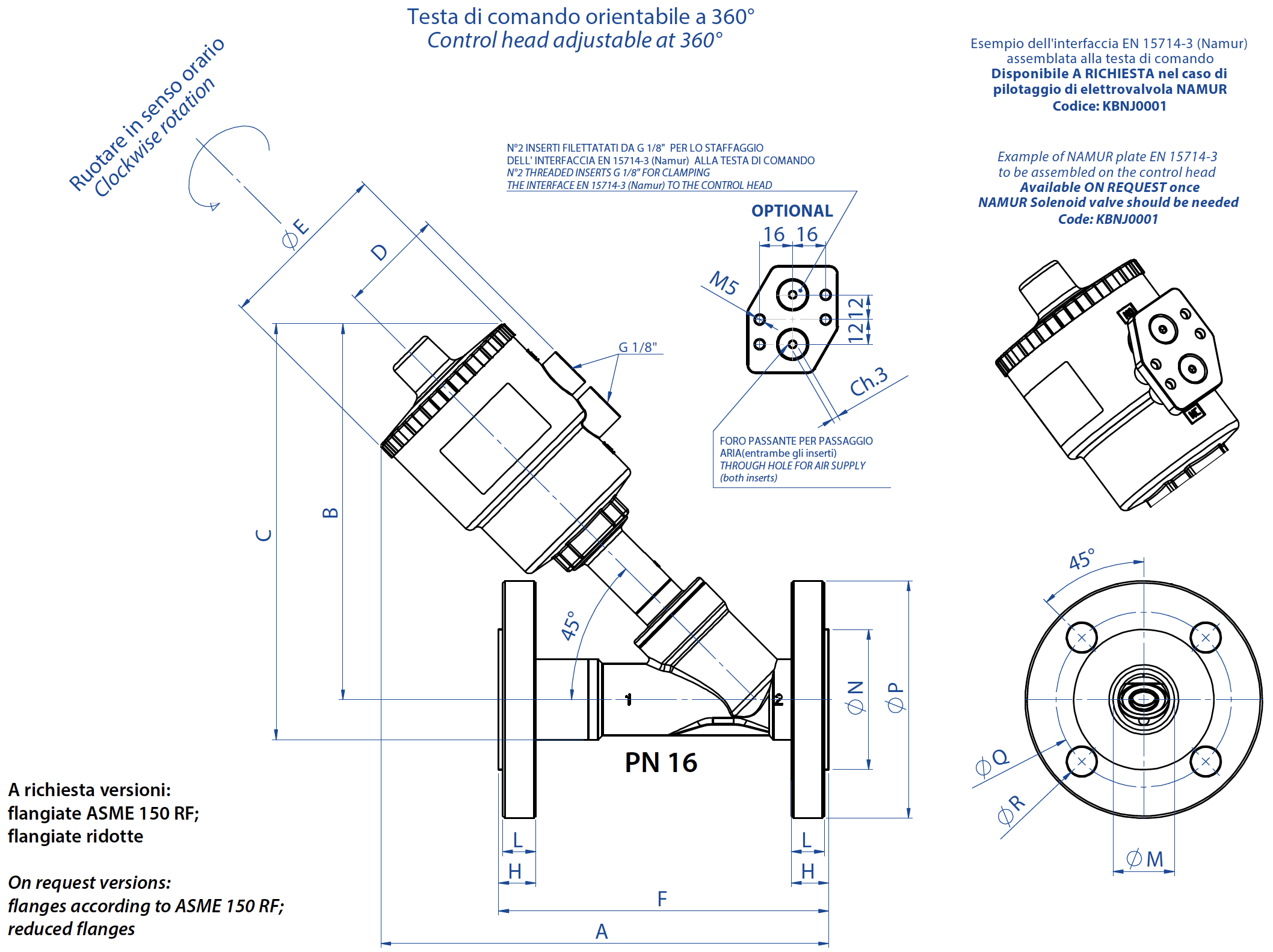
DIMENSIONS
DN [mm]Tête de commande
ABCDøEFHLøMøNøPøQøR
15ø 50182,5156203,54470130161418,145956514
20ø 50192,3160212,54470150181623,7581057514
20ø 63210,3178230,550,584,4150181623,7581057514
25ø 50197,36164221,54470160181629,7681158514
25ø 63216,36182239,550,584,4160181629,7681158514
25ø 90256,36222279,566,2116,4160181629,7681158514
32ø 50202,51682384470180181638,47814010018
32ø 63220,518625650,584,4180181638,47814010018
32ø 90260,522629666,2116,4180181638,47814010018
32ø 110296,526133177,4140,6180181638,47814010018
40ø 63228,619026550,584,4200181544,38815011018
40ø 90268,623030566,2116,4200181544,38815011018
40ø 110304,226634177,4140,6200181544,38815011018
50ø 63241,87200282,550,584,4230181555,710216512518
50ø 90281,87240322,566,2116,4230181555,710216512518
50ø 110317,87276358,577,4140,6230181555,710216512518
Les accouplements conseillés sont indiqués en gras. Autres combinaisons sur demande.

MODE D'UTILISATION

Bouchon pour fin de course

Le bouchon spécial, en matière plastique transparente, présente deux rainures pour pouvoir fixer et régler rapidement les fins de course à contact magnétique. Les fins de course sont équipés d'une LED interne visible lorsque le fin de course lui-même est excité. Des fins de course de type REED et à effet HALL sont disponibles avec connexion libre ou déjà câblés M12. Le bouchon a un degré de protection IP68. Attention : pour permettre la fixation correcte dans le boîtier du fin de course, l'indicateur visuel, lorsque la vanne est complètement ouverte, n'arrive pas à l'extrémité du bouchon. Les fins de course doivent être réglées une fois la vanne installée dans le système.

Code kit
Dimension de la tête
 A mm
 B mm
KFJM16
∅ 503077
KFJM18
∅ 632687
KFJM21
∅ 901597
KFJM23
∅ 1108107

Le kit ne comprend pas les interrupteurs de fin de course.

Limiteur de course 
Permet de limiter la course de l’obturateur de la vanne en ouverture et donc de régler le débit. Disponible pour toutes les versions. Dans les versions simple effet normalement ouvertes, il peut également être utilisé comme commande manuelle d'urgence.

Commande A mm
Code
∅ 5025,5
KLJL0016
∅ 6321,5
KLJL0018
∅ 905,2
KLJL0021
∅ 1105,9
KLJL0023

Non disponible avec la tête ∅ 40.

Commande manuelle d'urgence 
Permet d'ouvrir la vanne en cas d'urgence (manque de liquide de pilotage, panne du système, absence de signal de pilotage, etc.). Disponible pour toutes les vannes dans les versions normalement fermées.

Commande  
mm
Code
∅ 50
35,8
KLJA0016
∅ 63
35,8
KLJA0018
∅ 90
29,5
KLJA0021
∅ 110
29,5
KLJA0023

Non disponible avec la tête ∅ 40

Électropilote 3/2 - Électrovanne 3/2 - 5/2

Électrovanne de commande
Électropilote 3/2 pour le montage direct.
Corps et bobine réglables à 360°
Commande manuelle standard.
L'électrovanne (NAMUR) permet la sélection de la fonction 5/2 et 3/2 qui s'effectue en montant la plaque de montage correspondante (les deux étant fournies).
Température ambiante comprise entre -10°C et + 50°C

Tension24 Vac115 Vac230 Vac24 Vdc
Électropilote
EP415024EP415110EP415220EP412024

Tension
24 Vac115 Vac230 Vac24 Vdc
Électrovanne NAMUR*ER8188A2ER8188A4ER8188A5ER8188C2
Interface NAMURKBNJ0001 Not available with ∅ 40 head

* À utiliser uniquement avec l'interface NAMUR

Boîtier de signalisation 
Le boîtier de signalisation pour vérifier la position ouverte ou fermée avec deux interrupteurs de fin de course mécaniques ou inductifs peut être monté sur  toute la gamme de vannes avec actionneurs ∅50 - ∅63 - ∅90 - ∅110.
Sur demande, des bornes sont disponibles pour connecter l'électrovanne et les indicateurs visuels via des LED.
Indice de protection IP 65
Température ambiante entre -20°C et +70°C 1 serre-câble PG11
Matériau du boîtier en polyamide avec couvercle en polyméthacrylate transparent.

Commande
A
mm

∅ 50  
52,1
∅ 63
47,5
∅ 90
37,7
∅ 110
29,5

TYPES DE FIN DE COURSE DISPONIBLES

Interrupteurs de fin de course inductifs NAMUR EExia
Tension nominale: 8 Vcc
Consommation: actionné ≤1 mA; relâché ≥3 mA
Température de fonctionnement: de -20°C à +70°C

ConfigurationCode 
1 fin de course: position haute vanne ouverte
KSIN9A0xx
1 fin de course: position basse vanne fermée
KSIN9C0xx
2 fins de course vanne ouverte et fermée
KSIN920xx

Interrupteurs de fin de course de proximité
Tension nominale: 10÷30 Vcc
Consommation: 15 mA ;
Température de fonctionnement: de -20°C à +70°C

Configuration Code 
1 fin de course: position haute vanne ouverte
KSI09A0xx
1 fin de course: position basse vanne fermée
KSI09C0xx
2 fins de course vanne ouverte et fermée
KSI0920xx

Interrupteurs de fin de course mécaniques
Fin de course haut: vanne ouverte
Fin de course bas: vanne fermée
Charge max: 5A 250 Vca; 1A 250 Vcc

Configuration
Code
2 fins de course
KSM0C20xx

xx = Ø tête de commande  
16 = Ø50
18 = Ø63
21 = Ø90
23 = Ø110

 CERTIFICATS

 INSTRUCTIONS

CONFIGURER ACTIONNEMENT
Sélectionnez les paramètres de recherche
RECHERCHER UN ARTICLE
X FERMER

PROCHAIN ÉVÈNEMENT

IVS - Industrial Valve Summit 2026
IVS - Industrial Valve Summit 2026
Bergamo, Italy, 19 - 21 may 2026