images/testate/G9c8XY_Template-Header-Sito-OMALAngleseatARESOK.jpg

ARES flanged pneumatic valve

  • features
  • dimensions
  • specifications
  • accessories
  • documents

GENERAL FEATURES:
Body valve material: A351-CF3M (316L S.S.).
Valve ends: see code plan.
Assembling is possible in all positions: upright, flat or angled.
Range available from DN 15 to DN 50 in the Double Acting versions, Spring
Return N.C. from above and below the plug, Spring Return N.O. from below the plug.
The performance and the pressure’s diagrams are the same as per Standard versions but limited at PN16
On request: versions for vacuum and oxygen service 2014/34/EU ATEX configuration to request at time of order.

CONTROL MEDIA:
Driving media: compressed air, lubricated or dry, gas or neutral media.
Ambient temperature: -10°C to +60°C

OPERATING MEDIA:
Air, water, alcohol, oil, petroleum products, saline solutions, steam, etc. (as long as compatible with CF3M (316L S.S.) or PTFE).
Pressure from 0 to 16 bar (steam from 180°C, from 0 to 10 bar) depending on the size and model chosen see following pages.
Temperature from –10°C to 180°C.
Max. viscosity 600 cst (mm2/s).

Flanged UNI EN1092-1

ANSI 150RF FLANGED VALVE FACE TO FACE ASME B16.10 A1
DN [mm]
H
L
øN
øP
øQ
øR
F
15
11,39,735,1
89,0
60,5
16,0
108,0
20
12,811,2
42,9
99,0
69,816,0
117,0
25
15,0
13,4
50,8
108,0
79,2
16,0
127,0
32
15,814,2
63,5
117,0
88,9
16,0
140,0
40
18,0
16,4
73,0
127,0
98,616,0
165,0
50
19,1
17,5
91,9
152,0
120,619,0
178,0
  
REDUCED FLANGES VALVES
DN [mm]
H
øP
øQ
øR
F
15
7,0
70,0
50,0
7,0
104,5
20
8,0
75,0
55,09,0
119,5
25
9,0
80,0
60,0
9,0
134,5
32
9,0
90,0
70,0
9,0
149,5
40
10,0
100,0
80,09,0
164,5
50
10,0
110,0
90,0
11,0
179,5

On request versions:
flanges according to ASME 150 RF;
reduced flanges

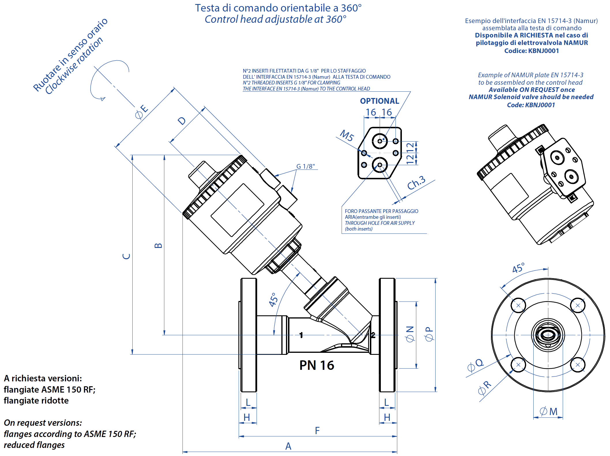
DIMENSIONS
DN [mm]Control headABCDøEFHLøMøNøPøQøR
15ø 50182,5156203,54470130161418,145956514
20ø 50192,3160212,54470150181623,7581057514
20ø 63210,3178230,550,584,4150181623,7581057514
25ø 50197,36164221,54470160181629,7681158514
25ø 63216,36182239,550,584,4160181629,7681158514
25ø 90256,36222279,566,2116,4160181629,7681158514
32ø 50202,51682384470180181638,47814010018
32ø 63220,518625650,584,4180181638,47814010018
32ø 90260,522629666,2116,4180181638,47814010018
32ø 110296,526133177,4140,6180181638,47814010018
40ø 63228,619026550,584,4200181544,38815011018
40ø 90268,623030566,2116,4200181544,38815011018
40ø 110304,226634177,4140,6200181544,38815011018
50ø 63241,87200282,550,584,4230181555,710216512518
50ø 90281,87240322,566,2116,4230181555,710216512518
50ø 110317,87276358,577,4140,6230181555,710216512518
Suggested executions are in bold. Other combinations on request.

METHODS OF USE

Limit switch cap

The special cap, made of transparent plastic material, has two grooves for fast attachment and adjustment of magnetic limit switches.The limit switches have an internal LED visible when the limit switch is energized.REED and HALL effect type limit switches are available with free connection or already wired M12.The cap has an IP68 protection rating.Attention: to enable proper fixing in the limit switch housing, the visual indicator, when the valve is fully open, does not reach the end of the plug. The limitswitches must be set once the valve is installed in the system.

Kit codeHead size A mm
 B mm
KFJM16
∅ 503077
KFJM18
∅ 632687
KFJM21
∅ 901597
KFJM23
∅ 1108107

Kit does not include limit switches.

Stroke limiter
It allows to limit the plug run in opening phase, therefore it regulates the flow. Available on all versions. In spring return normally open version it can be used as an emergency control.

Control
 A mm
Code
∅ 50 25,5
KLJL0016
∅ 63 21,5
KLJL0018
∅ 90 5,2
KLJL0021
∅ 1105,9
KLJL0023

Not available with ∅ 40 head.

Emergency manual override
It allows to open the valve in emergency cases (lack of pilot fluid, machinery damaged, lack of piloting signal). It is available on all normally closed valves.

Control
A
mm

Code
∅ 50
35,8
KLJA0016
∅ 63
35,8
KLJA0018
∅ 90
29,5
KLJA0021
∅ 110
29,5
KLJA0023

Not available with ∅ 40 head

Electro-pilot 3/2 - Solenoid valve 3/2 - 5/2

Control solenoid valve
Electro-pilot 3/2 for direct assembling.
Body and reel positionable at 360°.
Standard manual control.
Solenoid valve (NAMUR) sets for selection between function 5/2 or 3/2, achievable by mounting the corresponding plate (both supplied).
Room temperature: from –10°c to +50°C.

Voltage24 Vac115 Vac230 Vac24 Vdc
Electro-pilotEP415024EP415110EP415220EP412024

Voltage24 Vac115 Vac230 Vac24 Vdc
NAMUR Solenoid valve*ER8188A2ER8188A4ER8188A5ER8188C2
NAMUR interfaceKBNJ0001 Not available with ∅ 40 head

* To be usedy with NAMUR interface only

Limit switch box
The control box to check the open/close positions with two mechanical limit switches is suitable for assembling on all the range of valves with actuators ∅50 - ∅63 - ∅90 - ∅110.
The terminals to connect the solenoid valve and the visual indicators provided with led are optional.
Level of protection: IP 65.
Room temperature: from –20° C to +70°C.
Access lead nr. 1 PG11.
Body material: polyamide (cap in trasparent polymethacrylate).

  Control
 A 
mm
∅ 50
52,1
∅ 63
47,5
∅ 90
37,7
∅ 110
29,5

AVAILABLE LIMIT SWITCH

Inductive limit switches NAMUR EExia
Nominal voltage: 8 Vdc
Consumes: working ≤1mA; resting ≥3 mA
Working temperature: from –20°C to +70°C

ConfigurationCode
1 Limit switch at the top: open valveKSIN9A0xx
1 Limit switch at the bottom: close valve.KSIN9C0xx
2 Limit switch open and close valveKSIN920xx

Proximity limit switches
Nominal voltage: 10÷30 Vdc
Consumes: 15mA;
Working temperature: from –20°C to +70°C

ConfigurationCode
1 Limit switch at the top: open valveKSI09A0xx
1 Limit switch at the bottom: close valve.KSI09C0xx
2 Limit switch open and close valveKSI0920xx

Mechanical limit switches
Limit switch at the top: open valve
Limit switch at the bottom: close valve
Max. capacity: 5A 250 Vac; 1A 250 Vdc

ConfigurationCode
2 Limit switchKSM0C20xx

xx = Ø  control heads
16 = Ø50
18 = Ø63
21 = Ø90
23 = Ø110

 CERTIFICATES

 INSTRUCTIONS

CONFIGURE DRIVE
Select the search standards
FIND ITEM
X CLOSE

NEXT EVENT

IVS - Industrial Valve Summit 2026
IVS - Industrial Valve Summit 2026
Bergamo, Italy, 19 - 21 may 2026