images/testate/G9c8XY_Template-Header-Sito-OMALAngleseatARESOK.jpg

Valvola pneumatica ARES flangiata

  • caratteristiche
  • dimensioni
  • specifiche
  • accessori
  • documenti

CARATTERISTICHE GENERALI:
Materiale del corpo valvola: A351-CF3M (316L S.S.).
Attacchi valvola: Vedi schema di codifica.
Montaggio in ogni posizione: orizzontale, verticale, obliqua.
Gamma disponibile da DN 15 a DN 50 nelle versioni doppio effetto; semplice effetto: normalmente chiusa,normalmente chiusa anticolpo d’ariete e normalmente aperta.
Le prestazioni e i diagrammi delle pressioni sono le medesime delle versioni standard ma limitate a PN16
A richiesta: versioni per vuoto e per uso ossigeno
Configurazione ATEX 2014/34/UE da richiedere in fase d'ordine

FLUIDO DI COMANDO:
FFluido di pilotaggio: aria compressa lubrificata o secca, gas e fluidi neutri;
Temperatura ambiente: da -10°C a +60° C

FLUIDO INTERCETTATO:
Aria, acqua, alcool, olii, carburanti, soluzioni saline, vapore, ecc..(comunque compatibili con CF3M (316L S.S.) e PTFE)
Pressione di utilizzo da 0 a 16 bar (vapore a 180°C da 0 a 10 bar) in funzione della misura e della versione scelta vedi pagine seguenti.
Temperatura da -10°C a +180°C.
Viscosità massima 600 cst (mm2/s).

Flangiate UNI EN1092-1

VALVOLA FLANGIATA ANSI 150RF SCART.ASME B16.10 A1
DN [mm]
H
L
øN
øP
øQ
øR
F
15
11,39,735,1
89,0
60,5
16,0
108,0
20
12,811,2
42,9
99,0
69,816,0
117,0
25
15,0
13,4
50,8
108,0
79,2
16,0
127,0
32
15,814,2
63,5
117,0
88,9
16,0
140,0
40
18,0
16,4
73,0
127,0
98,616,0
165,0
50
19,1
17,5
91,9
152,0
120,619,0
178,0
  
VALVOLA FLANGIATA RIDOTTA
DN [mm]
H
øP
øQ
øR
F
15
7,0
70,0
50,0
7,0
104,5
20
8,0
75,0
55,0
9,0
119,5
25
9,0
80,0
60,0
9,0
134,5
32
9,0
90,0
70,0
9,0
149,5
40
10,0
100,0
80,0
9,0
164,5
50
10,0
110,0
90,0
11,0
179,5

A richiesta versioni:
flangiate ASME 150 RF;
flangiate ridotte

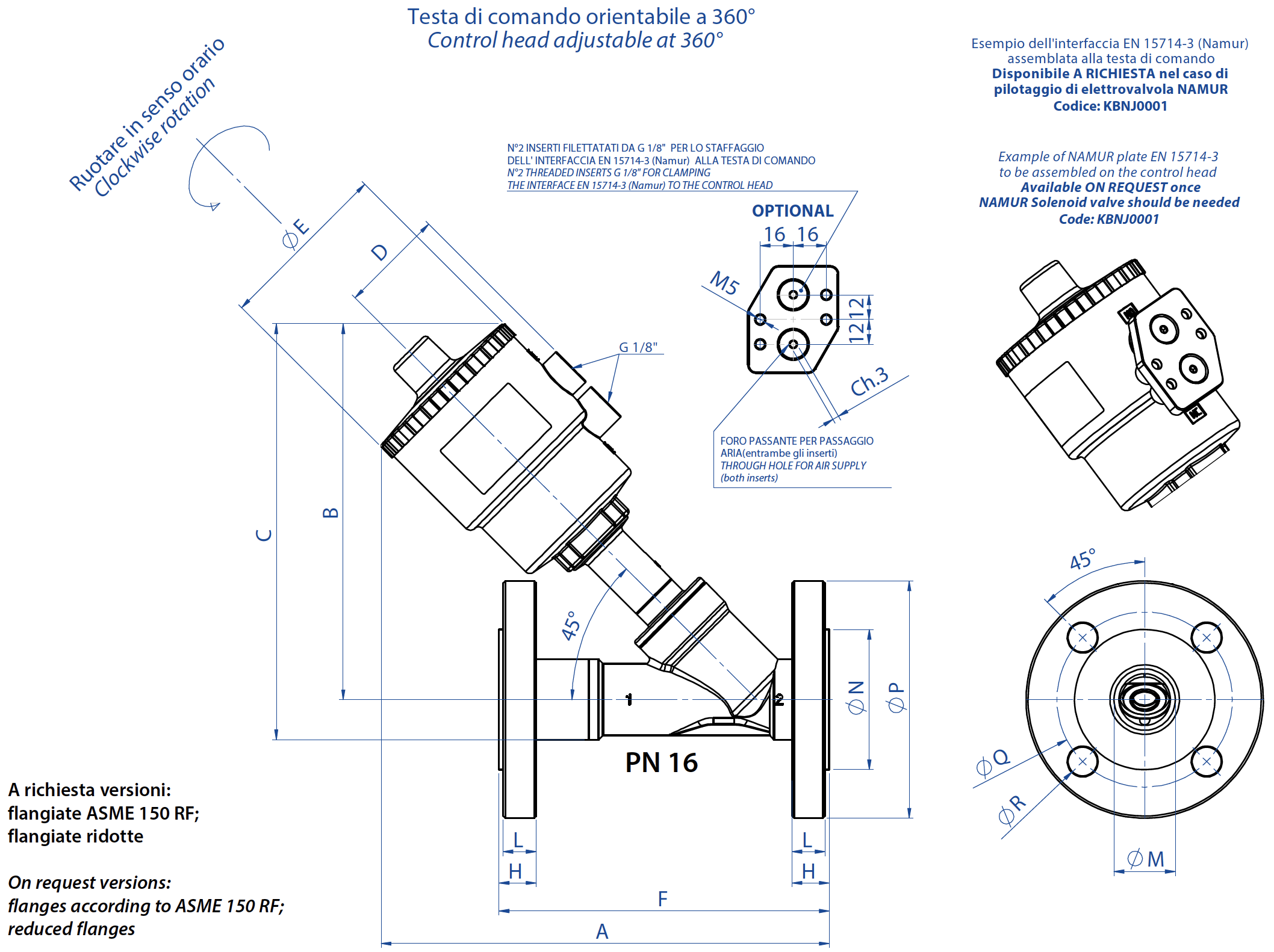
DIMENSIONI
DN [mm]Testa di comando
Control head
ABCDøEFHLøMøNøPøQøR
15ø 50182,5156203,54470130161418,145956514
20ø 50192,3160212,54470150181623,7581057514
20ø 63210,3178230,550,584,4150181623,7581057514
25ø 50197,36164221,54470160181629,7681158514
25ø 63216,36182239,550,584,4160181629,7681158514
25ø 90256,36222279,566,2116,4160181629,7681158514
32ø 50202,51682384470180181638,47814010018
32ø 63220,518625650,584,4180181638,47814010018
32ø 90260,522629666,2116,4180181638,47814010018
32ø 110296,526133177,4140,6180181638,47814010018
40ø 63228,619026550,584,4200181544,38815011018
40ø 90268,623030566,2116,4200181544,38815011018
40ø 110304,226634177,4140,6200181544,38815011018
50ø 63241,87200282,550,584,4230181555,710216512518
50ø 90281,87240322,566,2116,4230181555,710216512518
50ø 110317,87276358,577,4140,6230181555,710216512518
Suggested executions are in bold. Other combinations on request.

MODALITA' DI IMPIEGO

Tappo per finecorsa

Il tappo speciale, in materiale plastico trasparente, presenta due scanalature per poter fissare e regolare velocemente i finecorsa a contatto magnetico.I finecorsa sono provvisti di un LED interno visibile quando il finecorsa stesso è eccitato.Sono disponibili finecorsa di tipo REED e ad effetto HALL con collegamento libero o già cablati M12.Il tappo ha un grado di protezione IP68.Attenzione: per permettere il corretto fissaggio nell'alloggiamento del finecorsa, l'indicatore visivo, quando la valvola è completamente aperta, nonarriva all'estremità del tappo. I finecorsa devono essere regolati una volta installata la valvola in impianto.

Codice kitDimensione testa A mm
 B mm
KFJM16
∅ 503077
KFJM18
∅ 632687
KFJM21
∅ 901597
KFJM23
∅ 1108107

Il kit non comprende i finecorsa.

Limitatore della corsa
Consente di limitare la corsa dell’otturatore valvola in apertura e quindi di regolare la portata. Disponibile per tutte le versioni. Nelle versioni semplice effetto normalmente aperte può essere utilizzato anche come comando manuale di emergenza.

Comando
 A mm
Codice
∅ 50 25,5
KLJL0016
∅ 63 21,5
KLJL0018
∅ 90 5,2
KLJL0021
∅ 1105,9
KLJL0023

Non disponibile con testa ∅ 40.

Comando manuale di emergenza
Consente di effettuare l’apertura della valvola in caso di emergenza (mancanza di fluido di pilotaggio, guasto all’impianto, mancanza di segnale di pilotaggio ecc..). Disponibile per tutte le valvole nelle versioni normalmente chiuse.

Comando  
mm
Codice
∅ 50
35,8
KLJA0016
∅ 63
35,8
KLJA0018
∅ 90
29,5
KLJA0021
∅ 110
29,5
KLJA0023

Non disponibile con testa ∅ 40

Elettropilota 3/2 - Elettrovalvola 3/2 - 5/2

Elettrovalvola di comando
Elettropilota 3/2 per il montaggio diretto.
Corpo e bobina orientabili sui 360°
Comando manuale standard.
Elettrovalvola (NAMUR) predisposta per la selezione tra la funzione 5/2 e 3/2 che si realizza montando la corrispondente basetta (entrambe fornite).
Temperatura ambiente da -10°C a +50°C

Voltaggio24 Vac115 Vac230 Vac24 Vdc
ElettropilotaEP415024EP415110EP415220EP412024

Voltaggio24 Vac115 Vac230 Vac24 Vdc
Elettrovalvola NAMUR* ER8188A2ER8188A4ER8188A5ER8188C2
Interfaccia NAMURKBNJ0001 Non disponibile con testa ∅ 40

* Da utilizzare solo con interfaccia NAMUR

Box di segnalazione
Il box di segnalazione per il controllo della posizione aperto o chiuso con due finecorsa meccanici o induttivi é adatto al montaggio su tutta la serie di valvole con attuatori ∅50 - ∅63 - ∅90 - ∅110.
A richiesta sono disponibili i morsetti per collegare l’elettrovalvola e indicatori visivi tramite led.
Grado di protezione IP 65
Temperatura ambiente da -20°C a +70°C
Accesso cavo n°1 PG11
Materiale dell’involucro in poliammide con coperchio in polimetacrilato trasparente.

Comando
A
mm

∅ 50  
52,1
∅ 63
47,5
∅ 90
37,7
∅ 110
29,5

TIPI DI FINECORSA DISPONIBILI

Interruttori di finecorsa induttivi NAMUR EExia
Tensione nominale: 8 Vdc
Consumo: azionato ≤1 mA; rilasciato ≥3 mA
Temperatura di funzionamento: da -20° C a +70 C

Configurazione Codice 
1 finecorsa: alto in posizione di valvola aperta
KSIN9A0xx
1 finecorsa: basso in posizione di valvola chiusa
KSIN9C0xx
2 finecorsa valvola aperta e chiusa
KSIN920xx

Interruttori finecorsa di prossimità
Tensione nominale: 10÷30 Vdc
Consumo: 15 mA;
Temperatura di funzionamento: da -20° C a +70° C

Configurazione Codice 
1 finecorsa: alto in posizione di valvola apertaKSI09A0xx
1 finecorsa: basso in posizione di valvola chiusaKSI09C0xx
2 finecorsa valvola aperta e chiusa
KSI0920xx

Interruttori di finecorsa meccanici
Finecorsa alto: valvola aperta
Finecorsa basso: valvola chiusa
Carico max: 5A 250 Vac; 1A 250 Vdc

Configurazione
Codice
2 finecorsa
KSM0C20xx

xx = Ø testa di comando    
16 = Ø50
18 = Ø63
21 = Ø90
23 = Ø110

CONFIGURA AZIONAMENTO
Seleziona i parametri di ricerca
CERCA ARTICOLO
X CHIUDI

PROSSIMO EVENTO

IVS - Industrial Valve Summit 2026
IVS - Industrial Valve Summit 2026
Bergamo, Italia, 19 - 21 maggio 2026