images/testate/header-valvole-farfalla.jpg

Затвор дисковый, артикул 490-492-493

Затвор дисковый, артикул 490-492-493

Затвор дисковый двухходовой с резьбой по ISO 228/1, DIN 11851, под приварку

АРТИКУЛ 490

Присоединения: Резьбовые по ISO 228/1,
Материалы: сталь нерж. 304 SS
АРТИКУЛ 492

Присоединения: DIN 11851,
Материалы: сталь нерж. 304 SS
АРТИКУЛ 493

Присоединения: DIN 11850, ряд 1,
Материалы: сталь нерж. 304 S.S

НАСТРОЙКА Привод
ЗАПРОС ИНФОРМАЦИИ
РАСПЕЧАТАТЬ СТРАНИЦУ
  • характеристики
  • размеры
  • материалы
  • диаграммы и пусковые моменты

СТАНДАРТНЫЕ ИСПОЛНЕНИЯ:
- Затвор полностью изготовлен из нержавеющей стали марки 304 (серия 490-492-493) и 316L (серия 494).
- Затвор предназначен для применений, требующих обеспечения особенных санитарных условий.
- Рабочая температура: от 0°C до + 150°C.
- Рабочее давление: PN 6
- Рабочая среда: для пищевых применений.
- Присоединения:

  • резьбовые для газов по стандарту DIN/ISO 228/1;
  • резьбовые для пищевых продуктов по стандарту DIN 11851.
  • приварка головки по стандарту DIN 11850-1;
  • Зажимная соединительная муфта BS 4825 (DIN 32676, ряд «C»)
 - Внешняя обработка: полировка.

ИСПОЛНЕНИЯ ПОД ЗАКАЗ:

- Резьбовое по SMS 1146
- Резьбовое по MACON
- Зажимная соединительная муфта по DIN 32676, ряд A
- Зажимная соединительная муфта по ISO 2852
- По другим применениям консультироваться в нашем коммерческом отделе

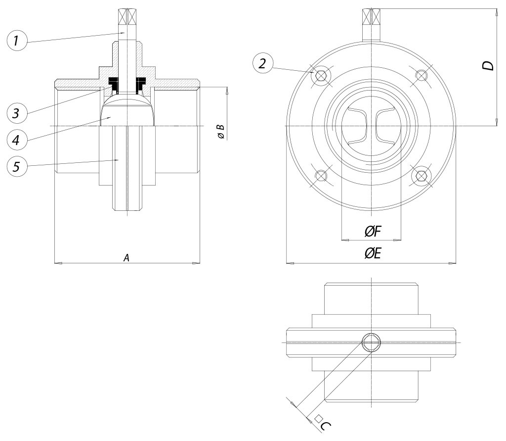
  • АРТИКУЛ 490
  • АРТИКУЛ 492
  • АРТИКУЛ 493

АРТИКУЛ 490 ISO 228/1

РАЗМЕРЫ  
УСЛОВНЫЙ ПРОХОД  
A
ØB
C
D
øE
øF
DN [mm]
[дюймы]
DN 25
1"
68
289
58
79
25
DN 32
1" 1/4
76
349
63
85
32
DN 40
1" 1/2
76
409
65
92
40
DN 50
2"
80
529
71
105
50
DN 65
2" 1/2
82
709
81
125
65
DN 80
3"
84
8511
88
137
80
DN 100
4"
88
10411
100
157
100

АРТИКУЛ 492 DIN 11851

РАЗМЕРЫ   
УСЛОВНЫЙ ПРОХОД
A
ØB
C
D
øE
øF
DN [mm]
[дюймы]
DN 25
1"
68
52X1/6
9
58
79
25
DN 32
1" 1/4
76
58X1/6
9
63
85
32
DN 40
1" 1/2
76
65x1/6
9
65
92
40
DN 50
2"
80
78X1/6
9
71
105
50
DN 65
2" 1/2
82
95x1/6
9
81
125
65
DN 80
3"
84
110X1/4
11
88
137
80
DN 100
4"
88
130X1/4
11
100
157
100

АРТИКУЛ 493 DIN 11850 РЯД 1

РАЗМЕРЫ   
УСЛОВНЫЙ ПРОХОД  
A
ØB
C
D
øE
øF
DN [mm]
[дюймы]
DN 25
1"
68
29
9
58
79
25
DN 32
1" 1/4
76
35
9
63
85
31
DN 40
1" 1/2
76
41
9
65
92
37
DN 50
2"
80
53
9
71
105
49
DN 65
2" 1/2
82
70
9
81
125
66
DN 80
3"
84
85
11
88
137
81
DN 100
4"
88
104
11
100
157
100

  • АРТИКУЛ 490
  • АРТИКУЛ 492
  • АРТИКУЛ 493

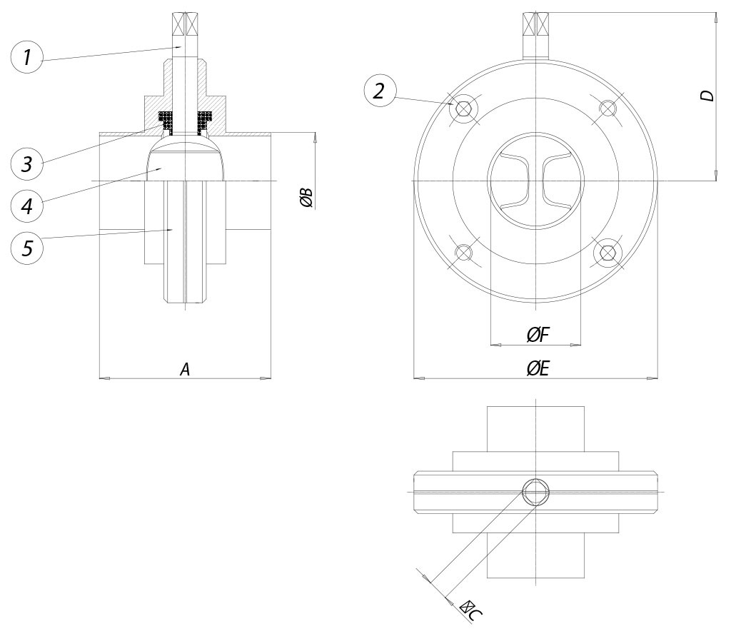
АРТИКУЛ 490 ISO 228/1

АРТИКУЛ 490 ISO 228/1 МАТЕРИАЛЫ
1
Шпиндель
сталь нерж. 304 S.S.
1.4301
UNI X5CrNi 18 10
2
Винты зажимные
сталь нерж. 304 S.S
1.4301
UNI X5CrNi 18 10
3*
Прокладки уплотнения внутреннего  
Силикон


4
Диск
CF8M
1.4301
UNI X5CrNi 18 10
5
Половинки корпуса
сталь нерж. 304 S.S
1.4301
UNI X5CrNi 18 10
* Входит в комплект запасных частей KGBV70...

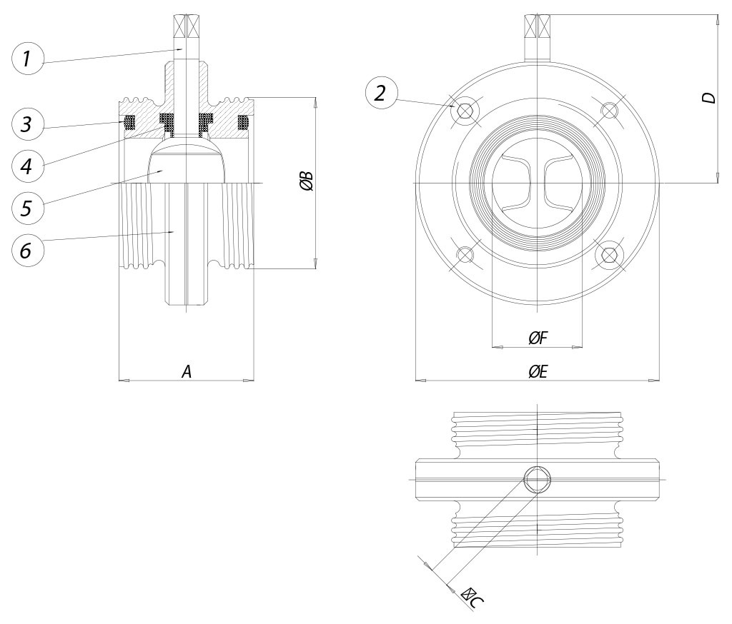
АРТИКУЛ 492 DIN 11851

АРТИКУЛ 492 DIN 11851 МАТЕРИАЛЫ
1
Шпиндель
сталь нерж. 304 S.S.
1.4301
UNI X5CrNi 18 10
2
Винты зажимные
сталь нерж. 304 S.S.
1.4301
UNI X5CrNi 18 10
3**
Прокладки уплотнения бокового
Силикон


4*
Прокладки уплотнения внутреннего
Силикон


5
Диск
CF8M
1.4301
UNI X5CrNi 18 10
6
Половинки корпуса
сталь нерж. 304 S.S.
1.4301
UNI X5CrNi 18 10
* Main seat spare part
** Components of complete spare part

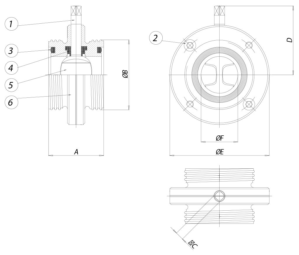
АРТИКУЛ 493 DIN 11850 РЯД 1

АРТИКУЛ 493 DIN 11850 РЯД 1 МАТЕРИАЛЫ
1
Шпиндель
сталь нерж. 304 S.S.
1.4301
UNI X5CrNi 18 10
2
Винты зажимные
сталь нерж. 304 S.S.
1.4301
UNI X5CrNi 18 10
3*
Прокладки уплотнения внутреннего
Силикон


4
Диск
CF8M
1.4301
UNI X5CrNi 18 10
5
Половинки корпуса
сталь нерж. 304 S.S.
1.4301
UNI X5CrNi 18 10
* Входит в комплект запасных частей KGBV70...

МОМЕНТЫ СТРАГИВАНИЯ в Н·м  
УСЛОВНЫЙ ПРОХОД 
DN 25
1"
DN 32 1"1/4
DN 40 1"1/2
DN 50
2"
DN 65 2"1/2
DN 80
3"
DN 100
4"

PN 6 bar
7
9
15
18
29
43
65


Значения момента могут варьировать в зависимости от температуры и типа рабочей среды. Применять коэффициент запаса прочности, равный 1,4. При часто повторяющихся циклах открывания и закрывания рабочий момент может значительно снижаться по сравнению с первоначальным. Показанные на последующих страницах присоединения привода к арматуре относятся к арматуре, перекрывающей чистые жидкие или газообразные среды при средних температурах. Для получения более подробной информации и иным применениям консультироваться с нашим техническим отделом.

НАСТРОЙКА ВОДИТЬ МАШИНУ
Выберите параметры поиска
ПОИСК ИЗДЕЛИЯ
X ЗАКРЫТЬ

СЛЕДУЮЩЕЕ СОБЫТИЕ

IVS - Industrial Valve Summit 2026
IVS - Industrial Valve Summit 2026
Bergamo, Italy, 19 - 21 may 2026