images/testate/1600x499accattuatori.jpg

KPFH ATEX Позиционер Smart HART взрывозащищенный 4-20 мА

II 2 G EEX ia/ib IIB/IIC T4/T6

Взрывозащищенное исполнение
СТАНД. ИСПОЛНЕНИЕ
Золотниковый пневмоаппарат
СТАНД. ИСПОЛНЕНИЕ
Исполнение двойного действия
ДА
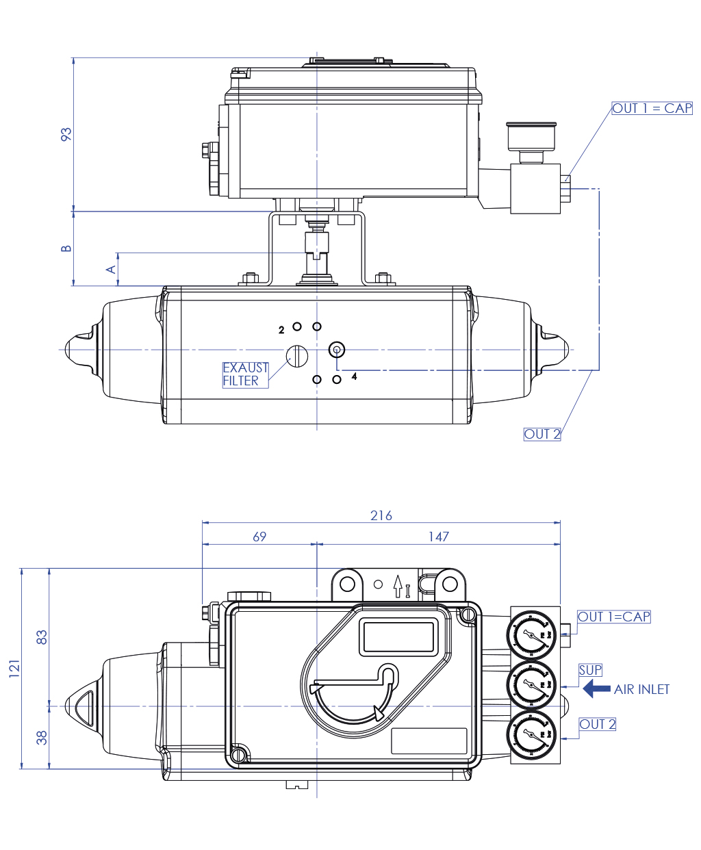
Коллектор в сборе с манометрами
ДА
Алюминиевый кожух с эпоксидным ЛКП
СТАНД. ИСПОЛНЕНИЕ
Кожух из нержавеющей стали
ДОП. КОМПЛЕКТАЦИЯ
Коммуникатор Smart Hart
ДА

ПОЗИЦИОНЕР ПРОДАЕТСЯ УЖЕ ОТКАЛИБРОВАННЫМ, ЕСЛИ ПРИОБРЕТАЕТСЯ ВМЕСТЕ С ПНЕВМАТИЧЕСКИМ ПРИВОДОМ ПРОИЗВОДСТВА «OMAL S.P.A.»; ЕСЛИ ЖЕ ПРОДАЕТСЯ ОТДЕЛЬНО, ЗА КАЛИБРОВКУ ОТВЕЧАЕТ ЗАКАЗЧИК. «OMAL S.p.A.» НЕ НЕСЕТ ОТВЕТСТВЕННОСТИ ЗА НАСТРОЙКИ.

ОСНОВНЫЕ ХАРАКТЕРИСТИКИ
- Позиционер интеллектуальный SRD991 спроектирован для управления пневматическими приводами. Простота настройки благодаря функции автозапуска коммуникатора HART. Дополнительно предлагается сетевая шина PROFIBUSPA / FOUNDATION Fieldbus H1, отвечающая требованиям стандартов FISCO / FoxCom. В исполнении с обратной связью снабжен функцией ретрансляции сигнала положения для непрерывного контроля арматуры (4 – 20 мА).
- Окрашенный эпоксидной краской алюминиевый кожух
- Рабочая температура: от -40°C до 80°C
- ИСПОЛНЕНИЕ: одинарного или двойного действия
- ВХОД / СВЯЗЬ: 4-20 мА, и протокол HART
- ДОПОЛНИТЕЛЬНЫЕ ВЫХОДЫ И ВЫХОДЫ: нет
- ВНУТРЕННИЕ КОНЦЕВЫЕ ВЫКЛЮЧАТЕЛИ: нет
- ЭЛЕКТРИЧЕСКОЕ ПОДКЛЮЧЕНИЕ: M20x1.5, в комплекте с кабельным вводом
- ЭЛЕКТРИЧЕСКОЕ ИСПОЛНЕНИЕ: ATEX, II 2 G EEx ia/ib IIB/IIC T4/T6
- Степень защиты: IP65 (IP66 по требованию)

ПРИЛАГАЕМЫЕ ПРИНАДЛЕЖНОСТИ
-Усилитель пневматический типа золотникового пневмоаппарата
- Коллектор с манометрами и присоед. фитингами 1/4-18 NPT
- Набор для монтажа поворотного привода в соответствии с VDI/VDE 3845
- ЖК-дисплей с меню конфигурации на 3 языках: английском, немецком и итальянском (другие по требованию)

ДОПОЛНИТЕЛЬНОЕ ОБОРУДОВАНИЕ
- Передатчик положения арматуры 4-20 мА искробезопасный
- 2 концевых выключателя NAMUR или искробезопасных микровыключателей PNP-типа
- Кожух из нержавеющей стали 316
- Кожух и манометры из нержавеющей стали 316

СЕРТИФИКАТЫ
- Требуемая декларация соответствия по взрывозащищенному оборудованию ATEX II 2 G EEx ia/ib IIB/IIC T4/T6 + другие по требованию.

FOXBORO ECKART-SRD991

ПРИМЕЧАНИЯ
По требованию позиционеры пневматические и электропневматические поставляются отрегулированными и смонтированными с использованием
алюминиевых труб с покрытием и быстроразъемных соединений.
Более подробно см. в руководстве по эксплуатации и техническому

Позиционер с приводом двойного действия

Позиционер с приводом простого действия

Размеры A и B см. на стр. 75.

Искать по коду 
X ЗАКРЫТЬ

СЛЕДУЮЩЕЕ СОБЫТИЕ

IVS - Industrial Valve Summit 2026
IVS - Industrial Valve Summit 2026
Bergamo, Italy, 19 - 21 may 2026