คุณลักษณะทางเทคนิค
- อุปกรณ์นี้ออกแบบมาเพื่อให้สามารถใช้งานวาล์วได้ในกรณีฉุกเฉิน เมื่อไม่มีลมอัด สำหรับวาล์วที่ควบคุมด้วยแอคชูเอเตอร์แบบหมุน 1/4 รอบ โดยติดตั้งอุปกรณ์นี้ระหว่างวาล์วกับแอคชูเอเตอร์แบบนิวเมติก เมื่ออยู่ในโหมดตัดการทำงาน แอคชูเอเตอร์จะขับวาล์วโดยตรง แต่เมื่ออยู่ในโหมดต่อการทำงาน จะสามารถใช้งานฉุกเฉินโดยหมุนแอคชูเอเตอร์และทำให้ก้านวาล์วหมุนตามได้ นอกจากนี้ยังสามารถหมุนวาล์วด้วยมือได้โดยตรงหากต้องถอดแอคชูเอเตอร์ออกเพื่อเปลี่ยนหรือซ่อมแซม
- ระดับการป้องกัน IP65
- อุณหภูมิการทำงาน -20°C ถึง +80°C
วัสดุ
- ตัวเรือน: อะลูมิเนียมอัลลอย G-AISi10Mg
- เฟืองตัวหนอน: เหล็กหล่อ GJS 400 - 15
- สกรูตัวหนอน: เหล็ก C45
- เพลาขับ: เหล็ก C45
- ล้อมือหมุน: เหล็ก S235JR
แรงบิดขาออกสูงสุดของกล่องเกียร์ | |
|---|---|
RFDA0B1114 | 280 Nm |
RFDA0B1414 | 280 Nm |
| RFDB0D1717 | 270 Nm |
| RFDC0F2222 | 530 Nm |
| RFDD122727 | 740 Nm |
กล่องเกียร์แบบมือหมุนสำหรับแอคชูเอเตอร์ชนิด Double Acting / Spring Return
การตัดการทำงาน
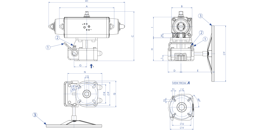
ดึงปุ่มหมุน (2) ออกมาด้านนอกพร้อมกับหมุนคันโยก (1) ขึ้นด้านบน จากนั้นปล่อยปุ่มหมุน (2) และตรวจสอบให้แน่ใจว่าปุ่มกลับเข้าสู่ตำแหน่งเดิม (จนได้ยินเสียงคลิก) ในขั้นตอนนี้คันโยก (1) จะไม่สามารถหมุนได้ กล่องเกียร์อยู่ในโหมดตัดการทำงาน และล้อมือหมุน (3) จะหมุนได้อย่างอิสระ
การเชื่อมต่อการทำงาน
เพื่อเชื่อมต่อการทำงาน ให้ทำตามขั้นตอนเดียวกับที่อธิบายไว้ข้างต้น แต่หมุนคันโยก (1) ลงด้านล่าง ในขั้นตอนนี้กล่องเกียร์จะอยู่ในโหมดเชื่อมต่อการทำงาน และสามารถหมุนล้อมือหมุน (3) เพื่อใช้งานด้วยมือได้
| ตารางขนาด | ||||||||
|---|---|---|---|---|---|---|---|---|
| กล่องเกียร์ | RFDA0B1414 | RFDB0D1717 | RFDB0D1717 | RFDC0F2222 | RFDC0F2222 | RFDC0F2222 | RFDD122727 | RFDD122727 |
| ชุดแอคชูเอเตอร์ - กล่องเกียร์ | KCF072623 | KCF072623 | KCF072623 | KCF102726 | KCF102726 | KCF102726 | KCF124042 | KCF124042 |
| แอคชูเอเตอร์ | DAN0060 F05-F07 | DAN0106 F05-F07 | DAN0120 F05-F07 | DAN0180 F07-F10 | DAN0240 F07-F10 | DAN0360 F07-F10 | DAN0480 F10-F12 | DAN0720 F10-F12 |
| แอคชูเอเตอร์ | SRN0030 F05-F07 | SRN0053 F05-F07 | SRN0060 F05-F07 | SRN0090 F07-F10 | SRN0120 F07-F10 | SRN0180 F07-F10 | SRN0240 F10-F12 | SRN0360 F10-F12 |
| A mm. | 198 | 237 | 244,1 | 289,9 | 313,6 | 339,3 | 387,6 | 433,1 |
| A1 mm. | 258,8 | 304,2 | 338,5 | 393,7 | 409,6 | 474 | 520,5 | 613 |
| B mm. | 70,4 | 83,3 | 87 | 107,5 | 111,1 | 118 | 134,9 | 148 |
| C mm. | 190,4 | 221,3 | 225 | 261,5 | 265,1 | 272 | 326,9 | 340 |
| D mm. | 45 | 62,5 | 62,5 | 70 | 70 | 70 | 95 | 95 |
| E mm. | 130 | 150 | 150 | 180 | 180 | 180 | 300 | 300 |
| ØF mm. | 200 | 200 | 200 | 400 | 400 | 400 | 400 | 400 |
| G mm. | 44 | 52 | 52 | 65 | 65 | 65 | 85 | 85 |
| H mm. | 100 | 118 | 118 | 124 | 124 | 124 | 162 | 162 |
| I mm. | 70,4 | 83,3 | 87 | 107,5 | 111,1 | 118 | 134,9 | 148 |
| L mm. | 16,3 | 21,5 | 21,5 | 26,5 | 26,5 | 26,5 | 29,5 | 29,5 |
| M mm. | 14 | 17 | 17 | 22 | 22 | 22 | 27 | 27 |
| N mm. | 125 | 150 | 150 | 185 | 185 | 185 | 230 | 230 |
| ØK mm. | 50 | 70 | 70 | 102 | 102 | 102 | - | - |
| ØP mm. | 70 | 102 | 102 | 125 | 125 | 125 | 125 | 125 |
| Q mm. | 90 | 125 | 125 | 140 | 140 | 140 | 190 | 190 |
| ØR1 mm. | 8,5 | 11 | 11 | 12,5 | 12,5 | 12,5 | 12,5 | 12,5 |
| ØR2 mm. | 6,5 | 8,5 | 8,5 | 10,5 | 10,5 | 10,5 | - | - |
| □ S mm. | 14 | 17 | 17 | 22 | 22 | 22 | 27 | 27 |
| T1 mm. | M8 | M10 | M10 | M12 | M12 | M12 | M12 | M12 |
| T2 mm. | M6 | M8 | M8 | M10 | M10 | M10 | - | - |
| ØU | 50 | 70 | 70 | 102 | 102 | 102 | - | - |
| ØV | 70 | 102 | 102 | 125 | 125 | 125 | 125 | 125 |
| □ Z | 14 | 17 | 17 | 22 | 22 | 22 | 27 | 27 |
| ตารางขนาด | |||||||
|---|---|---|---|---|---|---|---|
| กล่องเกียร์ | RRD04EG0EG 0000000381004 | RRD06FH0GH 0000000421004 | RRD06FH0GH 0000000421004 | RRD08HL0HL 0000000351004 | RRD08HL0HL 0000000351004 | RRD08HL0HL 0000000381004 | RRD09LM0LM 0000000351004 |
| ชุดแอคชูเอเตอร์ DA - กล่องเกียร์ | KCF145371 | KCF145163 | KCF165164 | KCF165165 | KCF165165 | KCF255166 | KCF255168 |
| ชุดแอคชูเอเตอร์ SR - กล่องเกียร์ | KCF165165 | ||||||
| แอคชูเอเตอร์ | DAN0960 F10-F12 | DAN1440 F14 | DAN1920 F14 | DA2880 F16 | DA3840 F16 | DA5760 F25 | DA8000 F25 |
| แอคชูเอเตอร์ | SRN0480 F10-F12 | SRN0720 F14 | SRN0960 F14 | SR1440 F16 | SR1920 F16 | SR2880 F16 | SR4000 F25 |
| A mm. | 223 | 280 | 280 | 447 | 447 | 447 | 433 |
| B mm. | 358 | 410 | 432 | 568 | 523,5 | 568 | 603 |
| C mm. | 306 | 356 | 356 | 444 | 444 | 444 | 461 |
| D mm. | 479,3 | 567,1 | 601 | 667 | 718 | 885 | 1044 |
| D1 mm. | 648,2 | 798 | 828 | 708 | 975 | 1201 | 1371 |
| ØE mm. | 600 | 700 | 700 | 500 | 500 | 600 | 500 |
| F mm. | 85 | 127 | 127 | 162 | 162 | 162 | 183 |
| G mm. | 57 | 62 | 62 | 72 | 72 | 72 | 61 |
| ØH mm. | 54 | 75 | 75 | 90 | 90 | 90 | 140 |
| I mm. | 58,3 | 79,9 | 79,9 | 97,4 | 97,4 | 97,4 | 147,6 |
| ØJ mm. | 102 | 125 | 125 | 165 | 165 | 165 | 254 |
| ØK mm. | 140 | 165 | 165 | 254 | 254 | 254 | 298 |
| ØL mm. | - | - | - | - | - | - | - |
| M mm. | M10 | M12 | M12 | M20 | M20 | M20 | M16 (N°8) |
| ØN mm. | M16 | M20 | M20 | M16 (N°8) | M20 (N°8) | M16(N°8) | M20 (N°8) |
| P mm. | - | - | - | - | - | - | - |
| F/F ISO 5211 | F10/F14 | F12/F16 | F12/F16 | F16/F25 | F16/F25 | F16/F25 | F25/F30 |
| ØQ mm. | 75 | 102 | 102 | 130 | 130 | 130 | 180 |
| R mm. | 2 | 7 | 7 | 6 | 6 | 6 | 4 |
| S mm. | 69 | 99 | 99 | 121 | 121 | 121 | 134 |
| ความสูงก้านวาล์วสูงสุด mm. | 66 | 92 | 92 | 113 | 113 | 113 | 90 |
| น้ำหนัก (DA) Kg. | 39 | 78 | 87 | 140 | 144 | 177 | 210 |
| น้ำหนัก (SR) Kg. | 40,5 | 78 | 87 | 155 | 160 | 210 | 230 |