TEMEL ÖZELLİKLER
- Bu operatör, bir arıza veya elektrik kesintisi (basınçlı hava) durumunda 1/4 turda bir pnömatik döner aktüatör ile kontrol edilen vanalarda acil durum manevrası yapmak üzere tasarlanmıştır. Operatör, vana ve pnömatik aktüatör arasına monte edilmiştir. Operatör bağlantısı kesildiğinde, aktüatör vanayı doğrudan kontrol eder. Yerleştirilen operatör, aktüatörü ve dolayısıyla vana tapasını sürükleyerek acil durum manevrasına izin verir. Ayrıca, olası bir değiştirme veya onarım için pnömatik aktüatörün çıkarılması gerektiğinde vananın her zaman manüel çalışmasına izin verir.
- IP65 KORUMA DERECESİ
- Çalışma sıcaklığı -20°C + 80°C
MALZEMELER
- Gövde Alüminyum alaşımı G-AISi10Mg
- Dişli çark: Döküm GJS 400 - 15
- Sonsuz vida C45 çelik
- Mil: C45 çelik
- El çarkı: S235JR çelik
REDÜKTÖR ÇIKIŞI MAKSİMUM TORK | |
|---|---|
RFDA0B1114 | 280 Nm |
RFDA0B1414 | 280 Nm |
| RFDB0D1717 | 270 Nm |
| RFDC0F2222 | 530 Nm |
| RFDD122727 | 740 Nm |
Çift/Tek Etkili aktüatör üzerindeki el çarklı redüktör
ÇIKARMA
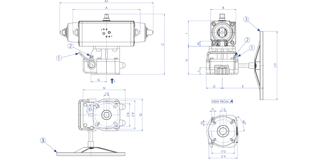
Düğmeyi (2) dışarı doğru çekin ve aynı zamanda kolu çevirin (1) yukarı doğru, bu sırada düğmeyi (2) bırakın ve ilk konumuna döndüğünden emin olun (bir tık sesi duyana kadar), bu noktada kol (1) artık dönemeyecektir redüktör devre dışı bırakılır ve volan (3) boşta döner.
TAKMA
Takmak için, daha önce anlatıldığı gibi çalışmak, ancak kolu (1) yukarıdan aşağıya çevirmek gereklidir; bu noktada redüktör takılır ve el çarkı (3) ile manüel olarak çalıştırılabilir.
| BOYUT TABLOSU | ||||||||
|---|---|---|---|---|---|---|---|---|
| REDÜKTÖR | RFDA0B1414 | RFDB0D1717 | RFDB0D1717 | RFDC0F2222 | RFDC0F2222 | RFDC0F2222 | RFDD122727 | RFDD122727 |
| KIT AKTÜATÖRÜ - REDÜKTÖR | KCF072623 | KCF072623 | KCF072623 | KCF102726 | KCF102726 | KCF102726 | KCF124042 | KCF124042 |
| AKTÜATÖR | DAN0060 F05-F07 | DAN0106 F05-F07 | DAN0120 F05-F07 | DAN0180 F07-F10 | DAN0240 F07-F10 | DAN0360 F07-F10 | DAN0480 F10-F12 | DAN0720 F10-F12 |
| AKTÜATÖR | SRN0030 F05-F07 | SRN0053 F05-F07 | SRN0060 F05-F07 | SRN0090 F07-F10 | SRN0120 F07-F10 | SRN0180 F07-F10 | SRN0240 F10-F12 | SRN0360 F10-F12 |
| A mm. | 198 | 237 | 244,1 | 289,9 | 313,6 | 339,3 | 387,6 | 433,1 |
| A1 mm. | 258,8 | 304,2 | 338,5 | 393,7 | 409,6 | 474 | 520,5 | 613 |
| B mm. | 70,4 | 83,3 | 87 | 107,5 | 111,1 | 118 | 134,9 | 148 |
| C mm. | 190,4 | 221,3 | 225 | 261,5 | 265,1 | 272 | 326,9 | 340 |
| D mm. | 45 | 62,5 | 62,5 | 70 | 70 | 70 | 95 | 95 |
| E mm. | 130 | 150 | 150 | 180 | 180 | 180 | 300 | 300 |
| ØF mm. | 200 | 200 | 200 | 400 | 400 | 400 | 400 | 400 |
| G mm. | 44 | 52 | 52 | 65 | 65 | 65 | 85 | 85 |
| H mm. | 100 | 118 | 118 | 124 | 124 | 124 | 162 | 162 |
| I mm. | 70,4 | 83,3 | 87 | 107,5 | 111,1 | 118 | 134,9 | 148 |
| L mm. | 16,3 | 21,5 | 21,5 | 26,5 | 26,5 | 26,5 | 29,5 | 29,5 |
| M mm. | 14 | 17 | 17 | 22 | 22 | 22 | 27 | 27 |
| N mm. | 125 | 150 | 150 | 185 | 185 | 185 | 230 | 230 |
| ØK mm. | 50 | 70 | 70 | 102 | 102 | 102 | - | - |
| ØP mm. | 70 | 102 | 102 | 125 | 125 | 125 | 125 | 125 |
| Q mm. | 90 | 125 | 125 | 140 | 140 | 140 | 190 | 190 |
| ØR1 mm. | 8,5 | 11 | 11 | 12,5 | 12,5 | 12,5 | 12,5 | 12,5 |
| ØR2 mm. | 6,5 | 8,5 | 8,5 | 10,5 | 10,5 | 10,5 | - | - |
| □ S mm. | 14 | 17 | 17 | 22 | 22 | 22 | 27 | 27 |
| T1 mm. | M8 | M10 | M10 | M12 | M12 | M12 | M12 | M12 |
| T2 mm. | M6 | M8 | M8 | M10 | M10 | M10 | - | - |
| ØU | 50 | 70 | 70 | 102 | 102 | 102 | - | - |
| ØV | 70 | 102 | 102 | 125 | 125 | 125 | 125 | 125 |
| □ Z | 14 | 17 | 17 | 22 | 22 | 22 | 27 | 27 |
| BOYUT TABLOSU | |||||||
|---|---|---|---|---|---|---|---|
| REDÜKTÖR | RRD04EG0EG 0000000381004 | RRD06FH0GH 0000000421004 | RRD06FH0GH 0000000421004 | RRD08HL0HL 0000000351004 | RRD08HL0HL 0000000351004 | RRD08HL0HL 0000000381004 | RRD09LM0LM 0000000351004 |
| KIT AKTÜATÖRÜ DA-REDÜKTÖR | KCF145371 | KCF145163 | KCF165164 | KCF165165 | KCF165165 | KCF255166 | KCF255168 |
| KIT AKTÜATÖRÜ SR-REDÜKTÖR | KCF165165 | ||||||
| AKTÜATÖR | DAN0960 F10-F12 | DAN1440 F14 | DAN1920 F14 | DA2880 F16 | DA3840 F16 | DA5760 F25 | DA8000 F25 |
| AKTÜATÖR | SRN0480 F10-F12 | SRN0720 F14 | SRN0960 F14 | SR1440 F16 | SR1920 F16 | SR2880 F16 | SR4000 F25 |
| A mm. | 223 | 280 | 280 | 447 | 447 | 447 | 433 |
| B mm. | 358 | 410 | 432 | 568 | 523,5 | 568 | 603 |
| C mm. | 306 | 356 | 356 | 444 | 444 | 444 | 461 |
| D mm. | 479,3 | 567,1 | 601 | 667 | 718 | 885 | 1044 |
| D1 mm. | 648,2 | 798 | 828 | 708 | 975 | 1201 | 1371 |
| ØE mm. | 600 | 700 | 700 | 500 | 500 | 600 | 500 |
| F mm. | 85 | 127 | 127 | 162 | 162 | 162 | 183 |
| G mm. | 57 | 62 | 62 | 72 | 72 | 72 | 61 |
| ØH mm. | 54 | 75 | 75 | 90 | 90 | 90 | 140 |
| I mm. | 58,3 | 79,9 | 79,9 | 97,4 | 97,4 | 97,4 | 147,6 |
| ØJ mm. | 102 | 125 | 125 | 165 | 165 | 165 | 254 |
| ØK mm. | 140 | 165 | 165 | 254 | 254 | 254 | 298 |
| ØL mm. | - | - | - | - | - | - | - |
| M mm. | M10 | M12 | M12 | M20 | M20 | M20 | M16 (N°8) |
| ØN mm. | M16 | M20 | M20 | M16 (N°8) | M20 (N°8) | M16(N°8) | M20 (N°8) |
| P mm. | - | - | - | - | - | - | - |
| F/F ISO 5211 | F10/F14 | F12/F16 | F12/F16 | F16/F25 | F16/F25 | F16/F25 | F25/F30 |
| ØQ mm. | 75 | 102 | 102 | 130 | 130 | 130 | 180 |
| R mm. | 2 | 7 | 7 | 6 | 6 | 6 | 4 |
| S mm. | 69 | 99 | 99 | 121 | 121 | 121 | 134 |
| MAKS KOL mm. | 66 | 92 | 92 | 113 | 113 | 113 | 90 |
| Ağırlık (DA) Kg. | 39 | 78 | 87 | 140 | 144 | 177 | 210 |
| Ağırlık (SR) Kg. | 40,5 | 78 | 87 | 155 | 160 | 210 | 230 |