TECHNICAL FEATURES
- This operator has been designed in order to obtain an emergency operation of valves, controlled by 1/4 turn pneumatic actuator, whenever the compressed air is missing. The operator is mounted between the valve and the pneumatic actuator. With disengaged operator, the actuator drives the valve directly. The engaged operator allows the emergency operation moving the actuator and consequently the valve plug. Moreover it allows a manual operation of the valve if the actuator should be removed for replacement or repairing.
- Protection rate IP65
- Operating temperature -20°C + 80°C
MATERIALS
- Body: Alluminium alloy G-AISi10Mg
- Worm gear: Cast iron GJS 400 - 15
- Worm screw: Steel C45
- Shaft: Steel C45
- Hand weel: Steel S235JR
GEAR BOX MAX OUTPUT TORQUE | |
|---|---|
RFDA0B1114 | 280 Nm |
RFDA0B1414 | 280 Nm |
| RFDB0D1717 | 270 Nm |
| RFDC0F2222 | 530 Nm |
| RFDD122727 | 740 Nm |
Handwheel gearbox on Double Acting actuator/Spring Return actuator
DISENGAGEMENT
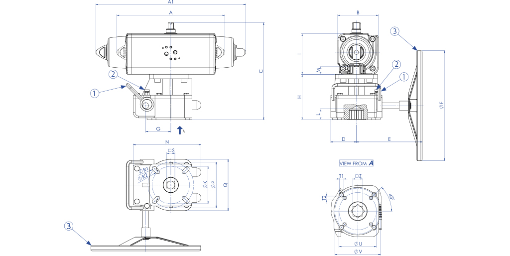
Pull the knob (2) towards outside and at the same time turn the lever (1) upward. In the meanwhile release the knob (2) and be sure that it comes back to the initial position (until you hear the click). At this point the lever (1) cannot turn, the gear box is disengaged and the wheel (3) turns in neutral.
ENGAGEMENT
For engaging it is necessary to operate and described above but turning the lever (1) downward. At this point the gear box is engaged and you can operate with the wheel (3) manually.
| DIMENSION TABLE | ||||||||
|---|---|---|---|---|---|---|---|---|
| GEAR BOX | RFDA0B1414 | RFDB0D1717 | RFDB0D1717 | RFDC0F2222 | RFDC0F2222 | RFDC0F2222 | RFDD122727 | RFDD122727 |
| KIT ACTUATOR - GEAR BOX | KCF072623 | KCF072623 | KCF072623 | KCF102726 | KCF102726 | KCF102726 | KCF124042 | KCF124042 |
| ACTUATOR | DAN0060 F05-F07 | DAN0106 F05-F07 | DAN0120 F05-F07 | DAN0180 F07-F10 | DAN0240 F07-F10 | DAN0360 F07-F10 | DAN0480 F10-F12 | DAN0720 F10-F12 |
| ACTUATOR | SRN0030 F05-F07 | SRN0053 F05-F07 | SRN0060 F05-F07 | SRN0090 F07-F10 | SRN0120 F07-F10 | SRN0180 F07-F10 | SRN0240 F10-F12 | SRN0360 F10-F12 |
| A mm. | 198 | 237 | 244,1 | 289,9 | 313,6 | 339,3 | 387,6 | 433,1 |
| A1 mm. | 258,8 | 304,2 | 338,5 | 393,7 | 409,6 | 474 | 520,5 | 613 |
| B mm. | 70,4 | 83,3 | 87 | 107,5 | 111,1 | 118 | 134,9 | 148 |
| C mm. | 190,4 | 221,3 | 225 | 261,5 | 265,1 | 272 | 326,9 | 340 |
| D mm. | 45 | 62,5 | 62,5 | 70 | 70 | 70 | 95 | 95 |
| E mm. | 130 | 150 | 150 | 180 | 180 | 180 | 300 | 300 |
| ØF mm. | 200 | 200 | 200 | 400 | 400 | 400 | 400 | 400 |
| G mm. | 44 | 52 | 52 | 65 | 65 | 65 | 85 | 85 |
| H mm. | 100 | 118 | 118 | 124 | 124 | 124 | 162 | 162 |
| I mm. | 70,4 | 83,3 | 87 | 107,5 | 111,1 | 118 | 134,9 | 148 |
| L mm. | 16,3 | 21,5 | 21,5 | 26,5 | 26,5 | 26,5 | 29,5 | 29,5 |
| M mm. | 14 | 17 | 17 | 22 | 22 | 22 | 27 | 27 |
| N mm. | 125 | 150 | 150 | 185 | 185 | 185 | 230 | 230 |
| ØK mm. | 50 | 70 | 70 | 102 | 102 | 102 | - | - |
| ØP mm. | 70 | 102 | 102 | 125 | 125 | 125 | 125 | 125 |
| Q mm. | 90 | 125 | 125 | 140 | 140 | 140 | 190 | 190 |
| ØR1 mm. | 8,5 | 11 | 11 | 12,5 | 12,5 | 12,5 | 12,5 | 12,5 |
| ØR2 mm. | 6,5 | 8,5 | 8,5 | 10,5 | 10,5 | 10,5 | - | - |
| □ S mm. | 14 | 17 | 17 | 22 | 22 | 22 | 27 | 27 |
| T1 mm. | M8 | M10 | M10 | M12 | M12 | M12 | M12 | M12 |
| T2 mm. | M6 | M8 | M8 | M10 | M10 | M10 | - | - |
| ØU | 50 | 70 | 70 | 102 | 102 | 102 | - | - |
| ØV | 70 | 102 | 102 | 125 | 125 | 125 | 125 | 125 |
| □ Z | 14 | 17 | 17 | 22 | 22 | 22 | 27 | 27 |
| DIMENSION TABLE | |||||||
|---|---|---|---|---|---|---|---|
| GEAR BOX | RRD04EG0EG 0000000381004 | RRD06FH0GH 0000000421004 | RRD06FH0GH 0000000421004 | RRD08HL0HL 0000000351004 | RRD08HL0HL 0000000351004 | RRD08HL0HL 0000000381004 | RRD09LM0LM 0000000351004 |
| KIT ACTUATOR DA -GEAR BOX | KCF145371 | KCF145163 | KCF165164 | KCF165165 | KCF165165 | KCF255166 | KCF255168 |
| KIT ACTUATOR SR -GEAR BOX | KCF165165 | ||||||
| ACTUATOR | DAN0960 F10-F12 | DAN1440 F14 | DAN1920 F14 | DA2880 F16 | DA3840 F16 | DA5760 F25 | DA8000 F25 |
| ACTUATOR | SRN0480 F10-F12 | SRN0720 F14 | SRN0960 F14 | SR1440 F16 | SR1920 F16 | SR2880 F16 | SR4000 F25 |
| A mm. | 223 | 280 | 280 | 447 | 447 | 447 | 433 |
| B mm. | 358 | 410 | 432 | 568 | 523,5 | 568 | 603 |
| C mm. | 306 | 356 | 356 | 444 | 444 | 444 | 461 |
| D mm. | 479,3 | 567,1 | 601 | 667 | 718 | 885 | 1044 |
| D1 mm. | 648,2 | 798 | 828 | 708 | 975 | 1201 | 1371 |
| ØE mm. | 600 | 700 | 700 | 500 | 500 | 600 | 500 |
| F mm. | 85 | 127 | 127 | 162 | 162 | 162 | 183 |
| G mm. | 57 | 62 | 62 | 72 | 72 | 72 | 61 |
| ØH mm. | 54 | 75 | 75 | 90 | 90 | 90 | 140 |
| I mm. | 58,3 | 79,9 | 79,9 | 97,4 | 97,4 | 97,4 | 147,6 |
| ØJ mm. | 102 | 125 | 125 | 165 | 165 | 165 | 254 |
| ØK mm. | 140 | 165 | 165 | 254 | 254 | 254 | 298 |
| ØL mm. | - | - | - | - | - | - | - |
| M mm. | M10 | M12 | M12 | M20 | M20 | M20 | M16 (N°8) |
| ØN mm. | M16 | M20 | M20 | M16 (N°8) | M20 (N°8) | M16(N°8) | M20 (N°8) |
| P mm. | - | - | - | - | - | - | - |
| F/F ISO 5211 | F10/F14 | F12/F16 | F12/F16 | F16/F25 | F16/F25 | F16/F25 | F25/F30 |
| ØQ mm. | 75 | 102 | 102 | 130 | 130 | 130 | 180 |
| R mm. | 2 | 7 | 7 | 6 | 6 | 6 | 4 |
| S mm. | 69 | 99 | 99 | 121 | 121 | 121 | 134 |
| MAX STEM HEIGHT mm. | 66 | 92 | 92 | 113 | 113 | 113 | 90 |
| Weight (DA) Kg. | 39 | 78 | 87 | 140 | 144 | 177 | 210 |
| Weight (SR) Kg. | 40,5 | 78 | 87 | 155 | 160 | 210 | 230 |