CARACTÉRISTIQUES PRINCIPALES
- Ce réducteur a été conçu pour effectuer une manoeuvre d’urgence sur les vannes commandées par un actionneur pneumatique rotatif 1/4 de tour, en cas de panne ou de perte d'alimentation (air comprimé). Le réducteur est monté entre la vanne et l'actionneur pneumatique. En position débrayée, c’est l'actionneur qui commande directement la vanne. Une fois le réducteur embrayé, cela rend possible la manoeuvre d'urgence en entraînant l'actionneur et donc l’obturateur de la vanne. De plus, il permet toujours de manoeuvrer manuellement la vanne si l'actionneur pneumatique doit être retiré en vue d’un éventuel remplacement ou réparation.
- Indice de protection IP65
- Température de fonctionnement -20 °C + 80 °C
MATÉRIAUX
- Corps : Alliage d'aluminium G-AISi10Mg
- Roue dentée : Fonte GJS 400 - 15
- Vis sans fin : Acier C45
- Arbre : Acier C45
- Volant : Acier S235JR
COUPLE MAX. SORTIE DU RÉDUCTEUR | |
|---|---|
RFDA0B1114 | 280 Nm |
RFDA0B1414 | 280 Nm |
| RFDB0D1717 | 270 Nm |
| RFDC0F2222 | 530 Nm |
| RFDD122727 | 740 Nm |
Réducteur avec volant sur actionneur double/simple effet
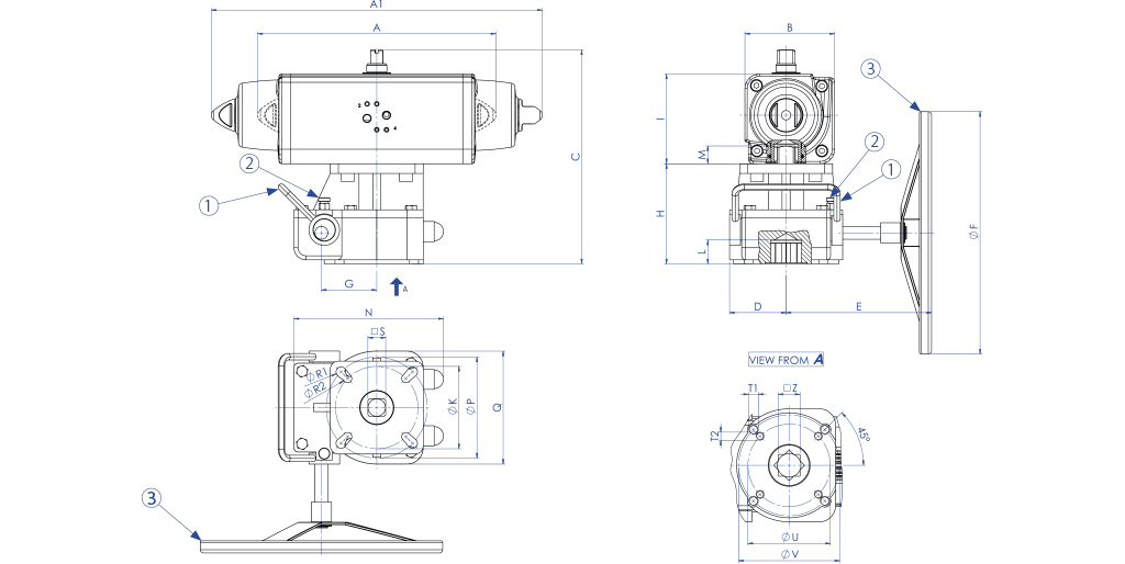
DÉBRAYAGE
Tirez le bouton (2) vers l'extérieur tout en tournant le levier (1) vers le haut ; puis, relâchez le bouton (2) et vérifiez qu'il revient dans sa position initiale (jusqu'à ce que vous entendiez un clic), à ce stade le levier (1) ne pourra plus tourner, le réducteur est débrayé et le volant (3) tourne au point mort.
EMBRAYAGE
Pour l'embrayage, il est nécessaire de procéder comme décrit précédemment, à la différence qu’il faut tourner le levier (1) de haut en bas ; à ce stade, le réducteur est embrayé et peut être actionné manuellement avec le volant (3).
| TABLEAU DES DIMENSIONS | ||||||||
|---|---|---|---|---|---|---|---|---|
| RÉDUCTEUR | RFDA0B1414 | RFDB0D1717 | RFDB0D1717 | RFDC0F2222 | RFDC0F2222 | RFDC0F2222 | RFDD122727 | RFDD122727 |
| KIT ACTIONNEUR-RÉDUCTEUR | KCF072623 | KCF072623 | KCF072623 | KCF102726 | KCF102726 | KCF102726 | KCF124042 | KCF124042 |
| ACTIONNEUR | DAN0060 F05-F07 | DAN0106 F05-F07 | DAN0120 F05-F07 | DAN0180 F07-F10 | DAN0240 F07-F10 | DAN0360 F07-F10 | DAN0480 F10-F12 | DAN0720 F10-F12 |
| ACTIONNEUR | SRN0030 F05-F07 | SRN0053 F05-F07 | SRN0060 F05-F07 | SRN0090 F07-F10 | SRN0120 F07-F10 | SRN0180 F07-F10 | SRN0240 F10-F12 | SRN0360 F10-F12 |
| A mm. | 198 | 237 | 244,1 | 289,9 | 313,6 | 339,3 | 387,6 | 433,1 |
| A1 mm. | 258,8 | 304,2 | 338,5 | 393,7 | 409,6 | 474 | 520,5 | 613 |
| B mm. | 70,4 | 83,3 | 87 | 107,5 | 111,1 | 118 | 134,9 | 148 |
| C mm. | 190,4 | 221,3 | 225 | 261,5 | 265,1 | 272 | 326,9 | 340 |
| D mm. | 45 | 62,5 | 62,5 | 70 | 70 | 70 | 95 | 95 |
| E mm. | 130 | 150 | 150 | 180 | 180 | 180 | 300 | 300 |
| ØF mm. | 200 | 200 | 200 | 400 | 400 | 400 | 400 | 400 |
| G mm. | 44 | 52 | 52 | 65 | 65 | 65 | 85 | 85 |
| H mm. | 100 | 118 | 118 | 124 | 124 | 124 | 162 | 162 |
| I mm. | 70,4 | 83,3 | 87 | 107,5 | 111,1 | 118 | 134,9 | 148 |
| L mm. | 16,3 | 21,5 | 21,5 | 26,5 | 26,5 | 26,5 | 29,5 | 29,5 |
| M mm. | 14 | 17 | 17 | 22 | 22 | 22 | 27 | 27 |
| N mm. | 125 | 150 | 150 | 185 | 185 | 185 | 230 | 230 |
| ØK mm. | 50 | 70 | 70 | 102 | 102 | 102 | - | - |
| ØP mm. | 70 | 102 | 102 | 125 | 125 | 125 | 125 | 125 |
| Q mm. | 90 | 125 | 125 | 140 | 140 | 140 | 190 | 190 |
| ØR1 mm. | 8,5 | 11 | 11 | 12,5 | 12,5 | 12,5 | 12,5 | 12,5 |
| ØR2 mm. | 6,5 | 8,5 | 8,5 | 10,5 | 10,5 | 10,5 | - | - |
| □ S mm. | 14 | 17 | 17 | 22 | 22 | 22 | 27 | 27 |
| T1 mm. | M8 | M10 | M10 | M12 | M12 | M12 | M12 | M12 |
| T2 mm. | M6 | M8 | M8 | M10 | M10 | M10 | - | - |
| ØU | 50 | 70 | 70 | 102 | 102 | 102 | - | - |
| ØV | 70 | 102 | 102 | 125 | 125 | 125 | 125 | 125 |
| □ Z | 14 | 17 | 17 | 22 | 22 | 22 | 27 | 27 |
| TABLEAU DES DIMENSIONS | |||||||
|---|---|---|---|---|---|---|---|
| RÉDUCTEUR | RRD04EG0EG 0000000381004 | RRD06FH0GH 0000000421004 | RRD06FH0GH 0000000421004 | RRD08HL0HL 0000000351004 | RRD08HL0HL 0000000351004 | RRD08HL0HL 0000000381004 | RRD09LM0LM 0000000351004 |
| KIT ACTIONNEUR DA -RÉDUCTEUR | KCF145371 | KCF145163 | KCF165164 | KCF165165 | KCF165165 | KCF255166 | KCF255168 |
| KIT ACTIONNEUR SR -RÉDUCTEUR | KCF165165 | ||||||
| ACTIONNEUR | DAN0960 F10-F12 | DAN1440 F14 | DAN1920 F14 | DA2880 F16 | DA3840 F16 | DA5760 F25 | DA8000 F25 |
| ACTIONNEUR | SRN0480 F10-F12 | SRN0720 F14 | SRN0960 F14 | SR1440 F16 | SR1920 F16 | SR2880 F16 | SR4000 F25 |
| A mm. | 223 | 280 | 280 | 447 | 447 | 447 | 433 |
| B mm. | 358 | 410 | 432 | 568 | 523,5 | 568 | 603 |
| C mm. | 306 | 356 | 356 | 444 | 444 | 444 | 461 |
| D mm. | 479,3 | 567,1 | 601 | 667 | 718 | 885 | 1044 |
| D1 mm. | 648,2 | 798 | 828 | 708 | 975 | 1201 | 1371 |
| ØE mm. | 600 | 700 | 700 | 500 | 500 | 600 | 500 |
| F mm. | 85 | 127 | 127 | 162 | 162 | 162 | 183 |
| G mm. | 57 | 62 | 62 | 72 | 72 | 72 | 61 |
| ØH mm. | 54 | 75 | 75 | 90 | 90 | 90 | 140 |
| I mm. | 58,3 | 79,9 | 79,9 | 97,4 | 97,4 | 97,4 | 147,6 |
| ØJ mm. | 102 | 125 | 125 | 165 | 165 | 165 | 254 |
| ØK mm. | 140 | 165 | 165 | 254 | 254 | 254 | 298 |
| ØL mm. | - | - | - | - | - | - | - |
| M mm. | M10 | M12 | M12 | M20 | M20 | M20 | M16 (N°8) |
| ØN mm. | M16 | M20 | M20 | M16 (N°8) | M20 (N°8) | M16(N°8) | M20 (N°8) |
| P mm. | - | - | - | - | - | - | - |
| F/F ISO 5211 | F10/F14 | F12/F16 | F12/F16 | F16/F25 | F16/F25 | F16/F25 | F25/F30 |
| ØQ mm. | 75 | 102 | 102 | 130 | 130 | 130 | 180 |
| R mm. | 2 | 7 | 7 | 6 | 6 | 6 | 4 |
| S mm. | 69 | 99 | 99 | 121 | 121 | 121 | 134 |
| MAX STEM HEIGHT mm. | 66 | 92 | 92 | 113 | 113 | 113 | 90 |
| Weight (DA) Kg. | 39 | 78 | 87 | 140 | 144 | 177 | 210 |
| Weight (SR) Kg. | 40,5 | 78 | 87 | 155 | 160 | 210 | 230 |