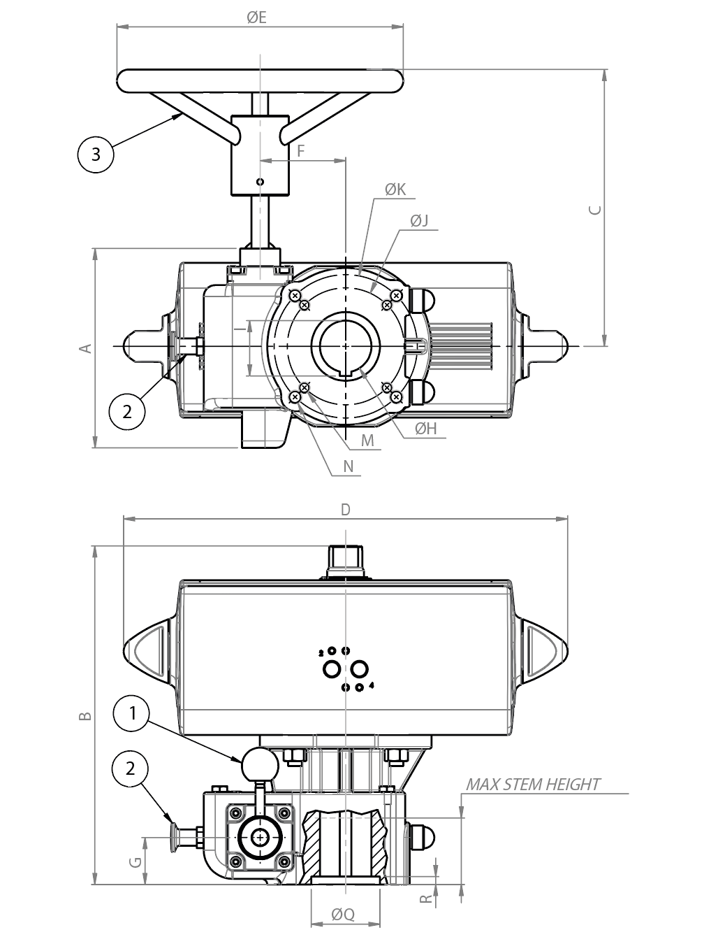
กล่องเกียร์มือหมุนเหล็กหล่อพร้อมระบบคลัตช์แยก (Declutchable) กล่องเกียร์มือหมุนเหล็กหล่อพร้อมระบบคลัตช์แยก สำหรับแอกชูเอเตอร์รุ่น DAN60 – DA8000 / SRN60 – SR4000
พื้นที่ปลอดภัย กล่องลิมิตสวิตช์ ลิมิตสวิตช์ภายนอกและตัวบ่งชี้ตำแหน่ง โพซิชันเนอร์ โซลินอยด์วาล์วและคอยล์ อุปกรณ์ควบคุมการไหล เกียร์บ็อกซ์พวงมาลัยมือ ตัวลดสี่เหลี่ยมและฟิลเตอร์ พื้นที่ ATEX กล่องลิมิตสวิตช์ ลิมิตสวิตช์ภายนอกและตัวบ่งชี้ตำแหน่ง โพซิชันเนอร์ โซลินอยด์วาล์วและคอยล์ Download General catalogue ดาวน์โหลด Actuator Accessories Catalogue การถอดรหัส MAGNUM & THOR กำหนดค่าผลิตภัณฑ์ของคุณ ดาวน์โหลดไฟล์ 2D และ 3D ในหลายรูปแบบ ดาวน์โหลด Sales conditions มาโคร อุปกรณ์เสริมสำหรับแอคชูเอเตอร์ หมวดหมู่ พื้นที่ปลอดภัย หมวดย่อย เกียร์บ็อกซ์พวงมาลัยมือ ค้นหารหัส ขอข้อมูล ดาวน์โหลดแค็ตตาล็อก CAST IRON MANUAL HANDWHEEL GEAR BOX WITH DECLUTCHABLE คุณลักษณะทางเทคนิค- อุปกรณ์นี้ถูกออกแบบมาเพื่อให้สามารถใช้งานวาล์วได้ในกรณีฉุกเฉิน โดยใช้กับแอกชูเอเตอร์แบบลมหมุน 1/4 รอบ เมื่อแรงดันลมหายไป อุปกรณ์จะติดตั้งอยู่ระหว่างวาล์วและแอกชูเอเตอร์แบบนิวเมติก- เมื่ออยู่ในโหมดตัดการทำงาน (Disengaged) แอกชูเอเตอร์จะขับวาล์วโดยตรง- เมื่ออยู่ในโหมดเชื่อมต่อ (Engaged) จะสามารถใช้งานในกรณีฉุกเฉินได้ โดยการหมุนแอกชูเอเตอร์และเปิด–ปิดวาล์วได้ตามต้องการ- นอกจากนี้ยังสามารถใช้หมุนวาล์วด้วยมือได้ หากต้องถอดแอกชูเอเตอร์ออกเพื่อซ่อมหรือเปลี่ยนใหม่- ระดับการป้องกัน: IP67- ช่วงอุณหภูมิการทำงาน: -45°C ถึง +150°C วัสดุ- ตัวเรือน: เหล็กหล่อ JS1030- เฟืองตัวหนอน: เหล็กเหนียว JS1030- สกรูตัวหนอน: เหล็ก C45 / AISI 1045- เพลาหมุน: เหล็กเคลือบป้องกันการกัดกร่อน- ล้อหมุนมือ: เหล็กพ่นสี แรงบิดขาออกสูงสุดของกล่องเกียร์RAD02DE0DE003403350 NmRAD03EF0EF004512750 NmRAD04EF0FGH065222000 NmRAD05G00GH0080233500 NmRAD06HL0HL0095215000 NmRAD07HL0HL0095228500 Nm กล่องเกียร์มือหมุนสำหรับแอกชูเอเตอร์แบบดับเบิลแอกติ้ง กล่องเกียร์มือหมุนสำหรับแอกชูเอเตอร์แบบสปริงรีเทิร์น การตัดการทำงานดึงปุ่มหมุน (2) ออกด้านนอก และในขณะเดียวกันให้หมุนคันโยก (1) ลงด้านล่าง (ทวนเข็มนาฬิกา) จากนั้นปล่อยปุ่มหมุน (2) และตรวจสอบให้แน่ใจว่าปุ่มกลับสู่ตำแหน่งเริ่มต้น (จนได้ยินเสียง “คลิก”) ในขั้นตอนนี้ คันโยก (1) จะไม่สามารถหมุนได้ กล่องเกียร์อยู่ในโหมดตัดการทำงาน และการหมุนล้อมือ (3) จะไม่ส่งผลต่อวาล์ว การเชื่อมต่อการทำงานเพื่อเชื่อมต่อการทำงาน ให้ปฏิบัติตามขั้นตอนเดียวกับที่อธิบายไว้ข้างต้น แต่หมุนคันโยก (1) ขึ้นด้านบน (ตามเข็มนาฬิกา) ในขั้นตอนนี้ กล่องเกียร์จะอยู่ในโหมดพร้อมใช้งาน และสามารถหมุนล้อมือ (3) เพื่อควบคุมวาล์วได้ด้วยตนเอง ตารางมิติกล่องเกียร์ RAD02DE0DE003403RAD02DE0DE003403RAD02DE0DE003403RAD02DE0DE003403RAD02DE0DE003403RAD02DE0DE003403RAD03EF0EF004512RAD04EF0FGH06522RAD05G00GH008023RAD05G00GH008023RAD05G00GH008023RAD06HL0HL009521RAD06HL0HL009521RAD07HL0HL009522RAD07HL0HL009522ชุดคิท แอกชูเอเตอร์ DA-กล่องเกียร์KCF056402KCF076405KCF076405KCF106406KCF106406KCF106406KCF126408KCF126409KCF146412KCF146412KCF166413KCF166414KCF166414KCF256416KCF256416ชุดคิท แอกชูเอเตอร์ SR-กล่องเกียร์KCF166414แอกชูเอเตอร์DAN0060412SDAN0106411SDAN0120411SDAN0180411SDAN0240411SDAN0360411SDAN0480411SDAN0720411SDAN0960412SDAN1440411SDAN1920411SDA2880E16D0ADA3840E1600ADA5760E25D0ADA8000E25D0Aแอกชูเอเตอร์--SRN0060401SSRN0090401SSRN0120401SSRN0180401SSRN0240401SSRN0360401SSRN0480402SSRN0720401SSRN0960401SSR1440E16D8ASR1920E1608ASR2880E16D8ASR4000E25D8AA มม.154154154154154154174229268268268416416416416B มม.216229232263266273295338382400422556511571571C มม.205205205205205205242309356356356451451471471D มม.1982372442903143403884334795676016677288851044D1 มม.--338394410474520613648798828834100112011370ØE มม.200200200200200200250500600600600400400500500F มม.5858585858587592134134134148148148148G มม.343434343434414654545466666666ØH มม.343434343434456580808095959595I มม.36,436,436,436,436,436,448,369,484,884,884,8100,3100,3100,3100,3ØJ มม.707070707070102102140140140165165165165ØK มม.102102102102102102125140---254254254254M มม.M8M8M8M8M8M8M10M10M16M16M16M20M20M20M20N มม.M10M10M10M10M10M10M12M16---M16M16M16M16F/F ISO 5211 F07/F10F07/F10F07/F10F07/F10F07/F10F07/F10F10/F12F10/F14F14F14F14F16/F25F16/F25F16/F25F16/F25ØQ มม.4545454545456085110110110125125125125R มม.555555557776666ความสูงก้านสูงสุด มม.48484848484853,55878787891919191น้ำหนัก (DA) กก.9101012131427,531,541,547,556120,5114153173น้ำหนัก (SR) กก.--1113,51416,529,53646,55766139132184,5251การคำนวณขนาดแอกชูเอเตอร์นิวเมติกได้พิจารณาความดันจ่ายขั้นต่ำ 5,6 barg แล้ว สำหรับช่วงความดันที่แตกต่างจากมาตรฐาน โปรดติดต่อแผนกขายของเราโดยตรง ค้นหารหัส