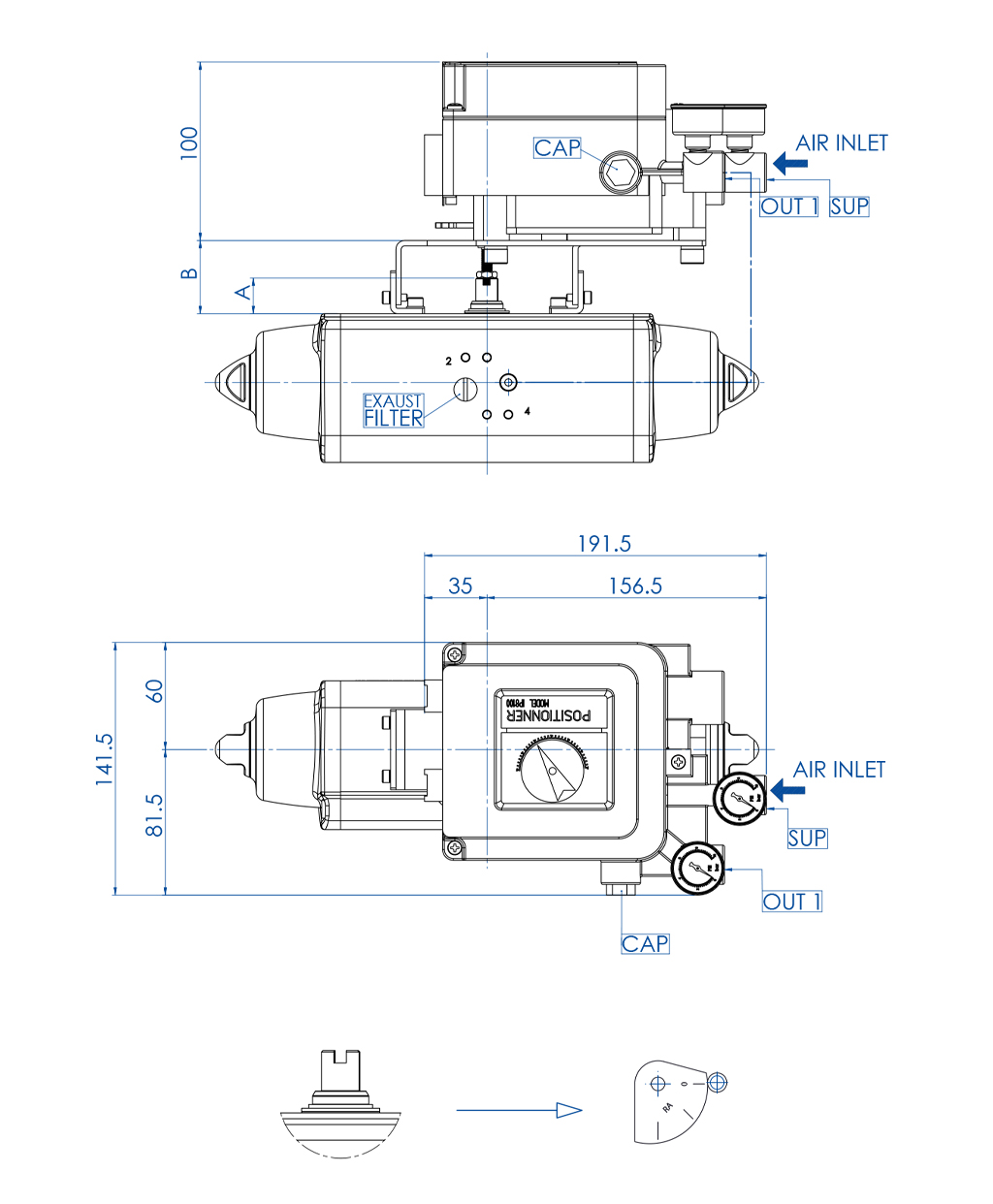
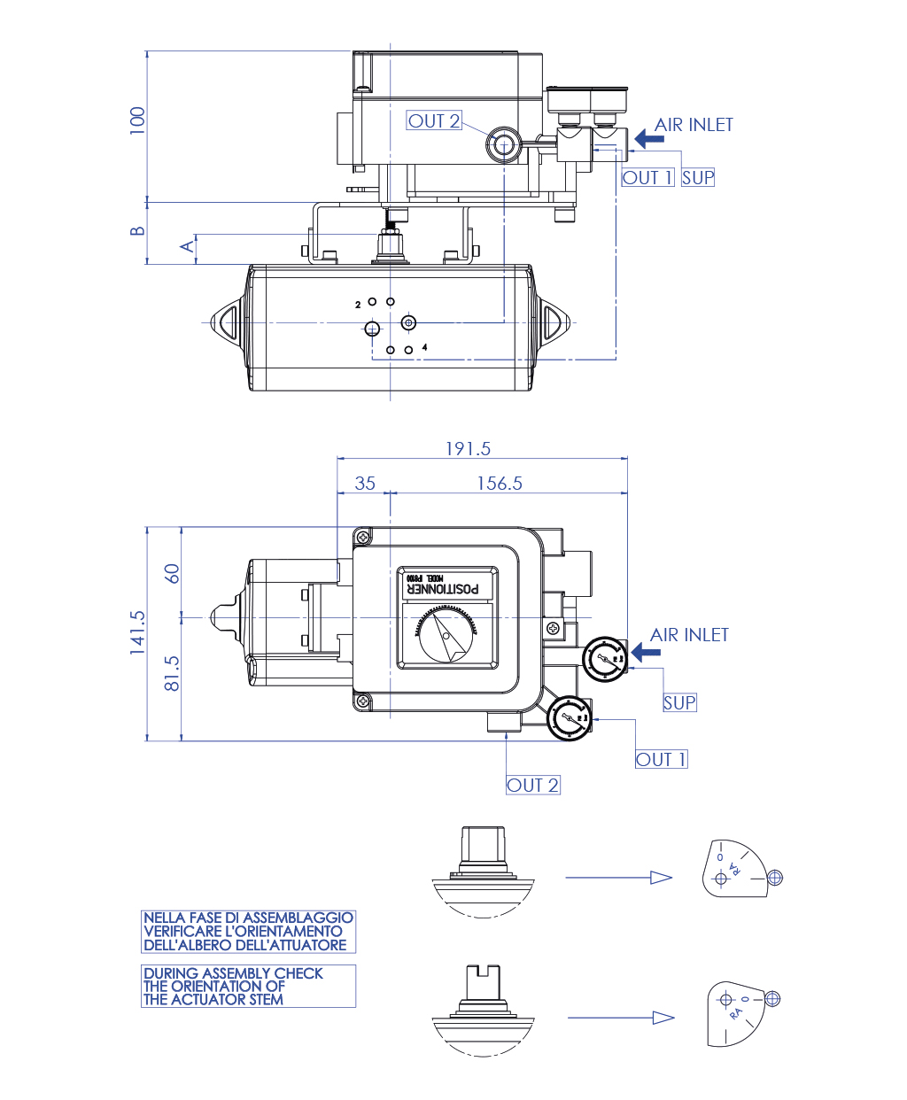
พื้นที่ปลอดภัย กล่องลิมิตสวิตช์ ลิมิตสวิตช์ภายนอกและตัวบ่งชี้ตำแหน่ง โพซิชันเนอร์ โซลินอยด์วาล์วและคอยล์ อุปกรณ์ควบคุมการไหล เกียร์บ็อกซ์พวงมาลัยมือ ตัวลดสี่เหลี่ยมและฟิลเตอร์ พื้นที่ ATEX กล่องลิมิตสวิตช์ ลิมิตสวิตช์ภายนอกและตัวบ่งชี้ตำแหน่ง โพซิชันเนอร์ โซลินอยด์วาล์วและคอยล์ Download General catalogue ดาวน์โหลด Actuator Accessories Catalogue การถอดรหัส MAGNUM & THOR กำหนดค่าผลิตภัณฑ์ของคุณ ดาวน์โหลดไฟล์ 2D และ 3D ในหลายรูปแบบ ดาวน์โหลด Sales conditions มาโคร อุปกรณ์เสริมสำหรับแอคชูเอเตอร์ หมวดหมู่ พื้นที่ปลอดภัย หมวดย่อย โพซิชันเนอร์ ค้นหารหัส ขอข้อมูล ดาวน์โหลดแค็ตตาล็อก KPLEM4 ELECTROPNEUMATIC POSITIONER 4-20MA เมื่อซื้อตำแหน่งควบคุมพร้อมติดตั้งบนแอคชูเอเตอร์นิวเมติกของ OMAL S.P.A. แล้ว ลูกค้าจะได้รับอุปกรณ์ที่ได้รับการปรับเทียบเรียบร้อยแล้ว หากซื้อแยก การตั้งค่าจะเป็นความรับผิดชอบของลูกค้าเอง และ OMAL S.P.A. จะไม่รับผิดชอบในส่วนนี้ คำอธิบายตำแหน่งควบคุมแบบอิเล็กโทรนิวเมติกชนิดแคม เหมาะอย่างยิ่งสำหรับการทำงานแบบสัดส่วนของแอคชูเอเตอร์รุ่น DAN และ SRN โดยตำแหน่งควบคุมจะเชื่อมต่อกับแอคชูเอเตอร์ผ่านชุดติดตั้งที่ยึดไว้กับตัวแอคชูเอเตอร์ สัญญาณไฟฟ้าควบคุมที่มาจากอุปกรณ์ต่าง ๆ เช่น เทอร์โมสตัท วิสโคมิเตอร์ หรือเกจ์วัดแรงดัน จะถูกส่งไปยังตำแหน่งควบคุม ซึ่งจะทำหน้าที่ปรับมุมการเปิดและปิดของวาล์วตามสัญญาณที่ได้รับ สามารถเปลี่ยนการทำงานหมุนตามเข็มนาฬิกาหรือทวนเข็มนาฬิกาได้โดยไม่ต้องใช้อุปกรณ์เสริม เพียงหมุนแคมกลับด้านและสลับการเชื่อมต่อของแอคชูเอเตอร์ คุณลักษณะทางเทคนิค- แหล่งจ่ายอากาศ: อากาศแห้งสำหรับเครื่องมือ 5 µ- สัญญาณไฟฟ้าขาเข้า: 4 ÷ 20 mA- มาพร้อมเกจวัดแรงดัน 2 ตัว: 1 สำหรับแรงดันลมจ่ายเข้า และ 1 สำหรับสัญญาณควบคุม- ค่าความต้านทานขาเข้า: 235 ± 15 โอห์ม (4 ÷ 20 mA DC)- ข้อต่อระบบนิวเมติก: 1/4” NPT- ข้อต่อระบบไฟฟ้า: M20 x 1.5- ความเป็นเชิงเส้น (Linearity): < ± 2%- ความไว (Sensitivity): < 0.5% ของช่วงการทำงาน- การใช้ลม: ตั้งแต่ 5 Nl/min (ที่ P = 1.4 bar) ถึง 11 Nl/min (ที่ P = 4 bar)- อุณหภูมิการทำงาน: -20 °C ถึง +80 °C- การป้องกัน: IP65 (ตามมาตรฐาน IEC Pub. 60529) การรับรองมาตรฐานมีให้ตามคำขอ SMC - IP 8100 หมายเหตุตำแหน่งควบคุมแบบนิวเมติกและอิเล็กโทรนิวเมติกสามารถจัดหาได้ตามคำขอ โดยจะมีการปรับตั้งค่าล่วงหน้าและติดตั้งด้วยท่ออะลูมิเนียมหุ้มและข้อต่อแบบเร็วการปรับตั้งค่า A = 0° - 90°:• สัญญาณควบคุม 4 mA: ตำแหน่งปิด• สัญญาณควบคุม 20 mA: ตำแหน่งเปิดการปรับตั้งค่า D = 90° - 0°:• สัญญาณควบคุม 4 mA: ตำแหน่งเปิด• สัญญาณควบคุม 20 mA: ตำแหน่งปิดสำหรับข้อมูลเพิ่มเติม โปรดดูคู่มือการใช้งานและบำรุงรักษา ตำแหน่งควบคุมสำหรับแอคชูเอเตอร์แบบดับเบิลแอกติ้ง ตำแหน่งควบคุมสำหรับแอคชูเอเตอร์แบบสปริงรีเทิร์น ขนาดDAN15÷DAN120SRN15 ÷ SRN60DAN180÷DAN1920SRN90÷SRN960A (มม.)2030B (มม.)4151 ค้นหารหัส