images/testate/Template-Header-Sito-OMALBALLVALVES.jpg

วาล์วบอลแบบทรันเนียน SUPREME

  • ประโยชน์
  • คุณลักษณะ
  • ขนาด
  • ชิ้นส่วน
  • ขนาดและอุปกรณ์เสริม
  • ข้อมูลชุดขับเคลื่อน
  • เอกสาร

DN ≤ 100 SIZE ≤ 4” – ANSI 150-300

1. อุปกรณ์ป้องกันไฟฟ้าสถิต (ความต่อเนื่องทางไฟฟ้าระหว่างลูกบอล, ก้าน และตัววาล์ว)
ช่วยหลีกเลี่ยงไฟฟ้าสถิตซึ่งอาจทำให้เกิดประกายไฟและไฟไหม้ในสภาพแวดล้อมที่ติดไฟ/ระเบิดได้
รับประกันความปลอดภัยของการสัมผัสตลอดอายุการใช้งานของวาล์ว

2. แหวนรองกันเสียดสีคู่
ช่วยลดแรงบิดเริ่มต้น (Break Away Torque)
การสึกหรอน้อยกว่าเมื่อเปรียบเทียบกับการใช้แหวนรองเดี่ยว

3. แพ็คซีลแบบ “V” (3 ซีล + โอริง)
รับประกันความแน่นหนาที่สมบูรณ์แบบแม้หลังจากการใช้งานหลายรอบ

4. แหวนสปริงที่ซีลก้านวาล์ว
รับประกันการคืนค่าช่องว่างที่เกิดจากการสึกหรออันเนื่องมาจากการหมุนของก้านวาล์ว ป้องกันการรั่วไหลออกภายนอก
ช่วยให้ซีล “เชฟรอน” (V) ทำงานอยู่ตลอดเวลา จึงป้องกันการรั่วไหลออกไปภายนอก แม้ภายใต้การเปลี่ยนแปลงของอุณหภูมิอย่างมาก

5. ซีลกราไฟต์แบบยืดหยุ่น
รับประกันความแน่นหนาต่อภายนอกโดยไม่ขึ้นอยู่กับการเปลี่ยนแปลงทางความร้อนที่วาล์วต้องเผชิญ ความแม่นยำที่มากขึ้นในการจัดแนวแกนเนื่องจากการกำหนดตำแหน่งเฉพาะในกระบวนการกลึงตั้งแต่วัตถุดิบจนถึงวาล์วสำเร็จรูป

อายุการใช้งานของวาล์วยาวนานขึ้น แรงบิดเริ่มต้นน้อยลง

วาล์วเหล็กกล้าคาร์บอน ผลิตจากวัสดุที่ผ่านการรับรอง NACE ตามมาตรฐาน

ความทนทานต่อการกัดกร่อนที่สูงกว่า

ความเหนียวของวัสดุที่มากกว่า

กระบวนการผลิตภายใน (In-house) 100%

การควบคุมและความแม่นยำสูงสุดในทุกขั้นตอนของกระบวนการผลิต

ความยืดหยุ่นในการจัดหาผลิตภัณฑ์พิเศษตามคำขอลูกค้าอย่างรวดเร็ว

ใบรับรอง "Fire safe"
รับประกันความแน่นหนาของวาล์วแม้ในกรณีที่เกิดไฟไหม้

ใบรับรอง ATEX
สามารถติดตั้งได้ในสภาพแวดล้อมที่มีความเสี่ยงต่อการระเบิด

ใบรับรองการรั่วไหล TA LUFT
รับประกันระดับความปลอดภัยสูงสุดของความแน่นหนาต่อภายนอก

ใบรับรอง PED
สอดคล้องอย่างสมบูรณ์กับมาตรฐานความปลอดภัยของยุโรปสำหรับอุปกรณ์ความดัน

รับรองสูงสุดถึง SIL 3
รับประกันระดับความปลอดภัยในการทำงานที่สูง

DN ≤ 100 SIZE ≤ 4” – ANSI ≥ 600

1. แหวนรองกันเสียดสีคู่
ช่วยลดแรงบิดเริ่มต้น (Break Away Torque)
การสึกหรอน้อยกว่าเมื่อเปรียบเทียบกับการใช้แหวนรองเดี่ยว

2. บูชนำทางลูกบอล 2 ชิ้น
ช่วยลดแรงบิดของวาล์ว

อุปกรณ์ป้องกันไฟฟ้าสถิต (ความต่อเนื่องทางไฟฟ้าระหว่างลูกบอล, ก้าน และตัววาล์ว)
ช่วยหลีกเลี่ยงไฟฟ้าสถิตซึ่งอาจทำให้เกิดประกายไฟและไฟไหม้ในสภาพแวดล้อมที่ติดไฟ/ระเบิดได้
รับประกันความปลอดภัยของการสัมผัสตลอดอายุการใช้งานของวาล์ว

ซีลกราไฟต์แบบยืดหยุ่น (Stretch Graphite seal)
รับประกันความแน่นหนาต่อภายนอกโดยไม่ขึ้นอยู่กับการเปลี่ยนแปลงทางความร้อนที่วาล์วต้องเผชิญ

วาล์วเหล็กกล้าคาร์บอน ผลิตจากวัสดุที่ผ่านการรับรอง NACE ตามมาตรฐาน

ความทนทานต่อการกัดกร่อนที่สูงกว่า

ความเหนียวของวัสดุที่มากกว่า

ใบรับรอง "Fire safe"
รับประกันความแน่นหนาของวาล์วแม้ในกรณีที่เกิดไฟไหม้

ใบรับรอง ATEX
สามารถติดตั้งได้ในสภาพแวดล้อมที่มีความเสี่ยงต่อการระเบิด

ใบรับรอง PED
สอดคล้องอย่างสมบูรณ์กับมาตรฐานความปลอดภัยของยุโรปสำหรับอุปกรณ์ความดัน

รับรองสูงสุดถึง SIL 3
รับประกันระดับความปลอดภัยในการทำงานที่สูง

DN ≥ 150 SIZE ≥ 6”

1. แหวนรองกันเสียดสีคู่
ช่วยลดแรงบิดเริ่มต้น (Break Away Torque)
การสึกหรอน้อยกว่าเมื่อเปรียบเทียบกับการใช้แหวนรองเดี่ยว

2. บูชนำทางลูกบอล 2 ชิ้น
ช่วยลดแรงบิดของวาล์ว

อุปกรณ์ป้องกันไฟฟ้าสถิต (ความต่อเนื่องทางไฟฟ้าระหว่างลูกบอล, ก้าน และตัววาล์ว)
ช่วยหลีกเลี่ยงไฟฟ้าสถิตซึ่งอาจทำให้เกิดประกายไฟและไฟไหม้ในสภาพแวดล้อมที่ติดไฟ/ระเบิดได้
รับประกันความปลอดภัยของการสัมผัสตลอดอายุการใช้งานของวาล์ว

ซีลกราไฟต์แบบยืดหยุ่น (Stretch Graphite seal)
รับประกันความแน่นหนาต่อภายนอกโดยไม่ขึ้นอยู่กับการเปลี่ยนแปลงทางความร้อนที่วาล์วต้องเผชิญ

วาล์วเหล็กกล้าคาร์บอน ผลิตจากวัสดุที่ผ่านการรับรอง NACE ตามมาตรฐาน

ความทนทานต่อการกัดกร่อนที่สูงกว่า

ความเหนียวของวัสดุที่มากกว่า

ใบรับรอง "Fire safe"
รับประกันความแน่นหนาของวาล์วแม้ในกรณีที่เกิดไฟไหม้

ใบรับรอง ATEX
สามารถติดตั้งได้ในสภาพแวดล้อมที่มีความเสี่ยงต่อการระเบิด

ใบรับรอง PED
สอดคล้องอย่างสมบูรณ์กับมาตรฐานความปลอดภัยของยุโรปสำหรับอุปกรณ์ความดัน

รับรองสูงสุดถึง SIL 3
รับประกันระดับความปลอดภัยในการทำงานที่สูง

ใบรับรอง FUGITIVE EMISSION
รับประกันระดับความปลอดภัยสูงของความแน่นหนาต่อภายนอก

การผลิตมาตรฐาน
• ตัวเรือน 2 หรือ 3 ชิ้น
• ซีลแบบยืดหยุ่น
• ระบบระบายความดันอัตโนมัติในโพรงตัวเรือน
• ดับเบิลบล็อกแอนด์บลีด
• ระดับความดัน: ANSI 150 ถึง ANSI 2500
• การใช้งาน: โรงงานเคมีและปิโตรเคมี การผลิตน้ำมันและก๊าซ โรงไฟฟ้า อุตสาหกรรมกระบวนการอื่นๆ ของไหล ก๊าซ ไอน้ำ ไฮโดรคาร์บอน
• ก้านป้องกันการหลุดออก

คุณลักษณะพิเศษตามคำขอ
• ดับเบิลพิสตันเอฟเฟกต์
• วัสดุและการผลิตพิเศษตามข้อกำหนดของลูกค้า
• การทำเครื่องหมาย ATEX และใบรับรองตามคำขอ

การรับรอง
• เป็นไปตามข้อกำหนดของสหภาพยุโรป Directive 2014/68/EU PED
• เป็นไปตามข้อกำหนดของสหภาพยุโรป Directive 2014/34/EU ATEX (ใบรับรอง ATEX ตามคำขอ)
• ระดับความปลอดภัยเชิงบูรณภาพสูงสุด SIL 3 ตามมาตรฐาน IEC 61508
• FIRE SAFE EN ISO 10497- API607
• Fugitive Emission UNI EN ISO 15848

การออกแบบมาตรฐาน
• ASME B16.34
• การเชื่อมต่อปลาย: ASME B16.5 (RF-RTJ), ASME B16.25 (BW)
• ระยะหน้าแปลน: ASME B16.10
• หน้าแปลนติดตั้งชุดขับ: ISO5211
• การออกแบบ API 6D ตามคำขอ

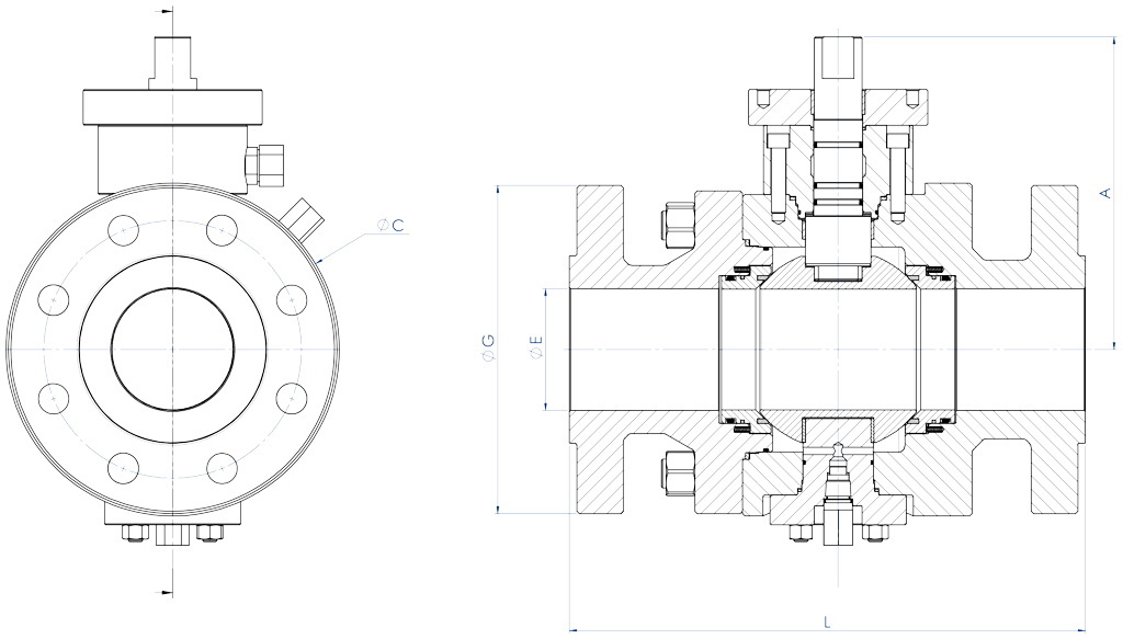
DN≤100 SIZE ≤4” ANSI 150-300

DN≤100 SIZE ≤4” ANSI ≥600

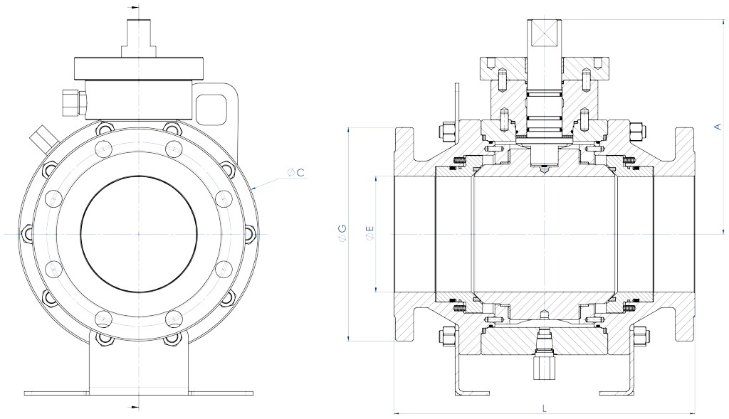
DN ≥150 SIZE ≥6”

ANSI 150DNขนาด
LØEØGAØC
502"1785115267*146*
803"2037619090190
1004"229102230111240
1506"394152280232316
2008"457203345286400
25010"533254408324475
30012"610305484355*580*
35014"686337536402*626*
40016"762386397441*700*
45018"864438636484*779*
50020"914489*694560*900*
60024"1067591*814620*1020*

ANSI 300DNขนาด
LØEØGAØC
502"2165116567*156*
803"2827621090200
1004"305102255111240
1506"403152320236324
2008"502203382286408
25010"568254446324475
30012"648305522355*580*
35014"762337585402*626*
40016"838386649504*770*
45018"914438712484*779*
50020"991489*776560*900*
60024"1143591*915620*1020*

ANSI 600DNขนาด
LØEØGAØC
502"29251165160*189*
803"35676210191210
1004"432102275218279
1506"559152355263355
2008"660203420304430
25010"787254510352520
30012"838305561402*620*
35014"889337604416*655*
40016"991386687450*730*
45018"1092438744515*810*
50020"1194489*814588*955*
60024"1397591*941645*1070*

ANSI 900DNขนาด
LØEØGAØC
502"36851215120*189*
803"38176242204240
1004"457102293218279
1506"610152382263355
2008"737203471304430
25010"838254547352520
30012"965305612452660
35014"1029322640460*700*
40016"1130373706485*760*

ANSI 1500DNขนาด
LØEØGAØC
502"36851215140*189*
803"47076268225270
1004"546102312240*300*
1506"705146395285*390*
2008"832192485340*460*
25010"991239585390*555*

ANSI 2500DNขนาด
LØEØGAØC
502"45142235160219
803"50863305241318
1004"67387357
253335
1506"914131485340500

* ขนาดโดยประมาณ

  • DN≤100 SIZE ≤4” – ANSI 150-300
  • DN≤100 SIZE ≤4” – ANSI ≥600
  • DN ≥150 SIZE ≥6”

DN≤100 SIZE ≤4” – ANSI 150-300

  1. ตัวเรือน
  2. ฝาปิด
  3. ลูกบอล
  4. ก้าน
  5. แหวนซีลที่นั่ง
  6. ตัวจับที่นั่ง
  7. ฝาครอบล่าง
  8. โอริงตัวเรือน
  9. ปะเก็นตัวเรือน
  10. โอริงที่นั่ง
  11. แหวนเสริม
  12. ปะเก็นที่นั่ง
  13. สปริง
  14. สตัดโบลต์
  15. น็อต
  16. ซีลด้านล่าง
  17. โอริงก้าน
  18. แพ็คเชฟรอน
  19. แหวนเกลียวน็อตยึดก้าน
  20. แหวนสปริง
  21. น็อตก้าน
  22. ตัวล็อกน็อตก้าน
  23. สกรูฝาครอบล่าง
  24. ปะเก็นฝาครอบล่าง
  25. โอริงฝาครอบล่าง
  26. ฝาปิดช่องระบายน้ำ

DN≤100 SIZE ≤4” – ANSI ≥600

  1. ตัวเรือน
  2. ฝาปิด
  3. ลูกบอล
  4. ก้าน
  5. แหวนซีลที่นั่ง
  6. ตัวจับที่นั่ง
  7. ฝาครอบบน
  8. หน้าแปลน
  9. ฝาครอบล่าง
  10. ปะเก็นตัวเรือน
  11. โอริงตัวเรือน
  12. สปริงอุปกรณ์ป้องกันไฟฟ้าสถิต
  13. สปริง
  14. แหวนเสริม
  15. โอริงที่นั่ง
  16. ปะเก็นที่นั่ง
  17. สตัดโบลต์
  18. น็อต
  19. บุชชิ่งลูกบอล
  20. ซีลด้านล่าง
  21. โอริงก้าน
  22. โอริงฝาครอบบน
  23. ปะเก็นฝาครอบบน
  24. พินฝาครอบบน
  25. ปะเก็นก้านกันไฟ/อุปกรณ์ป้องกันไฟฟ้าสถิต
  26. สกรูฝาครอบบน
  27. บุชชิ่งก้าน
  28. สกรูหน้าแปลน
  29. พินตัวเรือน
  30. บุชชิ่งลูกบอล
  31. โอริงฝาครอบล่าง
  32. ปะเก็นฝาครอบล่าง
  33. สตัดฝาครอบล่าง
  34. น็อต
  35. วาล์วระบาย
  36. หัวฉีดจาระบีก้าน
  37. โอริงวาล์วระบาย/หัวอัดจาระบี
  38. ปะเก็นวาล์วระบาย/หัวอัดจาระบี

DN ≥150 SIZE ≥6”

  1. ตัวเรือน
  2. ฝาปิด
  3. ลูกบอล
  4. ก้าน
  5. แหวนซีลที่นั่ง
  6. ตัวจับที่นั่ง
  7. ฝาครอบบน
  8. หน้าแปลน
  9. แผ่นรองรับ
  10. ปะเก็นตัวเรือน
  11. โอริงตัวเรือน
  12. สปริง
  13. โอริงที่นั่ง
  14. แหวนเสริม
  15. ปะเก็นที่นั่ง
  16. สตัดโบลต์
  17. น็อต
  18. บุชชิ่งลูกบอล
  19. แบริ่งรับแรงกด
  20. พินแผ่นรองรับ
  21. ซีลด้านล่าง
  22. โอริงฝาครอบบน
  23. ปะเก็นฝาครอบบน
  24. โอริงก้าน
  25. ปะเก็นก้านกันไฟ/อุปกรณ์ป้องกันไฟฟ้าสถิต
  26. สกรูฝาครอบบน
  27. บุชชิ่งก้าน
  28. สกรูหน้าแปลน
  29. พินฝาครอบบน
  30. หูยก
  31. ขารองรับ
  32. พินตัวเรือน
  33. หัวฉีดจาระบีก้าน
  34. วาล์วระบาย
  35. โอริงวาล์วระบาย/หัวอัดจาระบี
  36. ปะเก็นวาล์วระบาย/หัวอัดจาระบี
  37. สปริงอุปกรณ์ป้องกันไฟฟ้าสถิต

ขนาดและอุปกรณ์เสริม

DN

50
80
x
65
80
100
x
80
100
150
x
100
150
200
x
150
200
250
x
200
250
300
x
250
300
350
x
250
350
400
x
300
400
450
x
350
450
500
x
400
500
600
x
500
600
ขนาด

2"
3"
x
2"1/2
3"
4"
x
3"
4"
6"
x
4"
6"
8"
x
6"
8"
10"
x
8"
10"
12"
x
10"
12"
14"
x
10"
14"
16"
x
12"
16"
18"
x
14"
18"
20"
x
16"
20"
24"
x
20"
24"
ANSI 150
A























B























C























D























E























F
























ANSI 300
A























B























C























D























E























F
























ANSI 600
A























B























C























D























E























F
























ANSI 900
A























B























C























D























E























F
























ANSI 1500
A























B























C























D























E























F
























ANSI 2500
A























B























C























D























E























F
























A) การฉีดสารซีลก้าน
B) ปลั๊กระบายอากาศและระบายของไหล
C) วาล์วระบายอากาศและระบายของไหล
D) การฉีดสารซีลที่นั่ง
E) หูยก
F) ขารองรับ

อุปกรณ์เสริม

A. ระบบฉีดก้าน / ระบบสารซีล

B. ปลั๊กระบายอากาศและระบายของไหล

C. วาล์วระบายอากาศและระบายของไหล

D. ระบบฉีดที่นั่ง / ระบบสารซีล

คันโยกมือ

กระปุกเกียร์

แอคชูเอเตอร์ลม

แอคชูเอเตอร์ลมพร้อมพวงมาลัยมือหมุนในตัว

แอคชูเอเตอร์ลมงานหนัก

ปิด X

กิจกรรมถัดไป

IVS - Industrial Valve Summit 2026
IVS - Industrial Valve Summit 2026
Bergamo, Italy, 19 - 21 may 2026