OMAL,<br>EMPOWERED<br>PERFORMANCE
OMAL,
EMPOWERED
PERFORMANCE
วาล์วและแอคชูเอเตอร์
โซลูชันขั้นสูงสำหรับการควบคุมของไหลและระบบอัตโนมัติในกระบวนการ

EA ตัวกระตุ้นไฟฟ้าแบบหมุนชนิดเปิด-ปิด (ON-OFF)

  • คุณลักษณะ
  • ขนาด
  • วัสดุ
  • แผนภาพและแรงบิดเริ่มต้น
  • ข้อมูลจำเพาะ

ข้อมูลทางเทคนิค
มุมการทำงานที่กำหนด: 90° ปรับได้ระหว่าง 20° ถึง 95°
รูปแบบการปรับตั้ง: ปรับต่อเนื่องโดยใช้แคมล็อกตัวเองและสวิตช์จำกัดตำแหน่งแบบอิเล็กโตรเมคานิก
แรงบิดที่กำหนด: ตั้งแต่ 35 ถึง 240 Nm
เวลาการทำงาน (0° - 90°): ดูแผนภาพประกอบ
ลักษณะการทำงาน: S3 ED 50% ตามมาตรฐาน CEI 60043
ข้อกำหนดที่ใช้บังคับ: ข้อกำหนดความปลอดภัยแรงดันต่ำ 2014/35/UE; ข้อกำหนดความเข้ากันได้ทางแม่เหล็กไฟฟ้า 2014/30/CE
ระดับการป้องกัน: IP67 ตามมาตรฐาน EN60529
อุณหภูมิการทำงาน: -25° ถึง +60°C
อุณหภูมิการจัดเก็บ: -40° ถึง +90°C
มอเตอร์มีระบบป้องกันความร้อนเกินแบบเทอร์โมสตัทรีเซ็ตอัตโนมัติในตัว
มอเตอร์มีฉนวนคลาส F (155°C)
โรเตอร์รองรับด้วยตลับลูกปืน
มีช่องต่อสำหรับคันโยกมือหมุนฉุกเฉิน (ประแจหกเหลี่ยมรวมอยู่ในชุดอุปกรณ์)
ตัวบ่งชี้ตำแหน่งภายนอกพร้อมฝาครอบที่มีมาตรวัด
ฮีตเตอร์ภายใน (มาตรฐาน)
ขั้วต่อแบบ IP67 มีให้เลือกเพิ่มเติม พร้อมสายไฟต่อสำเร็จตามคำขอ
มีสวิตช์จำกัดตำแหน่งเสริมแบบอิเล็กโตรเมคานิก 2 ตัวชนิด SPDT พร้อมแคมปรับได้ตลอดช่วงการเคลื่อนที่
ระดับเสียงขณะทำงานสูงสุด: <70 dB (A)
แรงดันไฟฟ้าจ่าย: 230 Vac ±10%, 50/60 Hz เฟสเดียว; 115 Vac ±10%, 50/60 Hz เฟสเดียว; 24 V ac/dc ±10%; 24 V dc ±5%

แรงบิด
รุ่น
EA0035
EA0070
EA0130
EA0240
แรงบิดขณะทำงานที่กำหนด
Nm3570130240
แรงบิดสูงสุดขณะพีค
Nm4585160280

รหัสการสั่งซื้อตัวกระตุ้น

รุ่น IP67

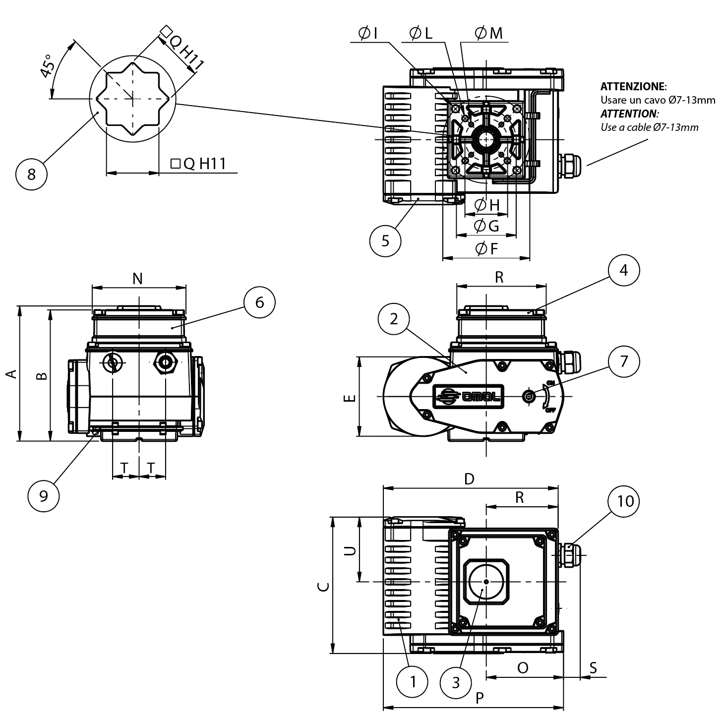
ขนาด 

A
B
C
D
E
øF
øG
øH
øI
øL
øM
N
O
P
☐Q
R
S
T
U
Kg
EA0035
137
109
132
190
84
70
50
36
M8x14
M6x11
M5x9
70
74
59
14
69
18
26
67,5
3,6
EA0070
137
109
136
190
84
70
50
- -
M8x14
M6x11
- -
70
74
59
14
69
18
26
67,5
3,8
EA0130
157,5
129,5
160
221,5
93
102
70
50
M10x17
M8x15
M6x11
67,5
90,5
57
17
84
17
31
76
7,2
EA0240
157,5
129,5
163,5
221,5
93
102
70
- -
M10x17
M8x15
- -
67,5
90,5
57
22
84
17
31
76
7,5

รุ่น IP68

ขนาด

A
B
C
D
E
øF
øG
øH
øI
øL
øM
N
O
P
Q
R
S
T
U
Kg
EA0035
142,1137,5132
17284
70
50
36
M8x14
M6x11
M5x9
109,874
177,114
69
1426
67,5
3,8
EA0070
142,1
137,5
136
17284
70
50
- -
M8x14
M6x11
- -
109,8
74
177,1
14
69
1426
67,5
4
EA0130
162,8158,2160
204,693
102
70
50
M10x17
M8x15
M6x11
109,8
90,5
211,117
84
1231
76
7,4
EA0240
162,8
158,2
163,5
204,6
93
102
70
- -
M10x17
M8x15
- -
109,8
90,5
211,1
22
84
1231
76
7,7

รุ่น IP67

  วัสดุ
1
ตัวเรือน
อะลูมิเนียม
2
ฝาครอบกระปุกเกียร์
อะลูมิเนียม
3
ตัวบ่งชี้ตำแหน่ง
PMMA
4
ฝาครอบชุดไฟฟ้า
อะลูมิเนียม
5
ฝาครอบกล่องขั้วต่อสายไฟ
อะลูมิเนียม
6
ขั้วต่อ
PA6 / PBT
7
ข้อต่อคันโยก
เหล็ก
8
เพลาขับตัวเมีย
สแตนเลส
9
คันโยก
สแตนเลส

รุ่น IP68

  วัสดุ
1
ตัวเรือน
อะลูมิเนียม
2
ฝาครอบกระปุกเกียร์
อะลูมิเนียม
3
ตัวบ่งชี้ตำแหน่ง
PMMA
4
ฝาครอบชุดไฟฟ้า
อะลูมิเนียม
5
ฝาครอบกล่องขั้วต่อสายไฟ
อะลูมิเนียม
6
กล่อง H27
อะลูมิเนียม
7
ข้อต่อคันโยก
เหล็ก
8
เพลาขับตัวเมีย
สแตนเลส
9
คันโยก
สแตนเลส
10ข้อต่อสายไฟ
ทองเหลือง

แผนภาพการทำงาน EA0035

แผนภาพการทำงาน EA0070

แผนภาพการทำงาน EA0130

แผนภาพการทำงาน EA0240

การเดินสายไฟฟ้าแบบ IP67 สำหรับแหล่งจ่ายไฟ 24 Vac/dc - 24 Vdc

การเดินสายไฟฟ้าแบบ IP67 สำหรับแหล่งจ่ายไฟ 115 - 230 Vac

การเดินสายไฟฟ้าแบบ IP68 สำหรับแหล่งจ่ายไฟ 24 Vac/dc - 24 Vdc

การเดินสายไฟฟ้าแบบ IP68 สำหรับแหล่งจ่ายไฟ 115 - 230 Vac

เลือก ขนาด
เลือกมาตรฐานการค้นหา
ค้นหารายการ
ปิด X

กิจกรรมถัดไป

IVS - Industrial Valve Summit 2026
IVS - Industrial Valve Summit 2026
Bergamo, Italy, 19 - 21 may 2026