1. แถบหล่อลื่นตัวเองแบบมีพลังงาน
ลดแรงเสียดทานระหว่างลูกสูบและกระบอก
ป้องกันการยึดติดของซีลกับกระบอกแม้ในกรณีที่ไม่ได้ใช้งานเป็นเวลานาน
2. ร่อง บุช และพิน ผลิตจากเหล็กที่มีค่าความแข็งมากกว่า 50 HRC
เพิ่มความทนทานต่อแรงภายในตัวกระตุ้น (แอคชูเอเตอร์)
3. แรงเสียดทานแบบหมุนระหว่างลูกสูบและร่อง
ลดแรงเสียดทาน
4. ระบบสก็อตยอร์กแบบแรงเสียดทานหมุน (แปลงการเคลื่อนไหวแบบหมุนให้เป็นแบบเชิงเส้นด้วยลูกสูบและเพลาโดยไม่ใช้เฟือง)
ลดแรงเสียดทานระหว่างลูกสูบและเพลา จึงทำให้การสึกหรอของชิ้นส่วนลดลง
แรงบิดเริ่มต้น (BTO และ BTC) สูงขึ้น
ขนาดเล็กกว่าตัวกระตุ้นแบบแร็คและเฟือง (ในแรงบิดเท่ากัน) จึงใช้พื้นที่ติดตั้งน้อยกว่า
น้ำหนักเบากว่าตัวกระตุ้นแบบแร็คและเฟืองประมาณ 30% (กก./นิวตันเมตร) ทำให้ประหยัดในการออกแบบโครงสร้างของระบบ/อุปกรณ์
ใช้ลมน้อยกว่าตัวกระตุ้นแบบแร็คและเฟือง (-40% ลูกบาศก์เซนติเมตร/นิวตันเมตร สำหรับชนิดทำงานสองทาง และ -20% สำหรับชนิดสปริงรีเทิร์น) ทำให้ภาระงานของคอมเพรสเซอร์ลดลง หรือสามารถใช้คอมเพรสเซอร์ขนาดเล็กลงได้
5. กระบอกม้วนขึ้นรูป
ลดการสึกหรอของแถบหล่อลื่นตัวเองเนื่องจากผิวมีความเรียบเนียนสูง
6. เพลาสแตนเลส
ทนการกัดกร่อนได้ดียิ่งขึ้น
ตั้งแต่ขนาดใหญ่กว่า DAN15 ขึ้นไป จะมีอินเทอร์เฟซ NAMUR สำหรับวาล์วโซลินอยด์ในตัว
ไม่จำเป็นต้องติดตั้งแผ่นเสริมเพิ่มเติม
กระบวนการผลิตครบวงจรภายในโรงงาน
ควบคุมและตรวจสอบความแม่นยำได้สูงสุดในทุกขั้นตอนของการผลิต
ใบรับรอง ATEX
สามารถติดตั้งได้ในพื้นที่ที่มีความเสี่ยงต่อการเกิดการระเบิด
ได้รับการรับรองสูงสุดถึงระดับ SIL 3
รับประกันความปลอดภัยการทำงานในระดับสูง
คุณลักษณะทางเทคนิค
แรงบิดตั้งแต่ 15 Nm ถึง 4000 Nm
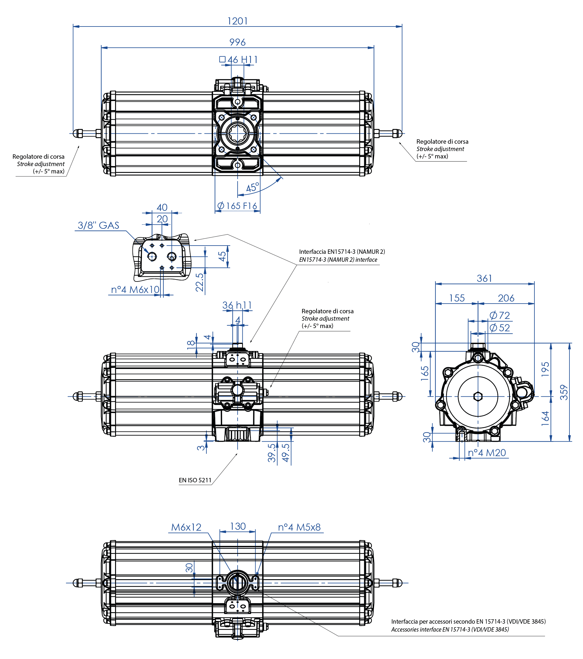
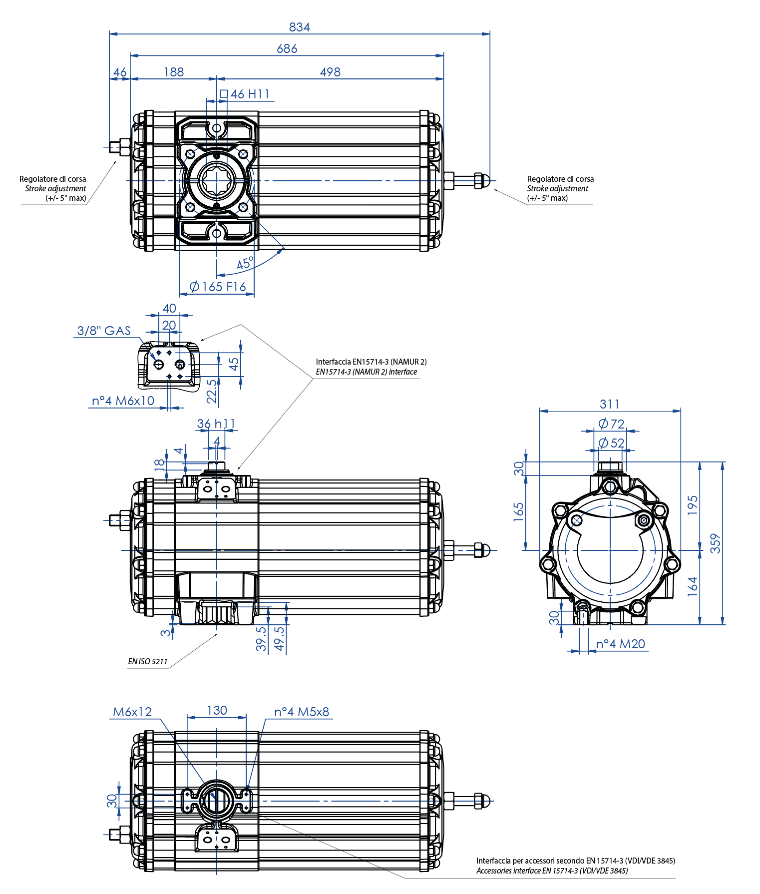
หน้าแปลนยึดตามมาตรฐาน EN ISO 5211
F03 - F04 - F05 - F07 - F10 - F12 - F14 - F16 - F25
เป็นไปตามมาตรฐาน EN 15714-3
มุมการหมุน: 92° (-1°, +91°)
แรงบิด: แรงบิดในการคืนตำแหน่งขึ้นอยู่กับแรงของสปริงเท่านั้น โดยไม่ขึ้นอยู่กับแรงดันลมที่จ่ายเข้าไป สปริงมีให้เลือก 4 ขนาด (ดูตารางประกอบ)
หมายเลขรหัสหลังตัวอักษร SR/SRN จะสอดคล้องกับค่าแรงบิดเริ่มต้นในหน่วย Nm ที่แรงดันลม 5.6 bar
การปิดอัตโนมัติของแอกชูเอเตอร์จะเกิดขึ้นในทิศทางตามเข็มนาฬิกาโดยใช้แรงของสปริง
รุ่น ATEX เป็นไปตามข้อกำหนดของคำสั่ง 2014/34/EU โปรดเติมรหัส YX ต่อท้ายหมายเลขรหัสเพื่อระบุรุ่น ATEX
สภาวะการทำงาน
อุณหภูมิ: ตั้งแต่ -20°C ถึง +80°C (รุ่นพิเศษ: อุณหภูมิสูง -20°C ถึง +150°C; อุณหภูมิต่ำ -50°C ถึง +60°C)
แรงดันลมจ่าย: 5.6 bar; สูงสุด 8.4 bar
ตัวกลางที่ใช้ขับเคลื่อน: อากาศอัดแห้งที่ผ่านการกรองแล้ว ไม่จำเป็นต้องมีการหล่อลื่น
ในกรณีที่ใช้อากาศที่มีการหล่อลื่น ต้องใช้น้ำมันที่ไม่มีสารทำความสะอาดและเข้ากันได้กับ NBR
ข้อมูลจำเพาะ ตั้งแต่ SRN15 (Nm) ถึง SRN53 (Nm) | ||||||
| รหัส | SRN0015401S | SRN0015402S | SRN0030401S | SRN0030402S | SRN0053401S | |
| อะไหล่ชุดซีล | KGGI0014 | KGGI0016 | KGGI0060 | |||
| ขนาด | SRN15 | SRN30 | SRN53 | |||
| ISO | F03/F05 | F04 | F04 | F05/F07 | F05/F07 | |
| A | 233,3 | 233,3 | 259 | 259 | 304,3 | |
| A1 (2,8 บาร์) | 203,8 | 203,8 | 228,5 | 228,5 | 270,7 | |
| B | 11 | 11 | 14 | 14 | 17 | |
| C x ความลึก | M5x8 | M5x8 | M5x8 | M6x9 | M6x9 | |
| D x ความลึก | M6x9 | - | - | M8x12 | M8x12 | |
| E | 36 | 42 | 42 | 50 | 50 | |
| F | 50 | - | - | 70 | 70 | |
| G | 10 | 10 | 13 | 13 | 13 | |
| H | 30,3 | 30,3 | 35,7 | 35,7 | 42,8 | |
| I | 9 | 9 | 10 | 10 | 12 | |
| L | 79,2 | 79,2 | 90,4 | 90,4 | 103,3 | |
| M | 31,5 | 31,5 | 37,7 | 37,7 | 44,8 | |
| N | 47,7 | 47,7 | 52,7 | 52,7 | 58,5 | |
| O | 13,2 | 13,2 | 16,5 | 16,5 | 19,3 | |
| P | 27,7 | 27,7 | 32,7 | 32,7 | 38,5 | |
| Q | 31,5 | 31,5 | 37,7 | 37,7 | 44,8 | |
| R | 10,9 | 10,9 | 14,5 | 14,5 | 16,2 | |
| S | 20 | 20 | 20 | 20 | 20 | |
| T | 59,2 | 59,2 | 70,4 | 70,4 | 83,3 | |
| W (แก๊ส) | 1/8" | 1/8" | 1/8" | 1/8" | 1/8" | |
| ขนาดประแจ (Ch) | 13 | 13 | 13 | 13 | 17 | |
| น้ำหนัก (กก.) | 1,2 | 1,2 | 1,95 | 1,95 | 3 | |
| อากาศ (dm3/รอบ) | 0,09 | 0,09 | 0,17 | 0,17 | 0,3 | |
| H = จุดกึ่งกลางของการยึดเพลต | ||||||
ข้อมูลจำเพาะ ตั้งแต่ SRN60 (Nm) ถึง SRN360 (Nm) | |||||||
| รหัส | SRN0060401S | SRN0090401S | SRN0120401S | SRN0180401S | SRN0240401S | SRN0360401S | |
| อะไหล่ชุดซีล | KGGI0018 | KGGI0019 | KGGI0020 | KGGI0021 | KGGI0022 | KGGI0023 | |
| ขนาด | SRN60 | SRN90 | SRN120 | SRN180 | SRN240 | SRN360 | |
| ISO | F05/F07 | F07/F10 | F07/F10 | F07/F10 | F10/F12 | F10/F12 | |
| A | 338,5 | 393,7 | 409,6 | 474 | 520,5 | 613 | |
| A1 (2,8 Bar) | 309,1 | 341,8 | 361,6 | 406,6 | 454,1 | 523 | |
| B | 17 | 22 | 22 | 22 | 27 | 27 | |
| C x ความลึก | M6x9 | M8x12 | M8x12 | M8x12 | M10x15 | M10x15 | |
| D x ความลึก | M8x12 | M10x15 | M10x15 | M10x15 | M12x18 | M12x18 | |
| E | 50 | 70 | 70 | 70 | 102 | 102 | |
| F | 70 | 102 | 102 | 102 | 125 | 125 | |
| G | 13 | 16 | 17 | 19 | 19 | 19,5 | |
| H | 44,8 | 54,5 | 58,1 | 60 | 57,4 | 61,5 | |
| I | 12 | 15 | 15 | 19 | 19 | 22 | |
| L | 107 | 137,5 | 141,1 | 148 | 164,9 | 178 | |
| M | 46,8 | 56,5 | 60,1 | 62 | 72,9 | 78,5 | |
| N | 60,2 | 81 | 81 | 86 | 92 | 99,5 | |
| O | 19,3 | 24,8 | 24,8 | 24,3 | 29,5 | 29,5 | |
| P | 40,2 | 51 | 51 | 56 | 62 | 69,5 | |
| Q | 46,8 | 56,5 | 60,1 | 62 | 72,9 | 78,5 | |
| R | 18 | 20,2 | 22,5 | 25,5 | 29 | 31,8 | |
| S | 20 | 30 | 30 | 30 | 30 | 30 | |
| T | 87 | 107,5 | 111,1 | 118 | 134,9 | 148 | |
| W (แก๊ส) | 1/8" | 1/8" | 1/8" | 1/8" | 1/4" | 1/4" | |
| Ch | 17 | 22 | 22 | 22 | 27 | 27 | |
| น้ำหนัก (Kg) | 3,35 | 5,9 | 6,8 | 8,9 | 11,8 | 16,5 | |
| อากาศ (dm3/รอบ) | 0,33 | 0,55 | 0,8 | 1 | 1,5 | 2 | |
| H = จุดกึ่งกลางของการยึดเพลต | |||||||
ข้อมูลจำเพาะ ตั้งแต่ SRN480 (Nm) ถึง SRN960 (Nm) | |||||||
| รหัส | SRN0480401S | SRN0480402S | SRN0720402S | SRN0720401S | SRN0960402S | SRN0960401S | |
| อะไหล่ชุดซีล | KGGI0024 | KGGI0025 | KGGI0026 | ||||
| ขนาด | SRN480 | SRN720 | SRN960 | ||||
| ISO | F10/F12 | F14 | F12 | F14 | F12/F16 | F14 | |
| A | 648,2 | 648,2 | 798 | 798 | 828 | 828 | |
| A1 (2,8 Bar) | 563,8 | 563,8 | 683 | 683 | 714,4 | 714,4 | |
| B | 36 | 36 | 36 | 36 | 46 | 46 | |
| C x ความลึก | M10x15 | M16x24 | M12x18 | M16x24 | M12x18 | M16x24 | |
| D x ความลึก | M12x18 | - | - | - | M20x30 | - | |
| E | 102 | 140 | 125 | 140 | 125 | 140 | |
| F | 125 | - | - | - | 165 | - | |
| G | 19,5 | 19,5 | 19,5 | 19,5 | 18,5 | 18,5 | |
| H | 78 | 78 | 86,5 | 86,5 | 99,2 | 99,2 | |
| I | 24 | 24 | 27 | 27 | 32 | 32 | |
| L | 198 | 198 | 216 | 216 | 237,7 | 237,7 | |
| M | 93,5 | 93,5 | 101,5 | 101,5 | 114,7 | 114,7 | |
| N | 104,5 | 104,5 | 114,5 | 114,5 | 123 | 123 | |
| O | 38,5 | 38,5 | 38,5 | 38,5 | 48,5 | 48,5 | |
| P | 74,5 | 74,5 | 84,5 | 84,5 | 93 | 93 | |
| Q | 93,5 | 93,5 | 101,5 | 101,5 | 114,7 | 114,7 | |
| R | 36,5 | 36,5 | 41 | 41 | 46 | 46 | |
| S | 30 | 30 | 30 | 30 | 30 | 30 | |
| T | 168 | 168 | 186 | 186 | 207,7 | 207,7 | |
| W (แก๊ส) | 1/4" | 1/4" | 1/4" | 1/4" | 1/4" | 1/4" | |
| Ch | 27 | 27 | 36 | 36 | 36 | 36 | |
| น้ำหนัก (Kg) | 22,7 | 22,7 | 33 | 33 | 42 | 42 | |
| อากาศ (dm3/รอบ) | 2,8 | 2,8 | 4,2 | 4,2 | 5,9 | 5,9 | |
| H = จุดกึ่งกลางของการยึดเพลต | |||||||
| ข้อมูลจำเพาะ SR 1440 (Nm) | |
| รหัส | SR1440E16D8A |
| น้ำหนัก [กก.] | 74,0 |
| ปริมาตรอากาศ [dm3/รอบ] | 11,0 |
| อะไหล่ชุดซีล | KGSI1035 |
| ข้อมูลจำเพาะ SR 1920 (Nm) | |
| รหัส | SR1920E1608A |
| น้ำหนัก [กก.] | 67,0 |
| ปริมาตรอากาศ [dm3/รอบ] | 12,0 |
| อะไหล่ชุดซีล | KGDI0030 |
| ข้อมูลจำเพาะ SR 2880 (Nm) | |
| รหัส | SR2880E16D8A |
| น้ำหนัก [กก.] | 116,8 |
| ปริมาตรอากาศ [dm3/รอบ] | 21,0 |
| อะไหล่ชุดซีล | KGSI2035 |
| ข้อมูลจำเพาะ SR 4000 (Nm) | |
| รหัส | SR4000E25D8A |
| น้ำหนัก [กก.] | 183,0 |
| ปริมาตรอากาศ [dm3/รอบ] | 29,1 |
| อะไหล่ชุดซีล | KGSI1040 |
ส่วนประกอบของแอคชูเอเตอร์ลมแบบสปริงรีเทิร์น ขนาด: SRN15-SRN960 | |||
| ตำแหน่ง | ชื่อชิ้นส่วน | จำนวน | วัสดุ |
| 1 | กระบอกสูบ | 1 | อลูมิเนียมอัลลอย |
| 2 | ลูกสูบ | 2 | อลูมิเนียมอัลลอย |
| 3 | ฝาครอบ | 2 | อลูมิเนียมอัลลอย |
| 4 | เพลา | 1 | สแตนเลส |
| 5 | สก๊อตโยก (Scotch yoke) | 1 | เหล็กอัลลอย |
| 6 | บุชช์รองรับ | 1 | เรซินอะซิตัล |
| 7 | ตัวยึดเพลา | 1 | เรซินอะซิตัล |
| 8 | บุชช์ | 2 | เหล็กอัลลอย |
| 9 | ปลอกหมุน | 2 | เหล็กอัลลอย |
| 10* | ซีลแบบไดนามิก | 2 | โพลียูรีเทน |
| 11* | แผ่นรองลูกสูบ | 4 | P.T.F.E. เติมคาร์โบ-กราไฟต์ |
| 12* | โอริง | 2 | ยางไนไตรล์ |
| 13 | โอริง (ซีลเพลาส่วนบน) | 1 | FKM |
| 14 | แหวนรองรับภายนอก | 1 | เรซินอะซิตัล |
| 15 | แหวนรองรอน (Ron Washer) | 1 | สแตนเลส |
| 16 | แหวนล็อกซีเกอร์ | 1 | สแตนเลส |
| 17 | โอริง (ซีลเพลาส่วนล่าง) | 1 | FKM |
| 18 | น็อต | 2 | อลูมิเนียมอัลลอย |
| 19* | โอริงฝาปิดปลายกระบอก | 2 | ยางไนไตรล์ |
| 20 | สกรู | 8 | สแตนเลส |
| 21 | สกรูปรับแรงสปริง | 2 | เหล็กอัลลอย |
| 22 | ฝาครอบสปริง | 2 | เหล็กอัลลอย |
| 23 | สปริง | 2 | เหล็กอัลลอย |
| 24* | โอริง | 2 | ยางไนไตรล์ |
| 25 | สลักยืดหยุ่นภายนอกของโยก | 1 | เหล็กอัลลอย |
| 26 | สลักยืดหยุ่นภายในของโยก | 1 | เหล็กอัลลอย |
| 27 | แหวนจัดศูนย์ (อุปกรณ์เสริม) | 1 | อลูมิเนียมอัลลอย |
| * ชิ้นส่วนที่รวมอยู่ในชุดอะไหล่สำรอง | |||
| ส่วนประกอบของแอคชูเอเตอร์ลมแบบสปริงรีเทิร์น ขนาด: SR1440 | |||
| ตำแหน่ง | ชื่อชิ้นส่วน | จำนวน | วัสดุ |
| 1 | บุชช์เหล็ก | 1 | เหล็กอัลลอย |
| 2 | พินเหล็ก | 1 | เหล็กอัลลอย |
| 3 | ตัวเรือน | 1 | อลูมิเนียม |
| 4 | สปริงภายใน | 1 | เหล็กอัลลอย |
| 5* | โอริง | 2 | ยางไนไตรล์ |
| 6 | เพลา | 1 | เหล็กอัลลอย |
| 7 | สกรู | 1 | เหล็กอัลลอย |
| 8* | แบริ่ง (ปลายล่างของเพลา) | 1 | P.T.F.E. เติมคาร์โบ-กราไฟต์ |
| 9* | โอริง | 1 | FKM |
| 10* | โอริง | 1 | FKM |
| 11 | บุชช์รองล่าง | 1 | อลูมิเนียม |
| 12 | สกรู | 2 | เหล็กอัลลอย |
| 13 | แบริ่งเพลา | 1 | เรซินอะซิตัล |
| 14 | แหวนเว้นระยะ | 1 | อลูมิเนียม |
| 15 | ฝาครอบ | 1 | อลูมิเนียม |
| 16 | สกรูฝาครอบ | 7 | เหล็กอัลลอย |
| 17 | น็อตฝาครอบ | 7 | เหล็กอัลลอย |
| 18 | สกรูเกลียวใน | 1 | เหล็กอัลลอย |
| 19 | น็อต | 1 | เหล็กอัลลอย |
| 20 | สกรูเกลียวใน | 1 | เหล็กอัลลอย |
| 21* | โอริง | 1 | ยางไนไตรล์ |
| 22 | สก๊อตโยก (Scotch yoke) | 1 | เหล็กอัลลอย |
| 23 | แบริ่งเพลา | 1 | เรซินอะซิตัล |
| 24* | โอริง | 2 | ยางไนไตรล์ |
| 25* | แบริ่ง (ปลายบนของเพลา) | 1 | P.T.F.E. เติมคาร์โบ-กราไฟต์ |
| 26* | โอริง | 1 | FKM |
| 27* | แบริ่งรับแรงผลัก | 1 | เรซินอะซิตัล |
| 28 | แหวนรอง | 1 | เหล็กอัลลอย |
| 29 | แหวนล็อกซีเกอร์ | 1 | เหล็กอัลลอย |
| 30 | สลักสปริง | 1 | เหล็กอัลลอย |
| 31* | แบริ่ง (ด้านหลังลูกสูบ) | 2 | เรซินอะซิตัล |
| 32 | ลูกสูบ | 1 | อลูมิเนียม |
| 33* | โอริง | 1 | ยางไนไตรล์ |
| 34* | แบริ่ง (ด้านหน้าลูกสูบ) | 1 | P.T.F.E. เติมคาร์โบ-กราไฟต์ |
| 35 | กระบอกสูบด้านข้าง | 1 | เหล็กอัลลอย |
| 36* | โอริง | 2 | ยางไนไตรล์ |
| 37 | ฝาครอบ | 1 | เหล็กอัลลอย |
| 38 | สกรูฝาครอบ | 7 | เหล็กอัลลอย |
| 39 | น็อต | 7 | เหล็กอัลลอย |
| 40* | โอริง | 1 | ยางไนไตรล์ |
| 41 | น็อต | 1 | เหล็กอัลลอย |
| 42 | น็อตฝาครอบ | 1 | เหล็กอัลลอย |
| 43 | สกรู | 1 | เหล็กอัลลอย |
| 44 | โอริง | 1 | ยางไนไตรล์ |
| 45 | ฝาครอบสปริง | 1 | อลูมิเนียม |
| 46 | โอริง | 1 | ยางไนไตรล์ |
| 47 | ถ้วยสปริง | 1 | อลูมิเนียม |
| 48 | สปริงภายนอก | 1 | เหล็กอัลลอย |
| * ชิ้นส่วนที่รวมอยู่ในชุดอะไหล่สำรอง | |||
| ส่วนประกอบของแอคชูเอเตอร์ลมแบบสปริงรีเทิร์น ขนาด: SR1920 | |||
| ตำแหน่ง | ชื่อชิ้นส่วน | จำนวน | วัสดุ |
| 1 | กระบอกสูบ | 1 | อลูมิเนียมอัลลอย |
| 2 | ลูกสูบ | 2 | อลูมิเนียมอัลลอย |
| 3 | ฝาครอบ | 2 | อลูมิเนียมอัลลอย |
| 4 | เพลา | 1 | สแตนเลส |
| 5 | สก๊อตโยก (Scotch yoke) | 1 | เหล็กอัลลอย |
| 6 | แบริ่งเพลา | 1 | เรซินอะซิตัล |
| 7 | แบริ่งเพลา | 1 | เรซินอะซิตัล |
| 8 | แบริ่ง (ปลายล่างของเพลา) | 1 | P.T.F.E. เติมคาร์โบ-กราไฟต์ |
| 9 | แบริ่ง (ปลายบนของเพลา) | 1 | P.T.F.E. เติมคาร์โบ-กราไฟต์ |
| 10 | บุชช์เหล็ก | 2 | เหล็กอัลลอย |
| 11 | พินเหล็ก | 2 | เหล็กอัลลอย |
| 12 | แบริ่ง (ด้านหน้าลูกสูบ) | 2 | P.T.F.E. เติมคาร์โบ-กราไฟต์ |
| 13* | แบริ่ง (ด้านหลังลูกสูบ) | 4 | เรซินอะซิตัล |
| 14* | โอริง | 2 | ยางไนไตรล์ |
| 15* | โอริง | 1 | FKM |
| 16 | แบริ่งรับแรงผลัก | 1 | เรซินอะซิตัล |
| 17 | แหวนรอง | 1 | สแตนเลส |
| 18 | แหวนล็อกซีเกอร์ | 1 | สแตนเลส |
| 19* | โอริง | 2 | ยางไนไตรล์ |
| 20* | โอริง | 1 | FKM |
| 21* | โอริง | 2 | ยางไนไตรล์ |
| 22* | โอริง | 2 | ยางไนไตรล์ |
| 23 | น็อตฝาครอบ | 12 | สแตนเลส |
| 24 | สกรูเกลียวใน | 2 | สแตนเลส |
| 25* | โอริง | 2 | ยางไนไตรล์ |
| 26 | น็อต | 2 | สแตนเลส |
| 27 | สปริง | 4 | เหล็กอัลลอย |
| 28* | โอริง | 2 | ยางไนไตรล์ |
| 29 | น็อต | 2 | สแตนเลส |
| 30 | น็อตฝาครอบ | 2 | สแตนเลส |
| 31 | ฝาครอบสปริง | 2 | อลูมิเนียมอัลลอย |
| 32 | สกรู | 2 | สแตนเลส |
| 33 | กระบอกสูบ | 2 | อลูมิเนียมอัลลอย |
| 34 | สกรู | 1 | สแตนเลส |
| 35** | แหวนจัดศูนย์ (อุปกรณ์เสริม) | 1 | อลูมิเนียมอัลลอย |
| 36 | สกรูฝาครอบ | 12 | เหล็กอัลลอย |
| 37 | สลักสปริง | 2 | เหล็กอัลลอย |
| * ชิ้นส่วนที่รวมอยู่ในชุดอะไหล่สำรอง | |||
| ** อุปกรณ์เสริม | |||
ส่วนประกอบของแอคชูเอเตอร์ลมแบบสปริงรีเทิร์น ขนาด: SR2880 | |||
| ตำแหน่ง | ชื่อชิ้นส่วน | จำนวน | วัสดุ |
| 1 | บุชช์เหล็ก | 2 | เหล็กอัลลอย |
| 2 | พินเหล็ก | 2 | เหล็กอัลลอย |
| 3 | สกรูปรับ | 1 | เหล็กอัลลอย |
| 4 | สต็อปซ้าย | 1 | เหล็กอัลลอย |
| 5* | โอริง | 2 | ยางไนไตรล์ |
| 6 | ฝาครอบป้องกัน | 1 | อลูมิเนียม |
| 7 | แหวนกันหมุน | 1 | เหล็กอัลลอย |
| 8 | แหวนโลหะ | 1 | สแตนเลส |
| 9* | โอริง | 1 | ยางไนไตรล์ |
| 10 | คาร์เตอร์ (โครงครอบ) | 1 | อลูมิเนียม |
| 11 | สกรู | 4 | เหล็กอัลลอย |
| 12 | แหวนโลหะ | 1 | สแตนเลส |
| 13 | สต็อปขวา | 1 | เหล็กอัลลอย |
| 14 | สกรู | 1 | เหล็กอัลลอย |
| 15 | เพลา | 1 | เหล็กอัลลอย |
| 16 | แบริ่ง (ปลายล่างของเพลา) | 1 | P.T.F.E. เติมคาร์โบ-กราไฟต์ |
| 17 | บุชช์รองล่าง | 1 | อลูมิเนียม |
| 18 | สกรู | 2 | เหล็กอัลลอย |
| 19* | โอริง | 1 | FKM |
| 20 | แบริ่งเพลา | 1 | เรซินอะซิตัล |
| 21* | แบริ่ง (ด้านหลังลูกสูบ) | 4 | เรซินอะซิตัล |
| 22 | สลักสปริง | 2 | เหล็กอัลลอย |
| 23 | กระบอกสูบด้านข้าง | 2 | อลูมิเนียม |
| 24* | โอริง | 2 | ยางไนไตรล์ |
| 25 | ฝาครอบ | 2 | อลูมิเนียม |
| 26 | สกรูฝาครอบ | 14 | เหล็กอัลลอย |
| 27 | น็อตฝาครอบ | 14 | เหล็กอัลลอย |
| 28 | น็อตฝาครอบ | 2 | เหล็กอัลลอย |
| 29 | น็อต | 2 | เหล็กอัลลอย |
| 30* | โอริง | 2 | ยางไนไตรล์ |
| 31* | แบริ่ง (ด้านหน้าลูกสูบ) | 2 | P.T.F.E. เติมคาร์โบ-กราไฟต์ |
| 32* | โอริง | 2 | ยางไนไตรล์ |
| 33 | ลูกสูบ | 2 | อลูมิเนียม |
| 34 | สก๊อตโยก (Scotch yoke) | 1 | เหล็กอัลลอย |
| 35 | แบริ่งเพลา | 1 | เรซินอะซิตัล |
| 36* | โอริง | 2 | ยางไนไตรล์ |
| 37* | โอริง | 2 | ยางไนไตรล์ |
| 38 | ตัวเรือน | 1 | อลูมิเนียม |
| 39* | แบริ่ง (ปลายบนของเพลา) | 1 | P.T.F.E. เติมคาร์โบ-กราไฟต์ |
| 40* | โอริง | 1 | FKM |
| 41* | แบริ่งรับแรงผลัก | 1 | เรซินอะซิตัล |
| 42 | แหวนรอง | 1 | เหล็กอัลลอย |
| 43 | แหวนล็อกซีเกอร์ | 1 | เหล็กอัลลอย |
| 44 | สกรู | 2 | เหล็กอัลลอย |
| 45* | โอริง | 2 | ยางไนไตรล์ |
| 46 | ฝาครอบสปริง | 2 | อลูมิเนียม |
| 47* | โอริง | 2 | ยางไนไตรล์ |
| 48 | ฝาครอบสปริง | 2 | อลูมิเนียม |
| 49 | สปริงภายนอก | 2 | เหล็กอัลลอย |
| 50 | สปริงภายใน | 2 | เหล็กอัลลอย |
| 51* | ปะเก็น | 1 | ยางไนไตรล์ |
| 52* | โอริง | 1 | FKM |
| 53 | แหวนรอง | 1 | เหล็กอัลลอย |
| 54 | แหวนล็อกซีเกอร์ | 2 | เหล็กอัลลอย |
| * ชิ้นส่วนที่รวมอยู่ในชุดอะไหล่สำรอง | |||
| ส่วนประกอบของกระบอกลมแบบสปริงรีเทิร์น ขนาด: SR4000 | |||
| ตำแหน่ง | ชื่อชิ้นส่วน | จำนวน | วัสดุ |
| 1 | บูชเหล็ก | 2 | เหล็กผสม |
| 2 | พินเหล็ก | 2 | เหล็กผสม |
| 3 | สกรูปรับตั้ง | 1 | เหล็กผสม |
| 4 | ตัวหยุดด้านซ้าย | 1 | เหล็กผสม |
| 5* | โอริง | 2 | ยางไนไตรล์ |
| 6 | ฝาครอบป้องกัน | 1 | อะลูมิเนียม |
| 7 | แหวนกันหมุน | 1 | เหล็กผสม |
| 8 | แหวนโลหะ | 1 | สแตนเลส |
| 9* | โอริง | 1 | ยางไนไตรล์ |
| 10 | คาร์เตอร์ | 1 | อะลูมิเนียม |
| 11 | สกรู | 4 | เหล็กผสม |
| 12 | แหวนโลหะ | 1 | สแตนเลส |
| 13 | ตัวหยุดด้านขวา | 1 | เหล็กผสม |
| 14 | สกรู | 1 | เหล็กผสม |
| 15 | เพลา | 1 | เหล็กผสม |
| 16 | ตลับลูกปืน (ปลายเพลา) | 1 | พีทีเอฟอี ผสมคาร์บอนกราไฟต์ |
| 17 | อินเตอร์เฟส F25 | 1 | อะลูมิเนียม |
| 18 | สกรู | 2 | เหล็กผสม |
| 19* | โอริง | 1 | เอฟเคเอ็ม |
| 20 | ตลับลูกปืนเพลา | 1 | เรซินอะซีทัล |
| 21* | ตลับลูกปืน (ด้านหลังลูกสูบ) | 4 | เรซินอะซีทัล |
| 22 | พินสปริง | 2 | เหล็กผสม |
| 23 | กระบอกด้านข้าง | 2 | อะลูมิเนียม |
| 24* | โอริง | 2 | ยางไนไตรล์ |
| 25 | ฝาครอบ | 2 | อะลูมิเนียม |
| 26 | สกรูยึดฝา | 14 | เหล็กผสม |
| 27 | น็อตฝา | 28 | เหล็กผสม |
| 28 | น็อต | 2 | เหล็กผสม |
| 29 | สกรู | 2 | เหล็กผสม |
| 30* | โอริง | 2 | ยางไนไตรล์ |
| 31* | ตลับลูกปืน (หัวลูกสูบ) | 2 | พีทีเอฟอี ผสมคาร์บอนกราไฟต์ |
| 32* | โอริง | 2 | เอ็นบีอาร์ |
| 33 | ลูกสูบ | 2 | อะลูมิเนียม |
| 34 | กลไกสก็อตโยก | 1 | เหล็กผสม |
| 35 | ตลับลูกปืนเพลา | 1 | เรซินอะซีทัล |
| 36* | โอริง | 2 | ยางไนไตรล์ |
| 37* | โอริง | 18 | ยางไนไตรล์ |
| 38 | ตัวเรือน | 1 | อะลูมิเนียม |
| 39* | ตลับลูกปืน (ปลายเพลาด้านบน) | 1 | พีทีเอฟอี ผสมคาร์บอนกราไฟต์ |
| 40* | โอริง | 1 | เอฟเคเอ็ม |
| 41* | ตลับลูกปืนแรงผลัก | 1 | เรซินอะซีทัล |
| 42 | แหวนรอง | 1 | เหล็กผสม |
| 43 | แหวนล็อกซีเกอร์ | 1 | เหล็กผสม |
| 44* | ปะเก็น | 1 | ยางไนไตรล์ |
| 45 | แหวนรอง | 1 | เหล็กผสม |
| 46 | แหวนล็อกซีเกอร์ | 2 | เหล็กผสม |
| 47 | หน้าแปลน | 2 | อะลูมิเนียม |
| 48 | สกรู | 14 | เหล็กผสม |
| 49 | สกรูตัวหนอน | 2 | เหล็กผสม |
| 50 | หน้าแปลน | 2 | อะลูมิเนียม |
| 51* | โอริง | 2 | ยางไนไตรล์ |
| 52 | น็อตฝา | 2 | เหล็กผสม |
| 53 | สปริงภายนอก | 2 | เหล็กผสม |
| 54 | สปริงภายใน | 2 | เหล็กผสม |
| 55 | ฝาครอบสปริง | 2 | อะลูมิเนียม |
| 56 | โอริง | 2 | ยางไนไตรล์ |
| 57 | โอริง | 2 | ยางไนไตรล์ |
| 58 | ฝาครอบสปริง | 2 | อะลูมิเนียม |
| * ชิ้นส่วนที่รวมอยู่ในชุดอะไหล่สำรอง | |||
ตารางแรงบิดขาออก (Nm) α° = มุมการหมุน | |||||||||
| ขนาด | α° | 2,8 bar ÷ 40 PSI | 3,5 bar ÷ 50 PSI | 4,2 bar ÷ 60 PSI | 5,6 bar ÷ 80 PSI | ||||
| อากาศ | สปริง | อากาศ | สปริง | อากาศ | สปริง | อากาศ | สปริง | ||
| SRN 15 | 0° | 7,5 | 5 | 9,4 | 6,3 | 11,3 | 7,5 | 15 | 10 |
| 50° | 3,7 | 3,7 | 4,7 | 4,7 | 5,6 | 5,6 | 7,5 | 7,5 | |
| 90° | 5 | 7,5 | 6,3 | 9,4 | 7,5 | 11,3 | 10 | 15 | |
| SRN 30 | 0° | 15 | 10 | 18,8 | 12,5 | 22,5 | 15 | 30 | 20 |
| 50° | 7,5 | 7,5 | 9,4 | 9,4 | 11,3 | 11,3 | 15 | 15 | |
| 90° | 10 | 15 | 12,5 | 18,8 | 15 | 22,5 | 20 | 30 | |
| SRN 53 | 0° | 26,5 | 17,5 | 33 | 22 | 40 | 26 | 53 | 35 |
| 50° | 13 | 13 | 16,5 | 16,5 | 19,5 | 19,5 | 26 | 26 | |
| 90° | 17,5 | 26,5 | 22 | 33 | 26 | 40 | 35 | 53 | |
| SRN 60 | 0° | 30 | 20 | 37,5 | 25 | 45 | 30 | 60 | 40 |
| 50° | 15 | 15 | 18,8 | 18,8 | 22,5 | 22,5 | 30 | 30 | |
| 90° | 20 | 30 | 25 | 37,5 | 30 | 45 | 40 | 60 | |
| SRN 90 | 0° | 45 | 30 | 56,3 | 37,5 | 67,5 | 45 | 90 | 60 |
| 50° | 22,5 | 22,5 | 28,1 | 28,1 | 33,9 | 33,9 | 45 | 45 | |
| 90° | 30 | 45 | 37,5 | 56,3 | 45 | 67,5 | 60 | 90 | |
| SRN 120 | 0° | 60 | 40 | 75 | 50 | 90 | 60 | 120 | 80 |
| 50° | 30 | 30 | 37,5 | 37,5 | 45 | 45 | 60 | 60 | |
| 90° | 40 | 60 | 50 | 75 | 60 | 90 | 80 | 120 | |
| SRN 180 | 0° | 90 | 60 | 112,5 | 75 | 135 | 90 | 180 | 120 |
| 50° | 45 | 45 | 56,3 | 56,3 | 67,5 | 67,5 | 90 | 90 | |
| 90° | 60 | 90 | 75 | 112,5 | 90 | 135 | 120 | 180 | |
| SRN 240 | 0° | 120 | 80 | 150 | 100 | 180 | 120 | 240 | 160 |
| 50° | 60 | 60 | 75 | 75 | 90 | 90 | 120 | 120 | |
| 90° | 80 | 120 | 100 | 150 | 120 | 180 | 160 | 240 | |
| SRN 360 | 0° | 180 | 120 | 225 | 150 | 270 | 180 | 360 | 240 |
| 50° | 90 | 90 | 112,5 | 112,5 | 135 | 135 | 180 | 180 | |
| 90° | 120 | 180 | 150 | 225 | 180 | 270 | 240 | 360 | |
| SRN 480 | 0° | 240 | 160 | 300 | 200 | 360 | 240 | 480 | 320 |
| 50° | 120 | 120 | 150 | 150 | 180 | 180 | 240 | 240 | |
| 90° | 160 | 240 | 200 | 300 | 240 | 360 | 320 | 480 | |
| SRN 720 | 0° | 360 | 240 | 450 | 300 | 540 | 360 | 720 | 480 |
| 50° | 180 | 180 | 225 | 225 | 270 | 270 | 360 | 360 | |
| 90° | 240 | 360 | 300 | 450 | 360 | 540 | 480 | 720 | |
| SRN 960 | 0° | 480 | 320 | 600 | 400 | 720 | 480 | 960 | 640 |
| 50° | 240 | 240 | 300 | 300 | 360 | 360 | 480 | 480 | |
| 90° | 320 | 480 | 400 | 600 | 480 | 720 | 640 | 960 | |
| SR 1440 | 0° | --- | --- | 900 | 600 | --- | --- | 1440 | 960 |
| 50° | --- | --- | 450 | 450 | --- | --- | 720 | 720 | |
| 90° | --- | --- | 600 | 900 | --- | --- | 960 | 1440 | |
| SR 1920 | 0° | 960 | 640 | 1200 | 800 | 1440 | 960 | 1920 | 1280 |
| 50° | 480 | 480 | 600 | 600 | 720 | 720 | 960 | 960 | |
| 90° | 640 | 960 | 800 | 1200 | 960 | 1440 | 1280 | 1920 | |
| SR 2880 | 0° | 1440 | 960 | 1800 | 1200 | 2160 | 1440 | 2880 | 1920 |
| 50° | 720 | 720 | 900 | 900 | 1080 | 1080 | 1440 | 1440 | |
| 90° | 960 | 1440 | 1200 | 1800 | 1440 | 2160 | 1920 | 2880 | |
| SR 4000 | 0° | 2000 | 1333 | 2500 | 1666,3 | 3000 | 1999,5 | 4000 | 2666 |
| 50° | 1000 | 1000 | 1250 | 1250 | 1500 | 1500 | 2000 | 2000 | |
| 90° | 1333 | 2000 | 1666,3 | 2500 | 1999,5 | 3000 | 2666 | 4000 | |