GENEL ÖZELLİKLER: • Yüksek frekanslı bakım sistemlerine müdahaleyi kolaylaştırmak için 3 parça halinde üretilmiştir. • Uç: ISO 7/1; alın kaynağı; soket kaynağı; NPT (ANSI B1.20.1). • Saf PTFE standart bilye contalar. • Çalışma sıcaklığı: -20°C + 150°C.arası (şemaya bakınız) • Çalışma basıncı: şemaya bakınız • hava, su, gaz, petrol ve petrokimya ürünleri, agresif sıvılar. • ISO 5211'e göre aktüatör montaj flanşı. • Kollu versiyon için: entegre asma kilit sistemi..
İSTEĞE GÖRE UYGULAMALAR: • Aşağıdaki malzemeden üretilen sızdırmazlık contaları:
RPTFE (camlı %15)
CTFE (grafitli %25)
TFM1600
• Diğer uygulamalar için satış servisimize başvurunuz.
SERTİFİKALAR: • 2014/34/UE Avrupa Direktifine uygun ATEX versiyonu • İsteğe göre ATEX sertifikası • 2014/68/EU PED Avrupa Direktifine uygundur.
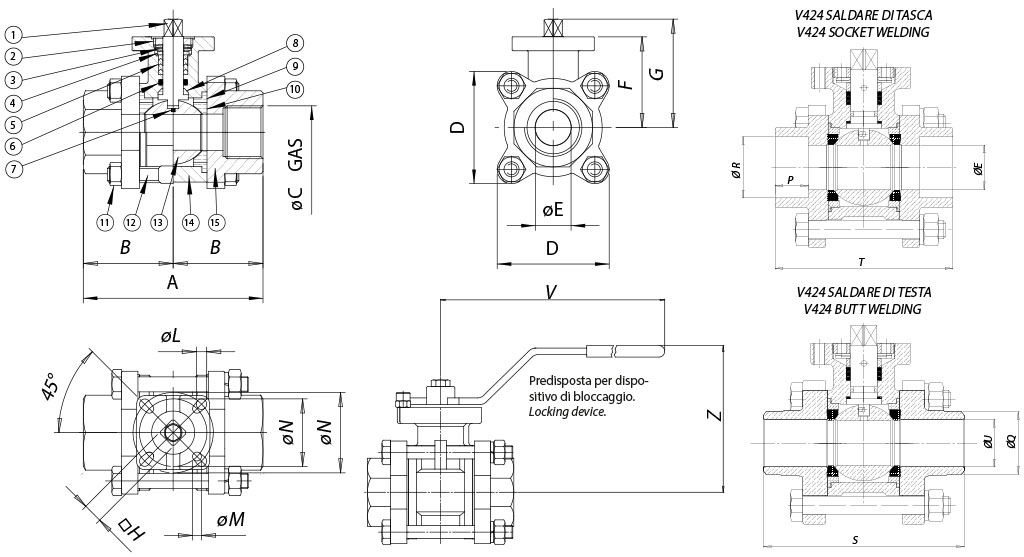
BOYUTLAR
ÖLÇÜ
A
B
ØE
D
F
G
□H
ØL
ØM
ØN
THREADED END
SOCKET WELDING END
BUTT WELDING END
V
Z
DN [mm]
[inç]
ØC
ØR
P
T
ØU
ØQ
S
DN 08
1/4"
65
32,5
11,2
48,8
42
49,5
9
6
6
36-42
1/4"
14,3
13,0
65,0
10,4
14,8
70
150
78,0
DN 10
3/8"
65
32,5
12,6
48,8
42
49,5
9
6
6
36-42
3/8"
17,7
13,0
65,0
13,7
18,5
70
150
78,0
DN 15
1/2"
75
37,5
15,0
48,8
42
49,5
9
6
6
36-42
1/2"
22,0
16,0
75,0
15,0
21,0
75
150
78,0
DN 20
3/4"
80
40,0
20,0
50,3
45
53,5
9
6
6
36-42
3/4"
27,5
16,0
80,0
21,4
28,3
90
150
82,5
DN 25
1"
90
45,0
25,0
64,0
52
62,7
11
7
6
42-50
1"
34,3
17,0
90,0
27,2
35,5
100
200
91,5
DN 32
1" 1/4
110
55,0
32,0
73,4
57
67,7
11
7
6
42-50
1" 1/4
43,0
20,0
110,0
35,5
43,7
110
200
95,5
DN 40
1" 1/2
120
60,0
38,0
82,0
68
81,5
11
9
7
50-70
1" 1/2
49,0
20,0
120,0
41,2
50,0
125
250
112,0
DN 50
2"
140
70,0
50,8
94,3
77
91,0
14
9
7
50-70
2"
61,4
22,0
140,0
52,7
63,0
150
250
118,5
DN 65
2"1/2
185
92,5
65,0
165,0
100
117
17
11
9
70-102
2" 1/2
77,2
33,0
185,0
65,3
77,2
190
300
140,0
DN 80
3"
205
102,5
80,0
190,0
111
127,7
17
11
9
70-102
3"
90,0
34,3
205,0
79,5
89,8
220
300
151,0
DN 100
4"
240
120,0
100,0
240,0
138
159,8
22
13
11
102-125
4"
115,4
41,0
240,0
102,3
115,4
270
400
178,0
MALZEMELER
1
Sap
316 S.S.
1.4401
UNI X5CrNiMo 17 12
2
Somun Packing takım conta
304 S.S.
1.4301
UNI X5CrNi 18 10
3
Çanak yay
301 S.S.
1.4310
UNI X12CrNi 17 07
4
Packing conta halkası
304 S.S.
1.4301
UNI X5CrNi 18 10
5*
Sap sızdırmazlık contası
P.T.F.E.
6*
O-ring
FKM
7
Antistatik cihaz
316 S.S.
1.4401
UNI X5CrNiMo 17 12
8*
Conta
P.T.F.E.
9*
Küresel conta merkezlemesi
P.T.F.E.
10*
Küresel conta
P.T.F.E.
11
Somun
304 S.S.
1.4301
UNI X5CrNi 18 10
12
Bağlantı çubuğu
304 S.S.
1.4301
UNI X5CrNi 18 10
13
Bilye
316 S.S.
1.4401
UNI X5CrNiMo 17 12
14
Gövde
316 S.S.
1.4408
15
Manşon
316 S.S.
1.4408
* KGBV60... yedek parça kitinin detayları
Basınç/sıcaklık şeması
Basınç debisi/düşüşü ve Kv nominal katsayısı
Kv değeri, 1 bar'lık basınç düşüşüne neden olan m3/sa (15°C'de su ile) cinsinden akış hızıdır.
Nm cinsinden BAŞLANGIÇ MOMENTLERİ
ÖLÇÜ
DN 8 1/4"
DN 10 3/8"
DN 15 1/2"
DN 20 3/4"
DN 25 1"
DN 32 1"1/4
DN 40 1"1/2
DN 50 2"
DN 65 2"1/2
DN 80 3"
DN 100 4"
PN 63 bar
6
7
8
10
14
20
29
42
85
146
235
moment değerleri, sıcaklığa ve akışkanın türüne bağlı olarak değişebilir.. ‘1.4’e eşdeğer olan bir emniyet faktörünü dikkate alınız. Sık açılma ve kapanma döngülerinde hareket momenti başlangıçtakine nazaran önemli ölçüde azalmaktadır. İlerleyen sayfalarda gösterilen aktüatör/vana bağlantıları, sıvı veya gaz akışkanları kesen, temiz ve orta sıcaklıklardaki vanalar için yapılmıştır. Daha fazla bilgi veya farklı kullanımlar için satış servisimize danışınız.