images/testate/qw5vFI_Template-Header-Sito-OMAL2560x768-AGO-ok.jpg

AGO - DA双气动铝制执行器

  • 优点
  • 特性
  • 特性
  • 物料
  • 图表和起动扭矩
  • 规格
  • 附件
  • 文档

1.自润滑的密封滑动轴承
降低活塞与缸筒之间的摩擦力;
即便长期停用,亦可避免密封件与缸筒发生粘连。

2.缸筒、套管和传动轴的硬度超过50 HRC

更强的执行器内部抗力

3.缸筒和活塞之间的滚动摩擦

更小的摩擦力

4.滚动摩擦的十字滑块(通过活塞和无传动装置的轴,将线性运动转换为旋转运动)。

活塞和传动轴之间的摩擦力更小,从而减少零部件磨损
打开和关闭时有着更强的起动扭矩
相较于齿轮和齿条式执行器,其尺寸更小,安装空间需求更低
相较于齿轮和齿条式执行器,其重量更小(-30% Kg/Nm),建造基础设施时可降低成本
相较于齿轮和齿条式执行器,其耗气量更低,(双效:-40% 空气 cm³/Nm;单效:-20% 空气 cm³/Nm),能够有效降低压缩机的工作负荷,或直接使用小尺寸压缩机。

5.滑动缸筒

得益于较低的表面粗糙度,可以降低轴承的磨耗

6. Stainless Steel shaft
Higher corrosion resistance

自DAN15型号起接埠NAMUR电磁阀的接口

无需安装额外基座

在OMAL自有设施内完成全部生产流程

对加工各个阶段的最佳管控

ATEX认证
可安装于潜在易爆的环境内

最高达SIL3等级的认证
更高的运行安全等级

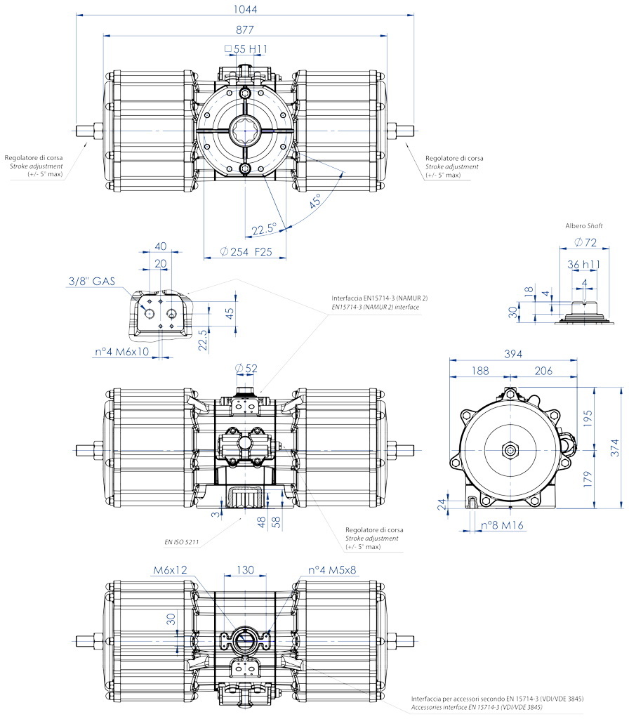
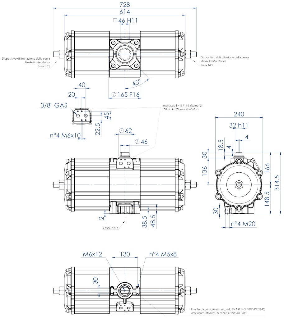
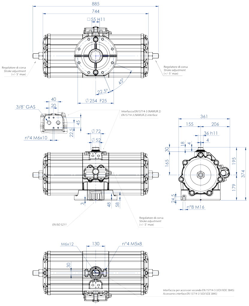
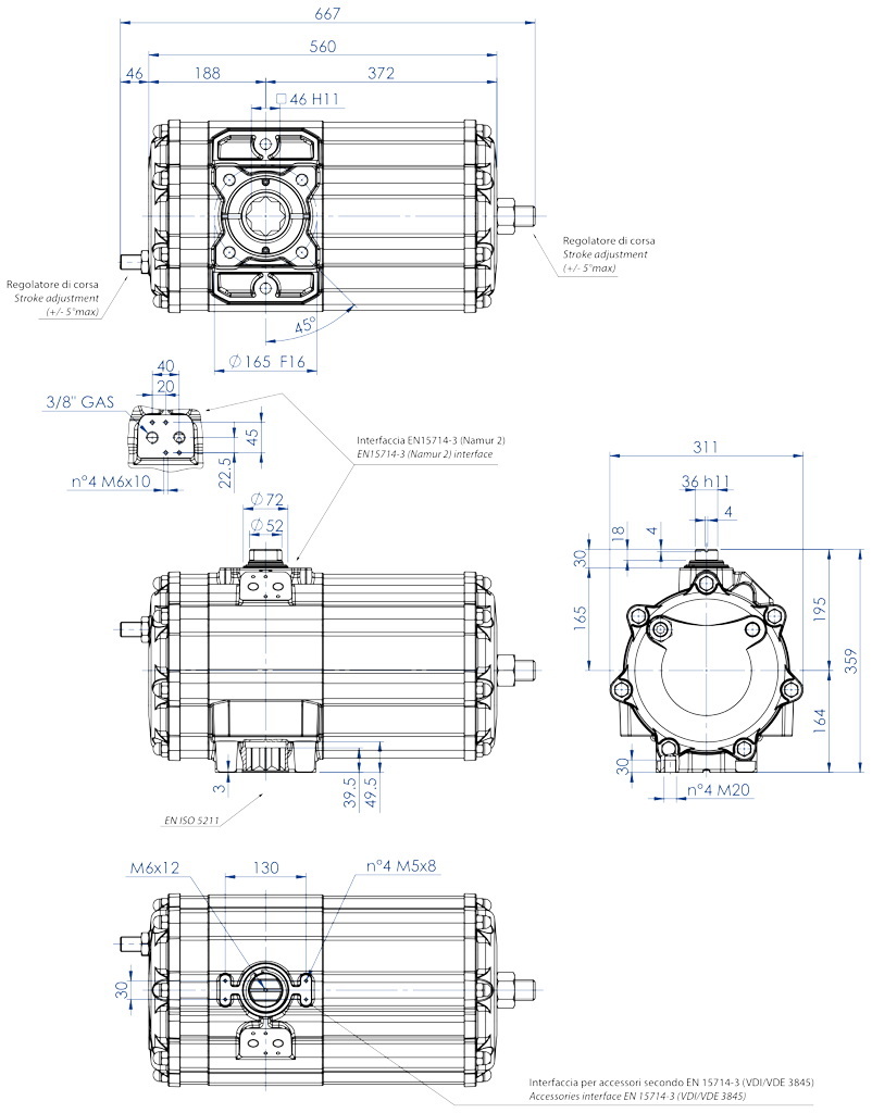
技术参数
扭矩介于8Nm~8000Nm之间。
法兰接口标准:EN ISO 5211
F03 - F04 - F05 - F07 - F10 - F12 - F14 - F16 - F25.
符合15714-3标准
旋转角度:92°(-1°,+91°)
起动扭矩:与供应压力成正比;具体请参见表格。
对于任意一台执行器,DA/DAN后的数字即对应于压力为5.6bar时的起动扭矩(Nm)。
ATEX认证型号符合欧盟《2014/34/UE》ATEX防爆条例。*ATEX型号的代码末尾处添加“YX”

运行条件

温度:-20℃~+80℃。(特殊型号:高温=-20℃~+150℃;低温=-50℃~+60℃)
额定压力:5.6bar;最高作业压力:8.4bar (DA8000为7bar)。
流体源:无需润滑且经过滤的压缩空气。
需要润滑时,请使用与NBR材质相兼容的油料。

  • DA08
  • DAN15 - DAN1920
  • DA2880
  • DA3840
  • DA5760
  • DA8000

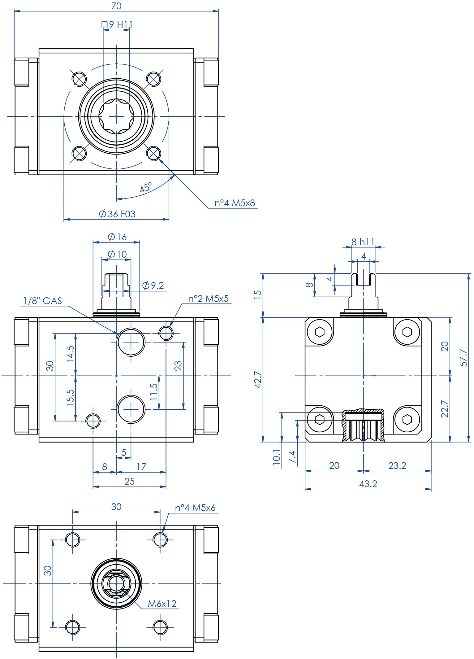
DA08(Nm)双效执行器

技术参数表 DA08 (Nm)
代码
DA008401S
重量 [Kg]0,29
供气量 [dm3/cycle]0,034
密封件KGDI0010

DAN15(Nm)至DAN1920(Nm)的双效执行器

技术参数表 DAN15(Nm)至DAN60(Nm)
代码
DAN0015411S
DAN0015412S
DAN0030411S
DAN0030412S
DAN0045411S
DAN0045412S
DAN0060411S
DAN0060412S
密封件KGGI0012
KGGI0014
KGGI0015
KGGI0016
尺寸
DAN15
DAN30
DAN45
DAN60
ISO
F03
F04
F03/F05
F04
F04
F03/F05
F04
F05/F07
A
159,1
159,1
174,3
174,3
188,5
188,5
198,1
198,1
B
11
11
11
11
11
11
14
14
C x depth
M5x8
M5x8
M5x8
M5x8
M5x8
M5x8
M5x8
M6x9
D x depth
-
-
M6x9
-
-
M6x9
-
M8x12
E
36
42
36
42
42
36
42
50
F
-
-
50
-
-
50
-
70
G
10
10
10
10
13
13
13
13
H
26,8
26,8
30,3
30,3
32,5
32,5
35,7
35,7
I
8
8
9
9
10
10
10
10
L
72,2
72,2
79,2
79,2
84,5
84,5
90,4
90,4
M
28
28
31,5
31,5
34,5
34,5
37,7
37,7
N
44,2
44,2
47,7
47,7
50
50
52,7
52,7
O
13,2
13,2
13,2
13,2
13,2
13,2
16,5
16,5
P
24,2
24,2
27,7
27,7
30
30
32,7
32,7
Q
28
28
31,5
31,5
34,5
34,5
37,7
37,7
R
9,2
9,2
10,9
10,9
12,7
12,7
14,5
14,5
S
20
20
20
20
20
20
20
20
T
52,2
52,2
59,2
59,2
64,5
64,5
70,4
70,4
W (Gas)
1/8”
1/8”
1/8”
1/8”
1/8”
1/8”
1/8”
1/8”
Ch
13
13
13
13
13
13
13
13
Weight (Kg)
0,75
0,75
1
1
1,2
1,2
1,6
1,6
Air (dm3/cycle)
0,08
0,08
0,15
0,15
0,22
0,22
0,3
0,3
H = 固定板中心

技术参数表 DAN106(Nm)至DAN720(Nm)

代码
DAN0106411S
DAN0120411S
DAN0180411S
DAN0240411S
DAN0360411S
DAN0480411S
DAN0720411S

密封件
KGGI0060
KGGI0018
KGGI0019
KGGI0020
KGGI0021
KGGI0022
KGGI0023

尺寸
DAN106
DAN120
DAN180
DAN240
DAN360
DAN480
DAN720

ISO
F05/F07
F05/F07
F07/F10
F07/F10
F07/F10
F10/F12
F10/F12

A
237,1
257,4
289,9
313,6
339,3
387,7
433

B
17
17
22
22
22
27
27

C x depth
M6x9
M6x9
M8x12
M8x12
M8x12
M10x15
M10x15

D x depth
M8x12
M8x12
M10x15
M10x15
M10x15
M12x18
M12x18

E
50
50
70
70
70
102
102

F
70
70
102
102
102
125
125

G
13
13
16
17
19
19
19,5

H
42,8
44,8
54,5
58,1
60
57,4
61,5

I
12
12
15
15
19
19
22

L
103,3
107
137,5
141,1
148
164,9
178

M
44,8
46,8
56,5
60,1
62
72,9
78,5

N
58,5
60,2
81
81
86
92
99,5

O
19,3
19,3
24,8
24,8
24,3
29,5
29,5

P
38,5
40,2
51
51
56
62
69,5

Q
44,8
46,8
56,5
60,1
62
72,9
78,5

R
16,2
18
20,2
22,5
25,5
29
31,8

S
20
20
30
30
30
30
30

T
83,3
87
107,5
111,1
118
134,9
148

W (气体)
1/8"
1/8"
1/8"
1/8"
1/8"
1/4"
1/4"

Ch
17
17
22
22
22
27
27

重量 (Kg)
2,5
2,6
4,6
5,4
6,5
9,6
12

供气量(dm3/ciclo)
0,55
0,59
0,95
1,3
1,8
2,6
3,5

H = 固定板中心

技术参数表 DAN106(Nm)至DAN720(Nm)

代码
DAN0960411S
DAN0960412S
DAN1440412S
DAN1440411S
DAN1920412S
DAN1920411S

密封件
KGGI0024
KGGI0025
KGGI0026

尺寸
DAN960
DAN1440
DAN1920

ISO
F10/F12
F14
F12
F14
F12/F16
F14

A
479,4
479,4
567
567
601
601

B
36
36
36
36
46
46

C x depth
M10x15
M16x24
M12x18
M16x24
M12x18
M16x24

D x depth
M12x18
-
-
-
M20x30
-

E
102
140
125
140
125
140

F
125
-
-
-
165
-

G
19,5
19,5
19,5
19,5
18,5
18,5

H
78
78
86,5
86,5
99,2
99,2

I
24
24
27
27
32
32

L
198
198
216
216
237,7
237,7

M
93,5
93,5
101,5
101,5
114,7
114,7

N
104,5
104,5
114,5
114,5
123
123

O
38,5
38,5
38,5
38,5
48,5
48,5

P
74,5
74,5
84,5
84,5
93
93

Q
93,5
93,5
101,5
101,5
114,7
114,7

R
36,5
36,5
41
41
46
46

S
30
30
30
30
30
30

T
168
168
186
186
207,7
207,7

W (气体)
1/4"
1/4"
1/4"
1/4"
1/4"
1/4"

Ch
27
27
36
36
36
36

重量(Kg)
17,4
17,4
23,4
23,4
32
32

供气量 (dm3/cycle)
4,9
4,9
7,6
7,6
10,2
10,2

H = 固定板中心

DA2880(Nm)双效气动执行器

技术参数表 DA 2880 (Nm)
代码
DA2880E16D0A
重量 [Kg]55,4
供气量 [dm3/cycle]20
密封备件
KGDI1035

DA3840(Nm)双效气动执行器

技术参数表 DA3840 (Nm)
代码
DA3840E1600A
重量 [Kg]49
供气量 [dm3/cycle]25,6
密封备件
KGDI0030

DA5760(Nm)双效气动执行器

技术参数表 DA 5760 (Nm)
代码
DA5760E25D0A
重量 [Kg]85,5
供气量 [dm3/cycle]38,0
密封备件
KGDI2035

DA8000(Nm)双效气动执行器

技术参数表 DA 8000 (Nm)
代码DA8000E25D0A
重量 [Kg]105,5
供气量 [dm3/cycle]50
密封备件
KGDI1040

  • DA08
  • DAN15 - DAN1920
  • DA2880
  • DA3840
  • DA5760
  • DA8000

下述尺寸的双效气动执行器组件:DA8

下述尺寸的双效气动执行器组件:DA8
位置
名称
数量
材质
1缸筒
1铝合金
2活塞
2铝合金
3DA封盖2铝合金
4阀轴
1合金钢
5传动轴
2合金钢
6钢套
2合金钢
7*支承片
2乙缩醛树脂
8*密封件
2NBR
9Seeger 弹性圈
1不锈钢
10垫片
1不锈钢
11*外支承环
1乙缩醛树脂
12*活塞O形圈
2NBR
13定心环 (OPTIONAL)
1铝合金
14*轴下O形圈
1FKM
15*内支承环
1乙缩醛树脂
16*轴上O形圈
1FKM
17螺栓
8不锈钢
* 备件套装的组件

下述尺寸的双效气动执行器组件:DAN15-DAN1920

下述尺寸的双效气动执行器组件:DAN15-DAN1920
位置
名称
数量材质
1缸筒
1铝合金
2活塞
2铝合金
3封盖
2铝合金
4阀轴
1不锈钢
5十字滑块
1合金钢
6支承滑套
1乙缩醛树脂
7支承轴
1乙缩醛树脂
8衬套
2合金钢
9传动轴
2合金钢
10*密封环
2聚氨酯
11*活塞支承盘
4P.T.F.E. carbo-graphite filled
12*活塞O形圈
2NBR
13轴上O形圈
1FKM
14止推轴承
1乙缩醛树脂
15垫片
1不锈钢
16Seeger 弹性圈
1不锈钢
17轴下O形圈
1FKM
18螺母
2铝合金
19*封盖O形圈
2NBR
20螺母
8不锈钢
21*O形圈
2NBR
22十字滑块塑料外杆
1合金钢
23十字滑块塑料外杆
1合金钢
24定心环 (OPTIONAL)1铝合金
25行程调整螺栓
2不锈钢
*备件套装的组件

下述尺寸的双效气动执行器组件:DA2880

下述尺寸的双效气动执行器组件: DA2880
位置
名称
数量
材质
1钢套
1
2钢销
1
3阀体
1
4螺母
1
5*O形圈
2Nitrilic rubber
6阀轴
1
7防喷溅螺栓
1
8*下支承件
1P.T.F.E. carbo-graphite filled
9*O形圈
1FKM
10*O形圈
1FKM
11下支承件套管
1
12套管螺栓
2
13支承滑套
1乙缩醛树脂
14定距片
1
15封盖
1
16装配螺栓
7
17套箍螺帽
7
18固定螺柱(封盖)
1
19螺母
1
20调整螺柱
1
21*O形圈
1Nitrilic rubber
22十字滑块
1
23滑套/支承套
1乙缩醛树脂
24*O形圈
2Nitrilic rubber
25*上支承件
1P.T.F.E. carbo-graphite filled
26*O形圈
1FKM
27*止推轴承
1乙缩醛树脂
28垫片
1
29Seeger 弹性圈
1
30防喷溅杆
1
31*小盘(活塞背部)
2乙缩醛树脂
32活塞
1
33*O形圈
1Nitrilic rubber
34*引导轴承
1P.T.F.E. 碳石墨填料
35侧缸筒
1
36*O形圈
2Nitrilic rubber
37封盖
1
38装配螺栓
7
39套箍螺帽
7
40*O形圈
1Nitrilic rubber
41调整螺柱
1
* 备件套装的组件

下述尺寸的双效气动执行器组件:DA3840

下述尺寸的双效气动执行器组件:DA3840
位置
名称
数量
材质
1缸筒
1铝合金
2活塞
2铝合金
3封盖
2铝合金
4阀轴
1不锈钢
5十字滑块
1合金钢
6支承滑套
1乙缩醛树脂
7滑套/支承套
1乙缩醛树脂
8*下支承轴承
1P.T.F.E. carbo-graphite filled
9*上支承轴承
1P.T.F.E. carbo-graphite filled
10钢套
2合金钢
11钢销
2合金钢
12*引导轴承
2P.T.F.E. 碳石墨填料
13*支撑轴承
4乙缩醛树脂
14*活塞O形圈
2Nitrilic rubber
15*轴上O形圈
1FKM
16*外支承环
1乙缩醛树脂
17垫片1不锈钢
18Seeger弹性圈
1不锈钢
19*导气O形圈
2Nitrilic rubber
20*轴下O形圈
1FKM
21*封盖O形圈
2Nitrilic rubber
22*阀体-缸套O形圈
2Nitrilic rubber
23套箍螺帽
12不锈钢
24调整螺柱
2不锈钢
25*螺柱O形圈
2Nitrilic rubber
26螺母
2不锈钢
27弹簧
4合金钢
28*调节O形圈
2Nitrilic rubber
29螺母
2不锈钢
30套箍螺帽
2不锈钢
31弹簧压板
2铝合金
32弹簧预张紧螺栓
2不锈钢
33侧缸筒
2铝合金
34防喷溅螺栓
1不锈钢
35**定心环 (OPTIONAL)
1铝合金
36装配螺栓
12
37防喷溅杆
2合金钢
* 备件套装的组件
** 选装

下述尺寸的双效气动执行器组件:DA5760

下述尺寸的双效气动执行器组件:DA5760
位置
名称
数量
材质
1钢套
2
2钢销
2
3调整螺栓
1
4左侧止动箍
1
5*O形圈
2Nitrilic rubber
6保护盖
1
7防旋转垫圈
1
8穿孔环
1不锈钢
9*O形圈
1Nitrilic rubber
10调整装置保护壳
1
11保护壳螺栓
4
12套箍螺母
1不锈钢
13右侧止动箍
1
14防喷溅螺栓
1
15阀轴
1
16下支承件
1P.T.F.E. carbo-graphite filled
17F25接口
1
18接口螺栓
2
19*O形圈
1FKM
20支承滑套
1乙缩醛树脂
21*轴承(活塞背部)
4乙缩醛树脂
22防喷溅杆
2
23侧缸筒
2
24*封盖O形圈
2Nitrilic rubber
25封盖
2
26装配螺栓14
27套箍螺帽
14
28螺母
2
29调整螺柱
2
30*O形圈
2Nitrilic rubber
31*引导轴承
2PTFE碳石墨填料
32*活塞O形圈
2Nitrilic rubber
33活塞
2
34十字滑块
1
35滑套/支承套
1乙缩醛树脂
36*O 形圈
2Nitrilic rubber
37*O 形圈
2Nitrilic rubber
38阀体
1
39*轴承(轴上)
1P.T.F.E. carbo-graphite filled
40*O形圈
1FKM
41*止推轴承
1乙缩醛树脂
42垫片
1
43Seeger 弹性圈
1
44*保护壳密封件
1Nitrilic rubber
45垫圈
1
46Seeger 弹性圈
2
* 备件套装的组件

下述尺寸的双效气动执行器组件:DA8000

下述尺寸的双效气动执行器组件:DA8000
位置
名称
数量
材质
1钢套
2
2钢销
2
3调整螺栓
1
4左侧止动箍
1
5*O形圈
2Nitrilic rubber
6保护盖
1
7防旋转垫圈
1
8穿孔环
1不锈钢
9*O 形圈
1Nitrilic rubber
10调整装置保护壳
1
11保护壳螺栓
4
12套箍螺母
1不锈钢
13右侧止动箍
1
14防喷溅螺栓
1
15阀轴
1
16下支承件
1P.T.F.E. carbo-graphite filled
17F25 接口
1
18接口螺栓
2
19*O形圈
1FKM
20支承滑套
1乙缩醛树脂
21*轴承
4乙缩醛树脂
22防喷溅杆
2
23侧缸筒
2
24*封盖O形圈o2Nitrilic rubber
25封盖
2
26装配螺栓
14
27套箍螺帽
28
28螺母
2
29调整螺柱2
30*O 形圈
2Nitrilic rubber
31*引导轴承
2P.T.F.E. 碳石墨填料
32*活塞O形圈
2Nitrilic rubber
33活塞
2
34十字滑块
1
35滑套/支承套1乙缩醛树脂
36*O 形圈2Nitrilic rubber
37*O 形圈18Nitrilic rubber
38阀体
1
39*上支承件
1P.T.F.E. carbo-graphite filled
40*O形圈1FKM
41*止推轴承
1乙缩醛树脂
42垫片1
43Seeger 弹性圈
1
44*保护壳密封件
1Nitrilic rubber
45垫圈
1
46Seeger 弹性圈
2
47缸筒法兰
2
48法兰螺栓
14
49螺柱
2
50活塞法兰
2
51*O 形圈
2Nitrilic rubber
* 备件套装的组件

基于旋转角度的起动扭矩图表

起动扭矩表( (Nm)           α°= 旋转角度   
尺寸 
α°
3 bar
4 bar
5 bar
5,6 bar
6 bar
7 bar
8 bar
DA 08

3,8
5
6,377,58,810
45°
1,92,53,13,53,84,45
90°
3,856,377,58,810
DAN  15

8,0
10,7
13,4
15,0
16,1
18,8
21,4
50°
4,0
5,4
6,7
7,5
8,0
9,4
10,7
90°
6,18,1
10,1
11,3
12,1
14,1
16,1
DAN  30

16,1
21,4
26,8
30,0
32,1
37,5
42,9
50°
8,0
10,7
13,4
15,0
16,1
18,8
21,4
90°
12,116,1
20,1
22,5
24,1
28,1
32,1
DAN  45

24,1
32,1
40,2
45,0
48,2
56,3
64,3
50°
12,1
16,1
20,1
22,5
24,1
28,1
32,1
90°
18,1
24,1
30,1
33,836,2
42,2
48,2
DAN  60

32,1
42,9
53,6
60,0
64,3
75,0
85,7
50°
16,1
21,4
26,8
30,0
32,1
37,5
42,9
90°
24,1
32,1
40,2
45,0
48,2
56,3
64,3
DAN 106

56,8
75,7
94,6
106,0
113,6
132,5
151,4
50°
28,4
37,9
47,3
53,0
56,8
66,3
75,7
90°
42,9
57,1
71,4
80,0
85,7
100,0
114,3
DAN 120

64,3
85,7
107,1
120,0
128,6
150,0
171,4
50°
32,1
42,9
53,6
60,0
64,3
75,0
85,7
90°
48,2
64,3
80,4
90,0
96,4
112,5
128,6
DAN 180

96,4
128,4
160,7180,0
192,9225,0
257,1
50°
48,2
64,3
80,4
90,0
96,4
112,5
128,6
90°
72,3
96,4
120,5135,0
144,6168,8
192,9
DAN 240

128,6
171,4
214,3
240,0
257,1
300,0
342,9
50°
64,3
85,7
107,1
120,0
128,6
150,0
171,4
90°
96,4
128,6
160,7
180,0
192,9
225,0
257,1
DAN 360

192,9
257,1
321,4360,0
385,7450,0514,3
50°
96,4
128,6
160,7180,0
192,9225,0257,1
90°
144,6
192,9241,1270,0
289,3337,5385,7
DAN 480

257,1
342,9
428,6
480,0
514,3
600,0
685,7
50°
128,6
171,4
214,3
240,0
257,1
300,0
342,9
90°
192,9
257,1
321,4
360,0
385,7
450,0
514,3
DAN 720

385,7
514,3642,9720,0
771,4900,01028,6
50°
192,9
257,1321,4
360,0
385,7450,0514,3
90°
289,3
385,7482,1540,0
578,6675,0771,4
DAN 960

514,3
685,7
857,1
960,0
1028,6
1200,0
1371,4
50°
257,1
342,9
428,6
480,0
514,3
600,0
685,7
90°
385,7
514,3
642,9
720,0
771,4
900,0
1028,6
DAN 1440

771,4
1028,61285,71440,0
1542,9
1800,02057,1
50°
385,7514,3642,9720,0
771,4
900,01028,6
90°
578,6
771,4964,31080,0
1157,1
1350,01542,9
DAN 1920

1028,6
1371,4
1714,3
1920,0
2057,1
2400,0
2742,9
50°
514,3
685,7857,1
960,0
1028,6
1200,0
1371,4
90°
771,4
1028,6
1285,7
1440,0
1542,9
1800,0
2057,1
DA 2880

1542,9
2057,12571,4
2880,0
3085,7
3600,0
4114,3
50°
771,4
1028,6
1285,7
1440,0
1542,91800,0
2057,1
90°
1157,1
1542,91928,6
2160,0
2314,3
2700,0
3085,7
DA 3840

2057,1
2742,93428,63840,0
4114,34800,0
5485,7
50°
1028,6
1371,4
1714,31920,0
2057,12400,0
2742,9
90°
1542,9
2057,12571,42880,0
3085,73600,0
4114,3
DA 5760

3085,7
4114,3
5142,95760,0
6171,4
7200,0
8228,6
50°
1542,9
2057,1
2571,4
2880,0
3085,7
3600,0
4114,3
90°
2314,3
3085,7
3857,1
4320,0
4628,6
5400,0
6171,4
DA 8000

4285,7
5714,3
7142,9
8000,0
8571,4
10000,0
---
50°
2142,9
2857,1
3571,4
4000,0
4285,7
5000,0
---
90°
3214,3
4285,7
5357,1
6000,0
6428,6
7500,0
---

操作图气动执行机构“ DA”

配备限位器的信号盒

手动解锁操纵器

NAMUR 电磁阀

电磁阀

电气定位器(内置安全装置)

气动定位器

接近式限位器

机电式限位器

气动式限位器

抗爆燃限位器II2GD ExdIIC

选择 尺寸
选择搜索参数
搜索文章
X 关闭

下一新闻

IVS - Industrial Valve Summit 2026
IVS - Industrial Valve Summit 2026
Bergamo, Italy, 19 - 21 may 2026