1.Energized and self-lubricated strips
Less friction between piston and cylinder
It prevents the bonding of the seal to the cylinder even after long periods of inactivity
2.Slots, bushes and pins made by steel with hardness higher than 50 HRC
Higher resistance to the forces inside the actuator
3.Rolling friction between piston and slot
Less friction
4.Scotch yoke with rolling friction (transforming rotary motion into linear motion using piston and shaft without teeths/gears)
Reduced friction between piston and shaft with consequently less wear on the relevant parts
Empowered Breakaway Torque (BTO & BTC)
Smaller volume/size than rack and pinion actuators (with the same torque) therefore less space required for installation
Less weight than the rack and pinion (-30% kg / Nm), with consequent savings on the construction sizing of the plant/equipment
Lower air consumption compared to the rack and pinion actuators (-40% air cm3/Nm for Double Acting and -20% air cm3/Nm for Spring Return) therefore less load on the compressor or the possibility of using a smaller compressor's size.
5.Rolled cylinder
Less wear of the energized ties thanks to the low roughness of the surface
6. Stainless Steel shaft
Higher corrosion resistance
From sizes bigger than DAN15, NAMUR interface for solenoid valve is already integrated.
No need for extra plate.
100% in- house manufacturing process technology
Maximum control and accuracy in all the stages of the manufacturing process
ATEX Certificate
Installation is allowed in a potential explosive environment
Up to SIL 3 Certified
Guarantee of the high level of functional safety.
TECHNICAL FEATURES
Torque from 8 Nm to 8000 Nm.
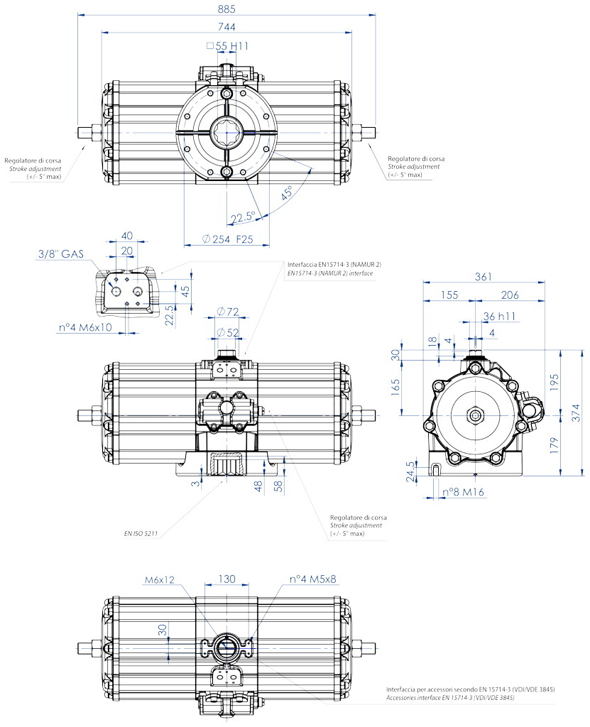
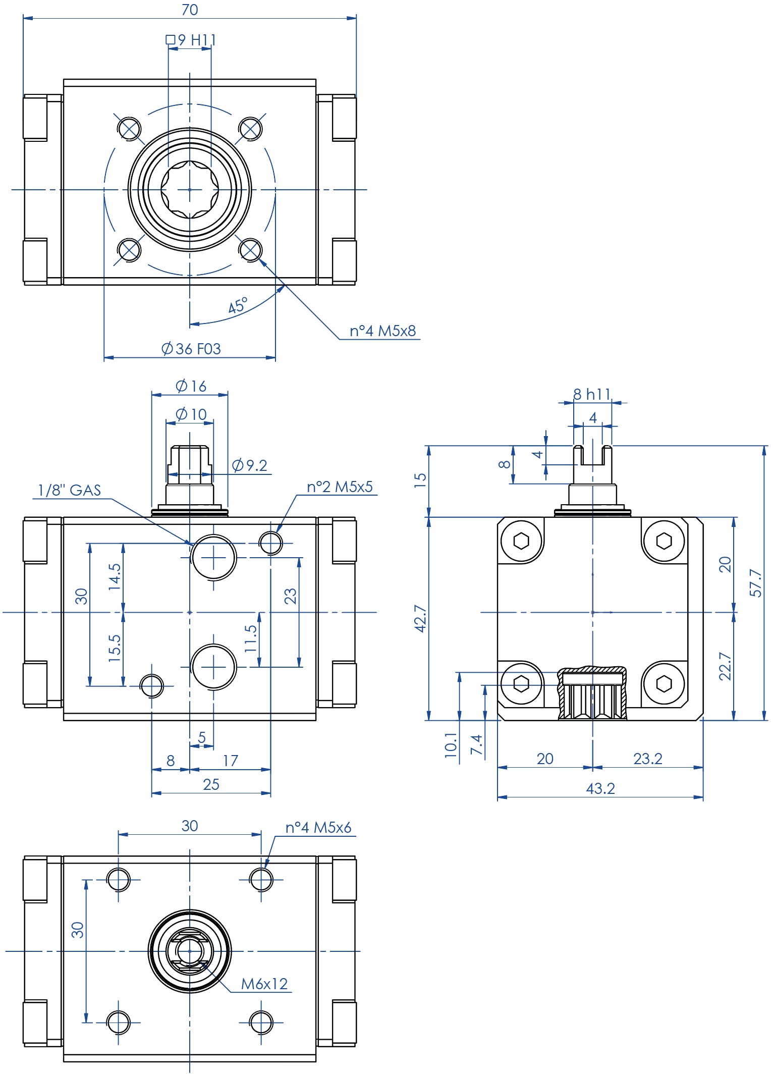
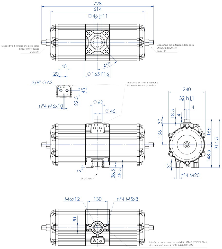
Mounting flange according to EN ISO 5211
F03 - F04 - F05 - F07 - F10 - F12 - F14 - F16 - F25.
In accordance with EN 15714-3
Rotation angle: 92° (-1°, +91°)
Torque: directly proportional to the air supply (see table).
The code numbers after the DA/DAN letters, always correspond to the breakaway torque in Nm by 5,6 bar air supply.
ATEX version in conformity with directive 2014/34/EU. Please add
YX at the end of the code for ATEX version.
WORKING CONDITIONS
Temperature: from -20°C to +80°C. (Special versions: high temperature: -20°C +150°C; low temperature: -50°C +60°)
Air supply: 5,6 bar; maximum 8,4 bar (7 bar for DA8000).
Actuating media: filtered dry compressed air, not necessarily lubricated.
In case of lubricated air, either non detergent oil, NBR compatible oil, must be used.
| DATA SHEET DA08 (Nm) | |
| Code | DA008401S |
| Weight [Kg] | 0,29 |
| Air volume [dm3/cycle] | 0,034 |
| Spare seals | KGDI0010 |
| DATA SHEET from DAN15 (Nm) to DAN60 (Nm) | ||||||||
| Code | DAN0015411S | DAN0015412S | DAN0030411S | DAN0030412S | DAN0045411S | DAN0045412S | DAN0060411S | DAN0060412S |
| Spare seals | KGGI0012 | KGGI0014 | KGGI0015 | KGGI0016 | ||||
| Size | DAN15 | DAN30 | DAN45 | DAN60 | ||||
| ISO | F03 | F04 | F03/F05 | F04 | F04 | F03/F05 | F04 | F05/F07 |
| A | 159,1 | 159,1 | 174,3 | 174,3 | 188,5 | 188,5 | 198,1 | 198,1 |
| B | 11 | 11 | 11 | 11 | 11 | 11 | 14 | 14 |
| C x depth | M5x8 | M5x8 | M5x8 | M5x8 | M5x8 | M5x8 | M5x8 | M6x9 |
| D x depth | - | - | M6x9 | - | - | M6x9 | - | M8x12 |
| E | 36 | 42 | 36 | 42 | 42 | 36 | 42 | 50 |
| F | - | - | 50 | - | - | 50 | - | 70 |
| G | 10 | 10 | 10 | 10 | 13 | 13 | 13 | 13 |
| H | 26,8 | 26,8 | 30,3 | 30,3 | 32,5 | 32,5 | 35,7 | 35,7 |
| I | 8 | 8 | 9 | 9 | 10 | 10 | 10 | 10 |
| L | 72,2 | 72,2 | 79,2 | 79,2 | 84,5 | 84,5 | 90,4 | 90,4 |
| M | 28 | 28 | 31,5 | 31,5 | 34,5 | 34,5 | 37,7 | 37,7 |
| N | 44,2 | 44,2 | 47,7 | 47,7 | 50 | 50 | 52,7 | 52,7 |
| O | 13,2 | 13,2 | 13,2 | 13,2 | 13,2 | 13,2 | 16,5 | 16,5 |
| P | 24,2 | 24,2 | 27,7 | 27,7 | 30 | 30 | 32,7 | 32,7 |
| Q | 28 | 28 | 31,5 | 31,5 | 34,5 | 34,5 | 37,7 | 37,7 |
| R | 9,2 | 9,2 | 10,9 | 10,9 | 12,7 | 12,7 | 14,5 | 14,5 |
| S | 20 | 20 | 20 | 20 | 20 | 20 | 20 | 20 |
| T | 52,2 | 52,2 | 59,2 | 59,2 | 64,5 | 64,5 | 70,4 | 70,4 |
| W (Gas) | 1/8” | 1/8” | 1/8” | 1/8” | 1/8” | 1/8” | 1/8” | 1/8” |
| Ch | 13 | 13 | 13 | 13 | 13 | 13 | 13 | 13 |
| Weight (Kg) | 0,75 | 0,75 | 1 | 1 | 1,2 | 1,2 | 1,6 | 1,6 |
| Air (dm3/cycle) | 0,08 | 0,08 | 0,15 | 0,15 | 0,22 | 0,22 | 0,3 | 0,3 |
| H = CENTER OF PLATE'S FIXING | ||||||||
DATA SHEET from DAN106 (Nm) to DAN720 (Nm) | ||||||||
| Code | DAN0106411S | DAN0120411S | DAN0180411S | DAN0240411S | DAN0360411S | DAN0480411S | DAN0720411S | |
| Spare seals | KGGI0060 | KGGI0018 | KGGI0019 | KGGI0020 | KGGI0021 | KGGI0022 | KGGI0023 | |
| Size | DAN106 | DAN120 | DAN180 | DAN240 | DAN360 | DAN480 | DAN720 | |
| ISO | F05/F07 | F05/F07 | F07/F10 | F07/F10 | F07/F10 | F10/F12 | F10/F12 | |
| A | 237,1 | 257,4 | 289,9 | 313,6 | 339,3 | 387,7 | 433 | |
| B | 17 | 17 | 22 | 22 | 22 | 27 | 27 | |
| C x depth | M6x9 | M6x9 | M8x12 | M8x12 | M8x12 | M10x15 | M10x15 | |
| D x depth | M8x12 | M8x12 | M10x15 | M10x15 | M10x15 | M12x18 | M12x18 | |
| E | 50 | 50 | 70 | 70 | 70 | 102 | 102 | |
| F | 70 | 70 | 102 | 102 | 102 | 125 | 125 | |
| G | 13 | 13 | 16 | 17 | 19 | 19 | 19,5 | |
| H | 42,8 | 44,8 | 54,5 | 58,1 | 60 | 57,4 | 61,5 | |
| I | 12 | 12 | 15 | 15 | 19 | 19 | 22 | |
| L | 103,3 | 107 | 137,5 | 141,1 | 148 | 164,9 | 178 | |
| M | 44,8 | 46,8 | 56,5 | 60,1 | 62 | 72,9 | 78,5 | |
| N | 58,5 | 60,2 | 81 | 81 | 86 | 92 | 99,5 | |
| O | 19,3 | 19,3 | 24,8 | 24,8 | 24,3 | 29,5 | 29,5 | |
| P | 38,5 | 40,2 | 51 | 51 | 56 | 62 | 69,5 | |
| Q | 44,8 | 46,8 | 56,5 | 60,1 | 62 | 72,9 | 78,5 | |
| R | 16,2 | 18 | 20,2 | 22,5 | 25,5 | 29 | 31,8 | |
| S | 20 | 20 | 30 | 30 | 30 | 30 | 30 | |
| T | 83,3 | 87 | 107,5 | 111,1 | 118 | 134,9 | 148 | |
| W (Gas) | 1/8" | 1/8" | 1/8" | 1/8" | 1/8" | 1/4" | 1/4" | |
| Ch | 17 | 17 | 22 | 22 | 22 | 27 | 27 | |
| Weight (Kg) | 2,5 | 2,6 | 4,6 | 5,4 | 6,5 | 9,6 | 12 | |
| Air (dm3/cycle) | 0,55 | 0,59 | 0,95 | 1,3 | 1,8 | 2,6 | 3,5 | |
| H = CENTER OF PLATE'S FIXING | ||||||||
DATA SHEET from DAN960 (Nm) to DAN1920 (Nm) | ||||||
| Code | DAN0960411S | DAN0960412S | DAN1440412S | DAN1440411S | DAN1920412S | DAN1920411S |
| Spare seals | KGGI0024 | KGGI0025 | KGGI0026 | |||
| Size | DAN960 | DAN1440 | DAN1920 | |||
| ISO | F10/F12 | F14 | F12 | F14 | F12/F16 | F14 |
| A | 479,4 | 479,4 | 567 | 567 | 601 | 601 |
| B | 36 | 36 | 36 | 36 | 46 | 46 |
| C x depth | M10x15 | M16x24 | M12x18 | M16x24 | M12x18 | M16x24 |
| D x depth | M12x18 | - | - | - | M20x30 | - |
| E | 102 | 140 | 125 | 140 | 125 | 140 |
| F | 125 | - | - | - | 165 | - |
| G | 19,5 | 19,5 | 19,5 | 19,5 | 18,5 | 18,5 |
| H | 78 | 78 | 86,5 | 86,5 | 99,2 | 99,2 |
| I | 24 | 24 | 27 | 27 | 32 | 32 |
| L | 198 | 198 | 216 | 216 | 237,7 | 237,7 |
| M | 93,5 | 93,5 | 101,5 | 101,5 | 114,7 | 114,7 |
| N | 104,5 | 104,5 | 114,5 | 114,5 | 123 | 123 |
| O | 38,5 | 38,5 | 38,5 | 38,5 | 48,5 | 48,5 |
| P | 74,5 | 74,5 | 84,5 | 84,5 | 93 | 93 |
| Q | 93,5 | 93,5 | 101,5 | 101,5 | 114,7 | 114,7 |
| R | 36,5 | 36,5 | 41 | 41 | 46 | 46 |
| S | 30 | 30 | 30 | 30 | 30 | 30 |
| T | 168 | 168 | 186 | 186 | 207,7 | 207,7 |
| W (Gas) | 1/4" | 1/4" | 1/4" | 1/4" | 1/4" | 1/4" |
| Ch | 27 | 27 | 36 | 36 | 36 | 36 |
| Weight (Kg) | 17,4 | 17,4 | 23,4 | 23,4 | 32 | 32 |
| Air (dm3/cycle) | 4,9 | 4,9 | 7,6 | 7,6 | 10,2 | 10,2 |
| H = CENTER OF PLATE'S FIXING | ||||||
| DATA SHEET DA 2880 (Nm) | |
| Code | DA2880E16D0A |
| Weight [Kg] | 55,4 |
| Air volume [dm3/cycle] | 20 |
| Spare seals | KGDI1035 |
| DATA SHEET DA 3840 (Nm) | |
| Code | DA3840E1600A |
| Weight [Kg] | 49 |
| Air volume [dm3/cycle] | 25,6 |
| Spare seals | KGDI0030 |
| DATA SHEET DA 5760 (Nm) | |
| Code | DA5760E25D0A |
| Weight [Kg] | 85,5 |
| Air volume [dm3/cycle] | 38,0 |
| Spare seals | KGDI2035 |
| DATA SHEET DA 8000 (Nm) | |
| Code | DA8000E25D0A |
| Weight [Kg] | 105,5 |
| Air volume [dm3/cycle] | 50 |
| Spare seals | KGDI1040 |
DOUBLE ACTING PNEUMATIC ACTUATOR COMPONENTS SIZES: DA8 | |||
| Pos | Denomination | Q.ty | Material |
| 1 | Cylinder | 1 | Aluminium alloy |
| 2 | Piston | 2 | Aluminium alloy |
| 3 | Cap DA | 2 | Aluminium alloy |
| 4 | Shaft | 1 | Steel alloy |
| 5 | Sleeve | 2 | Steel alloy |
| 6 | Steel Bush | 2 | Steel alloy |
| 7* | Support band | 2 | Acetalic resins |
| 8* | O-ring | 2 | Nitrilic rubber |
| 9 | Seeger | 1 | Stainless steel |
| 10 | Washer | 1 | Stainless steel |
| 11* | Ext. support ring | 1 | Acetalic resins |
| 12* | O-ring | 2 | Nitrilic rubber |
| 13 | Center ring (OPTIONAL) | 1 | Aluminium alloy |
| 14* | O-ring | 1 | FKM |
| 15* | Int.support ring | 1 | Acetalic resins |
| 16* | O-ring | 1 | FKM |
| 17 | Screw | 8 | Stainless steel |
| *Components of spare part kit | |||
| DOUBLE ACTING PNEUMATIC ACTUATOR COMPONENTS SIZE: DAN15-DAN1920 | |||
| Pos | Denomination | Q.ty | Material |
| 1 | Cylinder | 1 | Aluminium alloy |
| 2 | Piston | 2 | Aluminium alloy |
| 3 | Cap | 2 | Aluminium alloy |
| 4 | Shaft | 1 | Stainless steel |
| 5 | Scotch yoke | 1 | Steel alloy |
| 6 | Support bush | 1 | Acetalic resin |
| 7 | Shaft support | 1 | Acetalic resin |
| 8 | Bush | 2 | Steel alloy |
| 9 | Rotative sleeve | 2 | Steel alloy |
| 10* | Dynamic seal | 2 | Polyurethan |
| 11* | Piston's suport | 4 | P.T.F.E. carbo-graphite filled |
| 12* | O-ring | 2 | Nitrilic rubber |
| 13 | O-ring (upper sealing shaft) | 1 | FKM |
| 14 | External support ring | 1 | Acetalic resins |
| 15 | Washer | 1 | Stainless steel |
| 16 | Seeger | 1 | Stainless steel |
| 17 | O-ring (lower sealing shaft) | 1 | FKM |
| 18 | Nut | 2 | Aluminium alloy |
| 19* | End-cap O-ring | 2 | Nitrilic rubber |
| 20 | Screws | 8 | Stainless steel |
| 21* | O-ring | 2 | Nitrilic rubber |
| 22 | External elastic pin of the yoke | 1 | Steel alloy |
| 23 | Internal elastic pin of the yoke | 1 | Steel alloy |
| 24 | Centering ring (OPTIONAL) | 1 | Aluminium alloy |
| 25 | Stroke adjustment screw | 2 | Stainless steel |
| * Components of spare part kit | |||
| DOUBLE ACTING PNEUMATIC ACTUATOR COMPONENTS SIZE: DA2880 | |||
| Pos | Denomination | Q.ty | Material |
| 1 | Steel bush | 1 | Steel alloy |
| 2 | Steel pin | 1 | Steel alloy |
| 3 | Body | 1 | Aluminium |
| 4 | Nut | 1 | Steel alloy |
| 5* | O-ring | 2 | Nitrilic rubber |
| 6 | Shaft | 1 | Steel alloy |
| 7 | Screw | 1 | Steel alloy |
| 8* | Bearing (shaft bottom) | 1 | P.T.F.E. carbo-graphite filled |
| 9* | O-ring | 1 | FKM |
| 10* | O-ring | 1 | FKM |
| 11 | Low bearing bush | 1 | Aluminium |
| 12 | Screw | 2 | Steel alloy |
| 13 | Bearing shaft | 1 | Acetalic resin |
| 14 | Spacer | 1 | Aluminium |
| 15 | Cap | 1 | Aluminium |
| 16 | Cap screw | 7 | Steel alloy |
| 17 | Cap nut | 7 | Steel alloy |
| 18 | Grub screw | 1 | Steel alloy |
| 19 | Nut | 1 | Steel alloy |
| 20 | Grub screw | 1 | Steel alloy |
| 21* | O-ring | 1 | Nitrilic rubber |
| 22 | Scotch yoke | 1 | Steel alloy |
| 23 | Bearing shaft | 1 | Acetalic resin |
| 24* | O-ring | 2 | Nitrilic rubber |
| 25* | Bearing (shaft top) | 1 | P.T.F.E. carbo-graphite filled |
| 26* | O-ring | 1 | FKM |
| 27* | Thrust bearing | 1 | Acetalic resin |
| 28 | Washer | 1 | Steel alloy |
| 29 | Seeger | 1 | Steel alloy |
| 30 | Spring pin | 1 | Steel alloy |
| 31* | Bearing (piston back) | 2 | Acetalic resin |
| 32 | Piston | 1 | Aluminium |
| 33* | O-ring | 1 | Nitrilic rubber |
| 34* | Bearing (piston head) | 1 | P.T.F.E. Carbo-Graphite filled |
| 35 | Lateral cylinder | 1 | Aluminium |
| 36* | O-ring | 2 | Nitrilic rubber |
| 37 | Cap | 1 | Aluminium |
| 38 | Cap screw | 7 | Steel alloy |
| 39 | Cap nut | 7 | Steel alloy |
| 40* | O-ring | 1 | Nitrilic rubber |
| 41 | Grub screw | 1 | Steel alloy |
| *Components of spare part kit | |||
| DOUBLE ACTING PNEUMATIC ACTUATOR COMPONENTS SIZE: DA3840 | |||
| Pos | Denomination | Q.ty | Material |
| 1 | Cylinder | 1 | Aluminium alloy |
| 2 | Piston | 2 | Aluminium alloy |
| 3 | Cap | 2 | Aluminium alloy |
| 4 | Shaft | 1 | Stainless steel |
| 5 | Scotch yoke | 1 | Steel alloy |
| 6 | Bearing shaft | 1 | Acetalic resins |
| 7 | Bearing shaft | 1 | Acetalic resins |
| 8* | Bearing (shaft bottom) | 1 | P.T.F.E. carbo-graphite filled |
| 9* | Bearing (shaft top) | 1 | P.T.F.E. carbo-graphite filled |
| 10 | Steel bush | 2 | Steel alloy |
| 11 | Steel pin | 2 | Steel alloy |
| 12* | Bearing (piston head) | 2 | P.T.F.E. Carbo-Graphite filled |
| 13* | Bearing (piston back) | 4 | Acetalic resins |
| 14* | O-ring | 2 | Nitrilic rubber |
| 15* | O-ring | 1 | FKM |
| 16* | Thrust bearing | 1 | Acetalic resins |
| 17 | Washer | 1 | Stainless steel |
| 18 | Seeger | 1 | Stainless steel |
| 19* | O-ring | 2 | Nitrilic rubber |
| 20* | O-ring | 1 | FKM |
| 21* | O-ring | 2 | Nitrilic rubber |
| 22* | O-ring | 2 | Nitrilic rubber |
| 23 | Cap nut | 12 | Stainless steel |
| 24 | Grub screws | 2 | Stainless steel |
| 25* | O-ring | 2 | Nitrilic rubber |
| 26 | Nut | 2 | Stainless steel |
| 27 | Spring | 4 | Steel alloy |
| 28* | O-ring | 2 | Nitrilic rubber |
| 29 | Nut | 2 | Stainless steel |
| 30 | Cap nut | 2 | Stainless steel |
| 31 | Spring cap | 2 | Aluminium alloy |
| 32 | Screw | 2 | Stainless steel |
| 33 | Cylinder | 2 | Aluminium alloy |
| 34 | Screw | 1 | Stainless steel |
| 35** | Center ring (OPTIONAL) | 1 | Aluminium alloy |
| 36 | Cap screw | 12 | Steel alloy |
| 37 | Spring pin | 2 | Steel alloy |
| *Components of spare part kit | |||
| ** Optional | |||
| DOUBLE ACTING PNEUMATIC ACTUATOR COMPONENTS SIZE: DA5760 | |||
| Pos | Denomination | Q.ty | Material |
| 1 | Steel bush | 2 | Steel alloy |
| 2 | Steel pin | 2 | Steel alloy |
| 3 | Regolation screw | 1 | Steel alloy |
| 4 | Left stop | 1 | Steel alloy |
| 5* | O-ring | 2 | Nitrilic rubber |
| 6 | Protection cap | 1 | Aluminium |
| 7 | Antirotation washer | 1 | Steel alloy |
| 8 | Metal ring | 1 | Stainless steel |
| 9* | O-ring | 1 | Nitrilic rubber |
| 10 | Carter | 1 | Aluminium |
| 11 | Screw | 4 | Steel alloy |
| 12 | Metal ring | 1 | Stainless steel |
| 13 | Right stop | 1 | Steel alloy |
| 14 | Screw | 1 | Steel alloy |
| 15 | Shaft | 1 | Steel alloy |
| 16 | Bearing (shaft bottom) | 1 | P.T.F.E. carbo-graphite filled |
| 17 | Interface F25 | 1 | Aluminium |
| 18 | Screw | 2 | Steel alloy |
| 19* | O-ring | 1 | FKM |
| 20 | Bearing shaft | 1 | Acetalic resins |
| 21* | Bearing (piston back) | 4 | Acetalic resins |
| 22 | Spring pin | 2 | Steel alloy |
| 23 | Lateral cylinder | 2 | Aluminium |
| 24* | O-ring | 2 | Nitrilic rubber |
| 25 | Cap | 2 | Aluminium |
| 26 | Cap screws | 14 | Steel alloy |
| 27 | Cap nut | 14 | Steel alloy |
| 28 | Nut | 2 | Steel alloy |
| 29 | Grub screws | 2 | Steel alloy |
| 30* | O-ring | 2 | Nitrilic rubber |
| 31* | Bearing (piston head) | 2 | P.T.F.E. Carbo-Graphite filled |
| 32* | O-ring | 2 | Nitrilic rubber |
| 33 | Piston | 2 | Aluminium |
| 34 | Scotch yoke | 1 | Steel alloy |
| 35 | Bearing shaft | 1 | Acetalic resin |
| 36* | O-ring | 2 | Nitrilic rubber |
| 37* | O-ring | 2 | Nitrilic rubber |
| 38 | Body | 1 | Aluminium |
| 39* | Bearing (shaft top) | 1 | P.T.F.E. carbo-graphite filled |
| 40* | O-ring | 1 | FKM |
| 41* | Thrust bearing | 1 | Acetalic resin |
| 42 | Washer | 1 | Steel alloy |
| 43 | Seeger | 1 | Steel alloy |
| 44* | Gasket | 1 | Nitrilic rubber |
| 45 | Washer | 1 | Steel alloy |
| 46 | Seeger | 2 | Steel alloy |
| *Components of spare part kit | |||
| DOUBLE ACTING PNEUMATIC ACTUATOR COMPONENTS SIZE: DA8000 | |||
| Pos | Denomination | Q.ty | Material |
| 1 | Steel bush | 2 | Steel alloy |
| 2 | Steel pin | 2 | Steel alloy |
| 3 | Regulation screw | 1 | Steel alloy |
| 4 | Left stop | 1 | Steel alloy |
| 5* | O-ring | 2 | Nitrilic rubber |
| 6 | Protection cap | 1 | Aluminium |
| 7 | Antirotation washer | 1 | Steel alloy |
| 8 | Metal ring | 1 | Stainless steel |
| 9* | O-ring | 1 | Nitrilic rubber |
| 10 | Carter | 1 | Aluminium |
| 11 | Screw | 4 | Steel alloy |
| 12 | Metal ring | 1 | Stainless steel |
| 13 | Right stop | 1 | Steel alloy |
| 14 | Screw | 1 | Steel alloy |
| 15 | Shaft | 1 | Steel alloy |
| 16 | Bearing (shaft bottom) | 1 | P.T.F.E. carbo-graphite filled |
| 17 | Interface F25 | 1 | Aluminium |
| 18 | Screw | 2 | Steel alloy |
| 19* | O-ring | 1 | FKM |
| 20 | Bearing shaft | 1 | Acetalic resins |
| 21* | Bearing (piston back) | 4 | Acetalic resins |
| 22 | Spring pin | 2 | Steel alloy |
| 23 | Lateral cylinder | 2 | Aluminium |
| 24* | O-ring | 2 | Nitrilic rubber |
| 25 | Cap | 2 | Aluminium |
| 26 | Cap screws | 14 | Steel alloy |
| 27 | Cap nut | 28 | Steel alloy |
| 28 | Nut | 2 | Steel alloy |
| 29 | Grub screws | 2 | Steel alloy |
| 30* | O-ring | 2 | Nitrilic rubber |
| 31* | Bearing (piston head) | 2 | P.T.F.E. Carbo-Graphite filled |
| 32* | O-ring | 2 | Nitrilic rubber |
| 33 | Piston | 2 | Aluminium |
| 34 | Scotch yoke | 1 | Steel alloy |
| 35 | Bearing shaft | 1 | Acetalic resins |
| 36* | O-ring | 2 | Nitrilic rubber |
| 37* | O-ring | 18 | Nitrilic rubber |
| 38 | Body | 1 | Aluminium |
| 39* | Bearing (shaft top) | 1 | P.T.F.E. carbo-graphite filled |
| 40* | O-ring | 1 | FKM |
| 41* | Thrust bearing | 1 | Acetalic resins |
| 42 | Washer | 1 | Steel alloy |
| 43 | Seeger | 1 | Steel alloy |
| 44* | Gasket | 1 | Nitrilic rubber |
| 45 | Washer | 1 | Steel alloy |
| 46 | Seeger | 2 | Steel alloy |
| 47 | Flange | 2 | Aluminium |
| 48 | Screws | 14 | Steel alloy |
| 49 | Screw | 2 | Steel alloy |
| 50 | Flange | 2 | Aluminium |
| 51* | O-ring | 2 | Nitrilic rubber |
| * Components of spare part kit | |||
OUTPUT TORQUE TABLE (Nm) α°= ROTATION ANGLE | ||||||||
SIZE | α° | 3 bar | 4 bar | 5 bar | 5,6 bar | 6 bar | 7 bar | 8 bar |
| DA 08 | 0° | 3,8 | 5 | 6,3 | 7 | 7,5 | 8,8 | 10 |
| 45° | 1,9 | 2,5 | 3,1 | 3,5 | 3,8 | 4,4 | 5 | |
| 90° | 3,8 | 5 | 6,3 | 7 | 7,5 | 8,8 | 10 | |
| DAN 15 | 0° | 8,0 | 10,7 | 13,4 | 15,0 | 16,1 | 18,8 | 21,4 |
| 50° | 4,0 | 5,4 | 6,7 | 7,5 | 8,0 | 9,4 | 10,7 | |
| 90° | 6,1 | 8,1 | 10,1 | 11,3 | 12,1 | 14,1 | 16,1 | |
| DAN 30 | 0° | 16,1 | 21,4 | 26,8 | 30,0 | 32,1 | 37,5 | 42,9 |
| 50° | 8,0 | 10,7 | 13,4 | 15,0 | 16,1 | 18,8 | 21,4 | |
| 90° | 12,1 | 16,1 | 20,1 | 22,5 | 24,1 | 28,1 | 32,1 | |
| DAN 45 | 0° | 24,1 | 32,1 | 40,2 | 45,0 | 48,2 | 56,3 | 64,3 |
| 50° | 12,1 | 16,1 | 20,1 | 22,5 | 24,1 | 28,1 | 32,1 | |
| 90° | 18,1 | 24,1 | 30,1 | 33,8 | 36,2 | 42,2 | 48,2 | |
| DAN 60 | 0° | 32,1 | 42,9 | 53,6 | 60,0 | 64,3 | 75,0 | 85,7 |
| 50° | 16,1 | 21,4 | 26,8 | 30,0 | 32,1 | 37,5 | 42,9 | |
| 90° | 24,1 | 32,1 | 40,2 | 45,0 | 48,2 | 56,3 | 64,3 | |
| DAN 106 | 0° | 56,8 | 75,7 | 94,6 | 106,0 | 113,6 | 132,5 | 151,4 |
| 50° | 28,4 | 37,9 | 47,3 | 53,0 | 56,8 | 66,3 | 75,7 | |
| 90° | 42,9 | 57,1 | 71,4 | 80,0 | 85,7 | 100,0 | 114,3 | |
| DAN 120 | 0° | 64,3 | 85,7 | 107,1 | 120,0 | 128,6 | 150,0 | 171,4 |
| 50° | 32,1 | 42,9 | 53,6 | 60,0 | 64,3 | 75,0 | 85,7 | |
| 90° | 48,2 | 64,3 | 80,4 | 90,0 | 96,4 | 112,5 | 128,6 | |
| DAN 180 | 0° | 96,4 | 128,4 | 160,7 | 180,0 | 192,9 | 225,0 | 257,1 |
| 50° | 48,2 | 64,3 | 80,4 | 90,0 | 96,4 | 112,5 | 128,6 | |
| 90° | 72,3 | 96,4 | 120,5 | 135,0 | 144,6 | 168,8 | 192,9 | |
| DAN 240 | 0° | 128,6 | 171,4 | 214,3 | 240,0 | 257,1 | 300,0 | 342,9 |
| 50° | 64,3 | 85,7 | 107,1 | 120,0 | 128,6 | 150,0 | 171,4 | |
| 90° | 96,4 | 128,6 | 160,7 | 180,0 | 192,9 | 225,0 | 257,1 | |
| DAN 360 | 0° | 192,9 | 257,1 | 321,4 | 360,0 | 385,7 | 450,0 | 514,3 |
| 50° | 96,4 | 128,6 | 160,7 | 180,0 | 192,9 | 225,0 | 257,1 | |
| 90° | 144,6 | 192,9 | 241,1 | 270,0 | 289,3 | 337,5 | 385,7 | |
| DAN 480 | 0° | 257,1 | 342,9 | 428,6 | 480,0 | 514,3 | 600,0 | 685,7 |
| 50° | 128,6 | 171,4 | 214,3 | 240,0 | 257,1 | 300,0 | 342,9 | |
| 90° | 192,9 | 257,1 | 321,4 | 360,0 | 385,7 | 450,0 | 514,3 | |
| DAN 720 | 0° | 385,7 | 514,3 | 642,9 | 720,0 | 771,4 | 900,0 | 1028,6 |
| 50° | 192,9 | 257,1 | 321,4 | 360,0 | 385,7 | 450,0 | 514,3 | |
| 90° | 289,3 | 385,7 | 482,1 | 540,0 | 578,6 | 675,0 | 771,4 | |
| DAN 960 | 0° | 514,3 | 685,7 | 857,1 | 960,0 | 1028,6 | 1200,0 | 1371,4 |
| 50° | 257,1 | 342,9 | 428,6 | 480,0 | 514,3 | 600,0 | 685,7 | |
| 90° | 385,7 | 514,3 | 642,9 | 720,0 | 771,4 | 900,0 | 1028,6 | |
| DAN 1440 | 0° | 771,4 | 1028,6 | 1285,7 | 1440,0 | 1542,9 | 1800,0 | 2057,1 |
| 50° | 385,7 | 514,3 | 642,9 | 720,0 | 771,4 | 900,0 | 1028,6 | |
| 90° | 578,6 | 771,4 | 964,3 | 1080,0 | 1157,1 | 1350,0 | 1542,9 | |
| DAN 1920 | 0° | 1028,6 | 1371,4 | 1714,3 | 1920,0 | 2057,1 | 2400,0 | 2742,9 |
| 50° | 514,3 | 685,7 | 857,1 | 960,0 | 1028,6 | 1200,0 | 1371,4 | |
| 90° | 771,4 | 1028,6 | 1285,7 | 1440,0 | 1542,9 | 1800,0 | 2057,1 | |
| DA 2880 | 0° | 1542,9 | 2057,1 | 2571,4 | 2880,0 | 3085,7 | 3600,0 | 4114,3 |
| 50° | 771,4 | 1028,6 | 1285,7 | 1440,0 | 1542,9 | 1800,0 | 2057,1 | |
| 90° | 1157,1 | 1542,9 | 1928,6 | 2160,0 | 2314,3 | 2700,0 | 3085,7 | |
| DA 3840 | 0° | 2057,1 | 2742,9 | 3428,6 | 3840,0 | 4114,3 | 4800,0 | 5485,7 |
| 50° | 1028,6 | 1371,4 | 1714,3 | 1920,0 | 2057,1 | 2400,0 | 2742,9 | |
| 90° | 1542,9 | 2057,1 | 2571,4 | 2880,0 | 3085,7 | 3600,0 | 4114,3 | |
| DA 5760 | 0° | 3085,7 | 4114,3 | 5142,9 | 5760,0 | 6171,4 | 7200,0 | 8228,6 |
| 50° | 1542,9 | 2057,1 | 2571,4 | 2880,0 | 3085,7 | 3600,0 | 4114,3 | |
| 90° | 2314,3 | 3085,7 | 3857,1 | 4320,0 | 4628,6 | 5400,0 | 6171,4 | |
| DA 8000 | 0° | 4285,7 | 5714,3 | 7142,9 | 8000,0 | 8571,4 | 10000,0 | --- |
| 50° | 2142,9 | 2857,1 | 3571,4 | 4000,0 | 4285,7 | 5000,0 | --- | |
| 90° | 3214,3 | 4285,7 | 5357,1 | 6000,0 | 6428,6 | 7500,0 | --- | |