DATOS TÉCNICOS
Par desde 8 Nm a 8000 Nm.
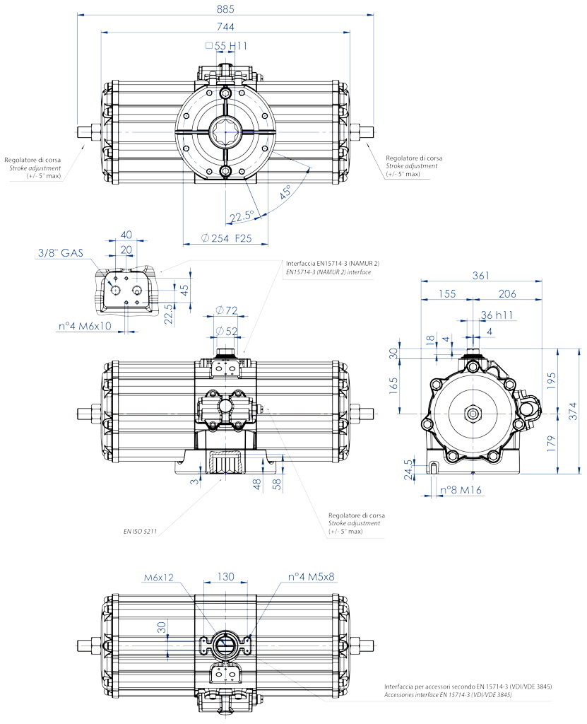
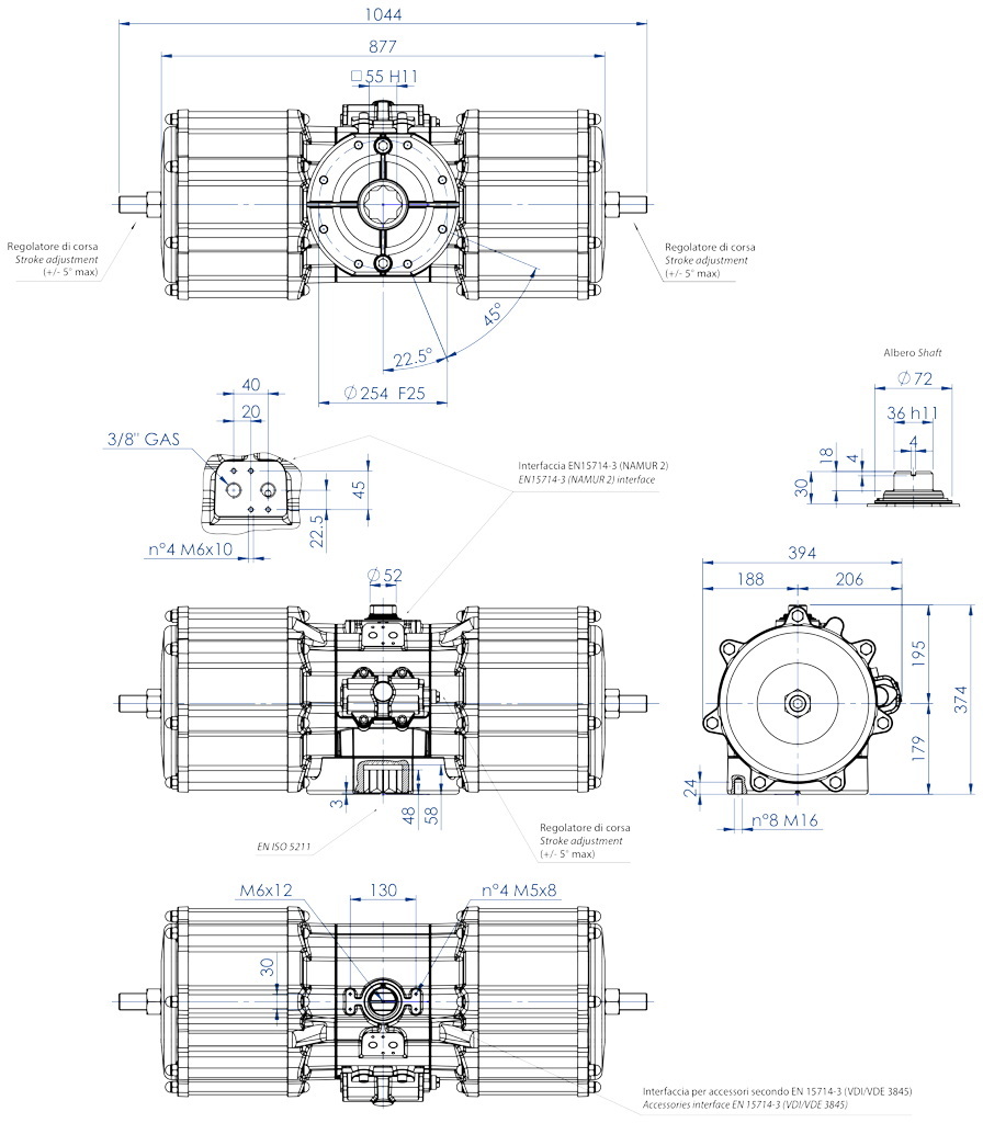
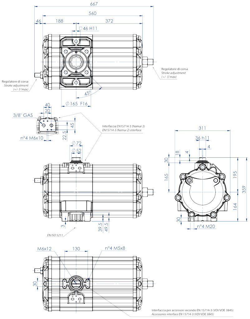
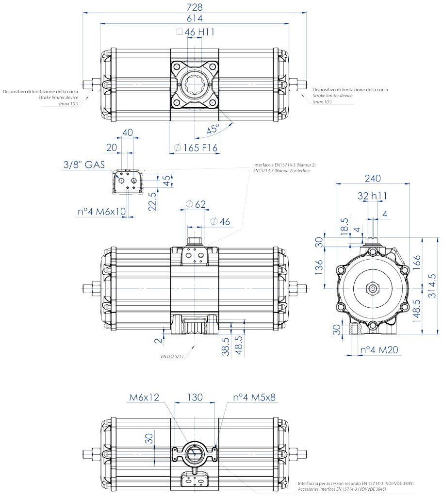
Brida de conexión: EN ISO 5211
F03 - F04 - F05 - F07 - F10 - F12 - F14 - F16 - F25.
Conforme a la EN 15714-3
Ángulo de rotación: 92° (-1°, +91°)
Momento de torsión: Directamente proporcional a la presión de alimentación; ver tabla.
En cada actuador la cifra que sigue a la sigla DA/DAN corresponde al valor del par de aceleración en Nm. a la presión de 5,6 bar.
Versión ATEX de conformidad con la directiva 2014/34/UE.
Para la versiónATEX añadir YX al final del código.
CONDICIONES DE EJERCICIO
Temperatura: desde -20°C a +80°C. (Versiones especiales: alta temperatura: -20°C +150°C; baja temperatura: -50°C +60°C)
Presión nominal: 5,6 bar; máxima de ejercicio 8,4 bar (7 bar para DA8000).Fluido de alimentación: aire comprimido filtrado seco no necesariamente lubricado.
En caso de lubricación usar aceite no detergente, compatible con NBR.
| FICHA TÉCNICA DA08 (Nm) | |
| Código | DA008401S |
| Peso [Kg] | 0,29 |
| Volumen de aire [dm3/ciclo] | 0,034 |
| Juntas de repuesto | KGDI0010 |
FICHA TÉCNICA desde el DAN15 (Nm) al DAN60 (Nm) | ||||||||
| Código | DAN0015411S | DAN0015412S | DAN0030411S | DAN0030412S | DAN0045411S | DAN0045412S | DAN0060411S | DAN0060412S |
| Juntas de repuesto | KGGI0012 | KGGI0014 | KGGI0015 | KGGI0016 | ||||
| Medida | DAN15 | DAN30 | DAN45 | DAN60 | ||||
| ISO | F03 | F04 | F03/F05 | F04 | F04 | F03/F05 | F04 | F05/F07 |
| A | 159,1 | 159,1 | 174,3 | 174,3 | 188,5 | 188,5 | 198,1 | 198,1 |
| B | 11 | 11 | 11 | 11 | 11 | 11 | 14 | 14 |
| C x profundidad | M5x8 | M5x8 | M5x8 | M5x8 | M5x8 | M5x8 | M5x8 | M6x9 |
| D x profundidad | - | - | M6x9 | - | - | M6x9 | - | M8x12 |
| E | 36 | 42 | 36 | 42 | 42 | 36 | 42 | 50 |
| F | - | - | 50 | - | - | 50 | - | 70 |
| G | 10 | 10 | 10 | 10 | 13 | 13 | 13 | 13 |
| H | 26,8 | 26,8 | 30,3 | 30,3 | 32,5 | 32,5 | 35,7 | 35,7 |
| I | 8 | 8 | 9 | 9 | 10 | 10 | 10 | 10 |
| L | 72,2 | 72,2 | 79,2 | 79,2 | 84,5 | 84,5 | 90,4 | 90,4 |
| M | 28 | 28 | 31,5 | 31,5 | 34,5 | 34,5 | 37,7 | 37,7 |
| N | 44,2 | 44,2 | 47,7 | 47,7 | 50 | 50 | 52,7 | 52,7 |
| O | 13,2 | 13,2 | 13,2 | 13,2 | 13,2 | 13,2 | 16,5 | 16,5 |
| P | 24,2 | 24,2 | 27,7 | 27,7 | 30 | 30 | 32,7 | 32,7 |
| Q | 28 | 28 | 31,5 | 31,5 | 34,5 | 34,5 | 37,7 | 37,7 |
| R | 9,2 | 9,2 | 10,9 | 10,9 | 12,7 | 12,7 | 14,5 | 14,5 |
| S | 20 | 20 | 20 | 20 | 20 | 20 | 20 | 20 |
| T | 52,2 | 52,2 | 59,2 | 59,2 | 64,5 | 64,5 | 70,4 | 70,4 |
| W (Gas) | 1/8” | 1/8” | 1/8” | 1/8” | 1/8” | 1/8” | 1/8” | 1/8” |
| Ch | 13 | 13 | 13 | 13 | 13 | 13 | 13 | 13 |
| Peso (Kg) | 0,75 | 0,75 | 1 | 1 | 1,2 | 1,2 | 1,6 | 1,6 |
| Aire (dm3/ciclo) | 0,08 | 0,08 | 0,15 | 0,15 | 0,22 | 0,22 | 0,3 | 0,3 |
| H = CENTRO DE LAS FIJACIONES BASETTA | ||||||||
FICHA TÉCNICA desde el DAN106 (Nm) al DAN720 (Nm) | ||||||||
| Código | DAN0106411S | DAN0120411S | DAN0180411S | DAN0240411S | DAN0360411S | DAN0480411S | DAN0720411S | |
| Juntas de repuesto | KGGI0060 | KGGI0018 | KGGI0019 | KGGI0020 | KGGI0021 | KGGI0022 | KGGI0023 | |
| Medida | DAN106 | DAN120 | DAN180 | DAN240 | DAN360 | DAN480 | DAN720 | |
| ISO | F05/F07 | F05/F07 | F07/F10 | F07/F10 | F07/F10 | F10/F12 | F10/F12 | |
| A | 237,1 | 257,4 | 289,9 | 313,6 | 339,3 | 387,7 | 433 | |
| B | 17 | 17 | 22 | 22 | 22 | 27 | 27 | |
| C x profundidad | M6x9 | M6x9 | M8x12 | M8x12 | M8x12 | M10x15 | M10x15 | |
| D x profundidad | M8x12 | M8x12 | M10x15 | M10x15 | M10x15 | M12x18 | M12x18 | |
| E | 50 | 50 | 70 | 70 | 70 | 102 | 102 | |
| F | 70 | 70 | 102 | 102 | 102 | 125 | 125 | |
| G | 13 | 13 | 16 | 17 | 19 | 19 | 19,5 | |
| H | 42,8 | 44,8 | 54,5 | 58,1 | 60 | 57,4 | 61,5 | |
| I | 12 | 12 | 15 | 15 | 19 | 19 | 22 | |
| L | 103,3 | 107 | 137,5 | 141,1 | 148 | 164,9 | 178 | |
| M | 44,8 | 46,8 | 56,5 | 60,1 | 62 | 72,9 | 78,5 | |
| N | 58,5 | 60,2 | 81 | 81 | 86 | 92 | 99,5 | |
| O | 19,3 | 19,3 | 24,8 | 24,8 | 24,3 | 29,5 | 29,5 | |
| P | 38,5 | 40,2 | 51 | 51 | 56 | 62 | 69,5 | |
| Q | 44,8 | 46,8 | 56,5 | 60,1 | 62 | 72,9 | 78,5 | |
| R | 16,2 | 18 | 20,2 | 22,5 | 25,5 | 29 | 31,8 | |
| S | 20 | 20 | 30 | 30 | 30 | 30 | 30 | |
| T | 83,3 | 87 | 107,5 | 111,1 | 118 | 134,9 | 148 | |
| W (Gas) | 1/8" | 1/8" | 1/8" | 1/8" | 1/8" | 1/4" | 1/4" | |
| Ch | 17 | 17 | 22 | 22 | 22 | 27 | 27 | |
| Peso (Kg) | 2,5 | 2,6 | 4,6 | 5,4 | 6,5 | 9,6 | 12 | |
| Aire (dm3/cycle) | 0,55 | 0,59 | 0,95 | 1,3 | 1,8 | 2,6 | 3,5 | |
| H = CENTRO DE LAS FIJACIONES BASETTA | ||||||||
FICHA TÉCNICA desde el DAN960 (Nm) al DAN1920 (Nm) | |||||||
| Código | DAN0960411S | DAN0960412S | DAN1440412S | DAN1440411S | DAN1920412S | DAN1920411S | |
| Juntas de repuesto | KGGI0024 | KGGI0025 | KGGI0026 | ||||
| Medida | DAN960 | DAN1440 | DAN1920 | ||||
| ISO | F10/F12 | F14 | F12 | F14 | F12/F16 | F14 | |
| A | 479,4 | 479,4 | 567 | 567 | 601 | 601 | |
| B | 36 | 36 | 36 | 36 | 46 | 46 | |
| C x profundidad | M10x15 | M16x24 | M12x18 | M16x24 | M12x18 | M16x24 | |
| D x profundidad | M12x18 | - | - | - | M20x30 | - | |
| E | 102 | 140 | 125 | 140 | 125 | 140 | |
| F | 125 | - | - | - | 165 | - | |
| G | 19,5 | 19,5 | 19,5 | 19,5 | 18,5 | 18,5 | |
| H | 78 | 78 | 86,5 | 86,5 | 99,2 | 99,2 | |
| I | 24 | 24 | 27 | 27 | 32 | 32 | |
| L | 198 | 198 | 216 | 216 | 237,7 | 237,7 | |
| M | 93,5 | 93,5 | 101,5 | 101,5 | 114,7 | 114,7 | |
| N | 104,5 | 104,5 | 114,5 | 114,5 | 123 | 123 | |
| O | 38,5 | 38,5 | 38,5 | 38,5 | 48,5 | 48,5 | |
| P | 74,5 | 74,5 | 84,5 | 84,5 | 93 | 93 | |
| Q | 93,5 | 93,5 | 101,5 | 101,5 | 114,7 | 114,7 | |
| R | 36,5 | 36,5 | 41 | 41 | 46 | 46 | |
| S | 30 | 30 | 30 | 30 | 30 | 30 | |
| T | 168 | 168 | 186 | 186 | 207,7 | 207,7 | |
| W (Gas) | 1/4" | 1/4" | 1/4" | 1/4" | 1/4" | 1/4" | |
| Ch | 27 | 27 | 36 | 36 | 36 | 36 | |
| Peso (Kg) | 17,4 | 17,4 | 23,4 | 23,4 | 32 | 32 | |
| Aire (dm3/ciclo) | 4,9 | 4,9 | 7,6 | 7,6 | 10,2 | 10,2 | |
| H = CENTRO DE LAS FIJACIONES BASETTA | |||||||
| FICHA TÉCNICA DA 2880 (Nm) | |
| Código | DA2880E16D0A |
Peso [Kg] | 55,4 |
| Volumen de aire [dm3/ciclo] | 20 |
| Juntas de repuesto | KGDI1035 |
| FICHA TÉCNICA DA 3840 (Nm) | |
| Código | DA3840E1600A |
| Peso [Kg] | 49 |
| Volumen de aire [dm3/ciclo] | 25,6 |
| Juntas de repuesto | KGDI0030 |
| FICHA TÉCNICA DA 5760 (Nm) | |
| Código | DA5760E25D0A |
| Peso [Kg] | 85,5 |
| Volumen de aire [dm3/ciclo] | 38,0 |
| Juntas de repuesto | KGDI2035 |
| FICHA TÉCNICA DA 8000 (Nm) | |
| Código | DA8000E25D0A |
| Peso [Kg] | 105,5 |
| Volumen de aire [dm3/ciclo] | 50 |
| Juntas de repuesto | KGDI1040 |
COMPONENTES ACTUADOR NEUMÁTICO DOBLE EFECTO MEDIDA: DA8 | |||
| Pos | Denominación | Cant. | Material |
| 1 | Cilindro | 1 | Aleación de aluminio |
| 2 | Pistón | 2 | Aleación de aluminio |
| 3 | Tapón DA | 2 | Aleación de aluminio |
| 4 | Eje | 1 | Aleación de acero |
| 5 | Perno | 2 | Aleación de acero |
| 6 | Casquillo acero | 2 | Aleación de acero |
| 7* | Banda de soporte | 2 | Resina acetálica |
| 8* | Junta de sellado | 2 | Goma Nitrílic NBR |
| 9 | Anillo de retención | 1 | Acero inoxidable |
| 10 | Arandela de calce | 1 | Acero inoxidable |
| 11* | Anillo soporte ext. | 1 | Resina acetálica |
| 12* | Junta tórica del pistón | 2 | Goma nitrílica NBR |
| 13 | Anillo de centrado (OPTIONAL) | 1 | Aleación de aluminio |
| 14* | Junta tórica del eje inferior | 1 | FKM |
| 15* | Anillo soporte int. | 1 | Resina acetálica |
| 16* | Junta tórica del Eje superior | 1 | FKM |
| 17 | Tornillos | 8 | Acero inoxidable |
| * Detalles del kit de repuesto | |||
| COMPONENTES ACTUADOR NEUMÁTICO DOBLE EFECTO MEDIDA: DAN15-DAN1920 | |||
| Pos | Denominación | Cant. | Material |
| 1 | Cilindro | 1 | Aleación de aluminio |
| 2 | Pistón | 2 | Aleación de aluminio |
| 3 | Tapón | 2 | Aleación de aluminio |
| 4 | Eje | 1 | Acero inoxidable |
| 5 | Horquilla | 1 | Aleación de acero |
| 6 | Brújula de deslizamiento | 1 | Resina acetálica |
| 7 | Soporte eje | 1 | Resina acetálica |
| 8 | Brújula | 2 | Aleación de acero |
| 9 | Perno | 2 | Aleación de acero |
| 10* | Anillo de estanqueidad | 2 | Poliuretano |
| 11* | Disco de soporte | 4 | P.T.F.E. carbo-graphite filled |
| 12* | Junta tórica del pistón | 2 | Goma de nitrilo |
| 13 | Junta tórica del eje superior | 1 | FKM |
| 14 | Anillo de soporte externo | 1 | Resina acetálica |
| 15 | Arandela calce | 1 | Acero inoxidable |
| 16 | Anillo de retención | 1 | Acero inoxidable |
| 17 | Junta tórica del eje inferior | 1 | FKM |
| 18 | Tuerca | 2 | Aleación de aluminio |
| 19* | Junta tórica del tapón | 2 | Goma de nitrilo |
| 20 | Tornillos | 8 | Acero inoxidable |
| 21* | Junta tórica | 2 | Goma de nitrilo |
| 22 | Pasador elástico externo | 1 | Aleación de acero |
| 23 | Pasador elástico interno | 1 | Aleación de acero |
| 24 | Anillo de centrado (OPTIONAL) | 1 | Aleación de aluminio |
| 25 | Tornillo de regulación del recorrido | 2 | Acero inoxidable |
| * Detalles del kit de repuesto | |||
| COMPONENTES ACTUADOR NEUMÁTICO DOBLE EFECTO MEDIDA: DA2880 | |||
| Pos | Denominación | Cant. | Material |
| 1 | Casquillo acero | 1 | Acero |
| 2 | Enchufe acero | 1 | Acero |
| 3 | Cuerpo | 1 | Aluminio |
| 4 | Tuerca | 1 | Acero |
| 5* | Junta tórica | 2 | Nitrilic rubber |
| 6 | Eje | 1 | Acero |
| 7 | Tornillo antiexpulsión | 1 | Acero |
| 8* | Soporte inferior | 1 | P.T.F.E. carbo-graphite filled |
| 9* | Junta tórica | 1 | FKM |
| 10* | Junta tórica | 1 | FKM |
| 11 | Casquillo de soporte inferior | 1 | Aluminium |
| 12 | Tornillo para casquillo | 2 | Acero |
| 13 | Brújula de deslizamiento | 1 | Resina acetálica |
| 14 | Distanciador | 1 | Aluminio |
| 15 | Tapón | 1 | Aluminio |
| 16 | Tornillo de montaje | 7 | Acero |
| 17 | Tuerca de casquete | 7 | Acero |
| 18 | Clavija (Tapón) | 1 | Acero |
| 19 | Tuerca | 1 | Acero |
| 20 | Clavija de regulación | 1 | Acero |
| 21* | Junta tórica | 1 | Nitrilic rubber |
| 22 | Horquilla Yugo escocés | 1 | Acero |
| 23 | Brújula de desl./sup | 1 | Resina acetálica |
| 24* | Junta tórica | 2 | Nitrilic rubber |
| 25* | Soporte superior | 1 | P.T.F.E. carbo-graphite filled |
| 26* | Junta tórica | 1 | FKM |
| 27* | Anillo de soporte externo | 1 | Resina acetálica |
| 28 | Arandela calce | 1 | Acero |
| 29 | Anillo de retención | 1 | Acero |
| 30 | Enchufe antiexpulsión | 1 | Acero |
| 31* | Discos (pistón hacia atrás) | 2 | Resina acetálica |
| 32 | Pistón | 1 | Aluminium |
| 33* | Junta tórica | 1 | Nitrilic rubber |
| 34* | Anillo de guía | 1 | P.T.F.E. Lleno Carbografito |
| 35 | Cilindro lateral | 1 | Aluminio |
| 36* | Junta tórica | 2 | Nitrilic rubber |
| 37 | Tapón | 1 | Aluminio |
| 38 | Tornillo de montaje | 7 | Acero |
| 39 | Tuerca de casquete | 7 | Acero |
| 40* | Junta tórica | 1 | Nitrilic rubber |
| 41 | Clavija de regulación | 1 | Acero |
| * Detalles del kit de repuesto | |||
| COMPONENTES ACTUADOR NEUMÁTICO DOBLE EFECTO MEDIDA: DA3840 | |||
| Pos | Denominación | Cant. | Material |
| 1 | Cilindro | 1 | Aleación de aluminio |
| 2 | Pistón | 2 | Aleación de aluminio |
| 3 | Tapón | 2 | Aleación de aluminio |
| 4 | Eje | 1 | Acero inoxidable |
| 5 | Horquilla Yugo escocés | 1 | Aleación de acero |
| 6 | Brújula de deslizamiento | 1 | Resina acetálica |
| 7 | Brújula desl/soporte | 1 | Resina acetálica |
| 8* | Tira sup.infer. | 1 | P.T.F.E. carbo-graphite filled |
| 9* | Tira sup.super. | 1 | P.T.F.E. carbo-graphite filled |
| 10 | Casquillo acero | 2 | Aleación de acero |
| 11 | Enchufe acero | 2 | Aleación de acero |
| 12* | Anillo de guía | 2 | P.T.F.E. Lleno Carbografito |
| 13* | Disco soporte | 4 | Resina acetálica |
| 14* | Junta tórica del pistón | 2 | Nitrilic rubber |
| 15* | Junta tórica del eje sup. | 1 | FKM |
| 16* | Anillo soporte ext. | 1 | Resina acetálica |
| 17 | Arandela de calce | 1 | Acero inoxidable |
| 18 | Anillo de retención | 1 | Acero inoxidable |
| 19* | Junta tórica aire acond. | 2 | Nitrilic rubber |
| 20* | Junta tórica del eje inferior | 1 | FKM |
| 21* | Junta tórica del tapón | 2 | Nitrilic rubber |
| 22* | Junta tórica del cuerpo-cilindro | 2 | Nitrilic rubber |
| 23 | Tuerca de casquete | 12 | Acero inoxidable |
| 24 | Clavija de regulac. | 2 | Acero inoxidable |
| 25* | Junta tórica clavija | 2 | Nitrilic rubber |
| 26 | Tuerca | 2 | Acero inoxidable |
| 27 | Muelle | 4 | Aleación de acero |
| 28* | Junta tórica regulación | 2 | Nitrilic rubber |
| 29 | Tuerca | 2 | Acero inoxidable |
| 30 | Tuerca de casquete | 2 | Acero inoxidable |
| 31 | Contenedor del muelle | 2 | Aleación de aluminio |
| 32 | Tornillo de prec. muelle | 2 | Acero inoxidable |
| 33 | Cilindro lateral | 2 | Aleación de aluminio |
| 34 | Tornillo antiexpulsión | 1 | Acero inoxidable |
| 35** | Anillo de centrado (OPTIONAL) | 1 | Aleación de aluminio |
| 36 | Tornillo de montaje | 12 | Acero |
| 37 | Enchufe antiexpulsión | 2 | Aleación de acero |
| * Detalles del kit de repuesto | |||
| ** Opcional | |||
| COMPONENTES ACTUADOR NEUMÁTICO DOBLE EFECTO MEDIDA: DA5760 | |||
| Pos | Denominación | Cant. | Material |
| 1 | Casquillo acero | 2 | Acero |
| 2 | Enchufe acero | 2 | Acero |
| 3 | Tornillo de regulación | 1 | Acero |
| 4 | Retención izquierda | 1 | Acero |
| 5* | Junta tórica | 2 | Nitrilic rubber |
| 6 | Tapón de protección | 1 | Aluminio |
| 7 | Arandela antirotación | 1 | Acero |
| 8 | Abrazadera pasante | 1 | Acero inoxidable |
| 9* | Junta tórica | 1 | Nitrilic rubber |
| 10 | Cárter de regulac. | 1 | Aluminio |
| 11 | Tornillo para cárter | 4 | Acero |
| 12 | Abrazadera ciega | 1 | Acero inoxidable |
| 13 | Retención derecha | 1 | Acero |
| 14 | Tornillo antiexpulsión | 1 | Acero |
| 15 | Eje | 1 | Acero |
| 16 | Soporte inferior | 1 | P.T.F.E. carbo-graphite filled |
| 17 | Interfaz F25 | 1 | Aluminio |
| 18 | Tornillo para interfaz | 2 | Acero |
| 19* | Junta tórica | 1 | FKM |
| 20 | Brújula de deslizamiento | 1 | Resina acetálica |
| 21* | Discos (pistón hacia atrás) | 4 | Resina acetálica |
| 22 | Enchufe antiexpulsión | 2 | Acero |
| 23 | Cilindro lateral | 2 | Aluminio |
| 24* | Junta tórica del tapón | 2 | Nitrilic rubber |
| 25 | Tapón | 2 | Aluminio |
| 26 | Tornillo de montaje | 14 | Acero |
| 27 | Tuerca de casquete | 14 | Acero |
| 28 | Tuerca | 2 | Acero |
| 29 | Clavija de regulación | 2 | Acero |
| 30* | Junta tórica | 2 | Nitrilic rubber |
| 31* | Anillo de guía | 2 | P.T.F.E. Lleno Carbografito |
| 32* | Junta tórica del pistón | 2 | Nitrilic rubber |
| 33 | Pistón | 2 | Aluminio |
| 34 | Horquilla Yugo escocés | 1 | Acero |
| 35 | Brújula de desl./sup | 1 | Resina acetálica |
| 36* | Junta tórica | 2 | Nitrilic rubber |
| 37* | Junta tórica | 2 | Nitrilic rubber |
| 38 | Cuerpo | 1 | Aluminio |
| 39* | Soporte superior (shaft top) | 1 | P.T.F.E. carbo-graphite filled |
| 40* | Junta tórica | 1 | FKM |
| 41* | Anillo de sop. externo | 1 | Resina acetálica |
| 42 | Arandela de calce | 1 | Acero |
| 43 | Anillo de retención | 1 | Acero |
| 44* | Junta cárter | 1 | Nitrilic rubber |
| 45 | Arandela de soporte | 1 | Acero |
| 46 | Anillo de retención | 2 | Acero |
| * Detalles del kit de repuesto | |||
| COMPONENTES ACTUADOR NEUMÁTICO DOBLE EFECTO MEDIDA: DA8000 | |||
| Pos | Denominación | Cant. | Material |
| 1 | Casquillo acero | 2 | Acero |
| 2 | Enchufe acero | 2 | Acero |
| 3 | Tornillo de regulación | 1 | Acero |
| 4 | Retención izquierda | 1 | Acero |
| 5* | Junta tórica | 2 | Nitrilic rubber |
| 6 | Tapón de protección | 1 | Aluminio |
| 7 | Arandela antirotación | 1 | Acero |
| 8 | Abrazadera pasante | 1 | Acero inoxidable |
| 9* | Junta tórica | 1 | Nitrilic rubber |
| 10 | Cárter de regulac. | 1 | Aluminio |
| 11 | Tornillo para cárter | 4 | Acero |
| 12 | Abrazadera ciega | 1 | Acero inoxidable |
| 13 | Retención derecha | 1 | Acero |
| 14 | Tornillo antiexpulsión | 1 | Acero |
| 15 | Eje | 1 | Acero |
| 16 | Soporte inferior | 1 | P.T.F.E. carbo-graphite filled |
| 17 | Interfaz F25 | 1 | Aluminio |
| 18 | Tornillo para interfaz | 2 | Acero |
| 19* | Junta tórica | 1 | FKM |
| 20 | Brújula de deslizamiento | 1 | Resina acetálica |
| 21* | Discos | 4 | Resina acetálica |
| 22 | Enchufe antiexpulsión | 2 | Acero |
| 23 | Cilindro lateral | 2 | Aluminio |
| 24* | Junta tórica del tapón | 2 | Nitrilic rubber |
| 25 | Tapón | 2 | Aluminio |
| 26 | Tornillo de montaje | 14 | Acero |
| 27 | Tuerca de casquete | 28 | Acero |
| 28 | Tuerca | 2 | Acero |
| 29 | Clavija de regulación | 2 | Acero |
| 30* | Junta tórica | 2 | Nitrilic rubber |
| 31* | Anillo de guía | 2 | P.T.F.E. Lleno Carbografito |
| 32* | Junta tórica del pistón | 2 | Nitrilic rubber |
| 33 | Pistón | 2 | Aluminio |
| 34 | Horquilla | 1 | Acero |
| 35 | Brújula de desl./sup | 1 | Resina acetálica |
| 36* | Junta tórica | 2 | Nitrilic rubber |
| 37* | Junta tórica | 18 | Nitrilic rubber |
| 38 | Cuerpo | 1 | Aluminio |
| 39* | Soporte superior | 1 | P.T.F.E. carbo-graphite filled |
| 40* | Junta tórica | 1 | FKM |
| 41* | Anillo de sop. externo | 1 | Resina acetálica |
| 42 | Arandela de calce | 1 | Acero |
| 43 | Anillo de retención | 1 | Acero |
| 44* | Junta cárter | 1 | Nitrilic rubber |
| 45 | Arandela de soporte | 1 | Acero |
| 46 | Anillo de retención | 2 | Acero |
| 47 | Brida red. cilindro | 2 | Aluminio |
| 48 | Tornillos brida | 14 | Acero |
| 49 | Clavija | 2 | Acero |
| 50 | Brida red. pistón | 2 | Aluminio |
| 51* | Junta tórica | 2 | Nitrilic rubber |
| * Detalles del kit de repuesto | |||
TABLA DE LOS MOMENTOS DE TORSIÓN (Nm) α°= ÁNGULO DE ROTACIÓN | ||||||||
MEDIDA | α° | 3 bar | 4 bar | 5 bar | 5,6 bar | 6 bar | 7 bar | 8 bar |
| DA 08 | 0° | 3,8 | 5 | 6,3 | 7 | 7,5 | 8,8 | 10 |
| 45° | 1,9 | 2,5 | 3,1 | 3,5 | 3,8 | 4,4 | 5 | |
| 90° | 3,8 | 5 | 6,3 | 7 | 7,5 | 8,8 | 10 | |
| DAN 15 | 0° | 8,0 | 10,7 | 13,4 | 15,0 | 16,1 | 18,8 | 21,4 |
| 50° | 4,0 | 5,4 | 6,7 | 7,5 | 8,0 | 9,4 | 10,7 | |
| 90° | 6,1 | 8,1 | 10,1 | 11,3 | 12,1 | 14,1 | 16,1 | |
| DAN 30 | 0° | 16,1 | 21,4 | 26,8 | 30,0 | 32,1 | 37,5 | 42,9 |
| 50° | 8,0 | 10,7 | 13,4 | 15,0 | 16,1 | 18,8 | 21,4 | |
| 90° | 12,1 | 16,1 | 20,1 | 22,5 | 24,1 | 28,1 | 32,1 | |
| DAN 45 | 0° | 24,1 | 32,1 | 40,2 | 45,0 | 48,2 | 56,3 | 64,3 |
| 50° | 12,1 | 16,1 | 20,1 | 22,5 | 24,1 | 28,1 | 32,1 | |
| 90° | 18,1 | 24,1 | 30,1 | 33,8 | 36,2 | 42,2 | 48,2 | |
| DAN 60 | 0° | 32,1 | 42,9 | 53,6 | 60,0 | 64,3 | 75,0 | 85,7 |
| 50° | 16,1 | 21,4 | 26,8 | 30,0 | 32,1 | 37,5 | 42,9 | |
| 90° | 24,1 | 32,1 | 40,2 | 45,0 | 48,2 | 56,3 | 64,3 | |
| DAN 106 | 0° | 56,8 | 75,7 | 94,6 | 106,0 | 113,6 | 132,5 | 151,4 |
| 50° | 28,4 | 37,9 | 47,3 | 53,0 | 56,8 | 66,3 | 75,7 | |
| 90° | 42,9 | 57,1 | 71,4 | 80,0 | 85,7 | 100,0 | 114,3 | |
| DAN 120 | 0° | 64,3 | 85,7 | 107,1 | 120,0 | 128,6 | 150,0 | 171,4 |
| 50° | 32,1 | 42,9 | 53,6 | 60,0 | 64,3 | 75,0 | 85,7 | |
| 90° | 48,2 | 64,3 | 80,4 | 90,0 | 96,4 | 112,5 | 128,6 | |
| DAN 180 | 0° | 96,4 | 128,4 | 160,7 | 180,0 | 192,9 | 225,0 | 257,1 |
| 50° | 48,2 | 64,3 | 80,4 | 90,0 | 96,4 | 112,5 | 128,6 | |
| 90° | 72,3 | 96,4 | 120,5 | 135,0 | 144,6 | 168,8 | 192,9 | |
| DAN 240 | 0° | 128,6 | 171,4 | 214,3 | 240,0 | 257,1 | 300,0 | 342,9 |
| 50° | 64,3 | 85,7 | 107,1 | 120,0 | 128,6 | 150,0 | 171,4 | |
| 90° | 96,4 | 128,6 | 160,7 | 180,0 | 192,9 | 225,0 | 257,1 | |
| DAN 360 | 0° | 192,9 | 257,1 | 321,4 | 360,0 | 385,7 | 450,0 | 514,3 |
| 50° | 96,4 | 128,6 | 160,7 | 180,0 | 192,9 | 225,0 | 257,1 | |
| 90° | 144,6 | 192,9 | 241,1 | 270,0 | 289,3 | 337,5 | 385,7 | |
| DAN 480 | 0° | 257,1 | 342,9 | 428,6 | 480,0 | 514,3 | 600,0 | 685,7 |
| 50° | 128,6 | 171,4 | 214,3 | 240,0 | 257,1 | 300,0 | 342,9 | |
| 90° | 192,9 | 257,1 | 321,4 | 360,0 | 385,7 | 450,0 | 514,3 | |
| DAN 720 | 0° | 385,7 | 514,3 | 642,9 | 720,0 | 771,4 | 900,0 | 1028,6 |
| 50° | 192,9 | 257,1 | 321,4 | 360,0 | 385,7 | 450,0 | 514,3 | |
| 90° | 289,3 | 385,7 | 482,1 | 540,0 | 578,6 | 675,0 | 771,4 | |
| DAN 960 | 0° | 514,3 | 685,7 | 857,1 | 960,0 | 1028,6 | 1200,0 | 1371,4 |
| 50° | 257,1 | 342,9 | 428,6 | 480,0 | 514,3 | 600,0 | 685,7 | |
| 90° | 385,7 | 514,3 | 642,9 | 720,0 | 771,4 | 900,0 | 1028,6 | |
| DAN 1440 | 0° | 771,4 | 1028,6 | 1285,7 | 1440,0 | 1542,9 | 1800,0 | 2057,1 |
| 50° | 385,7 | 514,3 | 642,9 | 720,0 | 771,4 | 900,0 | 1028,6 | |
| 90° | 578,6 | 771,4 | 964,3 | 1080,0 | 1157,1 | 1350,0 | 1542,9 | |
| DAN 1920 | 0° | 1028,6 | 1371,4 | 1714,3 | 1920,0 | 2057,1 | 2400,0 | 2742,9 |
| 50° | 514,3 | 685,7 | 857,1 | 960,0 | 1028,6 | 1200,0 | 1371,4 | |
| 90° | 771,4 | 1028,6 | 1285,7 | 1440,0 | 1542,9 | 1800,0 | 2057,1 | |
| DA 2880 | 0° | 1542,9 | 2057,1 | 2571,4 | 2880,0 | 3085,7 | 3600,0 | 4114,3 |
| 50° | 771,4 | 1028,6 | 1285,7 | 1440,0 | 1542,9 | 1800,0 | 2057,1 | |
| 90° | 1157,1 | 1542,9 | 1928,6 | 2160,0 | 2314,3 | 2700,0 | 3085,7 | |
| DA 3840 | 0° | 2057,1 | 2742,9 | 3428,6 | 3840,0 | 4114,3 | 4800,0 | 5485,7 |
| 50° | 1028,6 | 1371,4 | 1714,3 | 1920,0 | 2057,1 | 2400,0 | 2742,9 | |
| 90° | 1542,9 | 2057,1 | 2571,4 | 2880,0 | 3085,7 | 3600,0 | 4114,3 | |
| DA 5760 | 0° | 3085,7 | 4114,3 | 5142,9 | 5760,0 | 6171,4 | 7200,0 | 8228,6 |
| 50° | 1542,9 | 2057,1 | 2571,4 | 2880,0 | 3085,7 | 3600,0 | 4114,3 | |
| 90° | 2314,3 | 3085,7 | 3857,1 | 4320,0 | 4628,6 | 5400,0 | 6171,4 | |
| DA 8000 | 0° | 4285,7 | 5714,3 | 7142,9 | 8000,0 | 8571,4 | 10000,0 | --- |
| 50° | 2142,9 | 2857,1 | 3571,4 | 4000,0 | 4285,7 | 5000,0 | --- | |
| 90° | 3214,3 | 4285,7 | 5357,1 | 6000,0 | 6428,6 | 7500,0 | --- | |