1.Fasce di tenuta e scorrimento energizzate autolubrificanti
Minor attrito tra pistone e cilindro
Si evita l’incollaggio della guarnizione al cilindro anche dopo lunghi periodi di fermo
2.Slot, bussole e spine con acciaio con durezza maggiore a 50 HRC
Maggior resistenza alle forze presenti all' interno dell'attuatore
3.Attrito volvente tra slot e pistone
Minor attrito
4.Scotch yoke con attrito volvente (trasformazione del movimento lineare in movimento rotatorio mediante pistone e albero privo di ingranaggi).
Minor attrito tra pistone e albero con conseguente minor usura dei pezzi
Momento torcente potenziato in fase di apertura e chiusura
Minor ingombro rispetto agli attuatori pignone e cremagliera con conseguente minor spazio necessario
Minor peso rispetto agli attuatori pignone e cremagliera (-30% Kg/Nm) con conseguenti risparmi sulla realizzazione della struttura dell'impianto
Minor consumo d'aria rispetto agli attuatori pignone e cremagliera (-40% aria cm³/Nm doppio effetto e -20% aria cm³/Nm semplice effetto) con conseguente minor carico di lavoro del compressore o possibilità di utilizzo di un compressore con dimensioni ridotte
5.Cilindro rullato
Minor usura delle fascette energizzate grazie alla bassa rugosità della superficie
6. Albero Inox
Maggiore resistenza alla corrosione
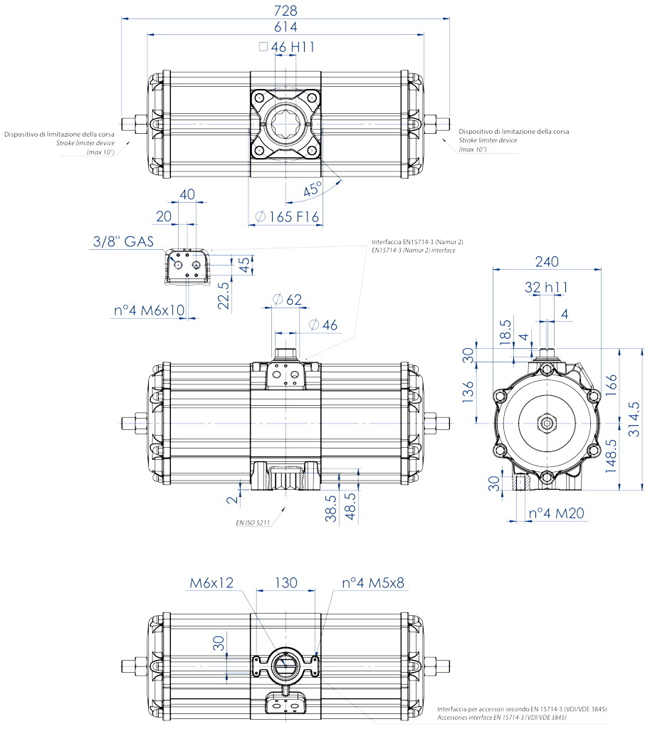
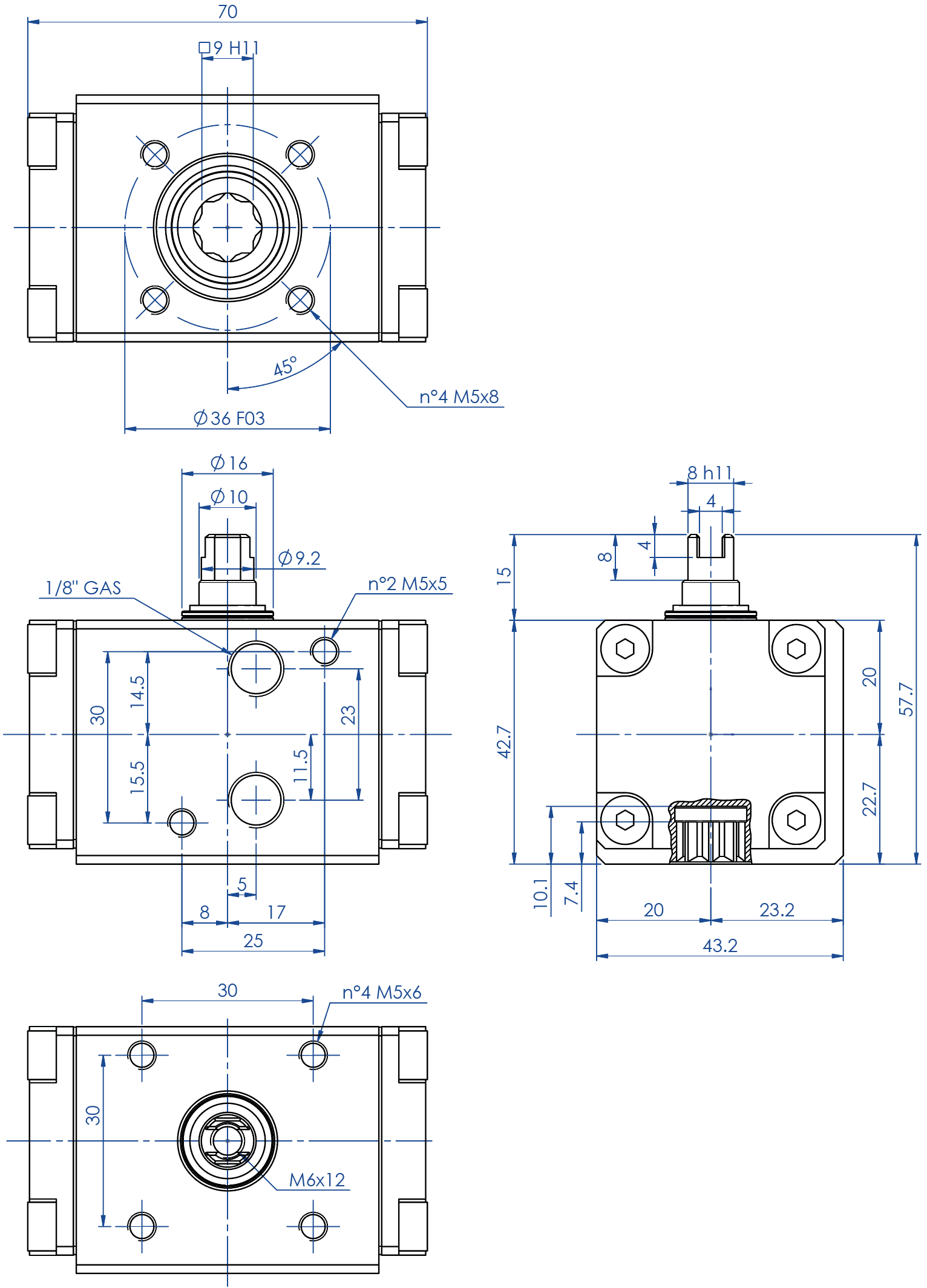
Interfaccia per elettrovalvole NAMUR integrata dal DAN15
Non richiede alcuna basetta supplementare
Processo produttivo interamente eseguito in OMAL
Massimo controllo in tutte le fasi di lavorazione
Certificato ATEX
Ne consente l'installazione in presenza di ambiente potenzialmente esplosivo
Certificato fino a SIL 3
Elevato livello di sicurezza funzionale garantito
DATI TECNICI
Coppia da 8 Nm a 8000 Nm.
Flangia d’attacco: EN ISO 5211
F03 - F04 - F05 - F07 - F10 - F12 - F14 - F16 - F25.
Conforme alla EN 15714-3
Angolo di rotazione: 92° (-1°, +91°)
Momento torcente: Direttamente proporzionale alla pressione di alimentazione; vedi tabella.
In ciascun attuatore la cifra che segue la sigla DA/DAN corrisponde al valore della coppia di spunto in Nm. alla pressione di 5,6 bar.
Versione ATEX in conformità alla direttiva 2014/34/UE. Per la versione
ATEX aggiungere YX alla fine del codice.
CONDIZIONI DI ESERCIZIO
Temperatura: da -20°C a +80°C. (Versioni speciali: alta temperatura: -20°C +150°C; bassa temperatura: -50°C +60°C)
Pressione nominale: 5,6 bar; massima di esercizio 8,4 bar (7 bar per DA8000).
Fluido di alimentazione: aria compressa filtrata secca non necessariamente lubrificata.
In caso di lubrificazione usare olio non detergente, compatibile con NBR.
| SCHEDA TECNICA DA08 (Nm) | |
| Codice | DA008401S |
| Peso [Kg] | 0,29 |
| Volume aria [dm3/cycle] | 0,034 |
| Spare seals | KGDI0010 |
SCHEDA TECNICA dal DAN15 (Nm) al DAN60 (Nm) | ||||||||
| Codice | DAN0015411S | DAN0015412S | DAN0030411S | DAN0030412S | DAN0045411S | DAN0045412S | DAN0060411S | DAN0060412S |
| Spare seals | KGGI0012 | KGGI0014 | KGGI0015 | KGGI0016 | ||||
| Misura | DAN15 | DAN30 | DAN45 | DAN60 | ||||
| ISO | F03 | F04 | F03/F05 | F04 | F04 | F03/F05 | F04 | F05/F07 |
| A | 159,1 | 159,1 | 174,3 | 174,3 | 188,5 | 188,5 | 198,1 | 198,1 |
| B | 11 | 11 | 11 | 11 | 11 | 11 | 14 | 14 |
| C x depth | M5x8 | M5x8 | M5x8 | M5x8 | M5x8 | M5x8 | M5x8 | M6x9 |
| D x depth | - | - | M6x9 | - | - | M6x9 | - | M8x12 |
| E | 36 | 42 | 36 | 42 | 42 | 36 | 42 | 50 |
| F | - | - | 50 | - | - | 50 | - | 70 |
| G | 10 | 10 | 10 | 10 | 13 | 13 | 13 | 13 |
| H | 26,8 | 26,8 | 30,3 | 30,3 | 32,5 | 32,5 | 35,7 | 35,7 |
| I | 8 | 8 | 9 | 9 | 10 | 10 | 10 | 10 |
| L | 72,2 | 72,2 | 79,2 | 79,2 | 84,5 | 84,5 | 90,4 | 90,4 |
| M | 28 | 28 | 31,5 | 31,5 | 34,5 | 34,5 | 37,7 | 37,7 |
| N | 44,2 | 44,2 | 47,7 | 47,7 | 50 | 50 | 52,7 | 52,7 |
| O | 13,2 | 13,2 | 13,2 | 13,2 | 13,2 | 13,2 | 16,5 | 16,5 |
| P | 24,2 | 24,2 | 27,7 | 27,7 | 30 | 30 | 32,7 | 32,7 |
| Q | 28 | 28 | 31,5 | 31,5 | 34,5 | 34,5 | 37,7 | 37,7 |
| R | 9,2 | 9,2 | 10,9 | 10,9 | 12,7 | 12,7 | 14,5 | 14,5 |
| S | 20 | 20 | 20 | 20 | 20 | 20 | 20 | 20 |
| T | 52,2 | 52,2 | 59,2 | 59,2 | 64,5 | 64,5 | 70,4 | 70,4 |
| W (Gas) | 1/8” | 1/8” | 1/8” | 1/8” | 1/8” | 1/8” | 1/8” | 1/8” |
| Ch | 13 | 13 | 13 | 13 | 13 | 13 | 13 | 13 |
| Weight (Kg) | 0,75 | 0,75 | 1 | 1 | 1,2 | 1,2 | 1,6 | 1,6 |
| Air (dm3/cycle) | 0,08 | 0,08 | 0,15 | 0,15 | 0,22 | 0,22 | 0,3 | 0,3 |
| H = CENTRO DEI FISSAGGI BASETTA | ||||||||
SCHEDA TECNICA dal DAN106 (Nm) al DAN720 (Nm) | ||||||||
| Codice | DAN0106411S | DAN0120411S | DAN0180411S | DAN0240411S | DAN0360411S | DAN0480411S | DAN0720411S | |
| Spare seals | KGGI0060 | KGGI0018 | KGGI0019 | KGGI0020 | KGGI0021 | KGGI0022 | KGGI0023 | |
| Misura | DAN106 | DAN120 | DAN180 | DAN240 | DAN360 | DAN480 | DAN720 | |
| ISO | F05/F07 | F05/F07 | F07/F10 | F07/F10 | F07/F10 | F10/F12 | F10/F12 | |
| A | 237,1 | 257,4 | 289,9 | 313,6 | 339,3 | 387,7 | 433 | |
| B | 17 | 17 | 22 | 22 | 22 | 27 | 27 | |
| C x depth | M6x9 | M6x9 | M8x12 | M8x12 | M8x12 | M10x15 | M10x15 | |
| D x depth | M8x12 | M8x12 | M10x15 | M10x15 | M10x15 | M12x18 | M12x18 | |
| E | 50 | 50 | 70 | 70 | 70 | 102 | 102 | |
| F | 70 | 70 | 102 | 102 | 102 | 125 | 125 | |
| G | 13 | 13 | 16 | 17 | 19 | 19 | 19,5 | |
| H | 42,8 | 44,8 | 54,5 | 58,1 | 60 | 57,4 | 61,5 | |
| I | 12 | 12 | 15 | 15 | 19 | 19 | 22 | |
| L | 103,3 | 107 | 137,5 | 141,1 | 148 | 164,9 | 178 | |
| M | 44,8 | 46,8 | 56,5 | 60,1 | 62 | 72,9 | 78,5 | |
| N | 58,5 | 60,2 | 81 | 81 | 86 | 92 | 99,5 | |
| O | 19,3 | 19,3 | 24,8 | 24,8 | 24,3 | 29,5 | 29,5 | |
| P | 38,5 | 40,2 | 51 | 51 | 56 | 62 | 69,5 | |
| Q | 44,8 | 46,8 | 56,5 | 60,1 | 62 | 72,9 | 78,5 | |
| R | 16,2 | 18 | 20,2 | 22,5 | 25,5 | 29 | 31,8 | |
| S | 20 | 20 | 30 | 30 | 30 | 30 | 30 | |
| T | 83,3 | 87 | 107,5 | 111,1 | 118 | 134,9 | 148 | |
| W (Gas) | 1/8" | 1/8" | 1/8" | 1/8" | 1/8" | 1/4" | 1/4" | |
| Ch | 17 | 17 | 22 | 22 | 22 | 27 | 27 | |
| Weight (Kg) | 2,5 | 2,6 | 4,6 | 5,4 | 6,5 | 9,6 | 12 | |
| Air (dm3/cycle) | 0,55 | 0,59 | 0,95 | 1,3 | 1,8 | 2,6 | 3,5 | |
| H = CENTRO DEI FISSAGGI BASETTA | ||||||||
SCHEDA TECNICA dal DAN960 (Nm) al DAN1920 (Nm) | |||||||
| Codice | DAN0960411S | DAN0960412S | DAN1440412S | DAN1440411S | DAN1920412S | DAN1920411S | |
| Spare seals | KGGI0024 | KGGI0025 | KGGI0026 | ||||
| Misura | DAN960 | DAN1440 | DAN1920 | ||||
| ISO | F10/F12 | F14 | F12 | F14 | F12/F16 | F14 | |
| A | 479,4 | 479,4 | 567 | 567 | 601 | 601 | |
| B | 36 | 36 | 36 | 36 | 46 | 46 | |
| C x depth | M10x15 | M16x24 | M12x18 | M16x24 | M12x18 | M16x24 | |
| D x depth | M12x18 | - | - | - | M20x30 | - | |
| E | 102 | 140 | 125 | 140 | 125 | 140 | |
| F | 125 | - | - | - | 165 | - | |
| G | 19,5 | 19,5 | 19,5 | 19,5 | 18,5 | 18,5 | |
| H | 78 | 78 | 86,5 | 86,5 | 99,2 | 99,2 | |
| I | 24 | 24 | 27 | 27 | 32 | 32 | |
| L | 198 | 198 | 216 | 216 | 237,7 | 237,7 | |
| M | 93,5 | 93,5 | 101,5 | 101,5 | 114,7 | 114,7 | |
| N | 104,5 | 104,5 | 114,5 | 114,5 | 123 | 123 | |
| O | 38,5 | 38,5 | 38,5 | 38,5 | 48,5 | 48,5 | |
| P | 74,5 | 74,5 | 84,5 | 84,5 | 93 | 93 | |
| Q | 93,5 | 93,5 | 101,5 | 101,5 | 114,7 | 114,7 | |
| R | 36,5 | 36,5 | 41 | 41 | 46 | 46 | |
| S | 30 | 30 | 30 | 30 | 30 | 30 | |
| T | 168 | 168 | 186 | 186 | 207,7 | 207,7 | |
| W (Gas) | 1/4" | 1/4" | 1/4" | 1/4" | 1/4" | 1/4" | |
| Ch | 27 | 27 | 36 | 36 | 36 | 36 | |
| Weight (Kg) | 17,4 | 17,4 | 23,4 | 23,4 | 32 | 32 | |
| Air (dm3/cycle) | 4,9 | 4,9 | 7,6 | 7,6 | 10,2 | 10,2 | |
| H = CENTRO DEI FISSAGGI BASETTA | |||||||
| SCHEDA TECNICA DA 2880 (Nm) | |
| Codice | DA2880E16D0A |
| Peso [Kg] | 55,4 |
| Volume aria [dm3/cycle] | 20 |
| Guarnizioni di ricambio | KGDI1035 |
| SCHEDA TECNICA DA 3840 (Nm) | |
| Codice | DA3840E1600A |
| Peso [Kg] | 49 |
| Volume aria [dm3/cycle] | 25,6 |
| Guarnizioni di ricambio | KGDI0030 |
| SCHEDA TECNICA DA 5760 (Nm) | |
| Codice | DA5760E25D0A |
| Peso [Kg] | 85,5 |
| Volume aria [dm3/cycle] | 38,0 |
| Guarnizioni di ricambio | KGDI2035 |
| SCHEDA TECNICA DA 8000 (Nm) | |
| Codice | DA8000E25D0A |
| Peso [Kg] | 105,5 |
| Volume aria [dm3/cycle] | 50 |
| Guarnizioni di ricambio | KGDI1040 |
COMPONENTI ATTUATORE PNEUMATICO DOPPIO EFFETTO MISURA: DA8 | |||
| Pos | Denominazione | Q.ty | Materiale |
| 1 | Cilindro | 1 | Lega di alluminio |
| 2 | Pistone | 2 | Lega di alluminio |
| 3 | Tappo DA | 2 | Lega di alluminio |
| 4 | Albero | 1 | Lega di acciaio |
| 5 | Perno | 2 | Lega di acciaio |
| 6 | Bussola acciaio | 2 | Lega di acciaio |
| 7* | Fascia di supporto | 2 | Resina acetalica |
| 8* | Guarnizione di tenuta | 2 | Gomma Nitrilica |
| 9 | Seeger | 1 | Acciaio Inox |
| 10 | Rondella di spessoramento | 1 | Acciaio Inox |
| 11* | Anello supporto est. | 1 | Resina acetalica |
| 12* | O-ring pistone | 2 | Gomma nitrilica |
| 13 | Anello centraggio (OPTIONAL) | 1 | Lega di alluminio |
| 14* | O-ring albero inferiore | 1 | FKM |
| 15* | Anello supporto int. | 1 | Resina acetalica |
| 16* | O-ring Albero superiore | 1 | FKM |
| 17 | Viti | 8 | Acciaio inox |
| * Particolari del kit di ricambio | |||
| COMPONENTI ATTUATORE PNEUMATICO DOPPIO EFFETTO MISURA: DAN15-DAN1920 | |||
| Pos | Denominazione | Q.ty | Materiale |
| 1 | Cilindro | 1 | Lega di alluminio |
| 2 | Pistone | 2 | Lega di alluminio |
| 3 | Tappo | 2 | Lega di alluminio |
| 4 | Albero | 1 | Acciaio inox |
| 5 | Forcella | 1 | Lega di acciaio |
| 6 | Bussola di scorrimento | 1 | Resina acetalica |
| 7 | Supporto albero | 1 | Resina acetalica |
| 8 | Bussola | 2 | Lega di acciaio |
| 9 | Perno | 2 | Lega di acciaio |
| 10* | Anello di tenuta | 2 | Poliuretano |
| 11* | Dischetto di supporto | 4 | P.T.F.E. carbo-graphite filled |
| 12* | O-ring pistone | 2 | Gomma nitrilica |
| 13 | O-ring albero superiore | 1 | FKM |
| 14 | Anello di supporto esterno | 1 | Resina acetalica |
| 15 | Rondella di spessoramento | 1 | Acciaio inox |
| 16 | Seeger | 1 | Acciaio inox |
| 17 | O-ring albero inferiore | 1 | FKM |
| 18 | Dado | 2 | Lega di alluminio |
| 19* | O-ring del tappo | 2 | Gomma nitrilica |
| 20 | Viti | 8 | Acciaio inox |
| 21* | O-ring | 2 | Gomma nitrilica |
| 22 | Spina elastica esterna | 1 | Lega di acciaio |
| 23 | Spina elastica interna | 1 | Lega di acciaio |
| 24 | Anello di centraggio (OPTIONAL) | 1 | Lega di alluminio |
| 25 | Vite di regolazione corsa | 2 | Acciaio inox |
| * Particolari del kit di ricambio | |||
| COMPONENTI ATTUATORE PNEUMATICO DOPPIO EFFETTO MISURA: DA2880 | |||
| Pos | Denominazione | Q.ty | Materiale |
| 1 | Bussola acciaio | 1 | Acciaio |
| 2 | Spina acciaio | 1 | Acciaio |
| 3 | Corpo | 1 | Alluminio |
| 4 | Dado | 1 | Acciaio |
| 5* | O-ring | 2 | Gomma nitrilica |
| 6 | Albero | 1 | Acciaio |
| 7 | Vite antiespulsione | 1 | Acciaio |
| 8* | Supporto inferiore | 1 | P.T.F.E. carbo-graphite filled |
| 9* | O-ring | 1 | FKM |
| 10* | O-ring | 1 | FKM |
| 11 | Bussola di supporto inferiore | 1 | Alluminio |
| 12 | Vite per bussola | 2 | Acciaio |
| 13 | Bussola di scorrimento | 1 | Resina acetalica |
| 14 | Distanziale | 1 | Alluminio |
| 15 | Tappo | 1 | Alluminio |
| 16 | Vite di assemblaggio | 7 | Acciaio |
| 17 | Dado a calotta | 7 | Acciaio |
| 18 | Grano (Tappo) | 1 | Acciaio |
| 19 | Dado | 1 | Acciaio |
| 20 | Grano di regolazione | 1 | Acciaio |
| 21* | O-ring | 1 | Gomma nitrilica |
| 22 | Forcella Scotch yoke | 1 | Acciaio |
| 23 | Bussola di scorr/supp | 1 | Resina acetalica |
| 24* | O-ring | 2 | Gomma nitrilica |
| 25* | Supporto superiore | 1 | P.T.F.E. carbo-graphite filled |
| 26* | O-ring | 1 | FKM |
| 27* | Anello di supporto esterno | 1 | Resina acetalica |
| 28 | Rondella di spessoramento | 1 | Acciaio |
| 29 | Seeger | 1 | Acciaio |
| 30 | Spina antiespulsione | 1 | Acciaio |
| 31* | Dischetti (piston back) | 2 | Resina acetalica |
| 32 | Pistone | 1 | Alluminio |
| 33* | O-ring | 1 | Gomma nitrilica |
| 34* | Anello di guida | 1 | P.T.F.E. Carbo-Graphite filled |
| 35 | Cilindro laterale | 1 | Alluminio |
| 36* | O-ring | 2 | Gomma nitrilica |
| 37 | Tappo | 1 | Alluminio |
| 38 | Vite di assemblaggio | 7 | Acciaio |
| 39 | Dado a calotta | 7 | Acciaio |
| 40* | O-ring | 1 | Gomma nitrilica |
| 41 | Grano di regolazione | 1 | Acciaio |
| * Particolari del kit di ricambio | |||
| COMPONENTI ATTUATORE PNEUMATICO DOPPIO EFFETTO MISURA: DA3840 | |||
| Pos | Denominazione | Q.ty | Materiale |
| 1 | Cilindro | 1 | Lega di alluminio |
| 2 | Pistone | 2 | Lega di alluminio |
| 3 | Tappo | 2 | Lega di alluminio |
| 4 | Albero | 1 | Acciaio Inox |
| 5 | Forcella Scotch yoke | 1 | Lega di acciaio |
| 6 | Bussola di scorrimento | 1 | Resina acetalica |
| 7 | Bussola scorrim/supporto | 1 | Resina acetalica |
| 8* | Fascetta supp.infer. | 1 | P.T.F.E. carbo-graphite filled |
| 9* | Fascetta supp.super. | 1 | P.T.F.E. carbo-graphite filled |
| 10 | Bussola acciaio | 2 | Lega di acciaio |
| 11 | Spina acciaio | 2 | Lega di acciaio |
| 12* | Anello di guida | 2 | P.T.F.E. Carbo-Graphite filled |
| 13* | Dischetto supporto | 4 | Resina acetalica |
| 14* | O-ring del pistone | 2 | Gomma nitrilica |
| 15* | O-ring albero sup. | 1 | FKM |
| 16* | Anello supporto est. | 1 | Resina acetalica |
| 17 | Rondella spessoramento | 1 | Acciaio inox |
| 18 | Seeger | 1 | Acciaio Inox |
| 19* | O-ring cond.aria | 2 | Gomma nitrilica |
| 20* | O-ring albero inferiore | 1 | FKM |
| 21* | O-ring tappo | 2 | Gomma nitrilica |
| 22* | O-ring corpo-cilindro | 2 | Gomma nitrilica |
| 23 | Dado a calotta | 12 | Acciaio inox |
| 24 | Grano di regolaz. | 2 | Acciaio inox |
| 25* | O-ring grano | 2 | Gomma nitrilica |
| 26 | Dado | 2 | Acciaio inox |
| 27 | Molla | 4 | Lega di acciaio |
| 28* | O-ring regolazione | 2 | Gomma nitrilica |
| 29 | Dado | 2 | Acciaio inox |
| 30 | Dado a calotta | 2 | Acciaio inox |
| 31 | Contenitore a molla | 2 | Lega di alluminio |
| 32 | Vite di prec.molla | 2 | Acciaio inox |
| 33 | Cilindro laterale | 2 | Lega di alluminio |
| 34 | Vite antiespulsione | 1 | Acciaio inox |
| 35** | Anello di centraggio (OPTIONAL) | 1 | Lega di alluminio |
| 36 | Vite di assemblaggio | 12 | Acciaio |
| 37 | Spina antiespulsione | 2 | Lega di acciaio |
| * Particolari del kit di ricambio | |||
| ** Optional | |||
| COMPONENTI ATTUATORE PNEUMATICO DOPPIO EFFETTO MISURA: DA5760 | |||
| Pos | Denominazione | Q.ty | Materiale |
| 1 | Bussola acciaio | 2 | Acciaio |
| 2 | Spina acciaio | 2 | Acciaio |
| 3 | Vite di regolazione | 1 | Acciaio |
| 4 | Fermo sinistro | 1 | Acciaio |
| 5* | O-ring | 2 | Gomma nitrilica |
| 6 | Tappo di protezione | 1 | Alluminio |
| 7 | Rondella antirotazione | 1 | Acciaio |
| 8 | Ghiera passante | 1 | Acciaio inox |
| 9* | O-ring | 1 | Gomma nitrilica |
| 10 | Carter di regolaz. | 1 | Alluminio |
| 11 | Vite per carter | 4 | Acciaio |
| 12 | Ghiera cieca | 1 | Acciaio inox |
| 13 | Fermo destro | 1 | Acciaio |
| 14 | Vite antiespulsione | 1 | Acciaio |
| 15 | Albero | 1 | Acciaio |
| 16 | Supporto inferiore | 1 | P.T.F.E. carbo-graphite filled |
| 17 | Interfaccia F25 | 1 | Alluminio |
| 18 | Vite per interfaccia | 2 | Acciaio |
| 19* | O-ring | 1 | FKM |
| 20 | Bussola di scorrimento | 1 | Resina acetalica |
| 21* | Dischetti (piston back) | 4 | Resina acetalica |
| 22 | Spina antiespulsione | 2 | Acciaio |
| 23 | Cilindro laterale | 2 | Alluminio |
| 24* | O-ring tappo | 2 | Gomma nitrilica |
| 25 | Tappo | 2 | Alluminio |
| 26 | Vite di assemblaggio | 14 | Acciaio |
| 27 | Dado a calotta | 14 | Acciaio |
| 28 | Dado | 2 | Acciaio |
| 29 | Grano di regolazione | 2 | Acciaio |
| 30* | O-ring | 2 | Gomma nitrilica |
| 31* | Anello di guida | 2 | P.T.F.E. Carbo-Graphite filled |
| 32* | O-ring pistone | 2 | Gomma nitrilica |
| 33 | Pistone | 2 | Alluminio |
| 34 | Forcella Scotch yoke | 1 | Acciaio |
| 35 | Bussola di scorr./supp | 1 | Resina acetalica |
| 36* | O-ring | 2 | Gomma nitrilica |
| 37* | O-ring | 2 | Gomma nitrilica |
| 38 | Corpo Body | 1 | Alluminio |
| 39* | Supporto superiore (shaft top) | 1 | P.T.F.E. carbo-graphite filled |
| 40* | O-ring | 1 | FKM |
| 41* | Anello di supp. esterno | 1 | Resina acetalica |
| 42 | Rondella di spessoram. | 1 | Acciaio |
| 43 | Seeger | 1 | Acciaio |
| 44* | Guarnizione carter | 1 | Gomma nitrilica |
| 45 | Rondella di supporto | 1 | Acciaio |
| 46 | Seeger | 2 | Acciaio |
| * Particolari del kit di ricambio | |||
| COMPONENTI ATTUATORE PNEUMATICO DOPPIO EFFETTO MISURA: DA8000 | |||
| Pos | Denominazione | Q.ty | Materiale |
| 1 | Bussola acciaio | 2 | Acciaio |
| 2 | Spina acciaio | 2 | Acciaio |
| 3 | Vite di regolazione | 1 | Acciaio |
| 4 | Fermo sinistro | 1 | Acciaio |
| 5* | O-ring | 2 | Gomma nitrilica |
| 6 | Tappo di protezione | 1 | Alluminio |
| 7 | Rondella antirotazione | 1 | Acciaio |
| 8 | Ghiera passante | 1 | Acciaio inox |
| 9* | O-ring | 1 | Gomma nitrilica |
| 10 | Carter di regolaz. | 1 | Alluminio |
| 11 | Vite per carter | 4 | Acciaio |
| 12 | Ghiera cieca | 1 | Acciaio inox |
| 13 | Fermo destro | 1 | Acciaio |
| 14 | Vite antiespulsione | 1 | Acciaio |
| 15 | Albero | 1 | Acciaio |
| 16 | Supporto inferiore | 1 | P.T.F.E. carbo-graphite filled |
| 17 | Interfaccia F25 | 1 | Alluminio |
| 18 | Vite per interfaccia | 2 | Acciaio |
| 19* | O-ring | 1 | FKM |
| 20 | Bussola di scorrimento | 1 | Resina acetalica |
| 21* | Dischetti | 4 | Resina acetalica |
| 22 | Spina antiespulsione | 2 | Acciaio |
| 23 | Cilindro laterale | 2 | Alluminio |
| 24* | O-ring tappo | 2 | Gomma nitrilica |
| 25 | Tappo | 2 | Alluminio |
| 26 | Vite di assemblaggio | 14 | Acciaio |
| 27 | Dado a calotta | 28 | Acciaio |
| 28 | Dado | 2 | Acciaio |
| 29 | Grano di regolazione | 2 | Acciaio |
| 30* | O-ring | 2 | Gomma nitrilica |
| 31* | Anello di guida | 2 | P.T.F.E. Carbo-Graphite filled |
| 32* | O-ring pistone | 2 | Gomma nitrilica |
| 33 | Pistone | 2 | Alluminio |
| 34 | Forcella | 1 | Acciaio |
| 35 | Bussola di scorr/supp | 1 | Resina acetalica |
| 36* | O-ring | 2 | Gomma nitrilica |
| 37* | O-ring | 18 | Gomma nitrilica |
| 38 | Corpo | 1 | Alluminio Aluminium |
| 39* | Supporto superiore | 1 | P.T.F.E. carbo-graphite filled |
| 40* | O-ring | 1 | FKM |
| 41* | Anello di supp.esterno | 1 | Resina acetalica |
| 42 | Rondella di spessoram. | 1 | Acciaio |
| 43 | Seeger | 1 | Acciaio |
| 44* | Guarnizione carter | 1 | Gomma nitrilica |
| 45 | Rondella supporto | 1 | Acciaio |
| 46 | Seeger | 2 | Acciaio |
| 47 | Flangia rid.cilindro | 2 | Alluminio |
| 48 | Viti flangia | 14 | Acciaio |
| 49 | Grano | 2 | Acciaio |
| 50 | Flangia rid.pistone | 2 | Alluminio |
| 51* | O-ring | 2 | Gomma nitrilica |
| * Particolari del kit di ricambio | |||
TABELLA DEL MOMENTI TORCENTI (Nm) α°= ANGOLO DI ROTAZIONE | ||||||||
MISURA | α° | 3 bar | 4 bar | 5 bar | 5,6 bar | 6 bar | 7 bar | 8 bar |
| DA 08 | 0° | 3,8 | 5 | 6,3 | 7 | 7,5 | 8,8 | 10 |
| 45° | 1,9 | 2,5 | 3,1 | 3,5 | 3,8 | 4,4 | 5 | |
| 90° | 3,8 | 5 | 6,3 | 7 | 7,5 | 8,8 | 10 | |
| DAN 15 | 0° | 8,0 | 10,7 | 13,4 | 15,0 | 16,1 | 18,8 | 21,4 |
| 50° | 4,0 | 5,4 | 6,7 | 7,5 | 8,0 | 9,4 | 10,7 | |
| 90° | 6,1 | 8,1 | 10,1 | 11,3 | 12,1 | 14,1 | 16,1 | |
| DAN 30 | 0° | 16,1 | 21,4 | 26,8 | 30,0 | 32,1 | 37,5 | 42,9 |
| 50° | 8,0 | 10,7 | 13,4 | 15,0 | 16,1 | 18,8 | 21,4 | |
| 90° | 12,1 | 16,1 | 20,1 | 22,5 | 24,1 | 28,1 | 32,1 | |
| DAN 45 | 0° | 24,1 | 32,1 | 40,2 | 45,0 | 48,2 | 56,3 | 64,3 |
| 50° | 12,1 | 16,1 | 20,1 | 22,5 | 24,1 | 28,1 | 32,1 | |
| 90° | 18,1 | 24,1 | 30,1 | 33,8 | 36,2 | 42,2 | 48,2 | |
| DAN 60 | 0° | 32,1 | 42,9 | 53,6 | 60,0 | 64,3 | 75,0 | 85,7 |
| 50° | 16,1 | 21,4 | 26,8 | 30,0 | 32,1 | 37,5 | 42,9 | |
| 90° | 24,1 | 32,1 | 40,2 | 45,0 | 48,2 | 56,3 | 64,3 | |
| DAN 106 | 0° | 56,8 | 75,7 | 94,6 | 106,0 | 113,6 | 132,5 | 151,4 |
| 50° | 28,4 | 37,9 | 47,3 | 53,0 | 56,8 | 66,3 | 75,7 | |
| 90° | 42,9 | 57,1 | 71,4 | 80,0 | 85,7 | 100,0 | 114,3 | |
| DAN 120 | 0° | 64,3 | 85,7 | 107,1 | 120,0 | 128,6 | 150,0 | 171,4 |
| 50° | 32,1 | 42,9 | 53,6 | 60,0 | 64,3 | 75,0 | 85,7 | |
| 90° | 48,2 | 64,3 | 80,4 | 90,0 | 96,4 | 112,5 | 128,6 | |
| DAN 180 | 0° | 96,4 | 128,4 | 160,7 | 180,0 | 192,9 | 225,0 | 257,1 |
| 50° | 48,2 | 64,3 | 80,4 | 90,0 | 96,4 | 112,5 | 128,6 | |
| 90° | 72,3 | 96,4 | 120,5 | 135,0 | 144,6 | 168,8 | 192,9 | |
| DAN 240 | 0° | 128,6 | 171,4 | 214,3 | 240,0 | 257,1 | 300,0 | 342,9 |
| 50° | 64,3 | 85,7 | 107,1 | 120,0 | 128,6 | 150,0 | 171,4 | |
| 90° | 96,4 | 128,6 | 160,7 | 180,0 | 192,9 | 225,0 | 257,1 | |
| DAN 360 | 0° | 192,9 | 257,1 | 321,4 | 360,0 | 385,7 | 450,0 | 514,3 |
| 50° | 96,4 | 128,6 | 160,7 | 180,0 | 192,9 | 225,0 | 257,1 | |
| 90° | 144,6 | 192,9 | 241,1 | 270,0 | 289,3 | 337,5 | 385,7 | |
| DAN 480 | 0° | 257,1 | 342,9 | 428,6 | 480,0 | 514,3 | 600,0 | 685,7 |
| 50° | 128,6 | 171,4 | 214,3 | 240,0 | 257,1 | 300,0 | 342,9 | |
| 90° | 192,9 | 257,1 | 321,4 | 360,0 | 385,7 | 450,0 | 514,3 | |
| DAN 720 | 0° | 385,7 | 514,3 | 642,9 | 720,0 | 771,4 | 900,0 | 1028,6 |
| 50° | 192,9 | 257,1 | 321,4 | 360,0 | 385,7 | 450,0 | 514,3 | |
| 90° | 289,3 | 385,7 | 482,1 | 540,0 | 578,6 | 675,0 | 771,4 | |
| DAN 960 | 0° | 514,3 | 685,7 | 857,1 | 960,0 | 1028,6 | 1200,0 | 1371,4 |
| 50° | 257,1 | 342,9 | 428,6 | 480,0 | 514,3 | 600,0 | 685,7 | |
| 90° | 385,7 | 514,3 | 642,9 | 720,0 | 771,4 | 900,0 | 1028,6 | |
| DAN 1440 | 0° | 771,4 | 1028,6 | 1285,7 | 1440,0 | 1542,9 | 1800,0 | 2057,1 |
| 50° | 385,7 | 514,3 | 642,9 | 720,0 | 771,4 | 900,0 | 1028,6 | |
| 90° | 578,6 | 771,4 | 964,3 | 1080,0 | 1157,1 | 1350,0 | 1542,9 | |
| DAN 1920 | 0° | 1028,6 | 1371,4 | 1714,3 | 1920,0 | 2057,1 | 2400,0 | 2742,9 |
| 50° | 514,3 | 685,7 | 857,1 | 960,0 | 1028,6 | 1200,0 | 1371,4 | |
| 90° | 771,4 | 1028,6 | 1285,7 | 1440,0 | 1542,9 | 1800,0 | 2057,1 | |
| DA 2880 | 0° | 1542,9 | 2057,1 | 2571,4 | 2880,0 | 3085,7 | 3600,0 | 4114,3 |
| 50° | 771,4 | 1028,6 | 1285,7 | 1440,0 | 1542,9 | 1800,0 | 2057,1 | |
| 90° | 1157,1 | 1542,9 | 1928,6 | 2160,0 | 2314,3 | 2700,0 | 3085,7 | |
| DA 3840 | 0° | 2057,1 | 2742,9 | 3428,6 | 3840,0 | 4114,3 | 4800,0 | 5485,7 |
| 50° | 1028,6 | 1371,4 | 1714,3 | 1920,0 | 2057,1 | 2400,0 | 2742,9 | |
| 90° | 1542,9 | 2057,1 | 2571,4 | 2880,0 | 3085,7 | 3600,0 | 4114,3 | |
| DA 5760 | 0° | 3085,7 | 4114,3 | 5142,9 | 5760,0 | 6171,4 | 7200,0 | 8228,6 |
| 50° | 1542,9 | 2057,1 | 2571,4 | 2880,0 | 3085,7 | 3600,0 | 4114,3 | |
| 90° | 2314,3 | 3085,7 | 3857,1 | 4320,0 | 4628,6 | 5400,0 | 6171,4 | |
| DA 8000 | 0° | 4285,7 | 5714,3 | 7142,9 | 8000,0 | 8571,4 | 10000,0 | --- |
| 50° | 2142,9 | 2857,1 | 3571,4 | 4000,0 | 4285,7 | 5000,0 | --- | |
| 90° | 3214,3 | 4285,7 | 5357,1 | 6000,0 | 6428,6 | 7500,0 | --- | |