1. Bandes d'étanchéité et de glissement autolubrifiantes sous tension
Frottement réduit entre le piston et le vérin
Évite que la garniture ne se colle au vérin, même après de longues périodes d’immobilisation
2. Fentes, douilles et goupilles en acier avec une dureté supérieure à 50 HRC
Plus grande résistance aux forces à l’intérieur de l'actionneur
3. Frottement de roulement entre la fente et le piston
Réduction du frottement
4. Bielle-manivelle avec frottement de roulement (transformation du mouvement linéaire en mouvement de rotation par piston et arbre sans engrenages).
Moins de frottement entre le piston et l'arbre, ce qui réduit l'usure des pièces
Moment de torsion accru en phase d’ouverture et fermeture
Encombrement réduit par rapport aux actionneurs à pignon et crémaillère, donc moins d'espace requis
Moins de poids par rapport aux actionneurs à pignon et crémaillère (-30 % Kg/Nm), ce qui entraîne des économies sur la construction de la structure de l'installation
Réduction de la consommation d'air par rapport aux actionneurs à pignon et crémaillère (-40 % air cm³/Nm double effet et -20 % air cm³/Nm simple effet) avec une charge de travail réduite du compresseur en conséquence ou possibilité d'utiliser un compresseur de dimensions réduites
5. Vérin laminé
Usure moindre des bandes sous tension grâce à la faible rugosité de la surface
6. Stainless Steel shaft
Higher corrosion resistance
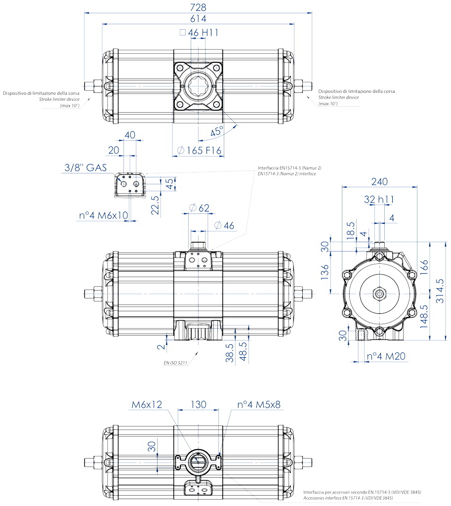
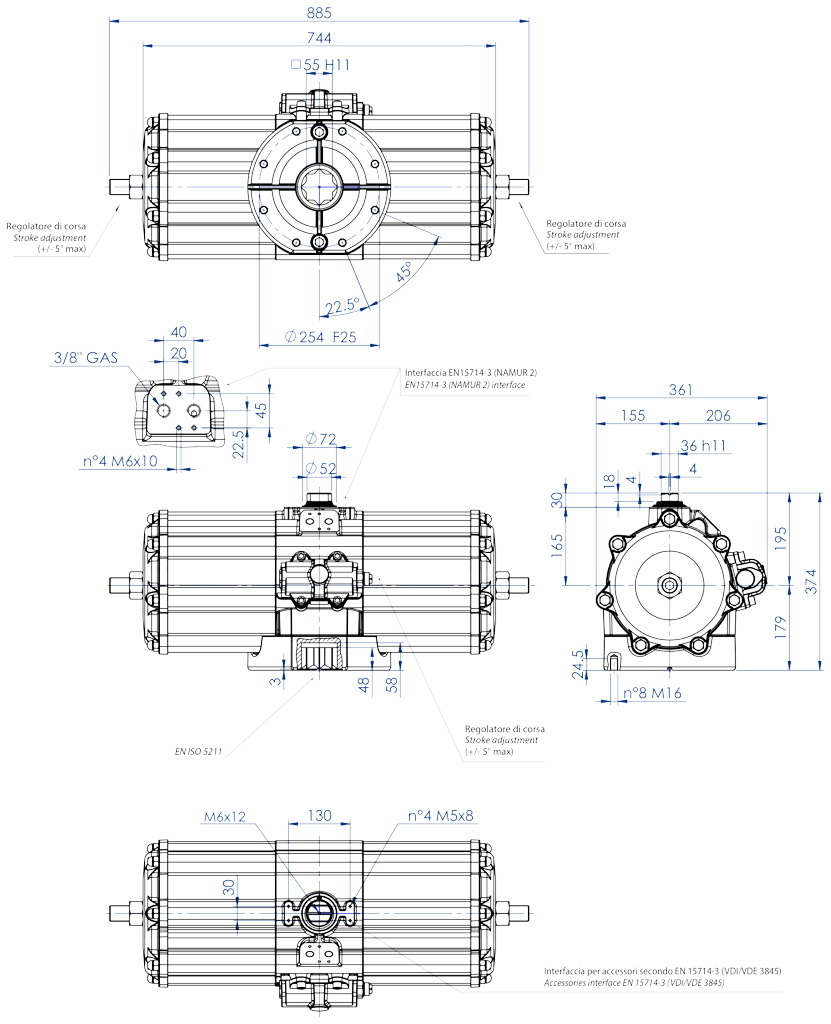
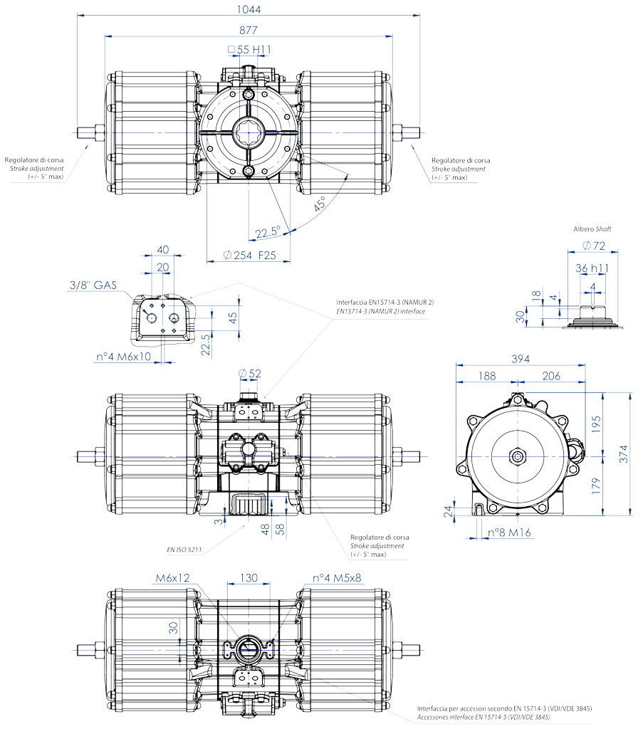
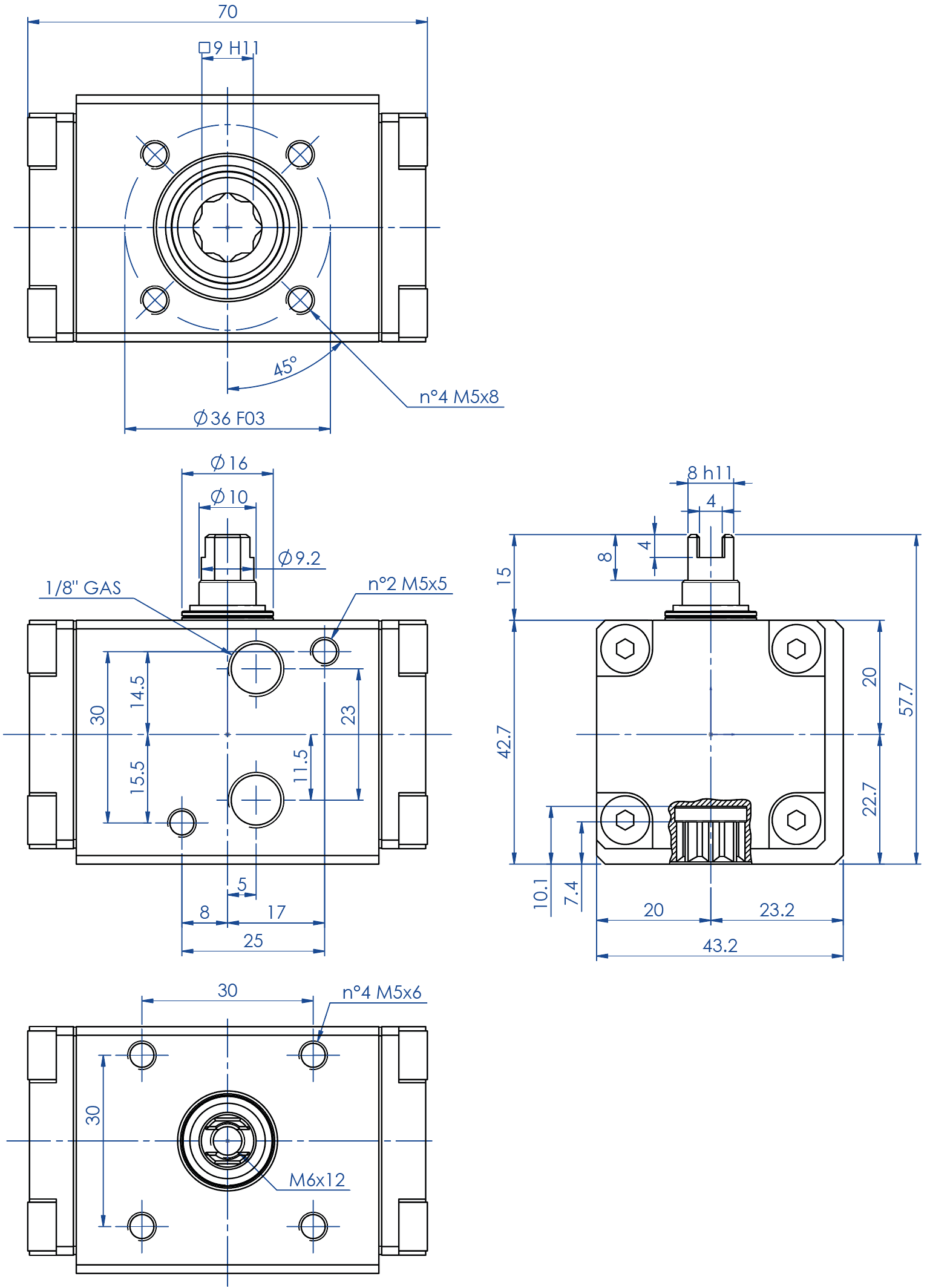
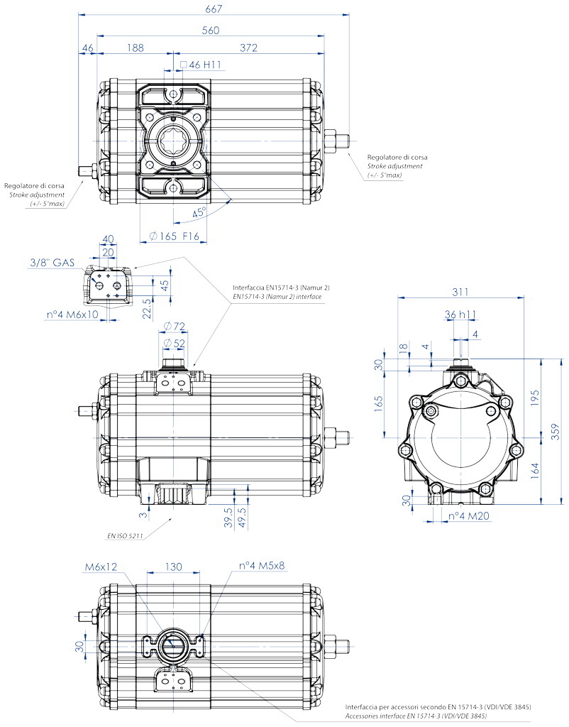
Plan de pose pour électrovannes NAMUR intégré par le DAN15
Ne nécessite aucune embase supplémentaire
Processus de production entièrement réalisé chez OMAL
Contrôle maximum dans toutes les phases de d’usinage
Certificat ATEX
Permet son installation en présence d'un milieu potentiellement explosif
Certifié jusqu'à SIL 3
Niveau élevé garanti de sécurité fonctionnelle
CARACTÉRISTIQUES TECHNIQUES
Couple compris entre 8 Nm et 8000 Nm.
Bride de raccordement: EN ISO 5211
F03 - F04 - F05 - F07 - F10 - F12 - F14 - F16 - F25.Conforme à la norme EN 15714-3
Angle de rotation: 92° (-1°, +91°)
Couple: Directement proportionnel à la pression d'alimentation; voir tableau.
Dans chaque actionneur, le chiffre qui suit le sigle DA/DAN correspond à la valeur du couple de démarrage en Nm à une pression de 5,6 bar.
Version ATEX conformément à la directive 2014/34/UE.
Pour la version ATEX, ajouter YX à la fin du code.
CONDITIONS DE TRAVAIL
Température: de -20°C à +80°C. (Versions spéciales: températures élevées: -20°C + 150°C; basses températures: -50°C + 60°C)
Pression nominale: 5,6 bar; maximum de fonctionnement 8,4 bar (7 bar pour le DA8000).
Fluide d'alimentation: air comprimé filtré sec pas nécessairement lubrifié.
En cas de lubrification, utilisez une huile non détergente, compatible avec NBR.
| FICHE TECHNIQUE DA08 (Nm) | |
| Code | DA008401S |
| Poids [Kg] | 0,29 |
| Volume air [dm3/cycle] | 0,034 |
| Garnitures de rechange | KGDI0010 |
FICHE TECHNIQUE du DAN15 (Nm) au DAN60 (Nm) | ||||||||
| Code | DAN0015411S | DAN0015412S | DAN0030411S | DAN0030412S | DAN0045411S | DAN0045412S | DAN0060411S | DAN0060412S |
| Garnitures de rechange | KGGI0012 | KGGI0014 | KGGI0015 | KGGI0016 | ||||
| Mesure | DAN15 | DAN30 | DAN45 | DAN60 | ||||
| ISO | F03 | F04 | F03/F05 | F04 | F04 | F03/F05 | F04 | F05/F07 |
| A | 159,1 | 159,1 | 174,3 | 174,3 | 188,5 | 188,5 | 198,1 | 198,1 |
| B | 11 | 11 | 11 | 11 | 11 | 11 | 14 | 14 |
| C x profondeur | M5x8 | M5x8 | M5x8 | M5x8 | M5x8 | M5x8 | M5x8 | M6x9 |
| D x profondeur | - | - | M6x9 | - | - | M6x9 | - | M8x12 |
| E | 36 | 42 | 36 | 42 | 42 | 36 | 42 | 50 |
| F | - | - | 50 | - | - | 50 | - | 70 |
| G | 10 | 10 | 10 | 10 | 13 | 13 | 13 | 13 |
| H | 26,8 | 26,8 | 30,3 | 30,3 | 32,5 | 32,5 | 35,7 | 35,7 |
| I | 8 | 8 | 9 | 9 | 10 | 10 | 10 | 10 |
| L | 72,2 | 72,2 | 79,2 | 79,2 | 84,5 | 84,5 | 90,4 | 90,4 |
| M | 28 | 28 | 31,5 | 31,5 | 34,5 | 34,5 | 37,7 | 37,7 |
| N | 44,2 | 44,2 | 47,7 | 47,7 | 50 | 50 | 52,7 | 52,7 |
| O | 13,2 | 13,2 | 13,2 | 13,2 | 13,2 | 13,2 | 16,5 | 16,5 |
| P | 24,2 | 24,2 | 27,7 | 27,7 | 30 | 30 | 32,7 | 32,7 |
| Q | 28 | 28 | 31,5 | 31,5 | 34,5 | 34,5 | 37,7 | 37,7 |
| R | 9,2 | 9,2 | 10,9 | 10,9 | 12,7 | 12,7 | 14,5 | 14,5 |
| S | 20 | 20 | 20 | 20 | 20 | 20 | 20 | 20 |
| T | 52,2 | 52,2 | 59,2 | 59,2 | 64,5 | 64,5 | 70,4 | 70,4 |
| W (Gaz) | 1/8” | 1/8” | 1/8” | 1/8” | 1/8” | 1/8” | 1/8” | 1/8” |
| Ch | 13 | 13 | 13 | 13 | 13 | 13 | 13 | 13 |
| Poids (Kg) | 0,75 | 0,75 | 1 | 1 | 1,2 | 1,2 | 1,6 | 1,6 |
| Air (dm3/cycle) | 0,08 | 0,08 | 0,15 | 0,15 | 0,22 | 0,22 | 0,3 | 0,3 |
| H = CENTRE DES FIXATIONS EMBASE | ||||||||
FICHE TECHNIQUE du DAN106 (Nm) au DAN720 (Nm) | ||||||||
| Code | DAN0106411S | DAN0120411S | DAN0180411S | DAN0240411S | DAN0360411S | DAN0480411S | DAN0720411S | |
| Garnitures de rechange | KGGI0060 | KGGI0018 | KGGI0019 | KGGI0020 | KGGI0021 | KGGI0022 | KGGI0023 | |
| Mesure | DAN106 | DAN120 | DAN180 | DAN240 | DAN360 | DAN480 | DAN720 | |
| ISO | F05/F07 | F05/F07 | F07/F10 | F07/F10 | F07/F10 | F10/F12 | F10/F12 | |
| A | 237,1 | 257,4 | 289,9 | 313,6 | 339,3 | 387,7 | 433 | |
| B | 17 | 17 | 22 | 22 | 22 | 27 | 27 | |
| C x profondeur | M6x9 | M6x9 | M8x12 | M8x12 | M8x12 | M10x15 | M10x15 | |
| D x profondeur | M8x12 | M8x12 | M10x15 | M10x15 | M10x15 | M12x18 | M12x18 | |
| E | 50 | 50 | 70 | 70 | 70 | 102 | 102 | |
| F | 70 | 70 | 102 | 102 | 102 | 125 | 125 | |
| G | 13 | 13 | 16 | 17 | 19 | 19 | 19,5 | |
| H | 42,8 | 44,8 | 54,5 | 58,1 | 60 | 57,4 | 61,5 | |
| I | 12 | 12 | 15 | 15 | 19 | 19 | 22 | |
| L | 103,3 | 107 | 137,5 | 141,1 | 148 | 164,9 | 178 | |
| M | 44,8 | 46,8 | 56,5 | 60,1 | 62 | 72,9 | 78,5 | |
| N | 58,5 | 60,2 | 81 | 81 | 86 | 92 | 99,5 | |
| O | 19,3 | 19,3 | 24,8 | 24,8 | 24,3 | 29,5 | 29,5 | |
| P | 38,5 | 40,2 | 51 | 51 | 56 | 62 | 69,5 | |
| Q | 44,8 | 46,8 | 56,5 | 60,1 | 62 | 72,9 | 78,5 | |
| R | 16,2 | 18 | 20,2 | 22,5 | 25,5 | 29 | 31,8 | |
| S | 20 | 20 | 30 | 30 | 30 | 30 | 30 | |
| T | 83,3 | 87 | 107,5 | 111,1 | 118 | 134,9 | 148 | |
| W (Gaz) | 1/8" | 1/8" | 1/8" | 1/8" | 1/8" | 1/4" | 1/4" | |
| Ch | 17 | 17 | 22 | 22 | 22 | 27 | 27 | |
| Poids (Kg) | 2,5 | 2,6 | 4,6 | 5,4 | 6,5 | 9,6 | 12 | |
| Air (dm3/cycle) | 0,55 | 0,59 | 0,95 | 1,3 | 1,8 | 2,6 | 3,5 | |
| H = CENTRE DES FIXATIONS EMBASE | ||||||||
FICHE TECHNIQUE du DAN960 (Nm) au DAN1920 (Nm) | |||||||
| Code | DAN0960411S | DAN0960412S | DAN1440412S | DAN1440411S | DAN1920412S | DAN1920411S | |
| Garnitures de rechange | KGGI0024 | KGGI0025 | KGGI0026 | ||||
| Mesure | DAN960 | DAN1440 | DAN1920 | ||||
| ISO | F10/F12 | F14 | F12 | F14 | F12/F16 | F14 | |
| A | 479,4 | 479,4 | 567 | 567 | 601 | 601 | |
| B | 36 | 36 | 36 | 36 | 46 | 46 | |
| C x profondeur | M10x15 | M16x24 | M12x18 | M16x24 | M12x18 | M16x24 | |
| D x profondeur | M12x18 | - | - | - | M20x30 | - | |
| E | 102 | 140 | 125 | 140 | 125 | 140 | |
| F | 125 | - | - | - | 165 | - | |
| G | 19,5 | 19,5 | 19,5 | 19,5 | 18,5 | 18,5 | |
| H | 78 | 78 | 86,5 | 86,5 | 99,2 | 99,2 | |
| I | 24 | 24 | 27 | 27 | 32 | 32 | |
| L | 198 | 198 | 216 | 216 | 237,7 | 237,7 | |
| M | 93,5 | 93,5 | 101,5 | 101,5 | 114,7 | 114,7 | |
| N | 104,5 | 104,5 | 114,5 | 114,5 | 123 | 123 | |
| O | 38,5 | 38,5 | 38,5 | 38,5 | 48,5 | 48,5 | |
| P | 74,5 | 74,5 | 84,5 | 84,5 | 93 | 93 | |
| Q | 93,5 | 93,5 | 101,5 | 101,5 | 114,7 | 114,7 | |
| R | 36,5 | 36,5 | 41 | 41 | 46 | 46 | |
| S | 30 | 30 | 30 | 30 | 30 | 30 | |
| T | 168 | 168 | 186 | 186 | 207,7 | 207,7 | |
| W (Gaz) | 1/4" | 1/4" | 1/4" | 1/4" | 1/4" | 1/4" | |
| Ch | 27 | 27 | 36 | 36 | 36 | 36 | |
| Poids (Kg) | 17,4 | 17,4 | 23,4 | 23,4 | 32 | 32 | |
| Air (dm3/cycle) | 4,9 | 4,9 | 7,6 | 7,6 | 10,2 | 10,2 | |
| H = CENTRE DES FIXATIONS EMBASE | |||||||
| FICHE TECHNIQUE DA 2880 (Nm) | |
| Code | DA2880E16D0A |
Poids [Kg] | 55,4 |
| Volume air [dm3/ cycle] | 20 |
| Garnitures de rechange | KGDI1035 |
| FICHE TECHNIQUE DA 3840 (Nm) | |
| Code | DA3840E1600A |
| Poids [Kg] | 49 |
| Volume air [dm3/ cycle] | 25,6 |
| Garnitures de rechange | KGDI0030 |
| FICHE TECHNIQUE DA 5760 (Nm) | |
| Code | DA5760E25D0A |
| Poids [Kg] | 85,5 |
| Volume air [dm3/ cycle] | 38,0 |
| Garnitures de rechange | KGDI2035 |
| FICHE TECHNIQUE DA 8000 (Nm) | |
| Code | DA8000E25D0A |
| Poids [Kg] | 105,5 |
| Volume air [dm3/ cycle] | 50 |
| Garnitures de rechange | KGDI1040 |
COMPOSANTS ACTIONNEUR PNEUMATIQUE DOUBLE EFFET MESURE: DA8 | |||
| Pos | Désignation | Q.té | Matériau |
| 1 | Vérin | 1 | Alliage d'aluminium |
| 2 | Piston | 2 | Alliage d'aluminium |
| 3 | Bouchon DA | 2 | Alliage d'aluminium |
| 4 | Arbre | 1 | Alliage d'acier |
| 5 | Axe | 2 | Alliage d'acier |
| 6 | Douille acier | 2 | Alliage d'acier |
| 7* | Bande de support | 2 | Résine acétal |
| 8* | Garniture d'étanchéité | 2 | Caoutchouc nitrile NBR |
| 9 | Seeger | 1 | Acier inoxydable |
| 10 | Rondelle de calage | 1 | Acier inoxydable |
| 11* | Bague de support ext. | 1 | Résine acétal |
| 12* | Joint torique piston | 2 | Caoutchouc nitrile NBR |
| 13 | Bague de centrage (OPTIONAL) | 1 | Alliage d'aluminium |
| 14* | Joint torique arbre inférieur | 1 | FKM |
| 15* | Bague de support int. | 1 | Résine acétal |
| 16* | Joint torique arbre supérieur | 1 | FKM |
| 17 | Vis | 8 | Acier inoxydable |
| * Détails du kit des pièces de rechange | |||
| COMPOSANTS ACTIONNEUR PNEUMATIQUE DOUBLE EFFET MESURE: DAN15-DAN1920 | |||
| Pos | Désignation | Q.té | Matériau |
| 1 | Vérin | 1 | Alliage d'aluminium |
| 2 | Piston | 2 | Alliage d'aluminium |
| 3 | Bouchon | 2 | Alliage d'aluminium |
| 4 | Arbre | 1 | Acier inoxydable |
| 5 | Bielle-manivelle | 1 | Alliage d'acier |
| 6 | Douille de guidage | 1 | Résine acétal |
| 7 | Support arbre | 1 | Résine acétal |
| 8 | Douille | 2 | Alliage d'acier |
| 9 | Axe | 2 | Alliage d'acier |
| 10* | Bague d'étanchéité | 2 | Polyuréthane |
| 11* | Disque de support | 4 | P.T.F.E. carbo-graphite filled |
| 12* | Joint torique piston | 2 | Caoutchouc nitrile |
| 13 | Joint torique arbre supérieur | 1 | FKM |
| 14 | Bague de support extérieure | 1 | Résine acétal |
| 15 | Rondelle de calage | 1 | Acier inoxydable |
| 16 | Seeger | 1 | Acier inoxydable |
| 17 | Joint torique arbre inférieur | 1 | FKM |
| 18 | Écrou | 2 | Alliage d'aluminium |
| 19* | Joint torique bouchon | 2 | Caoutchouc nitrile |
| 20 | Vis | 8 | Acier inoxydable |
| 21* | Joint torique | 2 | Caoutchouc nitrile |
| 22 | Goupille élastique extérieure | 1 | Alliage d'acier |
| 23 | Goupille élastique intérieure | 1 | Alliage d'acier |
| 24 | Bague de centrage (OPTIONAL) | 1 | Alliage d'aluminium |
| 25 | Vis de réglage de la course | 2 | Acier inoxydable |
| * Détails du kit des pièces de rechange | |||
| COMPOSANTS ACTIONNEUR PNEUMATIQUE DOUBLE EFFET MESURE: DA2880 | |||
| Pos | Désignation | Q.té | Matériau |
| 1 | Douille acier | 1 | Acier |
| 2 | Goupille acier | 1 | Acier |
| 3 | Corps | 1 | Aluminium |
| 4 | Écrou | 1 | Acier |
| 5* | Joint torique | 2 | Nitrilic rubber |
| 6 | Arbre | 1 | Acier |
| 7 | Vis anti-éjection | 1 | Acier |
| 8* | Support inférieur | 1 | P.T.F.E. carbo-graphite filled |
| 9* | Joint torique | 1 | FKM |
| 10* | Joint torique | 1 | FKM |
| 11 | Douille de support inférieur | 1 | Aluminium |
| 12 | Vis pour douille | 2 | Acier |
| 13 | Douille de guidage | 1 | Résine acétal |
| 14 | Entretoise | 1 | Aluminium |
| 15 | Bouchon | 1 | Aluminium |
| 16 | Vis d'assemblage | 7 | Acier |
| 17 | Écrou borgne | 7 | Acier |
| 18 | Vis sans tête (bouchon | 1 | Acier |
| 19 | Écrou | 1 | Acier |
| 20 | Vis sans tête de réglage | 1 | Acier |
| 21* | Joint torique | 1 | Nitrilic rubber |
| 22 | Bielle-manivelle Scotch yoke | 1 | Acier |
| 23 | Douille de guidage/supp. | 1 | Résine acétal |
| 24* | Joint torique | 2 | Nitrilic rubber |
| 25* | Support supérieur | 1 | P.T.F.E. carbo-graphite filled |
| 26* | Joint torique | 1 | FKM |
| 27* | Bague de support extérieur | 1 | Résine acétal |
| 28 | Rondelle de calage | 1 | Acier |
| 29 | Seeger | 1 | Acier |
| 30 | Goupille anti-éjection | 1 | Acier |
| 31* | Disques (piston back) | 2 | Résine acétal |
| 32 | Piston | 1 | Aluminium |
| 33* | Joint torique | 1 | Nitrilic rubber |
| 34* | Bague de guidage | 1 | P.T.F.E. Rempli de carbone de graphite |
| 35 | Vérin latéral | 1 | Aluminium |
| 36* | Joint torique | 2 | Nitrilic rubber |
| 37 | Bouchon | 1 | Aluminium |
| 38 | Vis d'assemblage | 7 | Acier |
| 39 | Écrou borgne | 7 | Acier |
| 40* | Joint torique | 1 | Nitrilic rubber |
| 41 | Vis sans tête de réglage | 1 | Acier |
| * Détails du kit des pièces de rechange | |||
| COMPOSANTS ACTIONNEUR PNEUMATIQUE DOUBLE EFFET MESURE: DA3840 | |||
| Pos | Désignation | Q.té | Matériau |
| 1 | Vérin | 1 | Alliage d'aluminium |
| 2 | Piston | 2 | Alliage d'aluminium |
| 3 | Bouchon | 2 | Alliage d'aluminium |
| 4 | Arbre | 1 | Acier inoxydable |
| 5 | Bielle-manivelle Scotch yoke | 1 | Alliage d'acier |
| 6 | Douille de guidage | 1 | Résine acétal |
| 7 | Douille guidage/support | 1 | Résine acétal |
| 8* | Bande supp. inf. | 1 | P.T.F.E. carbo-graphite filled |
| 9* | Bande supp. sup. | 1 | P.T.F.E. carbo-graphite filled |
| 10 | Douille acier | 2 | Alliage d'acier |
| 11 | Goupille acier | 2 | Alliage d'acier |
| 12* | Bague de guidage | 2 | P.T.F.E. Rempli de carbone de graphite |
| 13* | Disque de support | 4 | Résine acétal |
| 14* | Joint torique piston | 2 | Nitrilic rubber |
| 15* | Joint torique arbre sup. | 1 | FKM |
| 16* | Bague de support ext. | 1 | Résine acétal |
| 17 | Rondelle de calage | 1 | Acier inoxydable |
| 18 | Seeger | 1 | Acier inoxydable |
| 19* | Joint torique air conditionné | 2 | Nitrilic rubber |
| 20* | Joint torique arbre inférieur | 1 | FKM |
| 21* | Joint torique bouchon | 2 | Nitrilic rubber |
| 22* | Joint torique corps-vérin | 2 | Nitrilic rubber |
| 23 | Écrou borgne | 12 | Acier inoxydable |
| 24 | Vis sans tête de réglage | 2 | Acier inoxydable |
| 25* | Joint torique vis sans tête | 2 | Nitrilic rubber |
| 26 | Écrou | 2 | Acier inoxydable |
| 27 | Ressort | 4 | Alliage d'acier |
| 28* | Joint torique réglage | 2 | Nitrilic rubber |
| 29 | Écrou | 2 | Acier inoxydable |
| 30 | Écrou borgne | 2 | Acier inoxydable |
| 31 | Cuvette de ressort | 2 | Alliage d'aluminium |
| 32 | Vis de précontrainte ressort | 2 | Acier inoxydable |
| 33 | Vérin latéral | 2 | Alliage d'aluminium |
| 34 | Vis anti-éjection | 1 | Acier inoxydable |
| 35** | Bague de centrage (OPTIONAL) | 1 | Alliage d'aluminium |
| 36 | Vis d'assemblage | 12 | Acier |
| 37 | Goupille anti-éjection | 2 | Alliage d'acier |
| * Détails du kit des pièces de rechange | |||
| ** En option | |||
| COMPOSANTS ACTIONNEUR PNEUMATIQUE DOUBLE EFFET MESURE: DA5760 | |||
| Pos | Désignation | Q.té | Matériau |
| 1 | Douille acier | 2 | Acier |
| 2 | Goupille acier | 2 | Acier |
| 3 | Vis de réglage | 1 | Acier |
| 4 | Butée gauche | 1 | Acier |
| 5* | Joint torique | 2 | Nitrilic rubber |
| 6 | Bouchon de protection | 1 | Aluminium |
| 7 | Rondelle anti-rotation | 1 | Acier |
| 8 | Bague passante | 1 | Acier inoxydable |
| 9* | Joint torique | 1 | Nitrilic rubber |
| 10 | Carter de réglage | 1 | Aluminium |
| 11 | Vis pour carter | 4 | Acier |
| 12 | Bague aveugle | 1 | Acier inoxydable |
| 13 | Butée droite | 1 | Acier |
| 14 | Vis anti-éjection | 1 | Acier |
| 15 | Arbre | 1 | Acier |
| 16 | Support inférieur | 1 | P.T.F.E. carbo-graphite filled |
| 17 | Plan de pose F25 | 1 | Aluminium |
| 18 | Vis pour plan de pose | 2 | Acier |
| 19* | Joint torique | 1 | FKM |
| 20 | Douille de guidage | 1 | Résine acétal |
| 21* | Disques (piston back) | 4 | Résine acétal |
| 22 | Goupille anti-éjection | 2 | Acier |
| 23 | Vérin latéral | 2 | Aluminium |
| 24* | Joint torique bouchon | 2 | Nitrilic rubber |
| 25 | Bouchon | 2 | Aluminium |
| 26 | Vis d'assemblage | 14 | Acier |
| 27 | Écrou borgne | 14 | Acier |
| 28 | Écrou | 2 | Acier |
| 29 | Vis sans tête de réglage | 2 | Acier |
| 30* | Joint torique | 2 | Nitrilic rubber |
| 31* | Bague de guidage | 2 | P.T.F.E. Rempli de carbone de graphite |
| 32* | Joint torique piston | 2 | Nitrilic rubber |
| 33 | Piston | 2 | Aluminium |
| 34 | Bielle-manivelle Scotch yoke | 1 | Acier |
| 35 | Douille de guidage/supp. | 1 | Résine acétal |
| 36* | Joint torique | 2 | Nitrilic rubber |
| 37* | Joint torique | 2 | Nitrilic rubber |
| 38 | Corps | 1 | Aluminium |
| 39* | Support supérieur (shaft top) | 1 | P.T.F.E. carbo-graphite filled |
| 40* | Joint torique | 1 | FKM |
| 41* | Bague de support extérieur | 1 | Résine acétal |
| 42 | Rondelle de calage | 1 | Acier |
| 43 | Seeger | 1 | Acier |
| 44* | Garniture carter | 1 | Nitrilic rubber |
| 45 | Rondelle de support | 1 | Acier |
| 46 | Seeger | 2 | Acier |
| * Détails du kit des pièces de rechange | |||
| COMPOSANTS ACTIONNEUR PNEUMATIQUE DOUBLE EFFET MESURE: DA8000 | |||
| Pos | Désignation | Q.té | Matériau |
| 1 | Douille acier | 2 | Acier |
| 2 | Goupille acier | 2 | Acier |
| 3 | Vis de réglage | 1 | Acier |
| 4 | Butée gauche | 1 | Acier |
| 5* | Joint torique | 2 | Nitrilic rubber |
| 6 | Bouchon de protection | 1 | Aluminium |
| 7 | Rondelle anti-rotation | 1 | Acier |
| 8 | Bague passante | 1 | Acier inoxydable |
| 9* | Joint torique | 1 | Nitrilic rubber |
| 10 | Carter de réglage | 1 | Aluminium |
| 11 | Vis pour carter | 4 | Acier |
| 12 | Bague aveugle | 1 | Acier inoxydable |
| 13 | Butée droite | 1 | Acier |
| 14 | Vis anti-éjection | 1 | Acier |
| 15 | Arbre | 1 | Acier |
| 16 | Support inférieur | 1 | P.T.F.E. carbo-graphite filled |
| 17 | Plan de pose F25 | 1 | Aluminium |
| 18 | Vis pour plan de pose | 2 | Acier |
| 19* | Joint torique | 1 | FKM |
| 20 | Douille de guidage | 1 | Résine acétal |
| 21* | Disques | 4 | Résine acétal |
| 22 | Goupille anti-éjection | 2 | Acier |
| 23 | Vérin latéral | 2 | Aluminium |
| 24* | Joint torique bouchon | 2 | Nitrilic rubber |
| 25 | Bouchon | 2 | Aluminium |
| 26 | Vis d'assemblage | 14 | Acier |
| 27 | Écrou borgne | 28 | Acier |
| 28 | Écrou | 2 | Acier |
| 29 | Vis sans tête de réglage | 2 | Acier |
| 30* | Joint torique | 2 | Nitrilic rubber |
| 31* | Bague de guidage | 2 | P.T.F.E. Rempli de carbone de graphite |
| 32* | Joint torique piston | 2 | Nitrilic rubber |
| 33 | Piston | 2 | Aluminium |
| 34 | Bielle-manivelle | 1 | Acier |
| 35 | Douille de guidage/supp. | 1 | Résine acétal |
| 36* | Joint torique | 2 | Nitrilic rubber |
| 37* | Joint torique | 18 | Nitrilic rubber |
| 38 | Corps | 1 | Aluminium |
| 39* | Support supérieur | 1 | P.T.F.E. carbo-graphite filled |
| 40* | Joint torique | 1 | FKM |
| 41* | Bague de support extérieur | 1 | Résine acétal |
| 42 | Rondelle de calage | 1 | Acier |
| 43 | Seeger | 1 | Acier |
| 44* | Garniture carter | 1 | Nitrilic rubber |
| 45 | Rondelle de support | 1 | Acier |
| 46 | Seeger | 2 | Acier |
| 47 | Bride réduite vérin | 2 | Aluminium |
| 48 | Vis bride | 14 | Acier |
| 49 | Vis sans tête | 2 | Acier |
| 50 | Bride réduite piston | 2 | Aluminium |
| 51* | Joint torique | 2 | Nitrilic rubber |
| * Détails du kit des pièces de rechange | |||
TABLEAU DES COUPLES (Nm) α ° = ANGLE DE ROTATION | ||||||||
MESURE | α° | 3 bar | 4 bar | 5 bar | 5,6 bar | 6 bar | 7 bar | 8 bar |
| DA 08 | 0° | 3,8 | 5 | 6,3 | 7 | 7,5 | 8,8 | 10 |
| 45° | 1,9 | 2,5 | 3,1 | 3,5 | 3,8 | 4,4 | 5 | |
| 90° | 3,8 | 5 | 6,3 | 7 | 7,5 | 8,8 | 10 | |
| DAN 15 | 0° | 8,0 | 10,7 | 13,4 | 15,0 | 16,1 | 18,8 | 21,4 |
| 50° | 4,0 | 5,4 | 6,7 | 7,5 | 8,0 | 9,4 | 10,7 | |
| 90° | 6,1 | 8,1 | 10,1 | 11,3 | 12,1 | 14,1 | 16,1 | |
| DAN 30 | 0° | 16,1 | 21,4 | 26,8 | 30,0 | 32,1 | 37,5 | 42,9 |
| 50° | 8,0 | 10,7 | 13,4 | 15,0 | 16,1 | 18,8 | 21,4 | |
| 90° | 12,1 | 16,1 | 20,1 | 22,5 | 24,1 | 28,1 | 32,1 | |
| DAN 45 | 0° | 24,1 | 32,1 | 40,2 | 45,0 | 48,2 | 56,3 | 64,3 |
| 50° | 12,1 | 16,1 | 20,1 | 22,5 | 24,1 | 28,1 | 32,1 | |
| 90° | 18,1 | 24,1 | 30,1 | 33,8 | 36,2 | 42,2 | 48,2 | |
| DAN 60 | 0° | 32,1 | 42,9 | 53,6 | 60,0 | 64,3 | 75,0 | 85,7 |
| 50° | 16,1 | 21,4 | 26,8 | 30,0 | 32,1 | 37,5 | 42,9 | |
| 90° | 24,1 | 32,1 | 40,2 | 45,0 | 48,2 | 56,3 | 64,3 | |
| DAN 106 | 0° | 56,8 | 75,7 | 94,6 | 106,0 | 113,6 | 132,5 | 151,4 |
| 50° | 28,4 | 37,9 | 47,3 | 53,0 | 56,8 | 66,3 | 75,7 | |
| 90° | 42,9 | 57,1 | 71,4 | 80,0 | 85,7 | 100,0 | 114,3 | |
| DAN 120 | 0° | 64,3 | 85,7 | 107,1 | 120,0 | 128,6 | 150,0 | 171,4 |
| 50° | 32,1 | 42,9 | 53,6 | 60,0 | 64,3 | 75,0 | 85,7 | |
| 90° | 48,2 | 64,3 | 80,4 | 90,0 | 96,4 | 112,5 | 128,6 | |
| DAN 180 | 0° | 96,4 | 128,4 | 160,7 | 180,0 | 192,9 | 225,0 | 257,1 |
| 50° | 48,2 | 64,3 | 80,4 | 90,0 | 96,4 | 112,5 | 128,6 | |
| 90° | 72,3 | 96,4 | 120,5 | 135,0 | 144,6 | 168,8 | 192,9 | |
| DAN 240 | 0° | 128,6 | 171,4 | 214,3 | 240,0 | 257,1 | 300,0 | 342,9 |
| 50° | 64,3 | 85,7 | 107,1 | 120,0 | 128,6 | 150,0 | 171,4 | |
| 90° | 96,4 | 128,6 | 160,7 | 180,0 | 192,9 | 225,0 | 257,1 | |
| DAN 360 | 0° | 192,9 | 257,1 | 321,4 | 360,0 | 385,7 | 450,0 | 514,3 |
| 50° | 96,4 | 128,6 | 160,7 | 180,0 | 192,9 | 225,0 | 257,1 | |
| 90° | 144,6 | 192,9 | 241,1 | 270,0 | 289,3 | 337,5 | 385,7 | |
| DAN 480 | 0° | 257,1 | 342,9 | 428,6 | 480,0 | 514,3 | 600,0 | 685,7 |
| 50° | 128,6 | 171,4 | 214,3 | 240,0 | 257,1 | 300,0 | 342,9 | |
| 90° | 192,9 | 257,1 | 321,4 | 360,0 | 385,7 | 450,0 | 514,3 | |
| DAN 720 | 0° | 385,7 | 514,3 | 642,9 | 720,0 | 771,4 | 900,0 | 1028,6 |
| 50° | 192,9 | 257,1 | 321,4 | 360,0 | 385,7 | 450,0 | 514,3 | |
| 90° | 289,3 | 385,7 | 482,1 | 540,0 | 578,6 | 675,0 | 771,4 | |
| DAN 960 | 0° | 514,3 | 685,7 | 857,1 | 960,0 | 1028,6 | 1200,0 | 1371,4 |
| 50° | 257,1 | 342,9 | 428,6 | 480,0 | 514,3 | 600,0 | 685,7 | |
| 90° | 385,7 | 514,3 | 642,9 | 720,0 | 771,4 | 900,0 | 1028,6 | |
| DAN 1440 | 0° | 771,4 | 1028,6 | 1285,7 | 1440,0 | 1542,9 | 1800,0 | 2057,1 |
| 50° | 385,7 | 514,3 | 642,9 | 720,0 | 771,4 | 900,0 | 1028,6 | |
| 90° | 578,6 | 771,4 | 964,3 | 1080,0 | 1157,1 | 1350,0 | 1542,9 | |
| DAN 1920 | 0° | 1028,6 | 1371,4 | 1714,3 | 1920,0 | 2057,1 | 2400,0 | 2742,9 |
| 50° | 514,3 | 685,7 | 857,1 | 960,0 | 1028,6 | 1200,0 | 1371,4 | |
| 90° | 771,4 | 1028,6 | 1285,7 | 1440,0 | 1542,9 | 1800,0 | 2057,1 | |
| DA 2880 | 0° | 1542,9 | 2057,1 | 2571,4 | 2880,0 | 3085,7 | 3600,0 | 4114,3 |
| 50° | 771,4 | 1028,6 | 1285,7 | 1440,0 | 1542,9 | 1800,0 | 2057,1 | |
| 90° | 1157,1 | 1542,9 | 1928,6 | 2160,0 | 2314,3 | 2700,0 | 3085,7 | |
| DA 3840 | 0° | 2057,1 | 2742,9 | 3428,6 | 3840,0 | 4114,3 | 4800,0 | 5485,7 |
| 50° | 1028,6 | 1371,4 | 1714,3 | 1920,0 | 2057,1 | 2400,0 | 2742,9 | |
| 90° | 1542,9 | 2057,1 | 2571,4 | 2880,0 | 3085,7 | 3600,0 | 4114,3 | |
| DA 5760 | 0° | 3085,7 | 4114,3 | 5142,9 | 5760,0 | 6171,4 | 7200,0 | 8228,6 |
| 50° | 1542,9 | 2057,1 | 2571,4 | 2880,0 | 3085,7 | 3600,0 | 4114,3 | |
| 90° | 2314,3 | 3085,7 | 3857,1 | 4320,0 | 4628,6 | 5400,0 | 6171,4 | |
| DA 8000 | 0° | 4285,7 | 5714,3 | 7142,9 | 8000,0 | 8571,4 | 10000,0 | --- |
| 50° | 2142,9 | 2857,1 | 3571,4 | 4000,0 | 4285,7 | 5000,0 | --- | |
| 90° | 3214,3 | 4285,7 | 5357,1 | 6000,0 | 6428,6 | 7500,0 | --- | |