1.Kendinden yağlamalı, enerjili sızdırmaz ve kayan bantlar
Piston ve silindir arasında daha az sürtünme
Conta uzun süre durduktan sonra bile silindire yapışması önlenir.
2.50 HRC'den büyük çelik sertliği olan yuvalar, burçlar ve soketler
Aktüatör içindeki mevcut kuvvetlere daha fazla mukavemet
3.Yiv ve piston arasındaki yuvarlanma sürtünmesi
Daha az sürtünme
4.Yuvarlanma sürtünmeli iskoç boyunduruğu (doğrusal hareketin bir piston ve dişlisiz mil vasıtasıyla döner harekete dönüşümü).
Piston ile mil arasında daha az sürtünme, parçalarda daha az aşınma
Açma ve kapama sırasında artan dönme momenti
Pinyon ve kremayer aktüatörlere nazaran daha küçük boyutlarda, dolayısıyla daha az alan gerektirir
Pinyon ve kremayer aktüatörlere nazaran daha az ağırlıkta (-30% Kg/Nm) ve bunun sonucunda tesisat yapımında tasarruf
Kompresörde daha düşük çalışma yükü veya kompresörün küçültülen boyutlarda kullanılması olasılığıyla pinyon ve kremayer aktüatörlere nazaran daha az hava tüketimi (% -40 hava cm3/Nm çift etkili ve %-20 hava cm3/Nm tek etkili)
5.Haddelenmiş silindir
Düşük yüzey pürüzlülüğü sayesinde enerjili bantlarda daha az aşınma
6. Stainless Steel shaft
Higher corrosion resistance
DAN15 ile entegre NAMUR solenoit vana arayüzü
İlave taban plakası gerektirmez
Üretim süreci tümüyle OMAL’de gerçekleşmektedir
Tüm işlem aşamalarında maksimum kontrol
ATEX Sertifikası
Potansiyel olarak patlayıcı ortamlarda montaja olanak sağlar
SIL 3'e kadar sertifikalı
Yüksek düzeyde işlevsel güvenlik garantisi
TEKNİK BİLGİLER
8 Nm ile 8000 Nm arasında moment
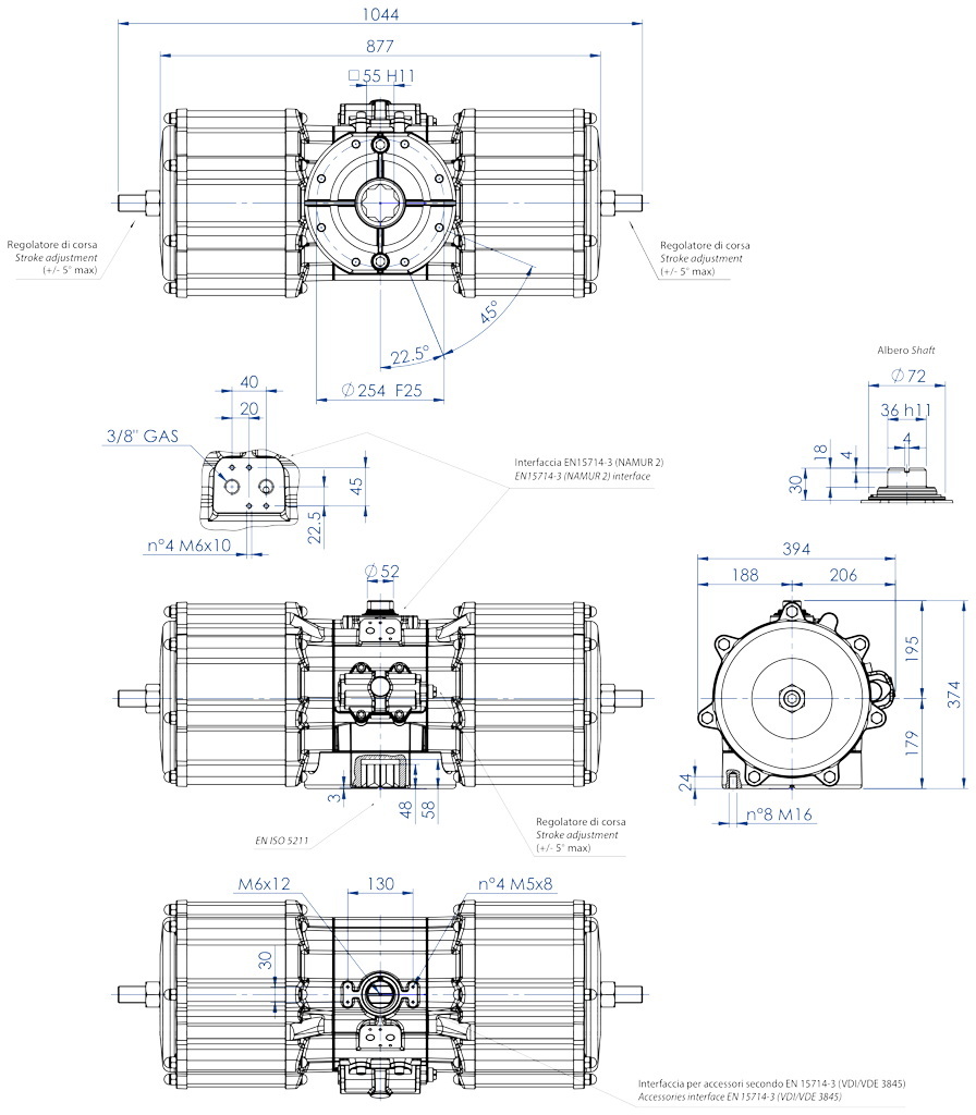
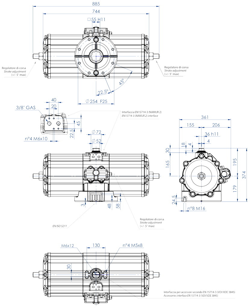
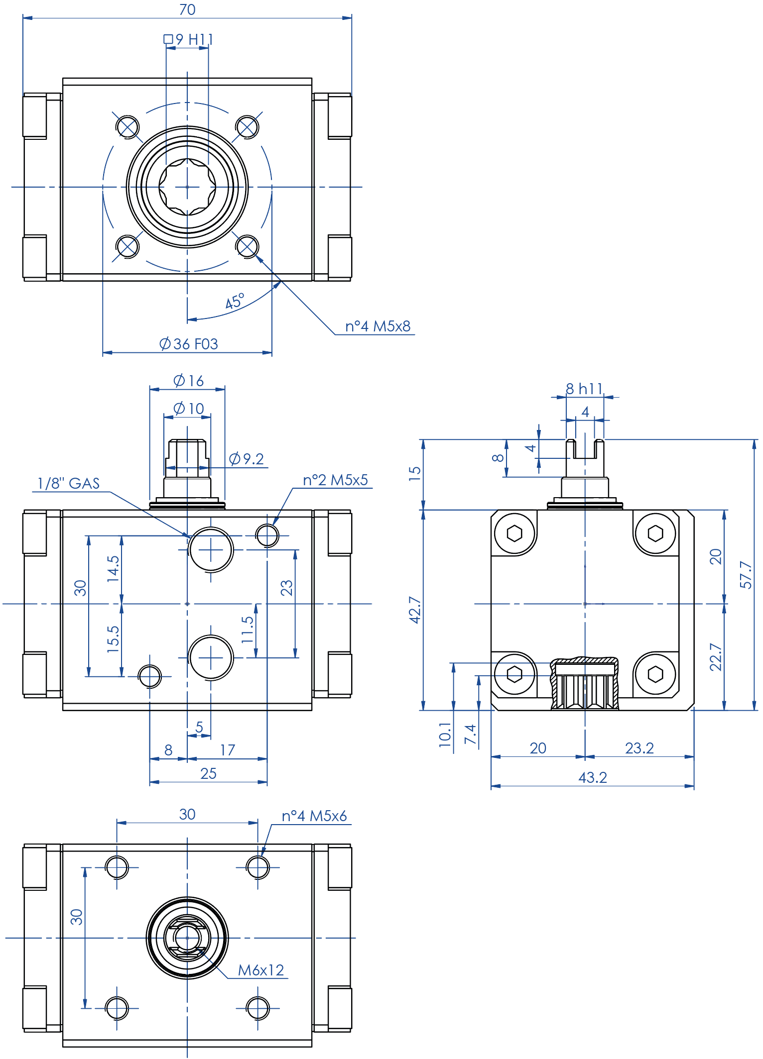
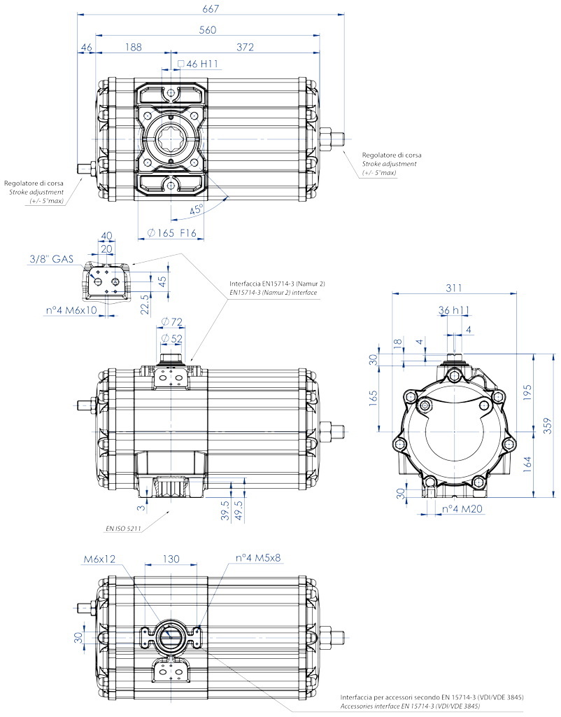
Bağlantı flanşı: EN ISO 5211
F03 - F04 - F05 - F07 - F10 - F12 - F14 - F16 - F25
EN 15714-3 standardına uygun
Dönme açısı: 92° (-1°, +91°)
Dönme momenti: Besleme basıncı ile doğrudan orantılı; tabloya bakınız
Her aktüatörde DA/DAN kısaltmasını takip eden simge 5.6 bar basınçta Nm cinsinden başlangıç torkunun değerine karşılık gelir
2014/34 / EU direktifine uygun ATEX versiyonu. ATEX versiyonu için
kodun sonuna YX ekleyin
ÇALIŞMA KOŞULLARI
Sıcaklık: -20°C ile +80°C arası (Özel versiyonlar: Yüksek sıcaklık: -20° C ila +150° C; düşük sıcaklık: -50°C +60°C)
Nominal basınç: 5,6 bar; Maksimum çalışma 8.4 bar (DA8000 7 bar)
Besleme sıvısı: kuru olarak filtrelenmiş basınçlı yağlı ya da yağlı olmayan hava
Yağlama durumunda, deterjan içermeyen veya NBR uyumlu yağ kullanınız
| TEKNİK BİLGİ FORMU DA08 (Nm) | |
| Kod | DA008401S |
| Ağırlık [Kg] | 0,29 |
| Hava hacmi [dm3/cycle] | 0,034 |
| Yedek keçeler | KGDI0010 |
TEKNİK BİLGİ FORMU DAN15 (Nm) ile DAN60 (Nm) arası | ||||||||
| Kod | DAN0015411S | DAN0015412S | DAN0030411S | DAN0030412S | DAN0045411S | DAN0045412S | DAN0060411S | DAN0060412S |
| Yedek keçeler | KGGI0012 | KGGI0014 | KGGI0015 | KGGI0016 | ||||
| Ölçü | DAN15 | DAN30 | DAN45 | DAN60 | ||||
| ISO | F03 | F04 | F03/F05 | F04 | F04 | F03/F05 | F04 | F05/F07 |
| A | 159,1 | 159,1 | 174,3 | 174,3 | 188,5 | 188,5 | 198,1 | 198,1 |
| B | 11 | 11 | 11 | 11 | 11 | 11 | 14 | 14 |
| C x derinlik | M5x8 | M5x8 | M5x8 | M5x8 | M5x8 | M5x8 | M5x8 | M6x9 |
| D x derinlik | - | - | M6x9 | - | - | M6x9 | - | M8x12 |
| E | 36 | 42 | 36 | 42 | 42 | 36 | 42 | 50 |
| F | - | - | 50 | - | - | 50 | - | 70 |
| G | 10 | 10 | 10 | 10 | 13 | 13 | 13 | 13 |
| H | 26,8 | 26,8 | 30,3 | 30,3 | 32,5 | 32,5 | 35,7 | 35,7 |
| I | 8 | 8 | 9 | 9 | 10 | 10 | 10 | 10 |
| L | 72,2 | 72,2 | 79,2 | 79,2 | 84,5 | 84,5 | 90,4 | 90,4 |
| M | 28 | 28 | 31,5 | 31,5 | 34,5 | 34,5 | 37,7 | 37,7 |
| N | 44,2 | 44,2 | 47,7 | 47,7 | 50 | 50 | 52,7 | 52,7 |
| O | 13,2 | 13,2 | 13,2 | 13,2 | 13,2 | 13,2 | 16,5 | 16,5 |
| P | 24,2 | 24,2 | 27,7 | 27,7 | 30 | 30 | 32,7 | 32,7 |
| Q | 28 | 28 | 31,5 | 31,5 | 34,5 | 34,5 | 37,7 | 37,7 |
| R | 9,2 | 9,2 | 10,9 | 10,9 | 12,7 | 12,7 | 14,5 | 14,5 |
| S | 20 | 20 | 20 | 20 | 20 | 20 | 20 | 20 |
| T | 52,2 | 52,2 | 59,2 | 59,2 | 64,5 | 64,5 | 70,4 | 70,4 |
| W (Gaz) | 1/8” | 1/8” | 1/8” | 1/8” | 1/8” | 1/8” | 1/8” | 1/8” |
| Ch | 13 | 13 | 13 | 13 | 13 | 13 | 13 | 13 |
| Ağırlık (Kg) | 0,75 | 0,75 | 1 | 1 | 1,2 | 1,2 | 1,6 | 1,6 |
| Hava(dm3/devir) | 0,08 | 0,08 | 0,15 | 0,15 | 0,22 | 0,22 | 0,3 | 0,3 |
| H = TABAN PLAKASI SABİTLEMELERİ MERKEZİ | ||||||||
TEKNİK BİLGİ FORMU DAN106 (Nm) ile DAN720 (Nm) arası | ||||||||
| Kod | DAN0106411S | DAN0120411S | DAN0180411S | DAN0240411S | DAN0360411S | DAN0480411S | DAN0720411S | |
| Yedek keçeler | KGGI0060 | KGGI0018 | KGGI0019 | KGGI0020 | KGGI0021 | KGGI0022 | KGGI0023 | |
| Ölçü | DAN106 | DAN120 | DAN180 | DAN240 | DAN360 | DAN480 | DAN720 | |
| ISO | F05/F07 | F05/F07 | F07/F10 | F07/F10 | F07/F10 | F10/F12 | F10/F12 | |
| A | 237,1 | 257,4 | 289,9 | 313,6 | 339,3 | 387,7 | 433 | |
| B | 17 | 17 | 22 | 22 | 22 | 27 | 27 | |
| C x derinlik | M6x9 | M6x9 | M8x12 | M8x12 | M8x12 | M10x15 | M10x15 | |
| D x derinlik | M8x12 | M8x12 | M10x15 | M10x15 | M10x15 | M12x18 | M12x18 | |
| E | 50 | 50 | 70 | 70 | 70 | 102 | 102 | |
| F | 70 | 70 | 102 | 102 | 102 | 125 | 125 | |
| G | 13 | 13 | 16 | 17 | 19 | 19 | 19,5 | |
| H | 42,8 | 44,8 | 54,5 | 58,1 | 60 | 57,4 | 61,5 | |
| I | 12 | 12 | 15 | 15 | 19 | 19 | 22 | |
| L | 103,3 | 107 | 137,5 | 141,1 | 148 | 164,9 | 178 | |
| M | 44,8 | 46,8 | 56,5 | 60,1 | 62 | 72,9 | 78,5 | |
| N | 58,5 | 60,2 | 81 | 81 | 86 | 92 | 99,5 | |
| O | 19,3 | 19,3 | 24,8 | 24,8 | 24,3 | 29,5 | 29,5 | |
| P | 38,5 | 40,2 | 51 | 51 | 56 | 62 | 69,5 | |
| Q | 44,8 | 46,8 | 56,5 | 60,1 | 62 | 72,9 | 78,5 | |
| R | 16,2 | 18 | 20,2 | 22,5 | 25,5 | 29 | 31,8 | |
| S | 20 | 20 | 30 | 30 | 30 | 30 | 30 | |
| T | 83,3 | 87 | 107,5 | 111,1 | 118 | 134,9 | 148 | |
| W (Gaz) | 1/8" | 1/8" | 1/8" | 1/8" | 1/8" | 1/4" | 1/4" | |
| Ch | 17 | 17 | 22 | 22 | 22 | 27 | 27 | |
| Ağırlık (Kg) | 2,5 | 2,6 | 4,6 | 5,4 | 6,5 | 9,6 | 12 | |
| Hava (dm3/devir) | 0,55 | 0,59 | 0,95 | 1,3 | 1,8 | 2,6 | 3,5 | |
| H = TABAN PLAKASI SABİTLEMELERİ MERKEZİ | ||||||||
TEKNİK BİLGİ FORMU DAN960 (Nm) ile DAN1920 (Nm) arası | |||||||
| Kod | DAN0960411S | DAN0960412S | DAN1440412S | DAN1440411S | DAN1920412S | DAN1920411S | |
| Yedek keçeler | KGGI0024 | KGGI0025 | KGGI0026 | ||||
| Ölçü | DAN960 | DAN1440 | DAN1920 | ||||
| ISO | F10/F12 | F14 | F12 | F14 | F12/F16 | F14 | |
| A | 479,4 | 479,4 | 567 | 567 | 601 | 601 | |
| B | 36 | 36 | 36 | 36 | 46 | 46 | |
| C x derinlik | M10x15 | M16x24 | M12x18 | M16x24 | M12x18 | M16x24 | |
| D x derinlik | M12x18 | - | - | - | M20x30 | - | |
| E | 102 | 140 | 125 | 140 | 125 | 140 | |
| F | 125 | - | - | - | 165 | - | |
| G | 19,5 | 19,5 | 19,5 | 19,5 | 18,5 | 18,5 | |
| H | 78 | 78 | 86,5 | 86,5 | 99,2 | 99,2 | |
| I | 24 | 24 | 27 | 27 | 32 | 32 | |
| L | 198 | 198 | 216 | 216 | 237,7 | 237,7 | |
| M | 93,5 | 93,5 | 101,5 | 101,5 | 114,7 | 114,7 | |
| N | 104,5 | 104,5 | 114,5 | 114,5 | 123 | 123 | |
| O | 38,5 | 38,5 | 38,5 | 38,5 | 48,5 | 48,5 | |
| P | 74,5 | 74,5 | 84,5 | 84,5 | 93 | 93 | |
| Q | 93,5 | 93,5 | 101,5 | 101,5 | 114,7 | 114,7 | |
| R | 36,5 | 36,5 | 41 | 41 | 46 | 46 | |
| S | 30 | 30 | 30 | 30 | 30 | 30 | |
| T | 168 | 168 | 186 | 186 | 207,7 | 207,7 | |
| W (Gaz) | 1/4" | 1/4" | 1/4" | 1/4" | 1/4" | 1/4" | |
| Ch | 27 | 27 | 36 | 36 | 36 | 36 | |
| Ağırlık (Kg) | 17,4 | 17,4 | 23,4 | 23,4 | 32 | 32 | |
| Hava (dm3/cycle) | 4,9 | 4,9 | 7,6 | 7,6 | 10,2 | 10,2 | |
| H = TABAN PLAKASI SABİTLEMELERİ MERKEZİ | |||||||
| TEKNİK BİLGİ FORMU DA 2880 (Nm) | |
| Kod | DA2880E16D0A |
| Ağırlık [Kg] | 55,4 |
| Hava hacmi [dm3/cycle] | 20 |
| Yedek contaları | KGDI1035 |
| TEKNİK BİLGİ FORMU DA 3840 (Nm) | |
| Kod | DA3840E1600A |
| Ağırlık [Kg] | 49 |
| Hava hacmi [dm3/cycle] | 25,6 |
| Yedek contalar | KGDI0030 |
| TEKNİK BİLGİ FORMU DA 5760 (Nm) | |
| Kod | DA5760E25D0A |
| Ağırlık [Kg] | 85,5 |
| Hava hacmi [dm3/cycle] | 38,0 |
| Yedek contalar | KGDI2035 |
| TEKNİK BİLGİ FORMU DA 8000 (Nm) | |
| Kod | DA8000E25D0A |
| Ağırlık [Kg] | 105,5 |
| Hava hacmi [dm3/cycle] | 50 |
| Yedek contalar | KGDI1040 |
ÇİFT ETKİLİ PNÖMATİK AKTÜATÖR BİLEŞENLERİ ÖLÇÜ: DA8 | |||
| Poz. | Adı: | Q.ty | Malzeme |
| 1 | Silindir | 1 | Alüminyum alaşımı |
| 2 | Piston | 2 | Alüminyum alaşımı |
| 3 | Tapo DA | 2 | Alüminyum alaşımı |
| 4 | Mil | 1 | Çelik alaşımı |
| 5 | Pim | 2 | Çelik alaşımı |
| 6 | Çelik burç | 2 | Çelik alaşımı |
| 7* | Destek bandı | 2 | Asetal reçine |
| 8* | Sızdırmazlık contası | 2 | Nitril kauçuk NBR |
| 9 | Seeger | 1 | Paslanmaz Çelik |
| 10 | Şim pulu | 1 | Paslanmaz Çelik |
| 11* | Dış destek halkası | 1 | Asetal reçine |
| 12* | Piston o-ringi | 2 | Nitril kauçuk NBR |
| 13 | Merkezleme halkası (OPTIONAL) | 1 | Alüminyum alaşımı |
| 14* | Alt mil o-ringi | 1 | FKM |
| 15* | İç destek halkası | 1 | Asetal reçine |
| 16* | Üst mil o-ringi | 1 | FKM |
| 17 | Vidalar | 8 | Paslanmaz Çelik |
| * Yedek parça kitinin detayları. | |||
| ÇİFT ETKİ ÖLÇÜ PNÖMATİK AKTÜATÖR BİLEŞENLERİ: DAN15-DAN1920 | |||
| Poz. | Adı | Q.ty | Malzeme |
| 1 | Silindir | 1 | Alüminyum alaşımı |
| 2 | Piston | 2 | Alüminyum alaşımı |
| 3 | Tapa | 2 | Alüminyum alaşımı |
| 4 | Mil | 1 | Paslanmaz çelik |
| 5 | Çatal | 1 | Çelik alaşımı |
| 6 | Kaydırma burcu | 1 | Asetal reçine |
| 7 | Mil desteği | 1 | Asetal reçine |
| 8 | Ara burcu | 2 | Çelik alaşımı |
| 9 | Pim | 2 | Çelik alaşımı |
| 10* | Sızdırmaz halkası | 2 | Poliüretan |
| 11* | Destek diski | 4 | P.T.F.E. carbo-graphite filled |
| 12* | Piston o-ringi | 2 | Nitril kauçuk |
| 13 | Üst mil o-ringi | 1 | FKM |
| 14 | Dış destek halkası | 1 | Asetal reçine |
| 15 | Şim pulu | 1 | Paslanmaz çelik |
| 16 | Seeger | 1 | Paslanmaz çelik |
| 17 | Alt mil o-ringi | 1 | FKM |
| 18 | Somun | 2 | Alüminyum alaşımı |
| 19* | Tapa o-ringi | 2 | Nitril kauçuk |
| 20 | Vidalar | 8 | Paslanmaz çelik |
| 21* | O-ring | 2 | Nitril kauçuk |
| 22 | Dış elastik soket | 1 | Çelik alaşımı |
| 23 | İç elastik soket | 1 | Çelik alaşımı |
| 24 | Merkezleme halkası (OPTIONAL) | 1 | Alüminyum alaşımı |
| 25 | Kurs boyu ayarlama vidası | 2 | Paslanmaz çelik |
| * Yedek parça kitinin detayları. | |||
| ÇİFT ETKİ ÖLÇÜ PNÖMATİK AKTÜATÖR BİLEŞENLERİ: DA2880 | |||
| Poz. | Adı: | Q.ty | Malzeme |
| 1 | Çelik burç | 1 | Çelik |
| 2 | Çelik soket | 1 | Çelik |
| 3 | Gövde | 1 | Alüminyum |
| 4 | Somun | 1 | Çelik |
| 5* | O-ring | 2 | Nitrilic rubber |
| 6 | Mil | 1 | Çelik |
| 7 | Anti-ekstrüzyon vidası | 1 | Çelik |
| 8* | Alt destek | 1 | P.T.F.E. carbo-graphite filled |
| 9* | O-ring | 1 | FKM |
| 10* | O-ring | 1 | FKM |
| 11 | Alt destek ara burcu | 1 | Alüminyum |
| 12 | Burç vidası | 2 | Çelik |
| 13 | Kaydırma burcu | 1 | Asetal reçine |
| 14 | Ara parça | 1 | Alüminyum |
| 15 | Tapa | 1 | Alüminyum |
| 16 | Montaj vidası | 7 | Çelik |
| 17 | Başlık somunu | 7 | Çelik |
| 18 | Pim (kapak) | 1 | Çelik |
| 19 | Somun | 1 | Çelik |
| 20 | Ayar pimi | 1 | Çelik |
| 21* | O-ring | 1 | Nitrilic rubber |
| 22 | Scotch boyunduruk çatalı | 1 | Çelik |
| 23 | Kaydr./dest. burcu | 1 | Asetal reçine |
| 24* | O-ring | 2 | Nitrilic rubber |
| 25* | Üst destek | 1 | P.T.F.E. carbo-graphite filled |
| 26* | O-ring | 1 | FKM |
| 27* | Dış destek halkası | 1 | Asetal reçine |
| 28 | Şim pulu | 1 | Çelik |
| 29 | Seeger | 1 | Çelik |
| 30 | Anti-ekstrüzyon soketi | 1 | Çelik |
| 31* | Diskler (geri piston) | 2 | Asetal reçine |
| 32 | Piston | 1 | Alüminyum |
| 33* | O-ring | 1 | Nitrilic rubber |
| 34* | Kılavuz halka | 1 | P.T.F.E. Karbon grafit dolgulu |
| 35 | Yan silindir | 1 | Alüminyum |
| 36* | O-ring | 2 | Nitrilic rubber |
| 37 | Tapa | 1 | Alüminyum |
| 38 | Montaj vidası | 7 | Çelik |
| 39 | Başlık somunu | 7 | Çelik |
| 40* | O-ring | 1 | Nitrilic rubber |
| 41 | Ayar vidası | 1 | Çelik |
| * Yedek parça kitinin detayları. | |||
| ÇİFT ETKİ ÖLÇÜ PNÖMATİK AKTÜATÖR BİLEŞENLERİ: DA3840 | |||
| Poz- | Adi | Q.ty | Malzeme |
| 1 | Silindir | 1 | Alüminyum alaşımı |
| 2 | Piston | 2 | Alüminyum alaşımı |
| 3 | Tapa | 2 | Alüminyum alaşımı |
| 4 | Mil | 1 | Paslanmaz Çelik |
| 5 | Scotch boyunduruk çatalı | 1 | Çelik alaşımı |
| 6 | Kaydırma burcu | 1 | Asetal reçine |
| 7 | Kaydırma / destek burcu | 1 | Asetal reçine |
| 8* | Alt destek kelepçesi | 1 | P.T.F.E. carbo-graphite filled |
| 9* | Üst destek kelepçesi | 1 | P.T.F.E. carbo-graphite filled |
| 10 | Çelik burç | 2 | Çelik alaşımı |
| 11 | Çelik soket | 2 | Çelik alaşımı |
| 12* | Kılavuz halka | 2 | P.T.F.E. Karbon grafit dolgulu |
| 13* | Destek diski | 4 | Asetal reçine |
| 14* | Piston o-ringi | 2 | Nitrilic rubber |
| 15* | Destek mil o-ringi | 1 | FKM |
| 16* | Dış destek halkası | 1 | Asetal reçine |
| 17 | Şim pulu | 1 | Paslanmaz Çelik |
| 18 | Seeger | 1 | Paslanmaz Çelik |
| 19* | Klima o-ringi | 2 | Nitrilic rubber |
| 20* | Alt mil o-ringi | 1 | FKM |
| 21* | Tapa o-ringi | 2 | Nitrilic rubber |
| 22* | Gövde-silindir o-ringi | 2 | Nitrilic rubber |
| 23 | Başlık somunu | 12 | Paslanmaz Çelik |
| 24 | Ayar pimi | 2 | Paslanmaz Çelik |
| 25* | Pim o-ringi | 2 | Nitrilic rubber |
| 26 | Somun | 2 | Paslanmaz Çelik |
| 27 | Yay | 4 | Çelik alaşımı |
| 28* | Ayar o-ringi | 2 | Nitrilic rubber |
| 29 | Somun | 2 | Paslanmaz Çelik |
| 30 | Başlık somunu | 2 | Paslanmaz Çelik |
| 31 | Yay muhafazası | 2 | Alüminyum alaşımı |
| 32 | Yay takılı vida | 2 | Paslanmaz Çelik |
| 33 | Yan silindir | 2 | Alüminyum alaşımı |
| 34 | Anti-ekstrüzyon vidası | 1 | Paslanmaz Çelik |
| 35** | Merkezleme halkası (OPTIONAL) | 1 | Alüminyum alaşımı |
| 36 | Montaj vidası | 12 | Çelik |
| 37 | Anti-ekstrüzyon soketi | 2 | Çelik alaşımı |
| * Yedek parça kitinin detayları. | |||
| ** İsteğe bağlı | |||
| ÇİFT ETKİ ÖLÇÜ PNÖMATİK AKTÜATÖR BİLEŞENLERİ: DA5760 | |||
| Poz. | Adı: | Q.ty | Malzeme |
| 1 | Çelik burç | 2 | Çelik |
| 2 | Çelik soket | 2 | Çelik |
| 3 | Ayar vidası | 1 | Çelik |
| 4 | Sol tespit parçası | 1 | Çelik |
| 5* | O-ring | 2 | Nitrilic rubber |
| 6 | Koruyucu tapa | 1 | Alüminyum |
| 7 | Dönüş önleyici rondela | 1 | Çelik |
| 8 | Geçiş halkası | 1 | Paslanmaz çelik |
| 9* | O-ring | 1 | Nitrilic rubber |
| 10 | Ayar kapağı | 1 | Alüminyum |
| 11 | Kapak vidası | 4 | Çelik |
| 12 | Kör halka | 1 | Paslanmaz çelik |
| 13 | Sağ tampon | 1 | Çelik |
| 14 | Anti-ekstrüzyon vidası | 1 | Çelik |
| 15 | Mil | 1 | Çelik |
| 16 | Alt destek | 1 | P.T.F.E. carbo-graphite filled |
| 17 | Arayüz F25 | 1 | Alüminyum |
| 18 | Arayüz vidası | 2 | Çelik |
| 19* | O-ring | 1 | FKM |
| 20 | Kaydırma burcu | 1 | Asetal reçine |
| 21* | Diskler (geri piston) | 4 | Asetal reçine |
| 22 | Anti-ekstrüzyon soketi | 2 | Çelik |
| 23 | Yan silindir | 2 | Alüminyum |
| 24* | Tapa o-ringi | 2 | Nitrilic rubber |
| 25 | Tapa | 2 | Alüminyum |
| 26 | Montaj vidası | 14 | Çelik |
| 27 | Başlık somunu | 14 | Çelik |
| 28 | Somun | 2 | Çelik |
| 29 | Ayar pimi | 2 | Çelik |
| 30* | O-ring | 2 | Nitrilic rubber |
| 31* | Kılavuz halka | 2 | P.T.F.E. Karbon grafit dolgulu |
| 32* | Piston o-ringi | 2 | Nitrilic rubber |
| 33 | Piston | 2 | Alüminyum |
| 34 | Scotch boyunduruk çatalı | 1 | Çelik |
| 35 | Kaydr./dest. burcu | 1 | Resina acetalica |
| 36* | O-ring | 2 | Nitrilic rubber |
| 37* | O-ring | 2 | Nitrilic rubber |
| 38 | Gövde Body | 1 | Alüminyum |
| 39* | Üst destek (mil üst) | 1 | P.T.F.E. carbo-graphite filled |
| 40* | O-ring | 1 | FKM |
| 41* | Dış destek halkası | 1 | Asetal reçine |
| 42 | Şim pulu | 1 | Çelik |
| 43 | Seeger | 1 | Çelik |
| 44* | Kapak contası | 1 | Nitrilic rubber |
| 45 | Destek rondelası | 1 | Çelik |
| 46 | Seeger | 2 | Çelik |
| * Yedek parça kitinin detayları. | |||
| ÇİFT ETKİ ÖLÇÜ PNÖMATİK AKTÜATÖR BİLEŞENLERİ: DA8000 | |||
| Poz. | Adı: | Q.ty | Malzeme |
| 1 | Çelik burç | 2 | Çelik |
| 2 | Çelik soket | 2 | Çelik |
| 3 | Ayar vidası | 1 | Çelik |
| 4 | Sol tespit parçası | 1 | Çelik |
| 5* | O-ring | 2 | Nitrilic rubber |
| 6 | Koruyucu tapa | 1 | Alüminyum |
| 7 | Dönüş önleyici rondela | 1 | Çelik |
| 8 | Geçiş halkası | 1 | Paslanmaz çelik |
| 9* | O-ring | 1 | Nitrilic rubber |
| 10 | Ayar kapağı | 1 | Alüminyum |
| 11 | Kapak vidası | 4 | Çelik |
| 12 | Kör halka | 1 | Paslanmaz çelik |
| 13 | Sağ tampon | 1 | Çelik |
| 14 | Anti-ekstrüzyon vidası | 1 | Çelik |
| 15 | Mil | 1 | Çelik |
| 16 | Alt destek | 1 | P.T.F.E. carbo-graphite filled |
| 17 | Arayüz F25 | 1 | Alüminyum |
| 18 | Arayüz vidası | 2 | Çelik |
| 19* | O-ring | 1 | FKM |
| 20 | Kaydırma burcu | 1 | Asetal reçine |
| 21* | Diskler | 4 | Asetal reçine |
| 22 | Anti-ekstrüzyon soketi | 2 | Çelik |
| 23 | Yan silindir | 2 | Alüminyum |
| 24* | Tapa o-ringi | 2 | Nitrilic rubber |
| 25 | Tapa | 2 | Alüminyum |
| 26 | Montaj vidası | 14 | Çelik |
| 27 | Başlık somunu | 28 | Çelik |
| 28 | Somun | 2 | Çelik |
| 29 | Ayar pimi | 2 | Çelik |
| 30* | O-ring | 2 | Nitrilic rubber |
| 31* | Kılavuz halka | 2 | P.T.F.E. Karbon grafit dolgulu |
| 32* | Piston o-ringi | 2 | Nitrilic rubber |
| 33 | Piston | 2 | Alüminyum |
| 34 | Çatal | 1 | Çelik |
| 35 | Kaydr./dest. burcu | 1 | Asetal reçine |
| 36* | O-ring | 2 | Nitrilic rubber |
| 37* | O-ring | 18 | Nitrilic rubber |
| 38 | Gövde | 1 | Alüminyum Aluminium |
| 39* | Üst destek | 1 | P.T.F.E. carbo-graphite filled |
| 40* | O-ring | 1 | FKM |
| 41* | Dış destek halkası | 1 | Asetal reçine |
| 42 | Şim pulu | 1 | Çelik |
| 43 | Seeger | 1 | Çelik |
| 44* | Kapak contası | 1 | Nitrilic rubber |
| 45 | Destek rondelası | 1 | Çelik |
| 46 | Seeger | 2 | Çelik |
| 47 | Silindir rid. flanşı | 2 | Alüminyum |
| 48 | Flanş vidaları | 14 | Çelik |
| 49 | Pim | 2 | Çelik |
| 50 | Piston rid. flanşı | 2 | Alüminyum |
| 51* | O-ring | 2 | Nitrilic rubber |
| * Yedek parça kitinin detayları. | |||
DÖNME MOMENTLERİ TABLOSU (Nm) α°= DÖNME AÇISI | ||||||||
ÖLÇÜ | α° | 3 bar | 4 bar | 5 bar | 5,6 bar | 6 bar | 7 bar | 8 bar |
| DA 08 | 0° | 3,8 | 5 | 6,3 | 7 | 7,5 | 8,8 | 10 |
| 45° | 1,9 | 2,5 | 3,1 | 3,5 | 3,8 | 4,4 | 5 | |
| 90° | 3,8 | 5 | 6,3 | 7 | 7,5 | 8,8 | 10 | |
| DAN 15 | 0° | 8,0 | 10,7 | 13,4 | 15,0 | 16,1 | 18,8 | 21,4 |
| 50° | 4,0 | 5,4 | 6,7 | 7,5 | 8,0 | 9,4 | 10,7 | |
| 90° | 6,1 | 8,1 | 10,1 | 11,3 | 12,1 | 14,1 | 16,1 | |
| DAN 30 | 0° | 16,1 | 21,4 | 26,8 | 30,0 | 32,1 | 37,5 | 42,9 |
| 50° | 8,0 | 10,7 | 13,4 | 15,0 | 16,1 | 18,8 | 21,4 | |
| 90° | 12,1 | 16,1 | 20,1 | 22,5 | 24,1 | 28,1 | 32,1 | |
| DAN 45 | 0° | 24,1 | 32,1 | 40,2 | 45,0 | 48,2 | 56,3 | 64,3 |
| 50° | 12,1 | 16,1 | 20,1 | 22,5 | 24,1 | 28,1 | 32,1 | |
| 90° | 18,1 | 24,1 | 30,1 | 33,8 | 36,2 | 42,2 | 48,2 | |
| DAN 60 | 0° | 32,1 | 42,9 | 53,6 | 60,0 | 64,3 | 75,0 | 85,7 |
| 50° | 16,1 | 21,4 | 26,8 | 30,0 | 32,1 | 37,5 | 42,9 | |
| 90° | 24,1 | 32,1 | 40,2 | 45,0 | 48,2 | 56,3 | 64,3 | |
| DAN 106 | 0° | 56,8 | 75,7 | 94,6 | 106,0 | 113,6 | 132,5 | 151,4 |
| 50° | 28,4 | 37,9 | 47,3 | 53,0 | 56,8 | 66,3 | 75,7 | |
| 90° | 42,9 | 57,1 | 71,4 | 80,0 | 85,7 | 100,0 | 114,3 | |
| DAN 120 | 0° | 64,3 | 85,7 | 107,1 | 120,0 | 128,6 | 150,0 | 171,4 |
| 50° | 32,1 | 42,9 | 53,6 | 60,0 | 64,3 | 75,0 | 85,7 | |
| 90° | 48,2 | 64,3 | 80,4 | 90,0 | 96,4 | 112,5 | 128,6 | |
| DAN 180 | 0° | 96,4 | 128,4 | 160,7 | 180,0 | 192,9 | 225,0 | 257,1 |
| 50° | 48,2 | 64,3 | 80,4 | 90,0 | 96,4 | 112,5 | 128,6 | |
| 90° | 72,3 | 96,4 | 120,5 | 135,0 | 144,6 | 168,8 | 192,9 | |
| DAN 240 | 0° | 128,6 | 171,4 | 214,3 | 240,0 | 257,1 | 300,0 | 342,9 |
| 50° | 64,3 | 85,7 | 107,1 | 120,0 | 128,6 | 150,0 | 171,4 | |
| 90° | 96,4 | 128,6 | 160,7 | 180,0 | 192,9 | 225,0 | 257,1 | |
| DAN 360 | 0° | 192,9 | 257,1 | 321,4 | 360,0 | 385,7 | 450,0 | 514,3 |
| 50° | 96,4 | 128,6 | 160,7 | 180,0 | 192,9 | 225,0 | 257,1 | |
| 90° | 144,6 | 192,9 | 241,1 | 270,0 | 289,3 | 337,5 | 385,7 | |
| DAN 480 | 0° | 257,1 | 342,9 | 428,6 | 480,0 | 514,3 | 600,0 | 685,7 |
| 50° | 128,6 | 171,4 | 214,3 | 240,0 | 257,1 | 300,0 | 342,9 | |
| 90° | 192,9 | 257,1 | 321,4 | 360,0 | 385,7 | 450,0 | 514,3 | |
| DAN 720 | 0° | 385,7 | 514,3 | 642,9 | 720,0 | 771,4 | 900,0 | 1028,6 |
| 50° | 192,9 | 257,1 | 321,4 | 360,0 | 385,7 | 450,0 | 514,3 | |
| 90° | 289,3 | 385,7 | 482,1 | 540,0 | 578,6 | 675,0 | 771,4 | |
| DAN 960 | 0° | 514,3 | 685,7 | 857,1 | 960,0 | 1028,6 | 1200,0 | 1371,4 |
| 50° | 257,1 | 342,9 | 428,6 | 480,0 | 514,3 | 600,0 | 685,7 | |
| 90° | 385,7 | 514,3 | 642,9 | 720,0 | 771,4 | 900,0 | 1028,6 | |
| DAN 1440 | 0° | 771,4 | 1028,6 | 1285,7 | 1440,0 | 1542,9 | 1800,0 | 2057,1 |
| 50° | 385,7 | 514,3 | 642,9 | 720,0 | 771,4 | 900,0 | 1028,6 | |
| 90° | 578,6 | 771,4 | 964,3 | 1080,0 | 1157,1 | 1350,0 | 1542,9 | |
| DAN 1920 | 0° | 1028,6 | 1371,4 | 1714,3 | 1920,0 | 2057,1 | 2400,0 | 2742,9 |
| 50° | 514,3 | 685,7 | 857,1 | 960,0 | 1028,6 | 1200,0 | 1371,4 | |
| 90° | 771,4 | 1028,6 | 1285,7 | 1440,0 | 1542,9 | 1800,0 | 2057,1 | |
| DA 2880 | 0° | 1542,9 | 2057,1 | 2571,4 | 2880,0 | 3085,7 | 3600,0 | 4114,3 |
| 50° | 771,4 | 1028,6 | 1285,7 | 1440,0 | 1542,9 | 1800,0 | 2057,1 | |
| 90° | 1157,1 | 1542,9 | 1928,6 | 2160,0 | 2314,3 | 2700,0 | 3085,7 | |
| DA 3840 | 0° | 2057,1 | 2742,9 | 3428,6 | 3840,0 | 4114,3 | 4800,0 | 5485,7 |
| 50° | 1028,6 | 1371,4 | 1714,3 | 1920,0 | 2057,1 | 2400,0 | 2742,9 | |
| 90° | 1542,9 | 2057,1 | 2571,4 | 2880,0 | 3085,7 | 3600,0 | 4114,3 | |
| DA 5760 | 0° | 3085,7 | 4114,3 | 5142,9 | 5760,0 | 6171,4 | 7200,0 | 8228,6 |
| 50° | 1542,9 | 2057,1 | 2571,4 | 2880,0 | 3085,7 | 3600,0 | 4114,3 | |
| 90° | 2314,3 | 3085,7 | 3857,1 | 4320,0 | 4628,6 | 5400,0 | 6171,4 | |
| DA 8000 | 0° | 4285,7 | 5714,3 | 7142,9 | 8000,0 | 8571,4 | 10000,0 | --- |
| 50° | 2142,9 | 2857,1 | 3571,4 | 4000,0 | 4285,7 | 5000,0 | --- | |
| 90° | 3214,3 | 4285,7 | 5357,1 | 6000,0 | 6428,6 | 7500,0 | --- | |