images/testate/G9c8XY_Template-Header-Sito-OMALAngleseatARESOK.jpg

ARES法兰接口气动阀门

  • 特性
  • 特性
  • 规格
  • 附件
  • 文档

一般特征:
阀体材料:A351-CF3M(316L S.S.)。
阀门连接:参见编码方案。
组装在任何位置:水平,垂直,倾斜。
双效果版本的范围从DN 15到DN 50;简单效果:常闭,常闭水锤和常开。
性能和压力方案与标准版本相同,但仅限于PN16
根据要求:真空和氧气使用的版本
订购时需要ATEX 2014/34 / 欧盟配置

指令流体:
先导流体:润滑或干燥的压缩空气,气体和中性流体;
环境温度:-10°C至+ 60°C

截取的流体:
空气,水,酒精,油,燃料,盐溶液,蒸汽等...(但与CF3M(316L S.S.)和PTFE兼容)
根据所选的尺寸和版本,工作压力为0至16 bar(180°C的蒸汽为0至10 bar),请参见以下页面。
温度从-10°C到+ 180°C。
最大粘度600 cst(mm2/s)。

法兰接口标准:UNI EN1092-1

ANSI 150RF面到面B16.10 A1型法兰接口阀门
DN [mm]
H
L
øN
øP
øQ
øR
F
15
11,39,735,1
89,0
60,5
16,0
108,0
20
12,811,2
42,9
99,0
69,816,0
117,0
25
15,0
13,4
50,8
108,0
79,2
16,0
127,0
32
15,814,2
63,5
117,0
88,9
16,0
140,0
40
18,0
16,4
73,0
127,0
98,616,0
165,0
50
19,1
17,5
91,9
152,0
120,619,0
178,0
  
小径法兰接口阀门
DN [mm]
H
øP
øQ
øR
F
15
7,0
70,0
50,0
7,0
104,5
20
8,0
75,0
55,0
9,0
119,5
25
9,0
80,0
60,0
9,0
134,5
32
9,0
90,0
70,0
9,0
149,5
40
10,0
100,0
80,0
9,0
164,5
50
10,0
110,0
90,0
11,0
179,5

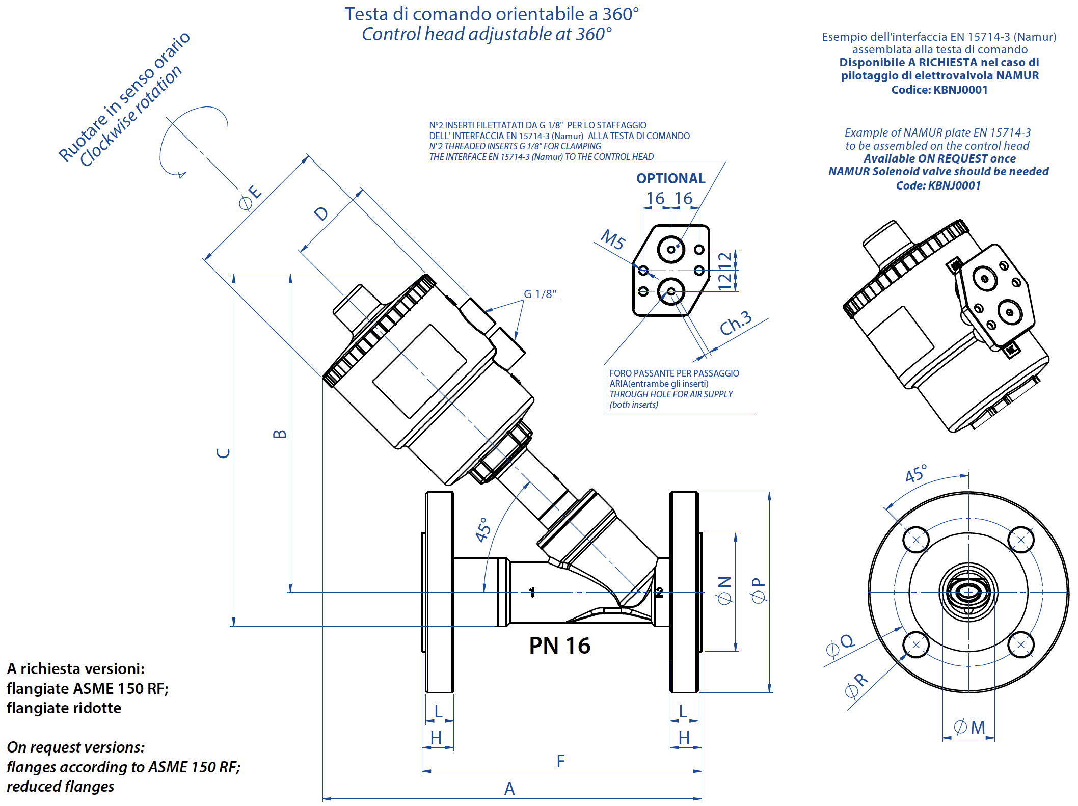
 选装型号:
ASME 150 RF法兰接口;
小径法兰接口

尺寸规格
DN [mm]控制端
ABCDøEFHLøMøNøPøQøR
15ø 50182,5156203,54470130161418,145956514
20ø 50192,3160212,54470150181623,7581057514
20ø 63210,3178230,550,584,4150181623,7581057514
25ø 50197,36164221,54470160181629,7681158514
25ø 63216,36182239,550,584,4160181629,7681158514
25ø 90256,36222279,566,2116,4160181629,7681158514
32ø 50202,51682384470180181638,47814010018
32ø 63220,518625650,584,4180181638,47814010018
32ø 90260,522629666,2116,4180181638,47814010018
32ø 110296,526133177,4140,6180181638,47814010018
40ø 63228,619026550,584,4200181544,38815011018
40ø 90268,623030566,2116,4200181544,38815011018
40ø 110304,226634177,4140,6200181544,38815011018
50ø 63241,87200282,550,584,4230181555,710216512518
50ø 90281,87240322,566,2116,4230181555,710216512518
50ø 110317,87276358,577,4140,6230181555,710216512518
推荐配置以黑体标注。其他组合需选装。

使用方法

限位开关盖

特殊的透明塑料盖上有两个凹槽,用于快速固定和调整磁性接触式限位开关。限位开关配有内置LED,在限位开关通电时可见。限位开关有REED型和HALL效应型,可自由连接或已接M12线。盖子的防护等级为IP68。注意:为了能够正确固定在限位开关的外壳中,当阀门完全打开时,视觉指示器不会到达盖子的末端。一旦阀门安装在系统中,必须调整限位开关。

套件代码
阀头尺寸
 A mm
 B mm
KFJM16
∅ 503077
KFJM18
∅ 632687
KFJM21
∅ 901597
KFJM23
∅ 1108107

套件不包含限位开关。

行程限制器
它允许您在打开期间限制阀门百叶窗的行程,从而调节流量。适用于所有版本。在常开单效果器版本中,它也可用作紧急手动控制。

控制
 A mm
代码
∅ 50 25,5
KLJL0016
∅ 63 21,5
KLJL0018
∅ 90 5,2
KLJL0021
∅ 1105,9
KLJL0023

不适用于机头 ∅ 40.

手动紧急控制
使您可以在紧急情况下打开阀门(先导油不足,系统故障,先导信号不足等..)。适用于所有常闭型阀门。

控制  
mm
代码
∅ 50
35,8
KLJA0016
∅ 63
35,8
KLJA0018
∅ 90
29,5
KLJA0021
∅ 110
29,5
KLJA0023

不适用于机头∅ 40

电试点 3/2 - 电磁阀 3/2 - 5/2

控制电磁阀
3/2电磁先导直接安装。
阀体和线圈可旋转360°
标准手动控制。
安装相应的5/2和3/2功能底座(均已随附)的电磁阀(NAMUR标准)。
环境温度从-10°C到+ 50°C

电压
24 Vac115 Vac230 Vac24 Vdc
电试点
EP415024EP415110EP415220EP412024

电压
24 Vac115 Vac230 Vac24 Vdc
NAMUR电磁阀* ER8188A2ER8188A4ER8188A5ER8188C2
NAMUR接口KBNJ0001 Not available with ∅ 40 head

* 仅与NAMUR界面一起使用

限位开关盒
​​​​带有两个机械或感应式限位开关的用于控制打开或关闭位置的信号盒适合安装在整个系列的带执行器∅50-∅63--90-∅110的阀门上。
可根据要求提供用于通过LED连接电磁阀和视觉指示器的端子。
防护等级IP 65
环境温度从-20°C到+ 70°C
电缆入口1 PG11
聚酰胺外壳材料带有透明的聚甲基丙烯酸酯盖。

控制
A
mm

∅ 50  
52,1
∅ 63
47,5
∅ 90
37,7
∅ 110
29,5

可用的限位开关类型

NAMUR EExia感应式限位开关
额定电压:8V DC
功耗:驱动≤1 mA;释放≥3 mA
运行温度:-20℃~+70℃

配置
代码  
1个限位器:阀门打开时处于高位
KSIN9A0xx
1个限位器:阀门打开时处于低位
KSIN9C0xx
2个限位器:阀门打开和关闭
KSIN920xx


接近式限位开关
额定电压:10~30V DC
电流消耗:15 mA;
运行温度:-20℃~+70℃

配置 代码 
1个限位器:阀门打开时处于高位
KSI09A0xx
1个限位器:阀门打开时处于低位
KSI09C0xx
2 个限位器:阀门打开和关闭
KSI0920xx

机械式限位开关
高位限位:阀门打开
低位限位:阀门关闭
最大负载:5A 250V AC;1A 250V DC

配置
代码
2个限位器
KSM0C20xx

xx = Ø 控制端  
16 = Ø50
18 = Ø63
21 = Ø90
23 = Ø110

配置 驾驶
选择搜索参数
搜索文章
X 关闭

下一新闻

Asia Water 2026
Asia Water 2026
Kuala Lumpur, 7-9 April 2026